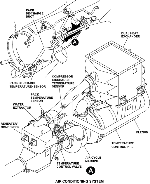
Overview
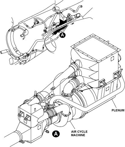
Plenum
The plenum is found in the aft equipment compartment and it connects to the bottom of the dual heat exchanger (DHX) to the ram-air regulating valve with bolts. It is also connected to the air cycle machine (ACM). The plenum receives ram air from the DHX and sends it to the ram-air regulating valve (RARV). A fan installed in the ACM sends a flow of air in the plenum. The fan is operated by the ACM and supplies a flow of air when the ram air flow is not sufficient.
Note:
The RARV is a component of the ram-air system.
The plenum is made of epoxy resin, made stronger with glass fibers. It is made to be resistant to the temperature from the DHX exhaust. The plenum has a check valve with a spring to bypass the ACM fan when there is sufficient ram air flow. The plenum also has an internal guide vane to decrease the turbulence made by the ACM fan.
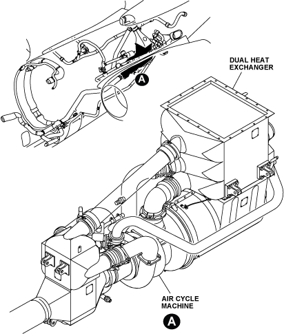
Dual Heat Exchanger
The DHX is found in the aft equipment compartment and it connects the ram-air system to the plenum. It is made of a primary heat exchanger (DHX (primary)) and a main heat exchanger (DHX (main)).
The DHX (primary) decreases the temperature of the bleed air before it goes in the ACM compressor. The DHX (main) decreases the temperature of the air which comes out of the ACM compressor before it goes in the re-heater (re-heater/condenser). Ram air decreases the temperature of the DHX (main) and the DHX (primary). This air first goes through the DHX (main) then through the DHX (primary).
Water is removed from the bleed air by the water extractor. The water is used by the water sprayer to help decrease the temperature in the DHX (main), on the ram air side. This increases the performance of the DHX (main).
Note:
The water sprayer is a component of the ram-air system.
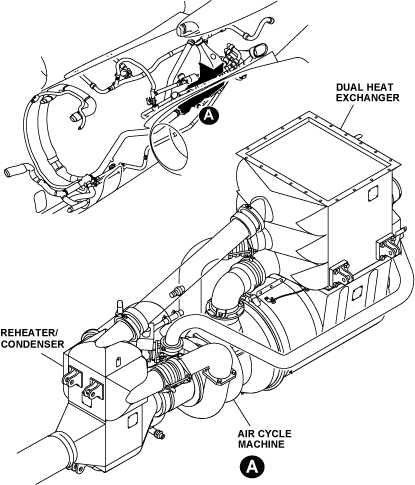
Air Cycle Machine
The air cycle machine (ACM) is in the aft equipment compartment. It is connected to the plenum, DHX, temperature control valve (TCV), and re-heater/condenser.
The ACM has a compressor, turbine, and fan on the same shaft. The ACM compressor pressurizes air from the DHX (primary) and sends it to the DHX (main). The ACM turbine receives air from the re-heater (re-heater/condenser) and sends it to the condenser (re-heater/condenser). This airflow through the ACM turns the turbine shaft to operate the ACM compressor and fan. There is one drain at the bottom of the turbine and one drain at the bottom of the compressor to remove water which can collect.
The fan causes airflow through the DHX when the aircraft is on the ground or when the ram air is not sufficient in flight.
Compressor Discharge Temperature Sensor
The compressor discharge temperature-sensor (CDTS) is installed on the compressor duct of the ACM, upstream of the main heat exchanger. The CDTS has two internal elements which measure the temperature of the air from the compressor. The CDTS continuously sends temperature data to the integrated air system (IAS) controller. The CDTS is used by the IAS controller to give protection to the ACM compressor before it gets too hot.
Note:
The IAS controller is a component of the cabin-pressure control system.
If the temperature out of the ACM compressor becomes more than 428 °F (220 °C), the IAS controller starts to close its related flow control valve (FCV). The flow control valve decreases the flow of bleed air to the inlet of the DHX. This makes the airflow out of the DHX colder which keeps the compressor discharge temperature to less than 428 °F (220 °C).
Note:
The FCV is a component of the filtering and flow control system.
Re-heater/Condenser
The re-heater/condenser is in the aft equipment compartment. It is at the front of the ACM and connected to the ACM, pack discharge duct, water extractor, and DHX. The re-heater/condenser comprises:
- Re-heater
- Condenser
The re-heater and condenser are air-to-air type heat exchangers.
Re-heater
The air which comes in from the DHX on one side decreases its temperature before it is sent to the condenser. The air from the water extractor which comes in on its other side is sent to the ACM turbine. This makes sure that the temperature of the output air of the ACM turbine does not increase. This loop configuration between the re-heater, water extractor, and condenser decreases the water in the air before it goes into the ACM turbine.
Condenser
The air comes in from the re-heater on one side of the condenser while cold air from the ACM turbine comes in on its other side. This makes the temperature of the air sufficiently low to change moisture into water. The condenser then sends this air/water to the water extractor which removes the water. The condenser receives on its other side, cold air from the ACM turbine. It then increases the temperature of the air before it is sent to the pack discharge duct.
Pack Temperature Sensor
The pack temperature sensor (PTS) is installed on the water extractor. The PTS has two internal elements which measure the temperature of the air coming out of the water extractor. The sensor continuously sends temperature data to the IAS controller. The PTS is used by the IAS controller to prevent an ice condition in the water extractor, water separator tube and water sprayer (which are components of the ram-air system). The IAS controller No. 1 starts to open the TCV which lets hot bleed air bypass the ACM and increases the air temperature to the water extractor.
Water Extractor
The water extractor is found in the aft equipment compartment. It is installed in a loop between the condenser and the re-heater (re-heater/condenser). The water extractor decreases the quantity of water in the air that comes from the condenser (re-heater/condenser). The water that is removed goes to a drain port and is sent through the water separator tube to the water sprayer. The air is then sent from the water extractor to the re-heater (re-heater/condenser).
The water extractor is made of three housings (inlet, center and outlet) and a sump with a drain port. The water extractor also has a drain hole to remove the water if the drain port is blocked with ice. The pack temperature sensor and TCV keep the air (that goes through the water extractor) sufficiently warm that the water does not freeze.
Internally, the water extractor has swirl vanes in its inlet housing which cause the air that comes in from the condenser (re-heater/condenser) to turn. The water is then pushed by the centrifugal force against the wall of the center housing. The water is moved along the wall to the opening between the center housing and an internal cone. The water gets in the sump through an annular slot and is pushed with scavenge air through the drain port. The dried airflow continues through the outlet housing and is sent to the re-heater (re-heater/condenser).
Temperature Control Valve
The TCV is found in the aft equipment compartment. It is installed on the ACM and is connected to the exhaust of the ACM turbine and to the temperature control pipe. The TCV receives the bleed air from upstream of the DHX (primary) through the temperature control pipe. The TCV lets hot air bypass the ACM and mix with the cold output air from the ACM. It controls the temperature of the air that is sent to the distribution system through the pack discharge duct.
In the NORM configuration, the TCV controls the temperature of the air (sensed by the PDTS) that is sent to the gaspers. In the PACK ONLY configuration, the TCV controls the temperature of the air (sensed by the PDTS) that is sent to the flight compartment.
At all times, the TCV controls the temperature of the air (sensed by the PTS) to prevent ice conditions in the water extractor, water separator tube and water sprayer. For protection to the pack, the IAS controller always lets this function override the other functions of the TCV.
The valve has an actuator and a valve with a visual position indicator. The actuator has an electrical motor, internal reduction gears and micros-witches. The IAS controller No. 1 (usual- channel A, backup - channel B) controls the motor. The motor turns the gears which move the shaft to open and close the valve. The micros-witches. send end of travel signals (FULLY CLOSED and FULLY OPENED) to the IAS controller.
The valve has a butterfly plate connected to a shaft. The butterfly plate controls the quantity of bleed air that bypasses the ACM. If ice is sensed downstream of the turbine of the ACM, the valve will bypass more bleed air.
Pack Discharge Temperature Sensor
The pack discharge temperature-sensor (PDTS) is installed in the aft equipment compartment in the pack discharge duct. The PDTS has two internal elements which measure the temperature in the pack discharge duct. The sensor supplies an electrical signal to the IAS controller. The IAS controller No. 1 uses this signal to monitor the temperature and control the TCV when the AIR SOURCE switch (on the AIR COND/ BLEED control panel) is set to NORM. The IAS controller No. 1 controls the gasper air supply related to the temperature sensed by the PDTS.
This temperature is controlled by the IAS controller No. 1 usually in the range of 37.40 to 64.4 °F (3 to 18 °C). The PTS is the only input to the IAS controller which can override this range to prevent ice in the water extractor. This temperature is controlled when the air conditioning system operates in automatic or manual mode.
Pack Discharge Duct
The pack discharge-duct is found in aft equipment bay. It connects the condenser/re-heater unit to the distribution system. It sends the conditioned air from the ACM through the bulkhead check valve to the mix manifold. The pack discharge temperature-sensor is attached to the duct. The duct is located in the aft equipment compartment.
02/20/17
System Operation
The air conditioning system operates to supply cool dry air to the flight and passenger compartments. The pack operates very closely with the temperature control and indication system (also known as the trim air) and the ram air system. The intermediate-pressure bleed-air system supplies hot bleed air to the filtering and flow control system. This clean and controlled bleed air is then sent to the pack and to the trim air. The air that comes out of the pack and trim air is mixed and then supplied to the flight and passenger compartments.
The pack cools the air and extracts the water through its internal cycle. The cycle starts when the pack receives the hot bleed air through its DHX (primary) and the ram air system cools it which decreases the pressure and temperature of the air. The air is then sent to the ACM compressor that compresses the air which increases in temperature and pressure and sends it to the DHX (main). The air then flows through the DHX (main) and the ram air system cools it again which decreases the temperature and the pressure.
From the DHX (main), the air flows through the re-heater (re-heater/condenser) and internally through the condenser (re-heater/condenser) where the temperature and the pressure decreases more. From the condenser (re-heater/condenser) the air goes to the water extractor which removes the water from the air. The air is then sent back in the re-heater (re-heater/condenser).
From the re-heater (re-heater/condenser), the air then flows through the turbine of the ACM where the temperature and the pressure decrease again. From the turbine, the air flow goes back through the condenser (re-heater/condenser) which increases the pressure and the temperature of the air. The conditioned air then flows through the pack discharge duct to the distribution system.
The pack can operate in one of the four configuration (OFF, NORM, PACK ONLY, TRIM AIR ONLY) which can be set by the AIR SOURCE switch on the AIR COND/BLEED control panel. Each configuration can operate in two modes: automatic or manual. The pack usually operates in the automatic mode. When the MAN TEMP push button annunciator (PBA), on the AIR COND/BLEED control panel, is pushed and the light comes on, the pack operates in the manual mode. This will cause the legend MANUAL (in white) to show on the ECS synoptic page between the COCKPIT and CABIN temperature indications. No legend shows on the synoptic page when the pack operates in automatic mode.
Note:
The difference between the automatic mode and the manual mode (in the configurations that follow) is the range of the temperature and the source of the sensors used to control this range. The automatic mode usually has a smaller range of temperature to control with the input from sensors which are nearer to the crew and passengers. The manual mode has a wider range of temperature to control with the input from sensors farther from the crew and passengers.
OFF
This configuration occurs when the AIR SOURCE switch on the AIR COND/BLEED control panel, is set to OFF. In this configuration, for each mode, the pack does not operate.
Note:
In this configuration, for each mode, the trim air also does not operate.
NORM
The NORM selection is set by the flight crew in usual operation. In this configuration, for each mode, the pack supplies cool dry air to the flight and passenger compartments (zones) and controls the temperature of the gasper air supply.
Note:
In this configuration, for each mode, the trim air supplies hot air to each zone. Because the trim operates in this configuration, there is an independent control of the air supply to the zones and gaspers.
In the automatic and manual mode, the temperature of the gasper air supply is controlled by the TCV. The PDTS senses the pack discharge temperature and sends a signal to the IAS controller. The IAS controller adjusts the TCV to keep the gasper air-supply temperature at 50 °F (10 °C).
The gasper air-supply temperature can be increased or decreased if a fast change of the temperature is necessary in the cabin or cockpit. If a temperature of 50 °F (10 °C) is sensed less than the selection, the IAS controller No. 1 lets the pack-air temperature go to 37.40 °F (3 °C). This will quickly increase the air temperature of each zone. If a temperature of 50 °F (10 °C) is sensed more than the selection, the IAS controller No. 1 lets the pack air temperature go to 122 °F (50 °C). This will quickly decrease the air temperature of each zone.
In automatic and manual mode, the PTS sends its signal to the IAS controller that controls the TCV which overrides the range in each mode. This is a protection to prevent ice in the water extractor.
Automatic
This configuration occurs when the when the AIR SOURCE switch, on the AIR COND/BLEED control panel, is set to NORM. The COCKPIT and CABIN temperature selectors, on the AIR COND/BLEED control panel, and the ventilated temperature sensors (VENTS) (components of the temperature control and indication system) are the inputs to the IAS controllers to control the air temperature of each zone in the range of 59 to 95 °F (15 to 35 °C).
Note:
The trim air supplies hot air to each zone in a range of 59 to 95 °F (15 to 35 °C).
Manual
This configuration occurs when the AIR SOURCE switch on the AIR COND/BLEED control panel is set to NORM. Also the MAN TEMP PBA is pushed and the light comes on.
The COCKPIT and CABIN temperature selectors on the AIR COND/BLEED control panel and the ducts temperature sensors (DTS) (components of the temperature control and indication system) are the inputs to the IAS controllers to control the temperature of the air supply to each zone in the range of 37.40 to 158 °F (3 to 70 °C).
Note:
The trim air supplies hot air to each zone in a range of 37.40 to 158 °F (3 to 70 °C).
PACK ONLY
The PACK ONLY selection is set by the flight crew if the trim air becomes unserviceable. In this configuration, for each mode, the pack supplies cool dry air to each zone and controls the temperature of the gasper air supply.
Note:
In this configuration, for each mode, the trim air does not operate. Because the trim does not operate in this configuration, there is no independent control of the air supply to the zones and the gaspers.
In automatic and manual mode, the PTS sends its signal to the IAS controller that controls the TCV which overrides the range in each mode. This prevents ice in the water extractor.
Automatic
This configuration occurs when the AIR SOURCE switch on the AIR COND/BLEED control panel is set to PACK ONLY. The COCKPIT temperature selector on the AIR COND/BLEED control panel and the flight compartment VENTS are the inputs to the IAS controllers to control the air temperature of both zones in the range of 59 to 95 °F (15 to 35 °C).
The temperature of the air supply to each zone is sensed by the flight-compartment VENTS which sends a signal to the IAS controllers. Because of its software, the IAS controller No. 1 opens or closes the TCV which controls the pack discharge temperature in the range of 37.40 to 158 °F (3 to 70 °C) to keep the air temperature of each zone in the range of 59 to 95 °F (15 to 35 °C).
Manual
This configuration occurs when the AIR SOURCE switch on the AIR COND/BLEED control panel is set to PACK ONLY. Also the MAN TEMP PBA is pushed and the light comes on. The COCKPIT temperature selector on the AIR COND/ BLEED control panel and the flight compartment DTS are the inputs to the IAS controllers to control the air temperature of both zones in the range of 37.40 to 158 °F (3 to 70 °C).
The temperature of the air supply to each zone is sensed by the DTS which sends a signal to the IAS controllers. Because of its software, the IAS controller No. 1 opens or closes the TCV which controls the pack discharge temperature in the range of 37.40 to 158 °F (3 to 70 °C) to keep the air temperature of each zone in the range of 37.40 to 158 °F (3 to 70 °C).
TRIM AIR ONLY
The TRIM AIR ONLY selection is set by the flight crew if the pack becomes unserviceable. In this configuration the pack does not operate.
Note:
In this configuration, for each mode, the trim air supplies hot air to each zone. Because only the trim air operates in this configuration, for each mode, there is no independent control of the air supply to the zones and the gaspers.
Automatic
This configuration occurs when the AIR SOURCE switch on the AIR COND/BLEED control panel is set to TRIM AIR ONLY.
Manual
This configuration occurs when the AIR SOURCE switch on the AIR COND/BLEED control panel is set to TRIM AIR ONLY. Also the MAN TEMP PBA is pushed and the light comes on.
Displays
The status of the air conditioning system is shown on the ECS synoptic page. The air conditioning system is shown as a box with the legend PACK. The PTS, CDTS, PDTS, and TCV are internal components of the pack and are not shown independently. The contour of the PACK box can be one of the color that follow:
- Red to show an unserviceable status
- Amber to show a caution
- White to show a usual status with no airflow
- Green to show a usual status with airflow
- Magenta to show invalid or unknown status.
There are three temperature indications for each zone (COCKPIT and CABIN). They are as follows:
- The temperature indication in each box, with the legends COCKPIT and CABIN, are actual zone temperatures which are measured by the flight-compartment VENTSs
- The temperature indication to the right of each flow line, below the COCKPIT and CABIN boxes, are the selected temperatures. These temperature indications show what is set by the COCKPIT and CABIN temperature selectors, on the AIR COND/BLEED control panel.
- The temperature indication in each box, below the duct temperature indication, are the duct temperatures which are measured by the DTSs.
The air conditioning system is monitored and controlled automatically by the IAS controllers. The IAS controllers sends data to show messages on the EICAS display.
The AIR COND TEMP FAIL caution message will show when one of the two flight-compartment VENTS becomes defective while in automatic mode
The AIR COND TEMP HIGH caution message will show when the temperature sensed by one of the two DTS is more than 185 °F (85 °C) for more than 30 seconds or more than 212 °F (100 °C) for more than 10 seconds.
The PACK FAIL caution message will show when:
- the TCV becomes defective
- the two elements in the CDTS or PDTS become defective.
The PACK TEMP HIGH caution message will show when:
- the temperature sensed by the CDTS is more than 449.60 °F (232 °C)
- the temperature sensed by the PDTS is more than 185 °F (85 °C).
The AIR COND FAULT advisory message will show when one of the two element in the CDTS, PDTS, or PTS becomes defective.
The PACK COOL AIR FAIL advisory message will show when the RARV becomes defective.
The AIR COND MAN TEMP ON status message will show when the MAN PBA, on the AIR COND/BLEED control panel, is pushed and the light comes on.
The AIR SOURCE OFF status message will show when the AIR SOURCE switch, on the AIR COND/BLEED control panel, is set to OFF.
The PACK ONLY status message will show when the AIR SOURCE switch, on the AIR COND/BLEED control panel, is set to PACK ONLY.
The TRIM AIR ONLY status message will show when the AIR SOURCE switch, on the AIR COND/BLEED control panel, is set to TRIM AIR ONLY.
The EICAS messages that follow are related to the air conditioning system:
| EICAS MESSAGE | LEVEL (COLOR) |
|---|---|
| AIR COND TEMP FAIL | CAUTION (amber) |
| AIR COND TEMP HIGH | CAUTION (amber) |
| PACK FAIL | CAUTION (amber) |
| PACK TEMP HIGH | CAUTION (amber) |
| AIR COND FAULT | ADVISORY (cyan) |
| PACK COOL AIR FAIL | ADVISORY (cyan) |
| AIR COND MAN TEMP ON | STATUS (white) |
| AIR SOURCE OFF | STATUS (white) |
| PACK ONLY | STATUS (white) |
| TRIM AIR ONLY | STATUS (white) |
10/13/20
Component Location Index
| Component Location Index | |||
|---|---|---|---|
| IDENT | DESCRIPTION | LOCATION | IPC REF |
| - | PLENUM | ZONE(S) 311/312 | 21-52-05 |
| - | DUAL HEAT EXCHANGER | ZONE(S) 311/312 | 21-52-09 |
| - | AIR CYCLE MACHINE | ZONE(S) 311/312 | 21-52-13 |
| MT29 | COMPRESSOR DISCHARGE TEMPERATURE-SENSOR |
ZONE(S) 311/312 | 21-52-17 |
| - | REHEATER/CONDENSER | ZONE(S) 311/312 | 21-52-21 |
| MT31 | PACK TEMPERATURE SENSOR | ZONE(S) 311/312 | 21-52-25 |
| - | WATER EXTRACTOR | ZONE(S) 311/312 | 21-52-29 |
| MPE7 | TEMPERATURE CONTROL VALVE | ZONE(S) 311/312 | 21-52-33 |
| MT33 | PACK DISCHARGE TEMPERATURE-SENSOR | ZONE(S) 311/312 | 21-52-37 |
| - | PACK DISCHARGE DUCT | ZONE(S) 311/312 | 21-52-41 |
































