11/28/15
Overview
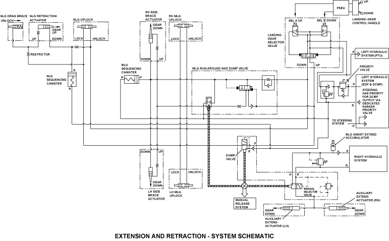
The extension and retraction section has systems that will extend and retract the main and nose landing gears. Also, these systems will open and close the main and nose gear doors. The extension and retraction is done mechanically and is operated by hydraulic system pressure.
The extension and retraction system controls the operation of the main and nose landing gear systems. It also controls the operation of the landing gear emergency extension system.
The landing gear control handle gives the command signal to the proximity sensor electronic unit (PSEU) for the extension and retraction system. The left hydraulic system is used to unlock, extend and retract the landing gear. The right hydraulic system is used only during a manual release for the extension of the main landing gear (MLG). The landing gear emergency extension system is mechanically-operated. The left and right MLG are retracted inboard and the nose landing gear (NLG) is retracted forward.
The landing gear control handle, in the flight compartment center pedestal, is the usual control for the nose and main landing gear. If there is a hydraulic malfunction, the landing gear manual handle in the center pedestal is used to release the landing gear. When the manual handle is pulled, the landing gear will fall freely to the fully extended position.
The extention and retraction system has an interface with the proximity sensor electronic unit.
