Overview
The main gear extension and retraction system is used to retract the main landing gear (MLG) for flight. It is also used to extend the main gear and locks it down for the landing and operations on the ground. The main gear extension and retraction system is set mechanically and hydraulically operated.
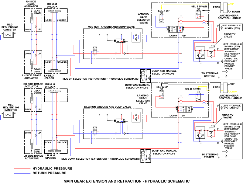
The landing-gear control handle, found in the flight compartment, is used to control the usual operation of the main gear extension and retraction system. If there is a hydraulic malfunction, the landing-gear manual-release handle, found in the flight compartment, is used to extend the MLG.
Main-Gear Auxiliary Extend-Actuator
There are two main-gear auxiliary extend-actuators, one on the left main gear and one on the right main gear.
The auxiliary extend actuator has a cylinder with a piston. The piston end of the actuator attaches to lugs on the top of the MLG main fitting. The cylinder end attaches to the aircraft structure. The right hydraulic system supplies pressure to the main-gear auxiliary extend-actuator.
The main-gear extension and retraction system only uses the auxiliary extend actuator in an emergency. During usual extensions and retractions, the piston moves freely with the movement of the landing gear. For emergency extension, the main-gear auxiliary extend-actuator makes sure that the main gear extends fully.
Main-Gear Uplock
The main-gear uplocks are installed on the aircraft structure in the two main-gear wheel wells. The main-gear uplock holds the main gear in the retracted position. It locks mechanically and, for usual operation, it releases hydraulically. For emergency operation, a manual release handle which is connected to a cable, is used to release the latch lever mechanically. The uplock mechanism has a housing, a latch lever and hook, two tension springs and a actuator with a piston.
When the main gear retracts, a roller at the bottom of the MLG main-fitting engages the latch hook which locks the gear up. The two tension springs make sure that the uplock is held in a positive lock position.
When the main gear extends, hydraulic pressure from the left hydraulic system extends the actuator piston and releases the uplock. The actuator piston moves the latch lever and the latch hook away from the roller which releases the gear. The weight of the gear then turns the hook and the landing gear extends.
Side Brace Actuator
The side brace actuator extends and retracts the MLG. It has an internal lock mechanism that locks it in the extended position to make a rigid side brace. Two springs and hydraulic pressure lock the actuator during the landing gear extension. The springs are hydraulically released when the actuator retracts.
The proximity sensor in the indicator assembly sends locked and unlocked indications to the proximity-sensor electronic unit (PSEU). Each end of the side brace actuator has a spherical bearing to attach it to the aircraft structure and the MLG.
The side brace actuator is pressurized by the left hydraulic system. The port to extend the cylinder lets fluid go into the cylinder for the extension of the piston. A port to retract the cylinder and a transfer tube move fluid to the opposite end of the cylinder to release the lock and retract the piston.
A ring nut safeties the gland housing, which is installed on the open end of the cylinder. Internal and external packings seal the gland housing. A scraper ring is installed on the gland housing to keep out contamination. Keys and a lock nut safety the rod end which is installed on the end of the piston. The rod end has a hole for a ground lock pin and a dust cover to keep contamination out of the ground-lock pin hole.
When the landing-gear control handle is moved to the DN position, the landing-gear selector valve sends hydraulic pressure to the port for extension. When the piston reaches the fully extended position, the lock segments move up the slope of the lock piston. The lock segments engage with the end of the cylinder and prevent retraction of the piston. During emergency extension of the landing gear, the hydraulic pressure bypasses the side brace actuator and the piston moves freely.
When the landing-gear control handle is moved to the UP position, the landing-gear selector valve sends hydraulic pressure to the port for retraction. The hydraulic pressure pushes the lock piston against the force of the springs. The lock segments then move freely down the slope of the locking piston, which lets the piston move into its cylinder.
Four bolts attach an indicator assembly to the cylinder. A striker collar in the lock piston moves the lever in the indicator assembly. Movement of the lever causes a target to move in front of the two proximity sensors. A spring keeps a positive pressure on the proximity sensors to prevent indication errors caused by vibration.
Side Brace Harness
System Operation
For MLG retraction, left hydraulic system hydraulic pressure is sent to the side brace actuators. The side brace actuators unlock and retract to retract the left and right MLG. When the MLG moves to the fully retracted position the uplock rollers on the gear engage and turn the uplock hook. When the uplock hook turns, the roller on the latch lever engages the recess and holds the hook in the locked position. The uplock tension springs apply pressure to the latch lever to hold the roller in a recess.
During a usual extension, the left hydraulic system supplies hydraulic pressure to the side brace actuators and to the main gear uplocks. Hydraulic pressure extends the uplock piston and moves the latch lever and the latch hook away from the roller which releases the gear. After the latch hook releases, the weight of the gear turns the hook and the gear uplock roller moves out of the uplock.
After the uplock releases the roller on the main gear, hydraulic pressure extends the side brace actuator and pushes the gear to the extended position. When the landing gear is fully extended, the side brace locks internally to keep the gear down.
When it is necessary to make an emergency extension of the MLG, the pilot pulls the manual release handle. This causes the main gear uplocks to unlock mechanically and hydraulic fluid bypasses the side brace actuator. The MLG moves away from the main gear uplock. Hydraulic pressure from the right hydraulic system goes to the auxiliary extend actuator which helps the gear go to the fully extended position. The side brace actuator moves freely with the gear and the internal downlock engages. A ground lock pin is put in the MLG side-brace actuators to lock the MLG in the down and locked position.
11/26/15
System Interface
The main gear extension and retraction has interfaces with the systems/component that follow:
- Left and Right Hydraulic Systems
- Main Landing Gear (MLG)
- Landing Gear Control System
- Landing Gear Emergency Extension
- Proximity Sensor Electronic Unit (PSEU)
10/20/20
Component Location Index
| Component Location Index | |||
|---|---|---|---|
| IDENT | DESCRIPTION | LOCATION | IPC REF |
| - | MAIN-GEAR AUXILIARY EXTEND ACTUATOR (LH) | ZONE(S) 730 | 32-32-01 |
| - | MAIN-GEAR AUXILIARY EXTEND ACTUATOR (RH) | ZONE(S) 740 | 32-32-01 |
| - | MAIN-GEAR UPLOCK (LH) | ZONE(S) 730 | 32-32-05 |
| - | MAIN-GEAR UPLOCK (RH) | ZONE(S) 740 | 32-32-05 |
| - | SIDE BRACE ACTUATOR (LH) | ZONE(S) 730 | 32-32-07 |
| - | SIDE BRACE ACTUATOR (RH) | ZONE(S) 740 | 32-32-07 |
| - | SIDE BRACE HARNESS (LH-AFT) | ZONE(S) 730 | 32-32-09 |
| - | SIDE BRACE HARNESS (LH-FWD) | ZONE(S) 730 | 32-32-09 |
| - | SIDE BRACE HARNESS (RH-AFT) | ZONE(S) 740 | 32-32-09 |
| - | SIDE BRACE HARNESS (RH-FWD) | ZONE(S) 740 | 32-32-09 |






