Overview
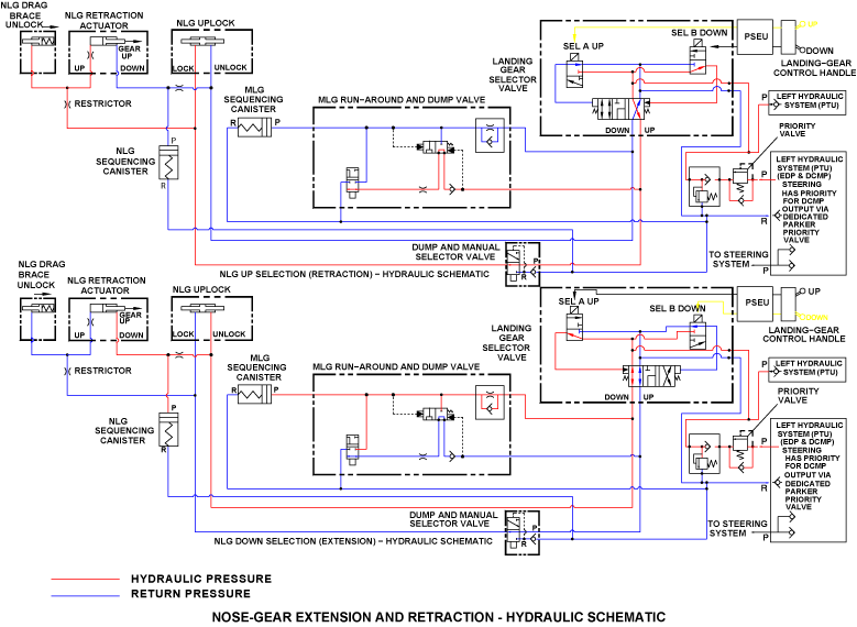
The nose gear extension and retraction system is used to retract the nose landing gear (NLG) for flight. It is also used to extend the NLG and to lock it down for the landing and operations on the ground. The nose-gear extension and retraction system is set mechanically and hydraulically operated. The landing-gear control handle, found in the flight compartment, is used to control the usual operation of the nose gear extension and retraction system. If there is a hydraulic malfunction, the manual release handle in the flight compartment is used to extend the NLG.
Nose-Gear Retraction Actuator
The nose-gear retraction actuator is used to retract and extend the NLG. It has a cylinder and piston, a gland nut, scraper and seals to prevent hydraulic fluid leaks. The cylinder end of the nose-gear retraction actuator is attached to lugs at the top of the shock strut. The piston end is attached to the nose-gear drag brace.
Pressure from the left hydraulic system is used to operate the nose-gear retraction actuator. To control the rate of extension and retraction the nose-gear retraction actuator internally has an orifice and a restrictor. When the nose-gear retraction actuator extends, the NLG retracts and when it retracts, the NLG extends. For emergency extension, the nose-gear retraction actuator is bypassed to return and moves freely with the shock strut.
Nose-Gear Uplock
The nose-gear uplock is installed on the aircraft structure in the nose-gear wheel well. The nose-gear uplock is used to hold the NLG in the retracted position. The uplock is mechanically locked and, for usual operation, hydraulically released. For emergency operation, the manual release handle is used to mechanically release the uplock.
The uplock mechanism has a housing, a latch lever and hook, two tension springs and an uplock actuator. When the NLG is retracted, a roller on the gear engages the latch hook to lock the NLG up. The two tension springs make sure that the uplock is held in a positive lock position. To release the uplock, hydraulic pressure from the left hydraulic system operates the uplock actuator. The uplock actuator piston moves the latch lever and roller away from the latch hook. The weight of the NLG then turns the hook and the NLG extends.
System Operation
For NLG retraction, left hydraulic system pressure is sent to the nose-gear retraction actuator. Hydraulic pressure is also sent to the internal actuator in the nose-gear upper drag-brace. The hydraulic pressure unlocks the internal actuator of the upper drag brace to let it fold. When the drag brace is unlocked, the hydraulic pressure extends the nose-gear retraction actuator-piston and retracts the NLG. While the NLG retracts the drag brace continues to fold until it and the NLG is in the fully retracted position.
While the NLG moves to the fully retracted position the nose-gear uplock roller engages and turns the uplock hook. When the uplock hook turns, the roller on the latch lever engages the lock and holds the hook in the locked position. The uplock tension springs apply pressure to the latch lever to hold the roller in the locked position.
For the usual extension, left hydraulic system pressure extends the uplock actuator piston. The piston moves the latch lever to lift the roller out of the locked position. With the latch roller released, the weight of the NLG turns the hook and the gear uplock roller is released from the uplock. The left hydraulic system pressure retracts the nose-gear retraction actuator-piston and extends the NLG. The drag brace then unfolds to the extended position. When the NLG is fully extended, the auxiliary downlock springs push the NLG drag brace fully unfolded which locks the NLG down.
When it is necessary to make an emergency extension of the NLG, the pilot pulls the landing-gear manual-release handle. This causes the nose-gear uplock to unlock mechanically. Also, hydraulic fluid bypasses the nose-gear retraction actuator and the internal actuator of the upper drag brace. The NLG moves away from the nose-gear uplock. With the aid of airflow the NLG moves down freely.
When the NLG fully extends, the auxiliary downlock springs push the NLG drag brace to the fully unfolded position. At the same time the forward-door assist-springs operate against the airload on the forward doors. These two sets of springs help the NLG to get a downlock.
Two dust excluders must be removed and a ground lock pin put in the NLG drag brace. This will make sure that the NLG stays in the down and locked position.
11/26/15
System Interface
The nose-gear extension and retraction system has interfaces with the following systems:
- Left and Right Hydraulic Systems
- Nose Landing Gear (NLG)
- Landing Gear Control System
- Landing Gear Emergency Extension



