Overview
The engine is a pneumatic and shaft power gas turbine engine. The engine is controlled and protected by three systems. They are the engine fuel system, the lubrication system and the electrical system.
The engine changes the heat energy from the combustion of the fuel and the air mixture into shaft and pneumatic power. The engine can use the shaft power to turn the generator to make dc power. The pneumatic power can supply the environmental control system or start the aircraft engines.
01/04/16
Power Section
The power section supplies shaft power to turn the gearbox. It also supplies compressed air as an alternative bleed air source. The power section operation is controlled by the electronic control unit (ECU). The power section has the sections that follow:
Compressor Section
The 36-150 APU utilizes a single stage centrifugal compressor.
The compressor section of the power section has an inlet housing assembly, a single stage centrifugal compressor rotor, and a diffuser. The compressor supplies the compressed air for the combustion and for the customers use. The inlet housing assembly contains a planetary gear system which drives the gearbox section drive gear train.
Airflow from the inlet flow system is directed to the hub area of the compressor rotor that mounts on a common shaft with the turbine and rotates at approximately 58,737 rpm.
A rotational force is imparted to the air, which is accelerated to high velocity off the compressor rotor blade tips and enters the diffuser.
The diffuser, a divergent duct, transforms the velocity, low-pressure air into velocity, high pressure required for combustion.
A deswirl deflector is installed at this point to straighten the flow of compressor discharge air as it enters the turbine housing which houses the combustion section and the turbine section.
The compressor housing ensures containment of blade tips in the event of failure.
Note:
None of the compressor section components are not line replaceable units (LRUs).
Combustion Section
The combustor section of the power section burns the compressed air in the combustor after it mixes with the fuel.
The combustion section is made up of the combustion chamber, an igniter plug and fuel nozzles and inserts into the turbine housing.
The igniter plug is analyzed with the start and ignition system and the fuel nozzles are analyzed with the fuel system.
The turbine housing functions to provide a flow path boundary for compressor discharge air.
The compressed air passes through holes in the combustion chamber where fuel is added to provide a combustible mixture, which is burned to increase the energy level of the compressed gas.
The gas is then discharged into the turbine section.
Note:
The combustion chamber is not a line replaceable unit (LRUs).
Turbine Section
The function of the turbine section is to convert the gas energy into shaft energy to drive the compressor and the APU accessories.
The turbines section consist of a containment ring, a labyrinth seal, a single radial inflow turbine wheel, a turbine nozzle, a turbine wheel deflector and a combustion airflow deflector.
Hot gases from the combustion section are delivered to the combustion airflow deflector, which is contoured to deliver the gases to the inlet of the turbine nozzle.
- The turbine nozzle, which is a convergent duct, directs and accelerates the hot gases onto the turbine blades.
- The labyrinth seal provides separation of the turbine rotor and the compressor.
- The containment ring ensures containment of blade tips in the event of failure.
The result is hot gas which flows through the turbine nozzle to the turbine rotor. The hot gas flow causes the rotation necessary to operate the compressor rotor, planetary gear system and the gearbox drive train.
Note:
None of the turbine section components are line replaceable units (LRUs).
Air Inlet Section
The functions of the air inlet section are to screen airflow and direct it into the compressor.
The airflow is drawn into the compressor through the inlet duct that adapts to the aircraft air intake.
A flow splitter in the inlet duct helps to prevent turbulent swirling of the inlet air which might be caused by high-speed rotation of the compressor impeller wheel.
Air flows through the inlet screens and holes in the compressor housing which is a main structural member of the APU connecting the gearbox to the turbine housing
An inlet face shroud is cast as part of the compressor housing to guide inlet airflow to the hub area of the compressor impeller.
Note:
The compressor housing and impeller and the inlet screens and inlet ducts are not line replaceable units (LRUs).
01/04/16
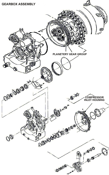
Gearbox
The gearbox has the necessary mounting pads and reduction gears to drive the oil pump, the fuel control unit, and the provided generator. The gearbox also has the mounting pad and input gears as necessary for the starter operation.
The gearbox is a high-strength magnesium housing that supplies the sump for the lubrication system. The gearbox contains the reduction gears to operate the starter assembly, oil pump, fuel control unit and dc generator. The reduction gears maintain the correct rpm for the installed accessories.
The Functions of the Gearbox Assembly are as follows:
- Transfers power from starter to engine section during start and acceleration.
- Transfers power from engine to accessories at all speeds.
- Provides oil containment and sump for oil system.
Gearbox Assembly
The gearbox assembly mounts on the compressor inlet housing. It provides a 12,000 RPM clockwise rotation-mounting pad for customer-furnished generator.
The APU fuel control unit assembly mounts on the oil pump assembly. The oil pump/fuel pump is driven at 2,224 RPM in a clockwise direction.
The gearbox provides mounting bosses for the low oil pressure (LOP) switch, the magnetic drain plug, the high oil temperature (HOT) switch, the motional pickup Transducer and starter motor. The gearbox housing also has the mounts for the seven APU support struts.
The gearbox supplies the APU lubrication system and oil control through the integral components that follow:
- The oil pump
- The low oil pressure switch
- The oil filter assembly
- The oil pressure regulator
- The high oil temperature sensor.
The starter clutch is part of the gearbox assembly itself.
In addition to providing mounting pads and power for the accessories, the gearbox functions as a sump and reservoir for the oil system. The oil pump is located inside the gearbox. Lubrication of the gear train is provided by splash and by internal drilled passages to the main shaft bearings, planetary gear group and gear meshing points.
The gearbox must be partially disassembled to gain access to the oil pump.
The oil fill cap allows for servicing the gearbox and the magnetic drain plug provides for oil draining and lubrication system inspection. The gearbox is of a modular design attached to the APU inlet housing and is removed from the engine with all gears remaining in their positions.
Planetary Gear Group
The planetary gear group is located within the compressor inlet housing.
The planetary gear group contains the main shaft bearings for the APU rotating group (compressor and turbine) thus reducing the need for external oil service to the turbine section and reducing exposure of the oil to heat the turbine section.
The main function of planetary gear group is mate the turbine to the gearbox and reduce turbine rpm for use by the gearbox in a compact drive train.
01/05/16
System Operation
Power Section
The compressor section compresses the ambient airand controls the air flow into the combustor section. The impeller turns at 58,737 rpm and pullsin a large quantity of ambient air through the inlet perforations and compresses it. Most of the compressed air moves into the combustor section. Some of the compressed air will go into the bleed air system where the load control valve or the surge valve can release it when necessary. The remaining compressed air will go to specified points or spaces in the power section. The function of these small quantities of compressed air are:
- To decrease the temperature of specified components
- To provide an air pressure which helps to prevent the oil leaks at the interface of specified components
- To make the hot gases flow more smoothly at specified points in the combustor and the turbine section.
Initially the ignition system starts the combustion during the engine start sequence. The ignition system stops the ignition operation at 99 percent but the flame in the combustion chamber keeps the combustion constant in the power section. The hot gases move quickly through the turbine section to the exhaust.
The turbine section changes the heat energy of the hot gases to mechanical energy. The hot gases go through the vanes of the turbine nozzle and the stator. The hot gases then strike and turn the turbine rotor which turns the tie shaft. The tie shaft turns the compressor rotor and the gearbox. The spent hot gases continue through the turbine section to the engine exhaust.
Gearbox
The gearbox is connected to the power section by the planetary gear assembly and is driven by the turbine rotor tie shaft. The gearbox is vented through the bleed air operated ejector system to the turbine exhaust. The vent system keeps a negative gearbox pressure. The negative pressure prevents the oil from contaminating the bleed air system if the compressor seal fails.







