01/07/16
Overview
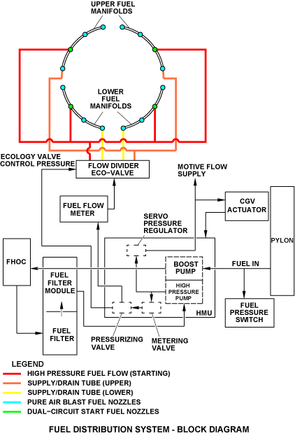
The engine fuel distribution system includes all the plumbing and the components necessary to move the fuel between the controlling components and the combustor. The distribution system supplies clean, filtered fuel at the correct pressure, temperature and flow rate to the engine during ground and flight engine operation.
The fuel distribution system receives fuel from the aircraft fuel system. The fuel is filtered and pressurized. The fuel temperature is also increased to prevent ice in the fuel filter. The system supplies the motive flow to the aircraft fuel management system for fuel transfer functions, and sends it to the engine control system. Fuel pressure is also supplied to operate the compressor variable geometry actuators (CVGAs) of the engine.
Fuel Pump
The fuel pump is found in and moved by the hydromechanical unit (HMU). Although the fuel pump is a part of the HMU, the two are line replaceable units (LRUs). The HMU is moved by a shaft from the AGB. The maximum speed of the pump is approximately 8,500 rpm.
The fuel pump is a pressure filled positive displacement gear-pump unit. The fuel pump has two mechanically connected sections: the boost pump and the high pressure pump. The boost pump contains an inducer and an impeller. The high pressure pump contains the pump gears, the bearings, and the drive shaft and seals.
The aircraft fuel goes into the fuel pump at the inlet to the boost pump. The boost pump pressurizes the fuel to a level that cancels the interstage loss of pressure. The boost pressure also prevents the fuel fumes at the increased gear temperatures and pressurizes the high pressure pump. Fuel flow that goes out of the high pressure pump supplies the engine burn requirement and the CVGA.
Fuel Filter
The fuel filter is a element type filter which is a LRU that is found in the fuel filter module. The fuel filter has an element, that is 32 micron absolute, which decreases the contamination in the HMU.
The fuel filter module connects to the fuel heater/oil cooler (FHOC) on the aft left side of the AGB. The module has an external mechanical differential-pressure-indicator (DPI). It also has an dual function switch. The dual function switch supplies impending fuel bypass signals to the flight compartment. It also is used to measure the temperature of the fuel from the FHOC. A filter bypass valve lets the fuel flow to the high pressure pump if the filter is clogged because of contamination.
The fuel filter module (FFM) contains the following items:
- Fuel filter
- Fuel filter bypass valve
- Fuel filter impending bypass indicator and temperature sensor (electrical connector)
- Fuel filter mechanical bypass indicator
Fuel Filter Bypass Valve
When the fuel pump filter decreases flow (due to contamination) more than a preset value, a filter bypass valve lets the fuel flow to the metering section of the HMU. The filter bypass valve begins to open a pressure of 26 psid. The valve keeps an unobstructed flow path between the boost pump element and high pressure pump element if the fuel filter becomes clogged during flight.
Fuel Filter Impending Bypass Indicator and Temperature Sensor
The fuel filter impending bypass indicator and temperature sensor monitor the fuel pressure drop across the fuel filter and measure the temperature of the fuel entering the filter.
When fuel pressure decreases downstream of the filter, the electrical bypass valve opens and transmits an electrical signal to the engine FADEC system. This triggers a cyan ENGINE FUEL BYPASS CAS message to the cockpit
Fuel Temperature Sensor
The fuel temperature sensor is a dual-element, platinum-resistance temperature detector. It is integral to the fuel filter impending bypass indicator located in the FFM. Any time fuel temperature drops below 3 °C a non-latching cyan CAS message FUEL TEMP LOW will appear.
Fuel Filter Mechanical Bypass Indicator
If a filter bypass occurs, a visual indicator, found in the fuel filter module, tells the maintenance personnel of the problem. The indicator is operated by the sensed pressure drop across the fuel filter element to show that the filter has reached its capacity. The indicator extends from the housing and shows a blue O-ring, giving a visual indication that filter bypass has occurred.
Fuel Nozzles
There are 16 air blast fuel nozzles. 12 of the nozzles are pure air blast nozzles and the other 4 are dual circuit start fuel nozzles. The two circuits are the primary flow circuit for engine starts and the secondary circuit for the other engine operations.
Fuel is atomized when the combustor pressure decreases. This lets the fuel circuit have a large flow dimension which gives long life and reliability to the nozzle. The life of the atomizer is also increased by a heat shield on the outer surface of the atomizer.
The fuel stems of the two nozzle types are made from one piece of stainless steel which prevents many welded joints and increases reliability. The nozzle tips are made from a material (Hast X) which gives low corrosion rates and long life.
Fuel Manifolds
There are four fuel manifolds (two upper and two lower). Each of the four fuel manifolds supplies fuel equally to three pure air blast nozzles and one dual-circuit start nozzle (16 in total).
Flexible hoses adapt for thermal expansion, tolerances and nozzle removal and installation. A flow divider in the flow divider eco-valve assembly keeps the same pressure through the fuel manifolds.
Fuel Heater/Oil Cooler
The FHOC is a shell and tube type heat exchanger. The FHOC increases the temperature of the fuel to prevent ice in the engine fuel system. It also decreases the engine oil temperature. The FHOC moves the heat of the oil to the fuel without temperature control valves. The FHOC is made of 286 internal tubes. The tubes transmit the fuel through the FHOC while the oil is sent above and around the tubes to cause a heat interchange. The FHOC is connected to the fuel filter module and extends in the AGB oil tank transfer.
Flow Divider Eco-Valve
The flow divider eco-valve (FDEV) unit has a flow divider and an ecology valve. The unit is attached to the engine fixed outer fan duct with a saddle clamp. The HMU controls the pressure to the FDEV.
The flow divider supplies balanced flow to the upper and lower manifolds at a constant pressure for all engine operation conditions. The pressure is compensated for altitude and upper manifold line flow loss which balances the pressure to the 16 air blast nozzles. The equal pressure to the nozzles decreases the hot spots that can occur in the combustor.
The ecology valve removes the fuel from the engine manifold when the engine stops. The valve then gives the fuel to the manifold at the subsequent engine start. The fuel is removed when the engine stops to prevent the evaporation of fuel from the engine. This helps prevent carbon from collecting in the nozzles.
04/15/16
Operation
Fuel goes in the HMU through the boost pump. The boost pump increases the fuel pressure before it is sent to the FHOC through the fuel filter module (FFM). The FFM supplies a conduit to the FHOC. The hot fuel then goes back in the FFM, through the dual function switch and into the fuel filter or the filter bypass valve.
The dual function switch is a two-function switch. When the filter differential pressure gets to 14.00±1.50 psid (96.53±10.34 kPa), a L(R) ENGINE FUEL BYPASS advisory message is shown on the EICAS The EICAS message is an indication of an impending bypass of unfiltered fuel from the inlet to the outlet port because of a fuel filter clogged condition. If the fuel filters of the two engines are clogged, an ENGINES FUEL BYPASS caution message is shown on the EICAS. When the ENGINES FUEL BYPASS caution message is shown, the L(R) ENGINE FUEL BYPASS advisory message is not shown.
The other function of the dual function switch is to measure the temperature of the fuel from the FHOC. The temperature sensor resistive temperature device (RTD) sends the fuel temperature at the entry of the fuel filter to the ECU. If the fuel temperature is low, a L(R) ENG FUEL TEMP LOW advisory message is shown on the EICAS. The fuel temperature measurement is also used for record functions.
If an actual filter bypass occurs, a fuel filter mechanical differential pressure indicator (DPI) informs maintenance personnel of the event. The DPI is operated on a sensed pressure drop across the fuel filter element to show that the filter capacity has been reached. The indicator will extend to show a blue ring, which gives a visual indication of a filter bypass condition. A filter bypass valve lets the fuel flow to the high-pressure pump if the filter prevents the flow because of contamination.
Fuel goes out of the FFM and goes into the high-pressure pump. High-pressure pump discharge is then divided. The pressure flows to the metering valve inlet, proportional bypass valve, servo pressure regulator, and motive flow pressure regulator. Fuel then goes into the flow metering section of the fuel control section. From there, the metered fuel goes to the pressurizing valve. The pressurizing valve sends control pressure or metered fuel pressure (through the fuel flow meter) to the FEDV. The FDEV supplies the fuel flow between the upper and lower manifolds pure air blast nozzles or to the dual-circuit start fuel nozzles.
From the high-pressure pump, the fuel also goes to the motive-flow lockout valve. During a startup when the high-pressure pump discharge is low, the lockout valve sends all high-pressure flow into the metering control circuit. This allows starts at low engine speeds. When the engine speed increases, the lockout valve sends the motive flow to the aircraft fuel system for fuel feed functions.
The fuel nozzle configuration has 12 pure air blast nozzles and four dual-circuit start fuel nozzles. This configuration allows starts in cold conditions to altitudes of 30,000 ft (9,144 m). The FDEV controls fuel flow to the primary and the secondary atomizer circuits. This fuel flow gets satisfactory engine start properties and decreases turbine section hot spots during engine starts and during usual engine operation.
During fuel flow start conditions, the FDEV keeps the primary nozzle circuit pressure higher than the secondary circuit pressure to help fuel atomization and starts. While the fuel flows are increased more than start condition flows, the primary circuits are changed to the same pressure as the secondary circuits. In the usual operation range, pure and dual-circuit fuel nozzles flow is very near to the same which helps decrease turbine section hot spots. The primary and the secondary circuits of the dual-circuit start fuel nozzles have flow fuel during usual operation. This helps prevent carbon to collect in the nozzles.
System Interface
The fuel distribution system interfaces with the following systems/components:
- Fuel Feed System
- Accessory Gearbox (AGB)
- Fuel Control System
- Fuel Indication System
- Compressor Variable-Geometry Actuator
- Electronic Control Unit (ECU)
- Oil Distribution System
10/22/20
Component Location Index
| Component Location Index | |||
|---|---|---|---|
| IDENT | DESCRIPTION | LOCATION | IPC REF |
| - | FUEL PUMP (LH) | ZONE(S) 432BB | 73-10-01 |
| - | FUEL PUMP (RH) | ZONE(S) 442BB | 73-10-01 |
| - | FUEL FILTER ASSEMBLY (LH) | ZONE(S) 432BB | 73-10-05 |
| - | FUEL FILTER ASSEMBLY (RH) | ZONE(S) 442BB | 73-10-05 |
| - | FUEL INJECTION NOZZLES (LH) | ZONE(S) 432BT | 73-10-13 |
| - | FUEL INJECTION NOZZLES (RH) | ZONE(S) 442BT | 73-10-13 |
| - | FUEL MANIFOLDS (LH) | ZONE(S) 432BT | 73-10-17 |
| - | FUEL MANIFOLDS (RH) | ZONE(S) 442BT | 73-10-17 |












