Overview
The indicating system gives the flight crew the data to monitor the conditions of the engine oil system.
The indicating system gives the flight crew the data to monitor the condition of the oil filter, engine oil temperature, engine oil pressure, and level of oil in the oil tank. This data is found on the engine indicating system area of the engine indicating and crew alerting system (EICAS). The EICAS message display shows the related messages for the engine oil indicating system.
The oil indicating system monitors the condition of the oil filter, engine oil temperature, engine oil pressure, and level of oil in the oil tank.
Impending Bypass Indicator
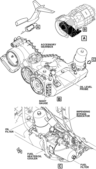
The impending bypass indicator is installed in the body of the oil filter. One bolt attaches the indicator to the oil filter housing. The impending bypass indicator has one electrical connection. The impending bypass indicator sends data through the electronic control unit (ECU) to the engine indication and crew alerting system (EICAS).
Oil Temperature Transducer
The oil temperature transducer is installed in the left rear side of the gearbox, below the fuel heater/oil cooler. One bolt attaches the transducer to the gearbox and there is one electrical connection. The oil temperature transducer is a resistive thermal device transducer. The oil temperature transducer sends data through the ECU to the EICAS. The temperature indication is shown on the engine indication system (EIS) area of the EICAS display.
Oil Pressure Transducer
The oil pressure transducer is installed in the left front side of the gearbox, below the oil pump housing. One bolt attaches the transducer to the gearbox and there is one electrical connection. The oil pressure transducer sends data to the EICAS through the ECU to the EICAS. The pressure indication is shown on the EIS area of the EICAS display.
Oil Level Probe
The oil level probe is installed in the top left side of the gearbox. Two bolts hold the sensor to the casing of the gearbox, and there is one electrical connection. The oil level probe sensor sends a signal about the quantity of oil in the engine oil tank to the fuel quantity computer of the FMQGS. The ENGINE OIL LEVEL is shown on the refuel/defuel control panel.
02/19/16
Operation
The impending bypass indicator sends signals to the ECU A and B channels. The signals give data about the differential pressure across the oil filter (filter impending blockage) and the position of the bypass valve (filter blocked). When the oil pressure is between 45 and 55 psi (310.3 and 379.2 kPa), the filter is in impending bypass. When the pressure is >65 psi (>448.1 kPa), the filter is in full bypass. If the oil filter is in a full bypass condition, a L (R) ENGINE OIL BYPASS advisory message shows on the EICAS display.
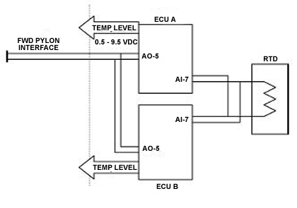
The oil temperature transducer, through its internal resistive thermal device (RTD), senses the temperature of the oil that comes out of the fuel heater/oil cooler. The RTD sends signals in proportion to the oil temperature to the ECU A and B channels. The oil temperature of each engine shows in degrees Celsius on the EICAS display.
The oil pressure transducer sends signals to the ECU A and B channels about the pressure that the oil pump supplies to the system. If the oil pressure is ≤28 psi (193.0 kPa), a L(R) ENG OIL PRESS LOW warning message shows on the EICAS display. The oil pressure of each engine shows in psi on the EICAS display.
The oil level check can only be done on the ground. The oil level probe is connected to the fuel quantity computer, which continuously measures the oil level. The oil level quantity is transmitted to the refuel/defuel control panel through the ARINC 429 bus. The refuel/defuel control panel has a POWER switch (with a guard) and 4 lights (2 for each engine) that are used for oil level checks. There is a LAMP TEST switch on the control panel to make sure that all the lights on the panel are serviceable. The lights can show the oil level conditions that follow:
- FULL (green)
- CHECK OIL (amber)
The EICAS messages that follow are related to the oil indication system:
| EICAS MESSAGE(S) | LEVEL (COLOR) |
|---|---|
| L ENG OIL PRESS LOW | WARNING (red) |
| R ENG OIL PRESS LOW | WARNING (red) |
| L ENGINE OIL BYPASS | ADVISORY (cyan) |
| R ENGINE OIL BYPASS | ADVISORY (cyan) |
01/21/16
System Interface
The indicating system has interfaces with the following systems/components:
- Replenishing the Oil Systems
- Fuel Management and Quantity Gauging System (FMQGS)
- Fuel Quantity Computer
- Engine Indication and Crew Alerting System (EICAS)
- Fuel Distribution System
- Fuel Control System
- Fuel Heater/ Oil Cooler
- Electronic Control Unit (ECU)
- Integrated Engine Instrument System
10/22/20
Component Location Index
| Component Location Index | |||
|---|---|---|---|
| IDENT | DESCRIPTION | LOCATION | IPC REF |
| - | OIL FILTER BYPASS-INDICATOR (LH) | ZONE(S) 432BB | 79-31-01 |
| - | OIL FILTER BYPASS-INDICATOR (RH) | ZONE(S) 442BB | 79-31-01 |
| - | OIL TEMPERATURE TRANSDUCER (LH) | ZONE(S) 432BB | 79-31-05 |
| - | OIL TEMPERATURE TRANSDUCER (RH) | ZONE(S) 442BB | 79-31-05 |
| - | OIL PRESSURE TRANSDUCER (LH) | ZONE(S) 432BB | 79-31-09 |
| - | OIL PRESSURE TRANSDUCER (RH) | ZONE(S) 442BB | 79-31-09 |
| - | OIL LEVEL PROBE (LH) | ZONE(S) 432BB | 79-31-13 |
| - | OIL LEVEL PROBE (RH) | ZONE(S) 442BB | 79-31-13 |








