Overview
The air conditioning units (packs) decrease the temperature and water contained in the hot bleed air supplied by the pneumatic system.
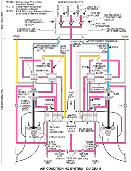
Hot bleed air is supplied to the packs from the flow control system. The hot air is first cooled at the primary heat exchanger.
A ram air scoop supplies outside air over the heat exchangers to cool the hot air supplied to the air conditioning system. A fan on the air cycle machine (ACM) will draw outside air over the heat exchangers if there is insufficient ram air pressure. The outside air that passes over the heat exchangers is then exhausted overboard.
The bleed air cooled at the primary heat exchanger, is supplied to the compressor of the ACM where it is compressed and heated (heating is a result of compression). The hot air from the compressor is routed through the main heat exchanger for cooling.
The air from the main heat exchanger passes through the water extraction loop (a reheater/condenser unit and a water extractor). The air is routed through the reheater to the condenser where it is cooled by the colder air passing through the condenser from the turbine. The cooling of the air condenses any moisture to form water droplets. The air exiting the condenser is routed through the water extractor which uses centrifugal action to extract the water droplets from the air. This water is sprayed over the heat exchangers to aid in cooling. The dry air exiting the water extractor is passed through the reheater, which uses the hot air passing through in the previous direction to reheat the air for further drying and to regain lost energy.
The air from the reheater is routed through the turbine of the air cycle machine where it is expanded and cooled. This cold (conditioned) air is supplied to the distribution system.
A temperature control valve at the outlet of the air cycle machine turbine will inject hot air to regulate the pack discharge temperature and prevent icing.
Numerous sensors are installed in the system for control, to prevent overheating or freezing. The air conditioning controller uses these sensor inputs to control the flow control valve and temperature control valve.
Air Conditioning Control Panel
Located on the Air Conditioning Panel are two PACK PBAs. These PBAs include FAIL and OFF legends. In normal operation, the PBAs are on and both lights are extinguished. The OFF light illuminates when the switch is selected OFF. The FAIL light indicates that a failure has occurred which has shut down the associated Air Conditioning Unit.
Pack temperature control is normally automatic. Manual control is enabled by selection of the PACK CONTROL Selector to MAN. Control of the temperature in the manual mode is provided by two MAN TEMP toggle switches. The MAN TEMP Hot/Cold toggle switch is a three-position, spring-loaded-to-center selector that is used to control the position of the Temperature Control Valve (TCV) in the manual mode.
Note:
For further information on the MAN TEMP toggle switches.
The guarded RAM AIR PBA is used to open the Ram Air Valve. When selected, the ON legend illuminates.
Ram Air Inlet Duct
The ram air inlet ducts supply the cold air to the dual heat exchangers of the air conditioning units. It also gives fresh air to the flight compartment when the ram air valve is open.
The ram air flows from the ram air intake to the ram air inlet duct. The ram air flow then divides into two parts to supply the two air conditioning units. The ram air inlet ducts are installed in the aft equipment compartment.
On the ground, a ram air check valve opens when the fan of the air cycle machine is on. This check valve increases the ram air flow available for each air conditioning unit. In flight, the check valve closes when the pressure in the ram air intake is sufficient. The ram air check valve is installed on the aft side of the ram air intake.
Water Sprayer
There are two water sprayers. Each water sprayer is installed in the main heat-exchanger diffuser. A water extractor on each air conditioning unit removes water from the air and sends it to the water sprayers. It sends the water through a nozzle at high velocity into the ram airflow. The spray decreases the ram air temperature upstream of the dual heat exchangers.
Ram Air Outlet Duct
The ram air outlet ducts remove the heated air from the dual heat exchangers of the air conditioning units. The air is released outside of the aircraft through the ram air outlet. The ram-air outlet ducts also reduce the noise of the air conditioning units. A scavenge line connects from the bleed filter to the ram air outlet ducts. Unwanted materials removed from the bleed filters are sent through the scavenge line to the ram air outlet ducts and then outside the aircraft through the ram air outlet. The ram air ducts are located in the aft equipment compartment.
Ram Air Valve
The ram air valve supplies the ventilation system with fresh air when the pneumatic system or the air conditioning units are unserviceable. The ram air valve has a butterfly valve and an electric actuator. Micro switches on the actuator remove power when the valve is fully open or closed. A handle on the valve body opens or closes the valve manually on the ground.
The RAM AIR switch/light on the bleed-air control panel opens the ram air valve when the switch is pushed in. The valve is installed on the right pack discharge-duct in the aft equipment compartment.
06/19/24
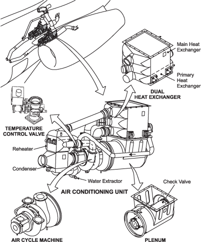
Air Conditioning Unit (Cooling Packs)
The air conditioning unit (cooling pack) decreases the temperature and the water contained in the hot bleed air supplied by the pneumatic system. Heat exchangers decrease the temperature of the air. An air cycle machine first compresses the air then expands it. A condenser and a water extractor remove the water from the air. The aircraft has two air conditioning units, one for the left bleed air system and one for the right.
Hot bleed air flows from the flow control valve into the primary heat exchanger where the temperature and the pressure decrease. The air then flows into the compressor of the air cycle machine where the temperature and the pressure increase. The air then flows through the main heat exchanger where the temperature and the pressure decrease.
From here, the air flows through the high-pressure water-removal loop where the moisture is removed and the temperature and the pressure decrease further. The air then flows through the turbine of the air cycle machine where the temperature and the pressure decrease again. From the turbine, the air flow goes back through the condenser and the temperature of the air increases. The conditioned air flows to the mix manifold through a downstream check valve.
In normal operation, the air conditioning system controller automatically controls the air conditioning units.
Plenum
The plenum collects air from the primary heat exchangers and sends it through ducts to the air cycle machine fan. This fan is inside a chamber in the plenum. The air is released to the ambient air through the ram air outlet ducts. The chamber has a check valve that opens to bypass the fan when there is sufficient air from the ram air system. The high heat exchanger and fan temperatures do not damage the plenum.
The plenum is installed in the aft equipment compartment, in the ram air system and connects to the air cycle machine, the dual heat exchangers and the ram air outlet ducts.
Dual Heat Exchanger
The dual heat exchanger includes a primary and a main heat exchanger. The primary heat exchanger decreases the temperature of the bleed air before it goes into compressor of the air cycle machine. The main heat exchanger cools the air, which goes out of the compressor. Ram air cools both the primary and the main heat exchangers. This air goes through the main heat exchanger first then the primary. Water, removed from the bleed air by the water extractors, is used as spray to help decrease the temperature in the main heat exchanger on the ram air side.This makes the performance of main heat exchanger better.
The dual heat exchanger is installed in the aft equipment compartment between the plenum and the main heat exchanger diffuser.
Air Cycle Machine
The air cycle machine has a compressor, a turbine and a fan installed on the same shaft. The air cycle machine compresses and expands the bleed air. The fan supplies ram air to the heat exchanger when the aircraft is on the ground and when the ram air is not sufficient in flight.
It is installed in the aft equipment compartment between the plenum and the condenser/reheater unit.
Compressor Pneumatic Overheat-Sensor
The compressor pneumatic overheat-sensor (sensor) controls the flow control valve (valve) when the compressor becomes too hot. It releases some of the pressure from the regulator of the valve to decrease the opening of the valve if the measured temperature of the compressor gets too hot. The sensor is installed on the compressor duct of the air conditioning unit.
Reheater/Condenser Unit
The reheater is an air-to-air heat exchanger. The heat that is removed from the bleed air from one side of the unit is put back on the other side. This prevents an increase in the temperature of the output air of the turbine of the air cycle machine. It also decreases the amount of water in the air before it goes into the turbine. The reheater is installed in the aft equipment compartment on the air conditioning unit.
The condenser is also an air-to-air heat exchanger. It uses the output air from the turbine of the air cycle machine to cool the bleed air to a temperature low enough to change moisture into water. Then the water extractor removes the water. The condenser is installed in the aft equipment compartment on the air conditioning unit.
Water Extractor
The water extractor (WE) decreases the quantity of water in the bleed air that comes from the condenser. The water that is removed goes to a drain hole and is sent to the water sprayer in the ram air system.
The water extractor is made of three housings and a sump with a drain hole. The water extractor has one more opening to drain the water overboard if the drain hole is blocked with ice. The temperature control system keeps the air that goes through the water extractor at a temperature high enough so the water does not freeze. The water extractor is installed in the aft equipment compartment on the air conditioning unit.
Temperature Control Valve
The temperature control valve (TCV) controls the flow of bleed air which bypasses the heat exchangers and air cycle machine to ensure proper temperature in the air conditioning unit. The TCV consists of an electric motor, a valve and a visual position indicator.
The air conditioning system controller controls the motor. The motor opens and closes the valve to control the quantity of bleed air that bypasses the air conditioning system. If ice is detected downstream of the turbine of the air cycle machine, the TCV will bypass more bleed air.
The TCV is installed on the air conditioning unit, upstream of the primary heat exchanger.
Compressor Discharge Temperature Sensor
The compressor discharge temperature sensor (CDTS) measures the temperature of the air from the compressor and provides temperature signal to both controllers to monitor for overheat. The CDTS is installed on the compressor duct of the air conditioning unit, upstream of the main heat exchanger.
Pack Temperature Sensor
The pack temperature sensor (PTS) measures the temperature of the water extractor outlet. The PTS supplies a temperature measurement signal to the air conditioning system controller. The controller uses the temperature measurement to control the performance of the cooling system, and to prevent ice accumulation in the water extractor. The dual element PTS is installed on the air conditioning unit downstream of the water extractor.
Pack Discharge Temperature Sensor
The pack discharge temperature sensor (PDTS) measures the temperature in the pack discharge duct. The PDTS supplies a temperature measurement signal to the air conditioning system controller. The controller uses this signal to prevent ice, or too much heat in the system. This measured temperature is also used for indication and manual control of the air conditioning system. The PDTS is installed in the aft equipment compartment on each pack discharge duct.
Pack Discharge Ducts
Two pack discharge ducts are installed between the outlet of the cooling pack and the bulkhead check valves, located on the aft pressure bulkhead. The left pack discharge duct sends the conditioned air from the left air conditioning unit through the bulkhead check valve to the mix manifold. The right pack discharge duct ends the conditioned air from the right air conditioning unit through the bulkhead check valve to the mix manifold. This duct has on opening for the emergency ram air valve.
The pack discharge ducts are equipped with S260 flexible connectors at both ends to accommodate aircraft tolerances. The ducts are made of light alloy aluminum and designed to reduce the thermal losses.
Pack Discharge Pressure Sensor
The Pack Discharge Pressure Sensor (PDPS) (or Anti-Icing Pressure Sensor) measures the difference in pressure between the flow downstream of the turbine of the air cycle machine and the pressurized fuselage. The PDPS detects if there is an ice condition downstream of the turbine. The PDPS supplies an electrical signal to the air conditioning system controller. When the PDPS detects pressure changes, the controller changes the position of the temperature control valve. A sensing line from the air cycle machine is fed to the PDPS.
PDPS is also used to monitor for a disconnection of the supply ducts to the cabin, which would result in low pressure detected by the PDPS.
The PDPS is installed under the floor in the aft power distribution/ECS compartment.
System Operation
Normal Operation
In normal operation, the cooling pack temperature is automatically controlled by the ACSC. The pack output temperature is controlled by the position of the TCV.
Pack Temperature Control
Cooling pack temperature control is accomplished by controlling the TCV based on the water extractor temperature measured by the pack temperature sensor (PTS).
Icing Protection
To control ice build-up in the high-pressure water extraction loop, the ACSC controls the TCV according to the pack discharge pressure sensor value (PDPS).
Pack Operation During Engine Start Sequence
During engine start, the Flow Control Valves (FCV) and Hot Air Shutoff Valves (HASOV) are driven closed. Once the engine is started, the FCVs and HASOVs are reopened.
Pack Switching Logic
The pack is switched off when the PACK PBA is selected OFF or automatically when one of the following events occurs:
- By Bleed Management Controller (BMC) demand to the ACSC (via ARINC 429 link) for the same side pack:
- During the engine start sequence
- When the PRV is failed open
- When the WAIV is failed open, with wing cross bleed open
- During Ditching operation if aircraft altitude < 14,000 feet (Refer to Cabin Pressure Control System)
- Pack inlet overheat (PITS)
- Compressor discharge overheat (CDTS)
- Pack discharge overheat (PDTS)
- Pack discharge(PDPS)
- Disconnect (< -1.54 psid)
Manual Mode
Setting the PACK CONTROL Selector to MAN enables the cooling pack manual temperature control mode. Opening or closing of the TCV is controlled by the associated Hot/Cold toggle switch. Pack discharge temperatures are displayed on the EICAS. In this mode, the compressor discharge temperature is not limited by the ACSC. Compressor overheat protection is provided only by the CPNOH, limiting compressor discharge temperature to 260 °C (500 °F).
Ram Air Mode
The ram air valve (RAV) supplies the ventilation system with fresh air when the pneumatic system or the air conditioning units are unserviceable.
The RAM AIR switch/light on the bleed-air control panel opens the ram air valve when the switch is pushed in. The valve is installed on the right pack discharge-duct in the aft equipment compartment.
If the RAV is failed open, the valve can be manually closed by means of electrical actuator manual override on the ground.
ACM Seizure Mode
This mode provides sufficient fresh air to the cabin and the cockpit (a pure heat exchanger cooling mode) should the ACM seize. The pneumatic temperature control thermostat (THC) is set by the ACSC to the minimum pre-cooler outlet temperature (Fan Air Valve full open) to cool the bleed air as much as possible. The pack temperature demand is increased in order to open the Temperature Control Valve (TCV) to maintain flow. This logic is activated during the following conditions:
- Total cooling packs flow (left and right packs) is lower than 23 lb/min, and
- The aircraft altitude is > 15,000 feet, and
- The measured flow through the venturi is < 80% of the pack flow demand, or pack inlet pressure, measured by PIPS, is < 25 psig
Pack Discharge Disconnect
In case of pack discharge disconnect, the PDPS detects a negative pressure. If this pressure is < -1.54 psid for more than 15 seconds, the ACSC sends a PACK FAIL caution message to the EICAS.
System Indication
The air conditioning system synoptic displays:
| Item | Green | Amber | White | Magenta | Cyan |
|---|---|---|---|---|---|
| L - R Pack Discharge Temperature in °C > |
Temp < 80 °C if in Auto Mode. Temp between 5 °C and 80 °C if in Manual Mode |
Temp if in Auto Mode. Temp < 5 °C or > 85 °C if in Manual mode |
- - - |
- - - |
- - - |
|
L-R Pack Outline Boxes |
In Auto Mode |
Pack compressor overtemp. "HI TEMP" displayed |
In Manual Mode, word "MAN" displayed |
- - |
- - - |
|
Ram Air Valve Outline |
Valve fully open or fully closed |
Valve not in correct position or no data available |
- - - |
- - - |
- - - |
|
Ducting |
Normal airflow |
Associated air valve open and (a) bleed leak detected 'or' (b) pack discharge overtemp |
- - - |
- - - |
- - - |
08/26/20
Component Location Index
| Component Location Index | |||
|---|---|---|---|
| IDENT | DESCRIPTION | LOCATION | IPC REF |
| - | PLENUM | ZONE(S) 311/312 | 21-52-01 [ GX ] [ GXRS ] [ G5000 ] |
| - | DUAL HEAT EXCHANGER | ZONE(S) 311/312 | 21-52-05 [ GX ] [ GXRS ] [ G5000 ] |
| - | COOLING PACK | ZONE(S) 311/312 | 21-52-05 [ GX ] [ GXRS ] [ G5000 ] |
| - | AIR CYCLE MACHINE | ZONE(S) 311/312 | 21-52-09 [ GX ] [ GXRS ] [ G5000 ] |
| E25/E31 | COMPRESSOR DISCHARGE TEMPERATURE SENSOR | ZONE(S) 311/312 | 21-52-13 [ GX ] [ GXRS ] [ G5000 ] |
| - | COMPRESSOR PNEUMATIC OVERHEAT SENSOR | ZONE(S) 311/312 | 21-52-17 [ GX ] [ GXRS ] [ G5000 ] |
| - | CONDENSER/REHEATER UNIT | ZONE(S) 311/312 | 21-52-21 [ GX ] [ GXRS ] [ G5000 ] |
| E26/E32 | PACK TEMPERATURE SENSOR | ZONE(S) 311/312 | 21-52-25 [ GX ] [ GXRS ] [ G5000 ] |
| - | WATER EXTRACTOR | ZONE(S) 311/312 | 21-52-29 [ GX ] [ GXRS ] [ G5000 ] |
| L23/L29 | TEMPERATURE CONTROL VALVE | ZONE(S) 311/312 | 21-52-33 [ GX ] [ GXRS ] [ G5000 ] |
| E27/E33 | PACK DISCHARGE TEMPERATURE SENSOR | ZONE(S) 311/312 | 21-52-37 [ GX ] [ GXRS ] [ G5000 ] |
| MT107/MT64 | ANTI-ICING PRESSURE SENSOR | ZONE(S) 251/252 | 21-52-41 [ GX ] [ GXRS ] [ G5000 ] |
| - | LEFT PACK DISCHARGE DUCT | ZONE(S) 311/312 | 21-52-49 [ GX ] [ GXRS ] [ G5000 ] |
| - | RIGHT PACK DISCHARGE DUCT | ZONE(S) 311/312 | 21-52-53 [ GX ] [ GXRS ] [ G5000 ] |




































