ATA 32-00-00 Landing Gear Troubleshooting Tips
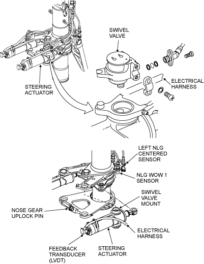
Damaged Steering Actuator Harnesses
There have been reports of damage affecting the steering actuator feedback transducer (LVDT) harness heat shrink sleeve due to repetitive flexing of the harness at the same location causing the heatshrink sleeve to crack, and possibly the steel braid to be damaged.
Messier Dowty Service Bulletin M-DT SB700-32-032 addresses the removal of the shrink sleeve, and the inspection of the steel braid in the flex areas where the harness is bending when the LVDT harness moves between the Steering Actuator's forward clamp and the swivel valve bracket.
NOTE: The above reference Vendor Service Bulletin (VSB) is only applicable to the -02 steering actuator.
CAS Message
A scenario that posts the 'BRAKE 50% DEGRADED' CAS message is when a Shut-Off Valve (SOV) is shut down by the Brake Control Unit (BCU). The BCU will then report that the SOV has closed posting a SOV CAIMS message. This CAIMS message is misleading operators to replace the SOV, and when this fails to fix the issue, to replace the BCU resulting in NFF of both units.
A single sticky (Brake Control Valve) BCV will result in this message being posted. A sticky BCV which does not respond as quickly as the opposite side BCV creates a difference of brake pressure between the 2 inboard or the 2 outboard brakes as applicable. The message is posted when the BCU detects this difference in pressure and shuts down the SOV to protect against un-commanded braking.
To avoid unnecessary removal of SOV and BCU please follow one of these two troubleshooting methods to identify which BCV is causing the SOV to shut down:
Method 1
- Pressurize hydraulic systems 2 and 3.
- Access CAIMS, SYSTEM DIAG, 32-00 LANDING GEAR, BRAKE CONTROL UNIT, LRU TEST, SYSTEM DATA PAGE, PAGE 2 to monitor the Brake pressure on the faulty system (INBD or OUTBD) while applying and releasing the brake pedals at different rate.
- The faulty BCV is the one on which the pressure is lagging when pressure is applied or released.
Method 2
- If the above fails, a NVM download will show which wheel is faulty by looking at the brake pressure when the fault was posted.
NOTE: There is a communication issue between the BCU and the DAU at this time that affects some BCUs. On occasion, in may take 20 download tries to achieve a successful download. Some customers will not be able to download the NVM at all.
If the replaced BCV does not resolve the issue, the SOV should be swapped before its replacement, or before replacement of the BCU.


