Overview
The avionics cooling system consists of an avionics exhaust fan and fan converter, an avionics rack fan and filter (Global 5000 only), avionics components, mounting tray fans (such as TCAS, IRS, SATCOM etc.) and piccolo ducts.
The avionics cooling system provides ventilation of the cockpit display units, the avionics equipment in the lower avionics bay and the above floor avionics rack in the Global 5000. The avionics rack supply fan draws air from under the floor through a filter and blows it over the rack-mounted electronic boxes via piccolo tubes. The avionics exhaust fan removes the heated air.
The forward equipment compartment on the Global 5000 and Global Express XRS also has a cooling system. The battery cooling system consists of a series of ducts which circulate the four transformer rectifiers fan air with the ambient air in the nose.
Inertial Reference System (IRS) Cooling Fans
There are three IRS cooling fans. The fans are installed on the IRS mounting trays, two at FS513 and one at FS532. The fans at FS513 are installed on the bottom of the mounting trays. The fan at FS532 is installed on the top of the mounting tray and has a filter. The fans decrease the temperature around the IRS units until it gets to a permitted level.
Inertial Reference System (IRS) Cooling Air Filters
04/26/16
Traffic/Collision Avoidance System (TCAS) Cooling Fan
There is one TCAS cooling fan. On Global Express/XRS, the fan is installed on the bottom of the TCAS mounting tray at the right side FS332. On Global 5000, the fan is installed on the bottom of the TCAS mounting tray on the avionics rack. The fan decreases the temperature around the TCAS unit until it gets to a permitted level.
04/26/16
VHF Communication Unit Cooling Fans
04/26/16
VHF Navigation Unit Cooling Fans
04/26/16
Avionics Exhaust Fan
There is one avionics exhaust fan. The fan is installed at the rear of the plenum duct in the main avionics compartment at FS540.95. The fan exhausts the air out of the main avionics compartment through the forward outflow valve.
The Avionics Exhaust Fan is an electric variable speed fan. The fan body is manufactured from a light alloy aluminum casting. The fan rotor is manufactured from a composite material to provide low weight and high strength.
Avionics Exhaust Fan Converter
The Avionics Exhaust Fan Converter controls and monitors the avionics exhaust fan speed. This speed is controlled at two different levels (low and high speed). It converts the 115 VAC variable frequency electrical supply of the aircraft generation system, to controlled frequency electrical power for use by the AVFAN electrical motor. The speed control unit monitors for overheat, underspeed and overcurrent. The converter is found in the main avionics compartment.
Avionics Cooling Ducts
There are three composite material avionic cooling ducts. The ducts are found in the main avionics compartment and behind the cockpit display units. The ducts collect warm air from behind the cockpit display units and from the avionics bay and deliver it to a plenum at the inlet of the Avionics Exhaust Fan. The Global 5000 has an additional composite avionics cooling duct that is used to exhaust the warm air from the avionics rack.
Satellite Data Unit (SDU) Cooling Fan
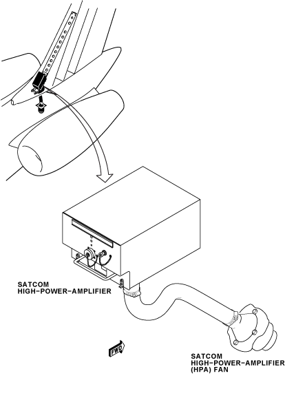
SATCOM High Power Amplifier (HPA) Fan
SATCOM High Power Amplifier (HPA) Fan Converter
Third VHF Communication Unit Cooling Fan
System Operation
Normal Operation
The Avionics Exhaust Fan is initially driven at its high speed level as soon as the 115 VAC power supply is available, even if the ACSC speed selection input is not available. The fan speed selection is switched from high to low speed level by receiving a discrete input from the right hand ACSC. The high speed discrete request is sent by the ACSC if one aircraft door is not locked (or open) or if both cooling packs are switched off.
Abnormal Operation
In case of one of the following failures, the avionic fan is automatically powered OFF by its converter:
- Undervoltage
- Overvoltage
- Overcurrent
- Overtemperature
- Short circuit
The avionic fan converter tries to restart the fan by automatic reset. After three consecutive resets failed, the converter provides a fault signal and remains powered OFF.
In case of avionic exhaust fan underspeed failure detected by the converter, a fault signal is provided by the converter but the fan remains running.
Anytime fault signal is provided by the avionic fan converter, an AVIONIC FAN FAIL message is sent by the ACSC to EICAS and CAIMS.
Note:
To keep the life of the avionics equipment to the maximum, operate the avionics equipment for no more than 30 minutes when the flight compartment or cabin temperature is at or above 40 °C (104 °F). This AFM limitation instructs the crew to operate the air conditioning packs to keep flight compartment temperature below this limit.
System Monitoring
CAIMS Raw Data
The operating Status detected by the left and right ACSCs is displayed in the "System Diagnostics/LRU Test" pages on the CAIMS PMAT.
Avionic Fan speed (high/low) is displayed.
08/27/20
Component Location Index
| Component Location Index | |||
|---|---|---|---|
| IDENT | DESCRIPTION | LOCATION | IPC REF |
| B31/B36/B39 | INERTIAL REFERENCE SYSTEM (IRS) COOLING FANS | ZONE(S) 140 | 21-54-01 [ GX ] [ GXRS ] [ G5000 ] |
| - | INERTIAL REFERENCE SYSTEM (IRS)COOLING AIR FILTER | ZONE(S) 140 | 21-54-05 [ GX ] [ GXRS ] [ G5000 ] |
| B5 | TRAFFIC/COLLISION AVOIDANCE SYSTEM(TCAS) COOLING FAN | ZONE(S) 140 | 21-54-09 [ GX ] [ GXRS ] |
| ZONE(S) 230 | 21-54-09 [ G5000 ] | ||
| B62 | SATELLITE DATA UNIT (SDU) COOLING FAN | ZONE(S) 140 | 21-54-13 [ GX ] [ GXRS ] [ G5000 ] |
| B1/B2 | VHF COMMUNICATION-UNIT COOLING-FANS | ZONE(S) 140 | 21-54-29 [ GX ] [ GXRS ] |
| ZONE(S) 230 | 21-54-29 [ G5000 ] | ||
| B61 | THIRD VHF COMMUNICATION-UNIT COOLING-FAN | ZONE(S) 140 | 21-54-29 [ GX ] [ GXRS ] [ G5000 ] |
| B3/B4 | VHF NAVIGATION-UNIT COOLING-FANS | ZONE(S) 140 | 21-54-33 [ GX ] [ GXRS ] |
| ZONE(S) 230 | 21-54-33 [ G5000 ] | ||
| B62 | AVIONICS EXHAUST FAN | ZONE(S) 140 | 21-54-37 [ GX ] [ GXRS ] [ G5000 ] |
| B29 | AVIONICS EXHAUST-FAN CONVERTER | ZONE(S) 140 | 21-54-41 [ GX ] [ GXRS ] [ G5000 ] |
| - | AVIONICS COOLING DUCTS | ZONE(S) 140 | 21-54-45 [ GX ] [ GXRS ] [ G5000 ] |
| B66 | SATCOM HIGH-POWER-AMPLIFIER (HPA) FAN | ZONE(S) 310 | 21-54-49 [ GX ] [ GXRS ] [ G5000 ] |
| B65 | SATCOM HIGH-POWER-AMPLIFIER (HPA) FAN CONVERTER | ZONE(S) 310 | 21-54-53 [ GX ] [ GXRS ] [ G5000 ] |




















