04/05/16
Overview
The autopilot system is a part of the automatic flight-control system (AFCS). The autopilot uses steering commands from the flight director in the AFCS to fly the aircraft automatically.
The pilot engages the autopilot from the guidance control panel. When engaged, the autopilot monitors the steering commands and operates the servos that keep the aircraft at the necessary pitch and roll attitudes.
The PRIMUS 2000XP AFCS system features two autopilots designed around a dual-microprocessor architecture. The monitor function is performed in the "A" processor (flight director), while the aircraft control function is performed in the "B" processor (autopilot).
The autopilot has the following functions:
- Monitor the pitch and roll steering commands supplied by the flight director in the AFCS
- Operate the aileron and elevator parallel servos to keep the correct roll attitude
The autopilot only supplies inputs to the pitch trim system. It does not include the pitch trim servos, which are part of a different system
The No. 1 and No. 2 IC-800 IACs each contain an autopilot. The autopilot (AP) consists of two integrated avionics computers (IACs) 1 and 2, a guidance panel, two dual servos, two servo brackets, two control columns and the throttle quadrant. One servo in pitch and roll and one linear actuator in yaw are dedicated to each IC-800 IAC for true flight guidance redundancy.
The autopilot/yaw damper is fail-operational, fail-passive by design. This means that the first failure will automatically transfer control to the other IC-800 IAC. The autopilot/yaw damper remain engaged and the aircraft maintains its flight path. The second failure will disengage the autopilot/yaw damper before the aircraft can significantly deviate from its flight path, hence the term fail-passive.
The autopilot is a function of the flight guidance computers (FGCs) located in IACs 1 and 2. The system employs dual servos in the pitch and roll axis. One servo on each dual servo unit is dedicated to FGC 1 or 2 for redundancy.
The autopilot provides attitude stabilization and tracking of pitch and roll steering commands from the flight director.
The AP also provides a pitch trim function that interfaces to the flight control units (FCUs). Pitch trim works to maintain aircraft pitch attitude against long-term attitude disturbances such as fuel burn and passenger movement.
Guidance Panel
The guidance panel (GP) provides the means for selection of all AFCS functions except the master AFCS channel. Selection of the master AFCS channel is via pop-up menu on the multifunction display (MFD). Additional functions related to display control are also included within the GP. The display functions controlled via the GP include: course pointers, heading bug, speed bug, pre-selected altitude reference, and FD command bars out of view. These functions relate directly to the EDS.
The AFCS functions controlled via the GP include:
FD modes, pitch wheel references, engagement of at the AP and YD functions, and selection of left or right primary flight display (PFD) data to be used by the FGC. The same pushbuttons are used to activate and deactivate each function (toggle on/ off).
When the AP is engaged, the associated arrow on the guidance panel is lit, indicating that the AP is engaged and which FGC is in control.
04/05/16
Integrated Avionics Computer (IAC)
The IAC is the primary LRU of the AFCS. All aircraft sensors (except radio altimeter) and navigation sources are connected directly to the FGC in the IAC.
A flight guidance computer (FGC) controls the autopilot functions. The FGC is part of the integrated avionics computer (IAC). IAC 1 and IAC 2 are the line replaceable units (LRU) for the FGCs. IAC 3 does not contain an FGC.
Two FGCs operate together as primary and secondary systems in a fail-serviceable configuration. The primary system supplies the autopilot functions. The secondary system monitors the operation of the primary system. If the primary system does not operate correctly, the secondary system automatically becomes the primary system and supplies the autopilot functions.
The autopilot provides pitch and roll attitude commands to control elevator, aileron and trim servos. In FD coupled mode, the autopilot tracks the pitch and roll commands from the flight director to provide computed flightpath steering.
When power is applied, IAC 1 and IAC 2 operate internal FGC tests. If there is no test failure, the pilot's FGC in IAC 1 operates the aileron and elevator parallel servos. FGC 1 stays the primary system until:
- The flight crew sets the copilot's FGC 2 as the primary system. A menu on the multi-function display (MFD) has a selection for which FGC (pilot's or copilot's) operates the aileron and elevator parallel servos
- FGC 2 becomes the primary system because of a failure that disengages the pilot's FGC or servo path
Aileron Parallel Servo
The aileron parallel servo is an actuator that gives a mechanical output in proportion to a DC command signal. The servo weighs 8.6 lb (3.9 kg). It is installed in the wing/center fuselage area of the aircraft.
Four screws attach the aileron parallel servo to the aileron servo bracket.
The aileron parallel servo has two channels that are the same. The two channels operate independently. They each have a motor, a brake, and gears. The primary FGC operates one channel and applies the brake to the other channel.
Each motor has a shaft with splines. The shaft turns in proportion to the electrical signals supplied by the FGC. The shaft connects to the drum on the aileron servo bracket. The drum has cables that change the position of the aircraft ailerons.
04/21/16
Aileron Servo Bracket
The aileron servo bracket connects the mechanical output of the aileron parallel servo to the aileron control cables. The aileron servo bracket weighs 1.8 lb (0.82 kg). It is installed in the wing/center fuselage area of the aircraft. Four screws attach the aileron servo bracket to a plate in the aircraft.
The aileron servo bracket has a drum and a housing assembly. The aileron control cable winds around the drum assembly. A shaft in the drum assembly connects to the shaft on the aileron parallel servo. When the servo shaft turns, the splines on the servo shaft cause the drum assembly shaft to turn. The aileron control cable moves while the drum assembly turns.
A protective cover in two pieces is installed over the drum assembly. And is avialable for Global Express via Post SB 700-22-002.
Elevator Parallel Servo
The elevator parallel servo is an actuator that gives a mechanical output in proportion to a DC command signal. The elevator parallel servo weighs 8.6 lbs (3.9 kg). It is installed in the vertical stabilizer of the aircraft. Four screws attach the elevator parallel servo to the elevator servo bracket.
The elevator parallel servo has two channels that are the same. The two channels operate independently. They each have a motor, a brake, and gears. The primary FGC operates one channel and applies the brake to the other channel.
Each motor has a shaft with splines. The shaft turns in proportion to the electrical signals supplied by the FGC. The shaft connects to the drum on the elevator servo bracket. The drum has cables that change the position of the aircraft elevator.
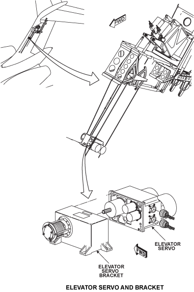
Elevator Servo Bracket
The elevator servo bracket connects the mechanical output of the elevator parallel servo to the elevator control cables. The elevator servo bracket weighs 1.8 lbs (0.82 kg). It is installed in the vertical stabilizer of the aircraft. Four screws attach the elevator servo bracket to a plate in the aircraft.
The elevator servo bracket has a drum and a housing assembly. The elevator control cable winds around the drum assembly. A shaft in the drum assembly connects to the shaft on the elevator parallel servo. When the shaft turns, the splines on the shaft cause the drum assembly shaft to turn. The elevator control cable moves while the drum assembly turns.
04/05/16
Control Wheels
Each control wheel has a master disconnect switch and a touch control steering (TCS) switch.
Master Disconnect Switches
The master disconnect switches are normally closed contact switches which interface with the guidance panel (GP) and the flight guidance computer (FGC). They are wired in series with the pitch disconnect switch.
These switches provide a ground to the GP and the FGC. If either master disconnect switches are depressed or the pitch disconnect switch is activated, the ground signal is removed from the GP and the FGC, causing the autopilot to disconnect
The master disconnect switches are installed on the outboard side of each flight control wheel. The switches are three-pole press-to-break,and single-pole press-to-make types.
For Global 5000, the switches are used to disconnect the autopilot, the stab trim and the stick pusher actuator in the stall protection system.
For Global Express/XRS not certified JAA (Pre SB 700-27-025)
- The switches are used to disconnect the autopilot, the stab trim and the stick pusher actuator in the stall protection system.
For Global Express/XRS JAA certified and Post SB 700-27-025
- The switches are used to disconnect the autopilot, and the stab trim.
Touch Control Steering Switches
The touch control steering switches are normally open contact switches which interface with the GP. They are wired in parallel and when depressed, they provide a ground signal to the GP.
When either switch is depressed, the autopilot disengages the servo clutches, allowing the pilot to manually fly the aircraft. The autopilot reengages the servo clutches when the TCS switch is released.
Pitch Disconnect Switch
The pitch disconnect switch is mounted on the disconnect mechanism of the elevator (pitch) torque tube.
The switch is activated upon a pitch disconnect.Once activated, the switch removes a ground signal to the GP and the FGC, causing the autopilot to disconnect.
Throttle Quadrant
A takeoff/go-around (TOGA) switch is mounted one ach throttle lever, and the switches interface with GP. When activated, the switches provide a signal to the GP which causes the autopilot to disconnect.
System Operation
Integrated Avionics Computer
The IAC receives sensor data and command inputs and processes this data in accordance with any lateral/vertical steering modes that are active.
To fly the aircraft and make it stable, the autopilot performs three operations:
- Refer to the attitude and position set by the pilot and to the flight director commands
- Correct for any short-term drift caused by flight conditions and put the aircraft back on track
- Operate the pitch trim system to correct for long-term drift in pitch. Pitch trim adjustment is necessary to correct for decreased fuel load and passenger movements
Certain parameters are monitored in the IAC to ensure that the autopilot is automatically disconnected if a safety critical malfunction occurs.
Autopilot Modes of Operation
Basic Modes
These autopilot default modes ensure safe flight attitudes if one of the FD modes are not active or selected.
Heading Hold and Wings Level
Heading Hold is defined as the basic lateral default autopilot mode. It is defined as follows:
- Autopilot engaged
- Bank angle less than 6 degrees
- No lateral flight director mode active
If the conditions listed above are satisfied, the autopilot will roll the aircraft to a wings level attitude. When the aircraft roll attitude is less than 3 plus 10 seconds, the heading hold mode is automatically engaged.
Roll Hold
The roll hold mode is recognized as being active when the following conditions are satisfied:
- Autopilot engaged
- No lateral flight director mode active
- The aircraft bank angle is greater than 6 degrees but less than 35 degrees
- Touch control steering (TCS) was used to initiate the roll maneuver or the autopilot was engaged
When all of the above conditions are satisfied, the autopilot will maintain the prescribed bank angle. If TCS is released at bank angles greater than 35, the autopilot will roll the aircraft to 35 and maintain the bank angle.
If TCS is released at bank angles less than 6, the autopilot will revert to a wings level condition and then heading hold.
Attitude Hold
Pitch attitude hold is the basic vertical mode of the autopilot. It automatically becomes active when:
- The autopilot is engaged
- A lateral flight director mode is active
- No vertical flight director mode is active
The position of the pitch command bar on the PFD provides the pilot with a reference of aircraft pitch attitude at the moment the lateral flight director mode became active. This pitch attitude reference can be changed as a function of TCS, or by moving the PITCH wheel on the guidance panel.
While in pitch attitude hold, pushing and holding the TCS switch on the control column disengages the elevator and aileron servo clutches and synchronize the autopilot pitch reference to existing aircraft pitch attitude. The pilot can manually fly the aircraft to a new pitch attitude reference and the autopilot memory synchronizes to it. Releasing the TCS button reengages the elevator and aileron servo clutches and the pitch axis of the autopilot provides stabilization around this new reference.
Moving the PITCH wheel on the Guidance Panel will move the nose of the aircraft in the direction of wheel motion. The PITCH wheel input to the autopilot is rate limited for smoothness.
Flight Director Coupled
With the autopilot engaged, anytime a flight director mode is selected on, the computed steering command (attitude change) is transmitted to the autopilot. The autopilot in turn develops a servo loop command to drive the appropriate flight control surface to satisfy the flight director input.
This coupling of flight director and autopilot allows hands off automatic flight path steering throughout the aircraft's flight regime.
Lift Compensation
The autopilot has a built-in design feature referred to as lift compensation. This in effect keeps the nose of the aircraft in the proper attitude so it does not lose altitude as the aircraft maneuvers and while slats and flaps are moving.
Autopilot Control Authority
Autopilot control authority is designed such that the force applied at the control column to overpower the autopilot will not exceed 75 pounds in pitch and 50 pounds in roll.
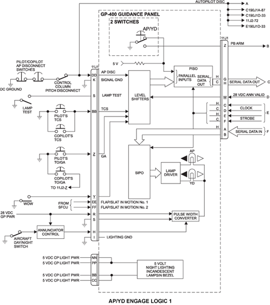
Autopilot/Yaw Damper Engage Logic
The autopilot/yaw damper system requires dual valid independent IRS and ADC sources for autopilot and yaw damper engagement.
Autopilot engagement is controlled from the guidance panel. Pressing the AP button engages the autopilot and yaw damper if all engage logic is valid. Pressing the AP button when the autopilot is engaged, disengages the autopilot only. Pressing the YD button with the autopilot and/or the yaw damper engaged disengages both. Autopilot pitch trim is engaged and disengaged as a function of autopilot.
When either AP master disconnect switch is pressed, AP engagement is inhibited or disconnected, but YD engagement is allowed.
When either TCS switch is pressed, the autopilot clutches are disengaged, allowing the pilot to make manual control inputs without disengaging autopilot. When either TOGA switch is activated the AP disconnects, if engaged.
An alternating priority scheme is implemented in the AFCS. The AFCS automatically alternates the master FGC priority in selection of the master FGC on power-up if the aircraft has had a weight-off-wheels transition, which also alternates the active autopilot servo.
Autopilot Engagement
When the AP ENG (AP) button on the guidance panel is pushed, a five-volt logic bit is loaded into the parallel in serial out (PISO) device. This logic bit represents autopilot engage. At the same time a ground is applied (PB Arm) to the A processor as a wake up call. When the clock and strobe outputs from the A processor are synchronized, the PISO transmits the serial data out that was loaded into it. In this case, it is autopilot-ON logic. This logic bit is then transferred from the A processor to the B processor and is output to the AP ENG J-K latch. The Q output of the latch goes high, and one input to AND gate F is satisfied.
For AND gate F to produce a high output the following additional high inputs are required:
- Autopilot drive is enabled
- Servo power is enabled
- Processor is valid
When AND gate F goes high, the output goes to an AND gate for autopilot engagement.
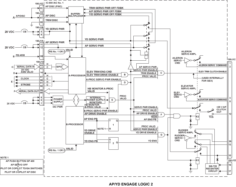
Servo Drive Path
With relays K1 and K3 energized, it is required to energize relay K2 for the autopilot command path to the servos to be complete. To energize relay K2, it is necessary for the AND gates G, F, E, D, and B to produce high output conditions. With relay K2 energized, the aileron and elevator servo command path between the IC-800 IAC and the dual servo drives aileron and elevator servos is complete. Autopilot commands to the ailerons and elevators can take place.
Clutch Excitation
Clutch excitation to the dual servo drives aileron and elevator servos is provided as a function of relay K1 being energized.
Autopilot Pitch Trim Enable
For autopilot pitch trim to be enabled, the same logic states are required as for autopilot engagement.
Yaw Damper Engagement
On initial system power up, once the FGS has passed its power up bite and all required valids are present, a logic bit is loaded into the PISO device. This logic bit represents yaw damper engage. At the same time a ground is applied (PB Arm) to the processor A as a wake up call. When the clock and strobe outputs from the Processor A are synchronized, the PISO transmits the serial data out that was loaded into it. In this case, it is yaw damper-ON logic. This logic bit is then transferred from processor A to processor B and is output to the YD ENG J-K latch. The Q output of the latch goes high, and one input to the AND gate G is satisfied.
With the yaw damper OFF, pushing the YD button on the guidance panel causes the logic to occur as on initial system power up.
For AND gate G to produce a high output, the following additional high inputs are required:
- Yaw drive is enabled
- Servo power is enabled
- Processor is valid
When AND gate G goes high, one output goes to an AND gate for autopilot engagement. The other output energizes relay K3, which provides a path for the yaw damper output and clutch excitation from the pilot's IC-800 IAC to the SM 725 Linear Actuator.
Servo Drive Path
With relay K3 energized, the rudder servo command path between the IC-800 IAC and the SM 725 linear actuator is complete. Yaw damper commands to the rudder can take place.
Clutch Excitation
The 28 V rudder clutch excitation is provided from 190J1 B-8 and 9 through the energized contacts of relays K1 and K3 to 190J1 C-10.
Relay K3 is energized as previously discussed. To energize relay K1, 28 V is provided from 190J1 B-8 and 9, and a low is provided as a function of the AND gate D output going high.
For the AND gate D to go high, it requires that both the A and B processors SERVO PWR ENABLE to be high. The high output of the AND gate D is routed through an inverter to become a low and to energize relay K1. With relays K1 and K3 energized and all other conditions good, a path for 28 VDC is established from the yaw damper servo power circuit breaker to the clutch excitation input on the SM 725 linear actuator.
Elevator/Aileron Servo
The autopilot dual servos are connected in parallel to the primary control cables of the aircraft.
Each servo is dedicated to one FGC. One servo is active and the other is not, as a function of which autopilot is controlling the aircraft.
The autopilot tracks roll and pitch attitude commands from the flight director depending on the selected FD mode.
The servo torque motor receives a DC current drive signal from the FGC. With the servo clutch engaged, the torque motor output drives a power gear which provides the drive to move the ailerons to the desired position.
The servo clutch is engaged as a function of autopilot (AP) engagement. The clutch will disengage anytime the autopilot is not engaged or disconnected, or the TCS switch is pushed and held. If the clutch is not engaged, any input drive to the servomotor will not be coupled to the control surface.
A DC tach generator is mechanically connected to the servo torque motor and will provide an output signal back to the FGC anytime the servo torque motor drives. This signal provides rate and position feedback to the FGC. It is used for damping and ensures that the torque motor has driven the control surface as commanded.
The roll and pitch servo loops operation is identical, however, the control forces are different and the servos are not interchangeable.
Touch Control Steering (TCS) Switches
TCS lets the pilot momentarily disengage the autopilot and manually fly the aircraft to a new pitch attitude reference.
The TCS switches are located on the pilots and copilots control wheels. When either switch is activated and held, the following occurs:
- Aileron and elevator servo clutches disengage
- Autopilot pitch axis memory synchronizes to current aircraft position
When the pilot completes the maneuver and releases the TCS switch, the aileron and elevator clutches reengage and the autopilot holds the new pitch attitude reference.
Although activation of the TCS button disengages the aileron servo clutch, it has no affect on the autopilot or flight director roll axis memory.
Go-Around (GA) Switches
Activation of the throttle mounted go-around (GA) switch:
- Disengages the autopilot
- Cancels all flight director lateral and vertical modes, except ASEL arm
The go-around command is wings level and either a 17.50 or 130 nose-up pitch attitude. The pitch attitude is determined as a function of the engine value of N1. The value of the nose-up command is provided by the aircraft manufacturer as the best climb angle with an engine-out condition.
Weight-On-Wheels (WOW)
A ground/open discrete is input to the IC-800 IAC from a landing gear mounted switch. The discrete is ground when the aircraft is on the ground. An active WOW discrete inhibits autopilot engagement.
Roll Axis Autopilot Servo Loop
The autopilot roll axis servo loop is the same for all lateral steering modes. Autopilot commands are the same in both the No. 1 and No. 2 IC-800 IACs. The dual aileron servo drive is connected to both IACs. One servo is active and the other is not, as a function of which autopilot is actively controlling the aircraft. Since the autopilot is tracking a roll attitude command from the flight director, it does not matter if the steering command is heading select, or localizer, the path to the servo is the same. The autopilot servo loop is connected in parallel to the aircraft's primary control rigging through cables.
For the servo to perform its job it receives a drive signal from the active IC-800 IAC. This is the autopilot command to drive the ailerons. As the servo drives, it moves the control rigging which in turn moves the ailerons. As the ailerons move, a feedback signal from the servo is sent to the IC-800 IAC. This signal can be thought of as autopilot response. When the autopilot response equals the autopilot command the elevator stops moving. As the autopilot command is satisfied, the command gets smaller in size and the feedback signal will now drive the ailerons back to their starting position.
IC-800 Integrated Avionics Computer (IAC)
The IC-800 IAC receives sensor data and command inputs and processes this data in accordance with any lateral steering mode that is active. Since this is a digital computer, this processing is accomplished through software. In order to provide a current to drive the servo torque motor, this digitally processed signal must be changed into analog form. There are two processors on each AFCS card, the A and B processors. The processors share some tasks through swap RAM but the primary tasks of the B processor are associated with the primary servo loops while the A processor is mostly associated with flight director functions.
Additionally, to ensure safe operation, certain functions and values of certain parameters are monitored in the IC-800 IAC to ensure that the autopilot will be automatically disconnected should a safety critical malfunction occur. A description of the IC-800 IAC roll axis autopilot servo drive follows:
Roll Axis Attitude Loop
The roll axis attitude loop processes roll attitude and roll rate of change from the pilots IRS to derive a corresponding roll rate term. Both roll attitude and roll rate terms are gain programmed as a function of TAS.The flight director roll command is limited to 35 and rate limited to 7.5 per second. The rate limited roll attitude reference command is used as an input to the aileron servo loop.
Aileron Servo Loop
The aileron servo loop uses the roll attitude loop command to compute an aileron servo pulse width command with the autopilot engaged. If the autopilot is not engaged, the aileron servo pulse width is zero.
Aileron servo position is derived by integrating the aileron servo DC tach generator feedback signal. The DC tach generator signal is also used as a damping term in positioning the ailerons. Aileron servo current is passed through a current limiter and servo driver before being sent to the servo amplifier.
Current Limiter
Performed on the servo command signal to ensure that the proper servo drive values are established.
Servo Amplifier
The servo amplifier acts as a switch to provide drive current to the aileron servo torque motor. A servo enable discrete is applied as a function of autopilot engagement. The servo requires 1 ampere current drive capability. The servo amplifier supplies a 480 Hz pulse-width modulated 28 V bipolar output. The pulse width command output is compared with a 480 Hz saw tooth signal to generate the pulse width control for the servo driver. The servo loop software executes at 240 Hz so that the servo amplifier output is the same for two complete duty cycles.
The B processor provides a discrete output which enables the aileron servo amplifier. If this discrete is not available, the servo amplifier is forced to a zero duty cycle. Also a latched heartbeat monitor and a latched power supply monitor (both not shown), are required to enable the servo amplifier driver.
For the primary processor servo amplifier enable to be active:
- All monitors must be valid
- Both attitude sources (IRSs) must be valid
- Communications with the secondary processor must be valid
- All internal processor valids must be valid
Dual Aileron Servo Drives
The dual aileron servo drives translate electrical input signals into a clutched mechanical output. This output is used to drive the ailerons in response to roll axis autopilot commands.
Servo Clutch
The servo clutch is engaged as a function of autopilot engagement, or release of touch control steering (TCS) if the autopilot was previously engaged. The clutch will disengage anytime the autopilot is disconnected, or the TCS switch is pushed and held.
Servo Torque Motor
The servo torque motor receives DC current from the IC-800 IAC roll axis. With the servo clutch engaged, the torque motor output drives a power gear train through mechanical coupling. The gear train output in turn provides the drive to move the ailerons to the desired position. With the autopilot not engaged, any input drive to the servo motor will not be coupled to the ailerons.
DC Tach Generator
The DC tach generator is mechanically connected to the servo torque motor and will provide an output back to the IC-800 IAC anytime the servo torque motor drives. The DC tach generator provides two functions:
Provides an aileron rate of travel signal to the IC-800 IAC. This signal is used as a damping term. When the elevator is commanded to a position it should move to that position smoothly and stop still, not move or hunt about that position.
In the IC-800 IAC the DC tach generator signal is also integrated to derive aileron position feedback. This signal is used to ensure that the aileron torque motor has driven the ailerons as properly commanded.
Autopilot Servo Engage Logic
When the autopilot button on the guidance panel is pushed and all conditions are valid, a clutch engage signal is sent from the active flight guidance computer to the servo clutch.
A diode OR gate in the signal path allows either FGC to engage the clutch. The clutch engage signal from the active FGC is also used to engage a brake on the inactive servo torque motor.
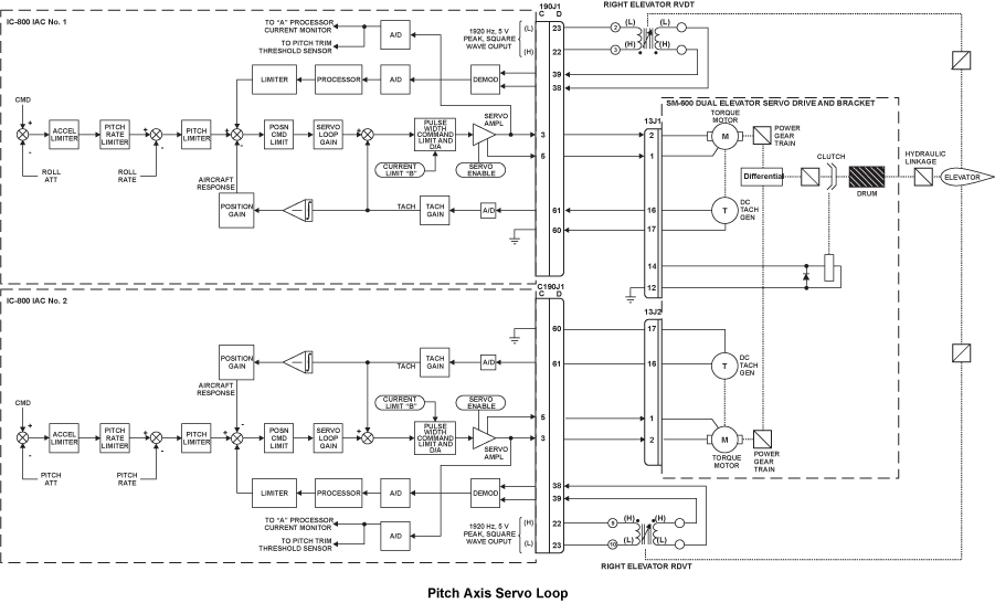
Pitch Axis Autopilot Servo Loop
The pitch axis autopilot servo loop is the same for all vertical steering modes. Autopilot commands are the same in both the No. 1 and No. 2 IC-800 IACs. The dual servo drives are connected to both IACs. One servo is active and the other is not, as a function of which autopilot is actively controlling the aircraft. Since the autopilot is tracking the pitch attitude command from the flight director, it does not matter if the steering command is vertical speed or glideslope, the path to the servo is the same. The autopilot servo loop is connected in parallel to the aircraft's primary control rigging through cables.
For the servo to perform its job it receives a drive signal from the active IC-800 IAC. This is the autopilot command to drive the elevator. As the servo drives, it moves the control rigging which in turn moves the elevator. As the elevator moves, a feedback signal from the servo is sent to the IC-800 IAC. This signal can be thought of as autopilot response. When the autopilot response equals the autopilot command the elevator stops moving. As the autopilot command is satisfied, the command gets smaller in size and the feedback signal will now drive the elevator back to its starting position.
Integrated Avionics Computer (IAC)
The IC-800 IAC receives sensor data and command inputs and processes this data in accordance with any vertical steering mode that is active. Since this is a digital computer, this processing is accomplished through software. In order to provide a current to drive the servo torque motor, this digitally processed signal must be changed into analog form.
Additionally, to ensure safe operation, certain functions and values of certain parameters are monitored in the IC-800 IAC to ensure that the autopilot will be automatically disconnected should a safety critical malfunction occur. A description of the IC-800 pitch axis autopilot servo drive follows:
Servo Amplifier
The servo amplifier acts as a switch to provide drive current to the servo torque motor. A servo enable discrete is applied as a function of autopilot engagement. The servo requires 1 ampere current drive capability. The servo amplifier supplies a 480 Hz pulse-width-modulated 28 V bipolar output. The pulse width command output is compared with a 480 Hz saw tooth signal to generate the pulse width control for the servo driver. The servo loop software executes at 240 Hz so that the servo amplifier output is the same for two complete duty cycles.
The primary processor provides a discrete output which enables the elevator servo amplifier. If this discrete is not available, the servo amplifier is forced to a zero duty cycle. Also a latched heartbeat monitor and a latched power supply monitor (both not shown), are required to enable the servo amplifier driver.
For the primary processor servo amplifier enable to be active:
- All monitors must be valid
- Both attitude sources must be valid
- Communications with the secondary processor must be valid
- All internal processor valids must be valid
Tach Integrator
The servo tach generator provides an elevator rate of travel signal as a damping term. This same rate signal is integrated to derive elevator servo position feedback. If rate is integrated over time, distance traveled, or position is derived.
Current Limiter
Current limiting is performed on the servo command signal to ensure that the proper servo drive values are established.
Servo Loop Processing
The servo position command is summed with the servo position feedback and rate signals. Servo loop gain takes into account the mechanical advantage of the cable rigging in the pitch axis.
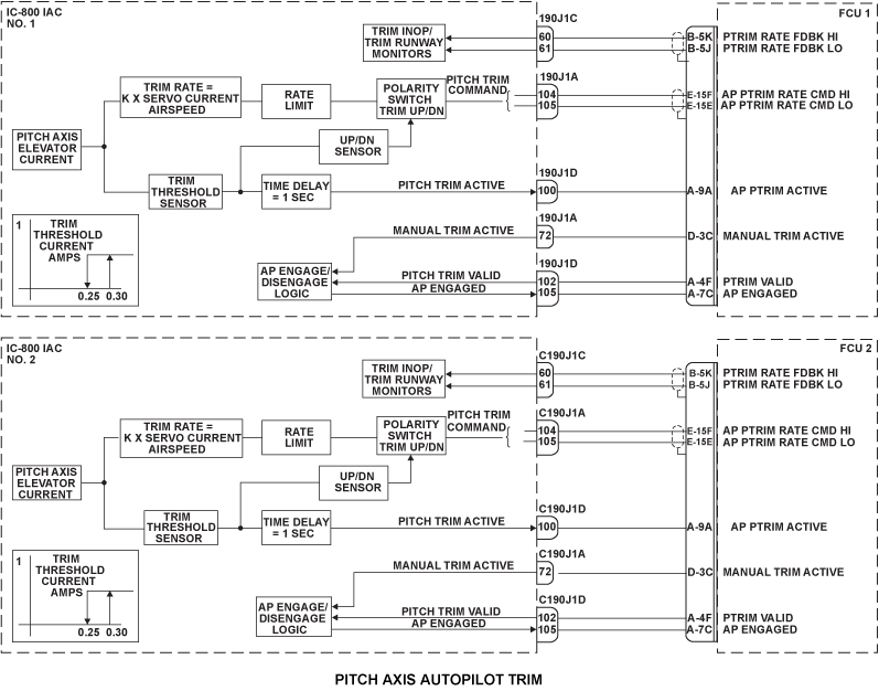
Pitch Trim Threshold Sensor
The pitch axis of the autopilot incorporates a trim function to compensate the axis for long term, steady state loads felt on the elevator. These loads can be such things as fuel burn and passenger movement. Rather than use elevator servo current to hold the elevator in position for these long term states, it is desirable to electrically unload the servo and drive the entire horizontal stabilizer to aerodynamically hold the aircraft in position. To accomplish this, the autopilot monitors the amount of current going to the elevator servo.
Dual Elevator Servo Drives
The dual elevator servo drives translate electrical input signals into a clutched mechanical output. This output is used to drive the elevator in response to pitch axis autopilot commands.
Servo Clutch
The elevator servo clutch is engaged as a function of autopilot engagement, or release of touch control steering (TCS) if the autopilot was previously engaged. The clutch will disengage anytime the autopilot is disconnected, or the TCS switch is pushed and held.
Servo Torque Motor
The servo torque motor receives DC current from the IC-800 IAC pitch axis. With the servo clutch engaged, the torque motor output drives a power gear train through mechanical coupling. The gear train output in turn provides the drive to move the elevator to the desired position. With the autopilot not engaged, any input drive to the servo motor will not be coupled to the elevator.
DC Tach Generator
The DC tach generator is mechanically connected to the servo torque motor and will provide an output back to the IC-800 IAC anytime the servo torque motor drives. The DC tach generator provides two functions:
- Provides an elevator rate of travel signal to the IC-800 IAC. This signal is used as a damping term. When the elevator is commanded to a position, it should move to that position smoothly and stop still, not move or hunt about that position
- In the IC-800 IAC the DC tach generator signal is also integrated to derive elevator position feedback. This signal is used to ensure that the elevator torque motor has driven the elevator as properly commanded
Pitch Axis Autopilot Trim
The AFCS does not directly control the pitch trim system for the GEX. The pitch trim system is controlled by the flight control units (FCUs). Each of the two FCUs provides closed loop control of one channel of the dual channel horizontal stabilizer trim actuator (HSTA), via a dual channel HSTA motor drive unit (MDU).
The pitch trim system operates in an active/standby configuration. At any given time, one FCU is declared master and controls its associated trim channel. Each of the APs is connected to an FCU. The FCUs detect which of the two APs is engaged and the associated trim channel then becomes the active channel. The AP generates two discrete signals associated with the automatic pitch trim function. The discretes that are generated by the AP are Autopilot Engaged and Pitch Trim Active.
The AP also generates an analog trim rate command. The FCU in turn passes that command to the motor drive unit (MDU), which moves the HSTA to meet the commanded rate. HSTA surface rate feedback is passed back to the AP, via the FCU, for use in monitoring the trim function.
Autopilot Engaged:
The Autopilot Engaged discrete is set by the AP that is engaged. The FCUs use this signal to detect which of the two APs is engaged and establish the appropriate trim channel as master. This discrete is also used by the FCU to disable its Mach Trim and Flap Trim functions.
Pitch Trim Active:
The Pitch Trim Active discrete is set by the FGC with the analog trim rate command. It provides an independent path to meet safety criteria.
The FGC receives two trim related discrete signals from the FCUs. The discrete signals that are generated by the FCUs are Pitch Trim Valid and Manual Trim Active. They interface directly to the FGC hardware in the IC-800.
Pitch Trim Valid:
The Pitch Trim Valid is set by the FCU to indicate the status of the trim channel associated with that particular FCU. It is used by the AP in the engage logic. If not set, the AP inhibits engagement. If engaged when the discrete is cleared, the AP performs a transfer to the other valid AP channel. If both channels are invalid, the AP remains engaged and annunciates a trim failure.
Manual Trim Active:
The Manual Trim Active discrete is set by the FCU to indicate that the crew has called for manual trim by operation of the manual trim switches. It is used to inhibit engagement of the AP. If the AP is engaged, it will disconnect when this discrete is set unless TCS is active. If TCS is active, the AP will allow manual trim and remain engaged.
System Interface
External Interfaces
The primary interface for a majority of external aircraft system information and external sensors is initially through the data acquisition units (DAUs). The DAUs place all required incoming data on the avionics standard communication bus (ASCB) and transmit outgoing data on several ARINC 429 general purpose buses. The ASCB provides bidirectional communication between the functions within the avionics system. The AFCS also provides direct interfaces to selected functions that are time critical, thus avoiding data transmission lag inherent in the ASCB architecture.
Surface Position Sensor Interface
The surface position sensors that are connected to the FGC are those for the surfaces most closely linked to-the autopilot servos. They provide instantaneous feedback on the position of the primary control surfaces that the autopilot uses to control the aircraft.
The FGC interfaces directly with surface position sensors on the right aileron, right elevator and rudder. Surface position sensors are also installed on the left aileron and left elevator. However, these sensors interface directly with DAUs.
Surface position data from the sensors connected to the DAUs is placed on the ASCB for use by the display system and, if the primary surface position feedback is lost, by the autopilot. The autopilot also places surface position information on the ASCB, from the sensors with which it interfaces, for use by the display system.
Slat/Flap Interface
Movement of the slats and flaps is rate controlled by the slat/flap control unit (SFCU). Data from the SFCU required by the AFCS is passed via ARINC 429 to the DAU and placed on the ASCB.
The SFCU data available for use by the AFCS includes flap handle position, flap position, slat position and a status/discrete word. The AFCS makes use of this data to provide lift compensation due to slat and flap movement as necessary.
The SFCU generates a discrete that indicates the flaps or slats are in motion. The discrete is used to augment the flap lever position data that is supplied by the SFCU through the DAU and ASCB.
The data provided via the ASCB provides advance notification of a change in the flap or slat position, but not adequate indication that the flaps or slats are in motion. The discrete interfaces to the GP, which then passes the discrete data to the AP via the RS 422 bus.
Control Wheel Interface
The AFCS receives two discrete signals from the pilot and copilot control wheel, AP disconnect and touch control steering (TCS). The signals are provided by momentary switches on both control wheels.
The AP disconnect switches are of the normally closed type and wired in series to ground. The output of the switches is connected both to the guidance panel and directly to the FGC within the IAC. Dual paths are provided for the signal to meet safety requirements.
When either input is open, AP engagement is inhibited but YD engagement is allowed. If pressed, the AP is disconnected. The signal is also routed to the FWC, and serves to silence the aural warnings and extinguish the annunciations associated with an AP disconnect.
The TCS switches are of the normally open type and wired in parallel to ground. The output of the switches is connected to the GP. The GP retransmits the status of the discrete input to the FGC via RS 422 bus. The TCS function is active whenever the input is grounded.
Throttle Interface
The AFCS receives a discrete takeoff/go around (TOGA) signal from the throttle quadrant. The ground/open signal is provided by a momentary normally open switch in either throttle handle, and connected to both channels of the AFCS via the GP. The signal is used to initiate either takeoff, go-around or windshear guidance modes in the FD, based upon current conditions, and to disconnect the AP, if engaged.
Component Power Interface
The following table lists the autopilot components and their power sources.
| COMPONENT | POWER SOURCES |
|---|---|
| IAC 1 | 28 VDC Bat. - 7.5A SPDA 2 28 VDC Bus 1 - 5.0A SPDA 2 (AP1 Servo) 28 VDC Bat 2.- 5A SPDA 2 (YD 1) |
| IAC 2 | 8 VDC ESS 7.5A SPDA 4 28 VDC Bus 2 -5.0A SPDA 4 (AP2 Servo) 28 VDC ESS 2.5A - SPDA 4 (YD2) |
| IAC3 | 28 VDC Bat. 7.5A SPDA 4 |
| Configuration Module 1 | 5 VDC (IAC 1) |
| Configuration Module 2 | 5 VDC (IAC 2) |
| Configuration Module 3 | 5 VDC (IAC 3) |
| Guidance Panel | 28 VDC Bat (AFCS 1) 2.5A - SPDA 4 28 VDC ESS (AFCS 2) 2.5A - SPDA 4 |
| Aileron Servo | 28 VDC Bus 1 (AFCS 1) 28 VDC Bus 2 (AFCS 2) |
| Elevator Parallel Servo | 28 VDC Bus 1 (AFCS 1) 28 VDC Bus 2 (AFCS 2) |
| Rudder Linear Actuator | 28 VDC Bat (AFCS 1) 28 VDC ESS (AFCS 2) |
| Each FGC provides excitation for its position sensors: aileron, elevator, rudder surfaces and linear actuators. | |
System Indications
PFD Annunciations
The PFD displays the following AFCS related information:
- AP engage status
- Touch control steering status
- Flight director commands and status
- Flight director data source (CPL)
- Vertical speed reference
- Overspeed warning
- Armed lateral mode
- Active lateral mode
- Armed vertical mode
- Active vertical mode
EFIS determines the above annunciations from information received from the FGCs via the ASCB and direct discretes.
AP Engage Status
The autopilot (AP) engage status is displayed on both PFDs. Whenever the autopilot is engaged a green AP 1 or AP 2 is displayed in the upper left comer of each PFD. The EFIS/FWC examines the valid AFCS AP engage status on the ASCB and the autopilot clutch line to determine when the autopilot is engaged and which AFCS is in control. Autopilot disengagement is defined as either normal or abnormal.
- A normal disengagement is initiated manually
- Any disengagement due to a monitor trip or failure is considered abnormal
A normal disengagement will cause the green AP 1/2 annunciation to be replaced by a red AP 1/2. The red AP 1/2 annunciation will flash for two seconds and then be extinguished. A normal disengagement is also be accompanied by a single sounding of the cavalry charge tone from the aural warning function. An abnormal disconnect causes the red AP 1/2 annunciation to flash continuously and the cavalry charge tone to be repeated, until acknowledged via AP quick disconnect button, or the autopilot is re-engaged. For selected failures (i.e. sensor miscompare or loss of data), an autopilot disengagement may be accompanied by a CAS message indicating the reason for the disengagement.
The autopilot engage/disengage annunciations, CAS messages and aural warnings are controlled by the EFIS/FWC. The EFIS/FWC always assumes an autopilot disengagement is abnormal (unexpected), unless the FGC transmits information to the contrary via the ASCB. When the aircraft is on-ground, EFIS ignores clutch activation and deactivation when the FGC is performing its power-up or integrated maintenance test function.
A switch has been added to the airframe pitch disconnect mechanism to disengage the autopilot in case of a pitch disconnect.
Touch Control Steering (TCS) Status
When the TCS button on the pilot or copilot control yoke is pushed, the FGC releases the clutches on the aileron and elevator servos and the EFIS replaces the autopilot engage status annunciation (AP 1 or AP 2) with an amber TCS. TCS shall be annunciated regardless of the engage status of the autopilot. The FGC shall notify EFIS of the activation of the TCS function via the ASCB.
CAS Messages
If the AFCS transmission is invalid and the autopilot clutch is engaged, the FWC annunciates that the essential autopilot related annunciations (mistrims, trim inoperative, and disengage) are questionable. The occurrence shall be recorded in the non-volatile memory of the FGC and FWC.
Independent FWC Messages
In addition to annunciating AFCS requested messages, the fault warning computer annunciates the following conditions independently:
- AP/YD engage status
- Failure status of AFCS
- Failure status of YD
- Unavailability of the integrated maintenance function
- Essential messages not correctly transmitted via the ASCB
Autopilot System CAS Messages
| MESSAGES | SIMPLIFIED LOGIC (MESSAGES CLEAR WHEN CONDITION(S) CORRECTED EXCEPT AS NOTED) |
|---|---|
| CAUTION (AMBER) | |
| ADC 1-2-3 MISCMP ALL ADC MISCOMP |
1) Disengagement due to ADC data miscompare/Invalid (annunciated in conjunction with an amber mode or disengage message) (2) If engage/mode pushbutton pressed, but function not activated because of ADC miscompare/Invalid. Message occurs on ground if two separate and valid ADCs are not selected for PFD 1 and 2 |
| IRS 1-2-3 MISCMP ALL IRS MISCOMP |
(1) Engage/mode dropped due to IRS data miscompare (annunciated in conjunction with an amber mode or disengage message) (2) If engage/mode pushbutton pressed, but function not activated because of IRS miscompare |
| AP PITCH TRIM FAIL | AP pitch trim inoperative monitor detects invalid trim (only when down to one AP) |
| AP TRIM IS NU AP TRIM IS ND |
Pitch mistrim monitor detects excessive forces |
| AP MISTRIM LWD-RWD | Roll mistrim monitor detects excessive forces |
| AFCS ENGAGE INVAL | FW detects invalid engagement of AP |
| YD OFF | FW detects no YD engaged |
| YD 1-2 FAIL | YD #1 and or #2 Fail. Dual failure |
| ADVISORY (CYAN) | |
| AFCS 1-2 FAIL | Fault warning determines that one or both AFCS function has failed, either by examining in-line validity or by invalidating data being transmitted. The AFCS function includes the YD, autopilot and flight director |
| AP 1-2 FAIL | FWC determines that one or both autopilot functions have failed, and aircraft is on the ground |
| YD NOT CENTERED | YD linear actuator not centered while on-ground |
Guidance Panel Annunciators
The AFCS indicates the autopilot engage status, yaw damper engage status, couple status and flight director mode status via annunciators on the guidance panel.
Autopilot Engage Status
In addition to display on the PFD, the autopilot engage status is indicated on the guidance panel via arrowhead annunciators on either side of the AP pushbutton. When lit, the arrowhead annunciator indicates which autopilot is engaged. Since the autopilot is always engaged from the master AFCS channel, the AP engage annunciators also serve to indicate which AFCS channel is master. When both the autopilot and yaw damper are engaged, the engage annunciators will be lit on the same side.
Yaw Damper Engage Status
The yaw damper engage status is indicated on the guidance panel via arrowhead annunciators on either side of the YD pushbutton. When lit, the arrowhead annunciator indicates which yaw damper is engaged. Since the yaw damper is always engaged from the master AFCS channel, the YD engage annunciators also serve to indicate which AFCS channel is master. When both the autopilot and yaw damper are engaged, the engage annunciators will be lit on the same side.
Couple Status
In addition to display on the PFD, the couple status (selected PFD) is indicated on the guidance panel via arrowhead annunciators on either side of the CPL pushbutton. When lit, the arrowhead annunciator indicates to which PFD the flight directors are coupled for guidance data. The couple annunciators on the guidance panel echoes the couple arrow above the attitude sphere on the PFD. When in dual couple approach mode, both couple annunciators shall be lit.
Flight Director Mode Status Indicators
In addition to display on the PFD, the flight director mode status shall be indicated on the guidance panel via annunciators in each of the mode pushbuttons. When any selectable lateral or vertical flight director mode is armed or active (captured) the corresponding mode.
Autopilot Deselect/Inhibit Requirements
The autopilot deselect/inhibit requirements are specified in the following table.
Autopilot disengagement will be indicated as follows:
- For a normal autopilot disengagement: the green AP 1/2 annunciation on the PFD will turn red, flash for two seconds and then extinguish. At the same time, the aural warning function will sound the cavalry charge tone once
- For an abnormal autopilot disengagement, the green AP 1/2 annunciation on the PFD will turn red and flash continuously. At the same time the aural warning function will sound the cavalry charge repeatedly. The flashing annunciation and tone may be cleared by a single push of the AP quick disconnect button
The annunciation of an autopilot disconnect is a fault warning function. The fault warning system will monitor the autopilot servo clutch lines and declare all autopilot disengagements to be abnormal, unless otherwise indicated by the AFCS.
There are four ways to manually disengage the autopilot:
- AP pushbutton on guidance panel
- AP quick-disconnect pushbutton
- Go-around pushbutton
- Manual trim activation (except when TCS is active)
AP Deselect/Inhibit
| AUTOPILOT CANCELLATION REQUIREMENTS | ||
|---|---|---|
| EVENT | RESULT | |
| AP pushbutton push | Deselects the AP function (YD remains engaged) | |
| YD pushbutton push | Deselects AP and YD functions, if valid YD is on-line | |
| AP quick disconnect | Disengages the AP function; if inhibiting AP | |
| Go-Around or Takeoff pushbutton push | Activates go-around/takeoff or windshear guidance modes and disengages the AP | |
| Manual trim active | Disengages the AP function unless TCS is active | |
| Loss of trim system valid | Disengages the AP function to cause transfer to other channel if valid, otherwise remains engaged and annunciates TRIM FAIL | |
| On-ground (WOW) | Disengages the AP function; annunciates: WOW ACTIVE | |
| Stall warning | Disengages the AP function; if inhibiting AP | |
| TCS pushbutton push | Releases AP clutches as long as TCS pushbutton active | |
| AP servo failures | Disengage the AP function; annunciates: AP FAIL-YD AVAIL | |
| Monitor Failures | Disengage the AP and/or YD functions (based upon the monitor); annunciates: AP FAIL-YD AVAIL or AP/YD FAIL | |
| Voted ADC data invalid | Disengages the AP/YD functions: annunciates: ADC INVALID | |
| Voted IRS data invalid | Disengages the AP/YD functions: annunciates: IRS INVALID | |
System Monitoring
Autopilot/Yaw Damper Monitoring Overview
The autopilot/yaw damper monitoring function is provided by the IC-800 IAC primary processor. The primary processor utilizes independent hardware for sensor input and servo feedback data used by the monitoring function. This separation ensures that hardware failures will not affect the autopilot control function.
The primary processor provides dedicated disconnect hardware for the monitoring function. This provides the monitors with the capability of disengaging the autopilot and yaw damper independent of the autopilot processor hardware. All automatic disconnects which result from monitor trips store an event code in non-volatile memory for subsequent recall during ground maintenance testing.
The disengage path is tested during autopilot power-up to ensure that latent failures do not inhibit monitor operation. The servo amplifier disable path (heartbeat monitor, power supply monitor, monitor processor valid) are all individually tested at power-up. These tests consist of driving the pitch, roll and yaw servos; and validating proper tachometer feedback and current sensing.
Hardover Malfunction Protection
The distributed processor architecture of the system is designed to prevent hazards such as autopilot hardovers. This protection is provided by ensuring that failures in either processor will be defeated or minimized by the monitors and/or limiters in the other processor. In general, failures of the primary processor (flight director), will not result in an abrupt aircraft response because the attitude command path is limited to a normal control response envelope in the secondary processor (autopilot).
System Response to Failures
In the event of an autopilot processor fault, the monitor will disconnect the autopilot prior to any significant aircraft response. Upon monitor disconnect, AP OFF warning will be annunciated.
Pitch Servo Position Monitor
The pitch servo position monitor models the pitch attitude loop and servo loop and generates a predicted elevator servo position. The predicted servo position is compared against actual position feedback.
Primary Pitch Attitude Comparison
The primary pitch attitude comparison monitor compares the on-side primary pitch attitude used in the primary processor with the pitch attitude used in the secondary processor. This monitor validates the hardware path between processors and assures that the pitch attitude computations of both processors agree. If the pitch comparator exceeds a 5 degrees threshold, the monitor will trip.
A trip of the pitch comparator monitor will prevent autopilot and yaw damper engagement and will cause a latched disengage if the autopilot/yaw damper were engaged at the time of the monitor trip.
Secondary Pitch Attitude Comparison Monitor
The secondary pitch attitude comparison monitor compares the on-side primary pitch attitude with the on-side secondary pitch attitude. This monitor validates the attitude source used by the pitch servo position monitor.
Normal Acceleration Monitor
The normal acceleration monitor provides an additional means of detecting autopilot malfunctions. The sensor input for this monitor is provided by the IRS. The monitor disconnects the autopilot and yaw damper if normal acceleration changes by more than 0.6 gs for more than 0.3 seconds.
Roll Servo Position Monitor
The roll servo position monitor models the roll attitude loop and servo loop and generates a predicted aileron servo position. The predicted servo position is compared against actual position feedback. Any failure which results in exceeding the monitor trip level for a period of 0.3 seconds will result in an automatic disconnect of the autopilot, yaw damper and rudder boost.
Primary Roll Attitude Comparison Monitor
The primary roll attitude comparison monitor compares the on-side primary roll attitude used in the primary processor with the roll attitude used in the secondary processor. If the roll comparator exceeds a 4 threshold, the monitor will trip. A trip of the roll comparator monitor will prevent autopilot and yaw damper engagement and will cause a latched disengage if the autopilot/yaw damper were engaged at the time of the monitor trip.
Secondary Roll Attitude Comparison Monitor
The secondary roll attitude comparison monitor compares the on-side primary roll attitude with the on-side secondary roll attitude. This monitor validates the attitude source used by the roll servo position monitor.
Roll Rate Monitor
The roll rate monitor provides an additional means of detecting autopilot malfunctions. The monitor disconnects the autopilot, yaw damper and rudder boost if actual roll rate exceeds 10/sec. for more than 0.5 seconds.
Auto Trim Runaway Monitor
The auto trim runaway monitor detects any condition which results in the autopilot processor commanding trim while the elevator servo current does not indicate a need for trim. The auto trim runaway monitor will disconnect the autopilot, and yaw damper immediately upon detecting a trim runaway condition.
Auto Trim Inoperative Monitor
The trim inoperative monitor provides a CAS message to indicate that the elevator is not properly trimmed. This monitor does not disconnect the autopilot.
Autopilot/Yaw Damper Disconnect Monitor
The autopilot and yaw damper disconnect monitor detects a failure of the system to disengage the autopilot in response to the autopilot disconnect switch being pressed. This monitor ensures the disconnect discrete and AP and YD engage status are valid. If self engagement within 0.6 seconds of a disconnect is detected, the processor outputs an invalid state on the servo amplifier drive enable.
This action prevents the IC-800 IAC from applying any torque to the autopilot and yaw damper servos.
Autopilot Response to Failures
In general, the autopilot function will respond to failures as follows:
- If erroneous guidance pitch and/or roll commands are issued to the autopilot due to an undetected failure in the flight director guidance function, the AP response will be limited to within normal AP maneuver boundaries
- Likewise, undetected guidance data faults (FMS, Radio, SG, FWC, ADC, etc.) will result in AP responses limited within normal AP maneuver boundaries
- Undetected approach guidance data faults when in dual PFD status are improbable. Detected guidance data faults will result in reversion to the good sensor with minimal aircraft perturbation
- Failures in the autopilot processing and/or servo amplifiers and/or servo feedbacks will result in channel switchover with minimal aircraft perturbation
- Flagged failures in autopilot, IRS, and/or ADC data inputs will result in switchover to the good unit and continuation of AP operation with minimal aircraft disturbance
- Unflagged failures in IRS data inputs will be detected via comparison monitoring and will result in a disengagement of the AP operation with minimal aircraft disturbance
- Unflagged failures in ADC data inputs will be detected via comparison monitoring and will result in AP disengagement (except in APPT mode)
- Excessive perturbations of the aircraft with catastrophic effects due to autopilot faults, undetected servo faults or faults in autopilot sensors are extremely unlikely. This applies to both dual-channel and single-channel autopilot operations
- Motor faults in the aileron and/or elevator servo will be detected and channel switch-over will result with minimal aircraft perturbation. If the servo motor fault is common to both sides, the AP will be disengaged
- Faults which produce excessive column loads (aileron or elevator) will be annunciated to the flight crew on the EICAS display
- The probability of an autopilot fault which results in the AP automatically disengaging into a significant mistrim with no mistrim annunciation is unlikely
Fail-operational Failures
- IRS fault (first failure flagged)
- ADC faults (first failure flagged, or first unflagged failure while in APPT)
- AP servo amplifier faults (first channel)
- AP servo feedback faults (first channel)
- Servo motor faults (first channel)
- Trim feedback faults (first channel)
- Detected flight director guidance faults (first channel)
- ILS data faults (first sensor) during dual approach
- Guidance panel serial link faults (first channel)
- Loss of AP or YD power (single channel)
- Loss of YD power (second channel)
Fail-passive Failures
- AP and YD pushbutton faults (first failure)
- AP quick disconnect switch fault (first failure)
- IRS faults (second failure flagged or first unflagged failure)
- ADC faults (second failure flagged or first failure unflagged while not in APPT)
- AP servo amplifier faults (second channel)
- AP servo feedback faults (second channel)
- Trim feedback faults (second channel)
- Servo motor faults (second channel)
- Detected flight director guidance faults (second channel)
- Guidance panel serial link faults (second channel)
- Go-around switch faults (first fault)
- Stall warning logic faults (first fault)
- Loss of AP or YD power (second channel)
- Autotrim enable logic fault (first ILS data faults (single sensor or second sensor flagged)
- Fault
Manual Re-engagement Subsequent to the Following Failures
Pilot detected unflagged flight director guidance faults. (These may be bypassed via manual switch over of AP control to the cross-side FGC channel).
Fail-safe Autopilot Performance
- IRS faults (second unflagged fault)
- ADC faults (second unflagged fault)
- Undetected flight director guidance faults
- Flaps data faults
- Radio altitude data faults (unflagged fault with single RAD ALT)
Loss of Autopilot Function
- A stuck-on TCS contact will result in the loss of the autopilot function
- A stuck-on AP quick disconnect or go-around discrete will cause loss of the autopilot function
- The loss of the trim valid discrete will prevent engagement of the autopilot function
- A stuck-on stall warning signal (via ASCB) will cause loss of the autopilot function
- A stuck-on guidance panel pushbutton or switch may inhibit selection of the autopilot
- A stuck-off TCS contact will result in the loss of autopilot TCS capability
- A stuck-on manual trim switch
- A control column disconnect
If the autopilot disengages due to an intermittent failure condition, the FGC will attempt to reset itself, by performing cold-starts, until the failure condition no longer exists. If the original failure was a transient condition, the FGC will then operate normally.
CAIMS Tests and Fault Reporting
The following tests may be carried out, using the PMAT, on the AFCS system components:
- AFCS guidance panel test
- Guidance panel switches test
- AFCS aileron servo test
- AFCS elevator servo test
- AFCS rudder actuator test
- AFCS rudder actuator re-centering test
- AFCS pitch trim interface test
These tests can be performed on IACs 1 and 2. The procedure consists in entering the CAIMS MAIN MENU and selecting SYSTEM DIAG function. From ATA SELECTION display, select ATA 22 and then from the list of LRUs select the IACs to be tested. ACTIVE FAULTS and STORED FAULTS can also be viewed using the PMAT.
08/28/20
Component Location Index
| Component Location Index | |||
|---|---|---|---|
| IDENT | DESCRIPTION | LOCATION | IPC REF |
| B26 | AILERON PARALLEL SERVO | ZONE(S) 161/162 | 22-12-01 [ GX ] [ GXRS ] [ G5000 ] |
| - | AILERON SERVO BRACKET | ZONE(S) 161/162 | 22-12-05 [ GX ] [ GXRS ] [ G5000 ] |
| B25 | ELEVATOR PARALLEL SERVO | ZONE(S) 345BL | 22-12-09 [ GX ] [ GXRS ] [ G5000 ] |
| - | ELEVATOR SERVO BRACKET | ZONE(S) 345BL | 22-12-13 [ GX ] [ GXRS ] [ G5000 ] |
| S44/S45 | MASTER DISCONNECT SWITCHES | ZONE(S) 221/222 | 22-12-17 [ GX ] [ GXRS ] [ G5000 ] |



















