08/30/21
Overview
The purpose of the ailerons is to give lateral (roll) control to the aircraft in flight.
A pair of ailerons on the wings give lateral control and are helped by multi-function spoilers. The pilot and copilot control wheels give aileron control through a series of cables, pulleys and mechanical linkages. Each aileron is attached to and operated independently by two power control units (PCUs) which are mechanically controlled and hydraulically operated.
The left and right ailerons are connected together in the usual condition. When a jam occurs in the left or the right aileron cable circuit, a roll disconnect mechanism isolates the two cable circuits. An aileron trim switch (AIL TRIM) installed on the AIL/STAB/RUD TRIMS control panel gives input to the aileron trim. The automatic flight control system (AFCS) also gives an input to the aileron trim. The position indication for the aileron shows on the FLIGHT CONTROLS synoptic page.
Roll control of the aircraft is given by two ailerons that get power hydraulically. The aileron control surfaces are attached to the outboard trailing edges of the wings. Each aileron moves up and down in opposite directions. This makes a roll movement of the aircraft in the direction set by the pilot from a control wheel in the flight compartment. The aileron system is helped by the spoiler system. In flight, the multifunction spoilers go up on the same wing as the up aileron to help the roll movement.
The aileron system has the outstanding feature of a roll disconnect mechanism which isolates a jammed aileron cable circuit if there is a lock out condition.
One aileron is hinged to the rear wing spar at the outer end of each wing. A control wheel on each control column provides control cable input to the aileron PCUs at each outer wing. Two PCUs at each aileron, using hydraulic pressure from different hydraulic systems, provide redundancy. In the event of a cable jam, the left and right ailerons will operate independently, controlled by the pilots or copilots control wheel respectively. Artificial feel and centering mechanisms are located in the main wheel well. Position transducers at each aileron provide position information for display in the cockpit and for feedback to the autopilot system. Roll control is assisted by the multifunction spoilers.
Aileron trim is accomplished by pilot-activated trim switches on the Trims Control Panel. An electric linear actuator, located in the main wheel well, provides the inputs to the aileron control system.
08/30/21
Aileron Control System
The aileron control system supplies the pilot input for the lateral (roll) control of the aircraft. It includes two control wheels, control cables, the torque tube assembly with the forward quadrants, two rear quadrants (left and right), tension regulators and the power control units (PCU). A roll disconnect mechanism is installed to permit the separation of the pilots`s and copilot's cable circuits if there is a locked control cable circuit on one side. The roll disconnect mechanism has a switch that gives a signal to the flight control computer if there is a disconnect condition. Position transducers are installed on the aileron control surfaces to give the aileron position indications on the engine indication and crew alerting system (EICAS).
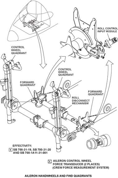
Control of the ailerons is given by movement of control wheels on the control columns in the flight compartment. From an upper quadrant, control cables attached to the control wheels go down and aft of the control column. The pilot and copilot side cables are connected to forward quadrants installed on a torque tube aft of the control column torque tube. Each forward quadrant has a roll control input module to show control wheel position. The torque tube has two halves and is connected by a roll disconnect mechanism. If one side of the aileron system becomes locked, the disconnect mechanism unlocks and the opposite side can still operate. A roll disconnect switch is installed on the disconnect mechanism to show a disconnect condition.
From the forward quadrants, the cables go through the fuselage to aft quadrants in the wheel wells at FS781.00. The control cables then go outboard over pulleys along the wing rear spar to tension regulators forward of the ailerons. The control cable movements are then transmitted by a control rod assembly to the dual aileron-power control-units (PCU´s). The PCUs then move the ailerons up or down hydraulically in proportion to the control cable movement. The control system is inter-related to the aileron trim and autopilot systems.
Control Wheels
The control wheels are installed on the control columns. They are of the horn type and are spline attached to the control columns. The shaft at the top of the control column has a cable with integral, fixed maximum-travel stops. The control wheels are connected by control cables to the aileron forward quadrants. The control input to the quadrants is given by pulleys installed near the bottom of the control columns.
Roll Disconnect Switch
The roll disconnect switch is installed on the roll disconnect mechanism below the flight compartment floor. It has a mechanical plunger which is in contact with the spring-loaded plunger of the disconnect mechanism. If a locked aileron condition exists, the spring-loaded plunger is pressed down and presses the plunger on the disconnect switch. The switch closes and sends a disconnect signal to the flight control units.
Roll Control Input Module
The roll control input modules (RCIMs) are installed on the aileron forward quadrants below the flight compartment floor. The RCIMs give the position of each control wheel, to be used for the spoiler assist function. The pilot and copilot control wheels are mechanically attached to the roll control input modules, through the aileron roll control system. Each roll control input module has two rotary variable differential transformers (RVDTs), which give an electrical indication of control wheel position to the flight control units (FCUs). The FCUs have two flight control modules (FCMs). The excitation of the RVDTs can be supplied by one of the two FCMs when a signal given in the software.
Aileron Position Transducers
Each aileron transducer is a dual-channel position transducer. The aileron position transducers supply continuous position signals through the full range of aileron travel to the EICAS. They also supply information to the flight control computer to help coordinate turns. The transducers are moved through link rods by the movement of the ailerons. The transducers are installed on the trailing edges of the wing rear spars at WS457.00
Dual rotary variable differential transformers (RVDTs) at each aileron position provide surface position information to the DAUs and Integrated Avionics Computers (IACs) for cockpit surface position indication and for autopilot feedback information.
Aileron Control Surfaces
The two ailerons are mechanically controlled and hydraulically operated of the all-metal, conventional airfoil design. They have an aerodynamic seal for improved efficiency. The ailerons are mechanically controlled and hydraulically operated. They give the roll control of the aircraft. Each aileron is attached by hinges to four bracket fittings found on the rear face of the wing rear spar. The ailerons are installed between CANT WS STA484.67 and WS544.00.
Control Wheel Quadrant
A control wheel is located on each control column. Switches are installed on the control wheel to control radio transmissions, touch control steering and pitch trim. The red master disconnect switch is also located here. It provides autopilot, stick pusher and pitch trim disconnect functions.
Note:
Stick pusher disconnects function not active on JAA-registered aircraft.
The right control wheel is a mirror image of the left. The spline-mounted control wheel operates a pulley. A cable over the pulley is connected to the forward aileron quadrant so that any control wheel roll movement is transmitted to the forward aileron quadrants. There is a provision for a rigging pin in the control wheel pulley.
Fwd Aileron Quadrant
The forward aileron quadrants are mounted on opposite ends of a torque tube that is mounted laterally under the cockpit floor. Each quadrant operates a cable that runs to the aft aileron quadrants in the main wheel well. A roll disconnect mechanism is installed in the center of the torque tube. In normal operation the rotation of one control wheel will feed through the torque tube and rotate the other control wheel, therefore simultaneously operating the left and right aileron circuits. A roll control input module (RCIM) at each forward quadrant provides a roll demand signal for the multifunction spoilers. This operation will be covered in the multifunction spoiler section of this chapter. A rigging pin can be installed in the quadrant.
Roll Disconnect Mechanism
The roll disconnect mechanism is a mechanical roller/cam unit that permits the separation of the control system into two independently operated halves if a cable circuit becomes locked. The roll disconnect mechanism is located below the flight compartment floor on the aileron torque tube.
The roll disconnect mechanism connects the two sides of the torque tube of the aileron that transmits the motion of the two forward aileron quadrants. The torque tube has two independently operated halves locked together axially when it operates in usual conditions. This axial lock is given by two anti-friction bearings, a spring-loaded plunger assembly and a detent.
Each torque tube half is part of the control cable circuit for the pilot´s or copilot´s aileron control system. A spring-loaded plunger assembly is part of the disconnect mechanism. An internal compression spring keeps the plunger assembly in the engaged position in the detent. If one side of the aileron system becomes locked, the free side of the torque tube turns it´s half of the disconnect mechanism. As the unlocked side turns, a spring-loaded plunger in the disconnect mechanism is forced down and locked in a detent if the force is greater than 32 lbf (142.34 Nm). It then releases the unlocked side of the disconnect mechanism which permits movement of the aileron on that side of the aileron control system. The aileron system is reconnected manually on the ground when the plunger on the disconnect mechanism is set.
The torque tube is actually two tubes that meet at the disconnect mechanism. The disconnect mechanism consists of a spring-loaded roller and a butterfly shaped cam. The spring-loaded roller normally sits at the low point of the butterfly shaped cam. The cam is mounted on the inboard end of the right side torque tube, while the roller is on the inboard end of the left side torque tube. In the event of a cable jam in one of the aileron circuits, the disconnect mechanism can be overcome by an increased pressure (40 lb) on the free control wheel. At this time, the roller will ride up on the cam locking out and allowing the free side to provide roll control for the aircraft. A switch on the disconnect mechanism provides a signal to the flight control units (FCUs) whenever a roll disconnect occurs.
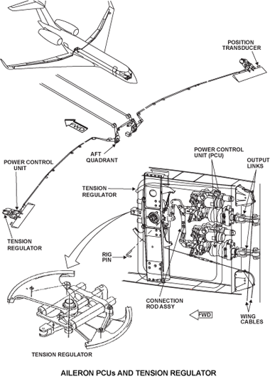
Aft Aileron Quadrant
The aft quadrants are mounted on the left and right sides of the aft bulkhead in the main wheel well. The left quadrant has two grooves, one for the cable from the fwd quadrant and the other for the cable to the PCUs. The right quadrant has one extra groove for a cable input from the autopilot servo, which is mounted on the same bulkhead below the quadrant. There is a provision for a rigging pin in each quadrant.
Mounted on the aft quadrant is a butterfly shaped cam with a spring-loaded roller resting at the low point of the cam. As the quadrant rotates in response to a control wheel input the roller will ride up on the cam against spring pressure. This resistance to the input motion provides the operator with a sense of feel as the control wheel moves from the neutral position. This artificial feel is necessary to provide the pilot with a feedback since the actual force to move the aileron is provided by the PCUs and the control wheel is only repositioning a small servo valve on each PCU.
After the control wheel is moved from the neutral position, the springs maintain a load on the roller as it rides up onto the high part of the cam. If the control wheel is released, this spring pressure will cause the cam to rotate and bring the roller back to the low point. In this manner we have automatic centering of the ailerons whenever the input is released.
Aileron Tension Regulators
The tension regulator is installed in the wing box structure forward of the aileron PCUs. The tension regulator is a cable quadrant that transmits the mechanical input from the wing cable circuit to the PCU control-rod assembly. To make allowance for wing flex and temperature expansion, the regulator adjusts to keep a constant tension on the control cable circuit in the wing.
The cable from the aft quadrant runs over a series of pulleys on the back of the rear spar and terminates at a tension regulator, located in the outer wing forward of the aileron PCUs. The tension regulator and aileron PCUs are accessible through the same panel on the underside of the wing. The tension regulator is a spring-loaded split quadrant. It maintains the proper tension on the aileron cables while compensating for temperature changes and wing flexing. It also provides overtravel protection.
During normal operation, the cable inputs cause the tension regulator to rotate around its axis and provide an input to the PCUs via a lever and an adjustable control rod. In the event of temperature change or wing flexing, the tension on both cables changes and the spring mechanism allows the split quadrants to compensate for the change without rotating the tension regulator around its axis. Therefore, under these conditions, there will be no uncommanded input to the PCUs.
The tension regulator has the provision for a rigging pin to be inserted. There are adjustable stops to limit travel of the tension regulator output. The only other adjustment in this area is on the input Link from the tension regulator to the PCUs.
Aileron Power Control Units (PCU)
The aileron power control unit (PCU) is a dual unit that has two double-action, equal-area cylinder actuators with an input link assembly. The actuators are installed on the same plate that attaches to the aircraft structure. Each actuator is isolated structurally and is supplied by a separate hydraulic system. The input to both PCUs is connected in tandem. If one PCU locks, shear rivets in the input mechanism will let the serviceable PCU to operate. One of the two actuators of the aileron PCU can transmit the load if the other actuator does not operate.
A summing and feedback linkage nulls the system when the aileron position agrees with the input signals. The unit also has a damping valve which gives gust lock capabilities when the system is without pressure. Each PCU has a PCU output link. The PCU output link attaches the PCU to the aileron.
Pilot input to the PCUs is at a point on the PCU link assembly, and correct input travel is a function of aileron movement necessary. PCU output to the aileron is from the piston rod end of the two actuators. When a pilot input is given, the control valve is operated in the set direction, and connects the retract or extend ports of each cylinder to pressure and the opposite port to return, and causes the piston to move in the set direction. As the piston moves, the feedback linkage, connected to the end opposite the rod end, moves the control valve in the direction opposite that set by the control input. When the set position is completed, feedback linkage has sent the control valve back to the null position. In null (no command) position, the control valve causes a blockage in the extend and retract ports of the cylinder. Feedback is almost immediate and any delay is not apparent at the pilot input lever.
Two PCUs are used to move each aileron. The outboard PCU on each side uses No. 3 hydraulic system pressure. The inboard PCU on the left side uses No. 1 hydraulic system pressure and the inboard on the right uses No. 2 hydraulic system pressure. Any PCU is capable of moving its control surface. The PCUs are connected to the aileron through links that pass through the wings rear spar.
The output from the tension regulator is fed through a common linkage to the servomechanism. The input to the PCU is felt on an input link. The center of this link is connected to the three-position spool in the servo valve. Moving it in one direction introduces hydraulic pressure to extend the actuator and valve. Movement in the opposite direction will retract the actuator. In the spring-loaded center position, the valve traps fluid on both sides of the actuator, locking it in position.
The input link receives an input from the control wheel on one end and actuator feedback on the other end. The control wheel input pivots the input link on its opposite end, repositioning the servo valve. As the actuator moves, the feedback causes the input link to pivot on the input end, repositioning the servo valve to the center position and cutting off pressure to the actuator. This feedback is instantaneous. As long as there is input pressure from the control wheel, the actuator will continue moving. As soon as the input pressure is removed, the actuator will cease movement.
Shear rivets on the linkage to each actuator provide protection in the event a control valve jams. Internal pressure relief valves in the PCUs allow the failed PCU to follow the operating one. A built-in compensator in each PCU traps the fluid in the PCU cylinders under pressure for flutter damping purposes should the hydraulic supply system fail. There is a visual indicator to verify the integrity of the compensator. There is also a Test Port that will be used to check for an excessive internal leakage rate.
10/30/17
Aileron Trim System
The aileron trim system keeps the wings in a level position in relation to the pilot, copilot's or autopilot inputs. An aileron trim switch on the AIL/RUD/STAB TRIMS panel controls the amount of trim of the ailerons. An aileron trim actuator is installed to move the ailerons to the amount of trim selected by the trim switch.
The aileron trim system is installed near the rear quadrant aileron-control system. The aileron trim system adjusts the ailerons to the pilot/copilot trim input.
The trim system has the components that follow:
Aileron Trim Actuator
The aileron trim actuator is installed in the main landing gear (MLG) wheel well between the two rear cable quadrants. The aileron trim actuator is connected by push rods and bellcranks to the roller arms of the two artificial feel mechanisms. The aileron trim actuator has an electrical actuator and is powered by 28 VDC. When the actuator receives a signal from the aileron trim switch, it moves the artificial feel mechanism through push-rods and bellcranks. The cam of the artificial feel mechanism will keep the roller in the center. The aileron trim actuator will cause the two left and right forward and rear quadrants to move. Through the aileron system feedback, both the pilot's and copilot's control wheels will move. The aileron trim actuator supplies aileron trim position to the EICAS.
A 28 VDC actuator is mounted on the rear bulkhead of the main wheel well between the two aft aileron quadrants. Three control rods transfer the actuator movement to the aft quadrant assemblies. A position transmitter potentiometer is internal to the trim actuator. As the actuator moves, the position signal changes and the movement is displayed on the EICAS primary display as surface trim position.
AIL/TRIM/STAB TRIMS Control Panel
The AIL/TRIM/STAB TRIMS Control Panel is installed on the center pedestal in the flight compartment. The panel has trim switches for the ailerons and rudder. There are also two STAB switch/lights to remove power to the horizontal stabilizer system. The RUD trim switch is a rotary two-position switch on the TRIMS control panel installed on the center pedestal. It controls the rudder trim actuator. With the RUD switch set to the NL or NR position, electrical power is supplied to the motor of the rudder trim actuator. Two AIL switches on the panel supply signals to move the aileron trim actuator. The two AIL switches are 3-position toggle switches and must be held in the same direction to operate the aileron trim actuator. The aileron trim selections are left wing down (LWD) or right wing down (RWD).
Two STAB switch/lights with the placards CH1 and CH2 (channel 1, channel 2) are installed on the panel. When a switch/light is pushed in, it locks in a down position and an OFF light comes on. The power from the flight control unit to the output relay of the actuator-motor drive unit is removed. This removes the power to the motor of the horizontal stabilizer-actuator of the channel that was set. When the switch/light is pushed again, the OFF light goes off and the system is set again.
Trim Switches
Two switches are mounted together and must both be activated to operate the trim system. Power is fed in to the system through one switch and the other switch provides a ground. This gives protection against runaway trim in the event of the contacts in one switch failing in the closed position. The switch selections are: LWD = Left Wing Down, and RWD = Right Wing Down.
08/30/21
System Operation
Normal Operation
Control wheels movement in the cockpit is transmitted via control cables to the forward quadrant under the floor. As the quadrant rotates so does the quadrant mounted on the other end of the torque tube. This, in turn, causes the opposite control wheel to rotate simultaneously. Cables from both forward quadrants transmit the input to the aft aileron quadrants located on the rear bulkhead of the main wheel well area. As the aft quadrants rotate, the artificial feel mechanisms provide some resistance to the input and assist in centering the ailerons when the input is removed.
Cables from the aft quadrants travel along the rear of the wing to the tension regulators by the PCUs. The tension regulators maintain the proper tension on the cable regardless of temperature change or wing flexing. As the tension regulators rotate on their pivots, they provide inputs to the power control units (PCUs) at each aileron. The servo valves provide pressure to extend or retract the actuator arms moving the aileron up or down.
Trim Operation
The ailerons are trimmed by operating the two aileron trim switches on the trims control panel in the desired direction. The electric actuator inputs control rods that transfer the movement to the aft quadrant assemblies. Both aft quadrants then provide mechanical inputs to operate the aileron PCUs through the normal system.
When the aileron trim is activated, the control rods move in response to the trim actuator. This causes the lever holding the spring-loaded roller on the aft quadrant to move. Spring tension on the other end of this lever holds the roller in the low spot on the cam, causing the cam to follow the roller. Since the cam is mounted on the aft quadrant, this results in a cable input to the PCUs which will reposition the aileron to the trimmed position. Whenever the ailerons are trimmed, the control wheel will follow since the neutral position is now off-center.
08/30/21
System Indication
The Left Aileron position transducer signals are sent to DAU 3 then to the IACs for the EICAS Flight Controls Synoptic Page. The right aileron position transducer signals are sent to IAC 1 & 2 (autopilot position feedback) and then to the EICAS flight controls synoptic page.
The Aileron pointer scale represents the surface position range of +25.0 degrees to -21.5 degrees.
Flight Controls Synoptic (Aileron Indication)
| Item | Green | Amber | White | Magenta | Cyan |
|---|---|---|---|---|---|
| Aileron Left pointer | Normal | No Hyd. or X if DAU position invalid | --- | --- | --- |
| Aileron Right pointer | Normal | No Hyd. or X if AFCS position invalid | --- | --- | --- |
The Aileron trim indication scale represents the maximum trim input of (+/-) 8 degrees aileron surface travel. A potentiometer in the trim actuator provides a signal that varies with actuator position. This signal is sent to the DAU where it is processed and sent to the Primary EICAS display (Aileron Trim Indicator).
The EICAS primary page shows the aileron trim position along with the permitted take-off range which is shown as a green band. The green band is equivalent to -14% and +14% of the full trim scale. The trim pointer is green when it is in the green band range. When the pointer goes out of the green band, it turns into white. If the aileron trim is at -21% and +21% or more on the trim scale during the take-off roll, then the EICAS display shows a "CONFIG AIL TRIM" red warning message along with a “NO TAKE-OFF” aural warning.
09/11/20
Component Location Index
| Component Location Index | |||
|---|---|---|---|
| IDENT | DESCRIPTION | LOCATION | IPC REF |
| - | CONTROL WHEELS | ZONE(S) 221/222 | 27-11-01 [ GX ] [ GXRS ] [ G5000 ] |
| - | ROLL DISCONNECT MECHANISM | ZONE(S) 131/132 | 27-11-05 [ GX ] [ GXRS ] [ G5000 ] |
| S35 | ROLL DISCONNECT SWITCH | ZONE(S) 131/132 | 27-11-09 [ GX ] [ GXRS ] [ G5000 ] |
| MT133/MT134 | ROLL CONTROL INPUT MODULE | ZONE(S) 131/132 | 27-11-13 [ GX ] [ GXRS ] [ G5000 ] |
| - | TENSION REGULATORS | ZONE(S) 580/680 | 27-11-17 [ GX ] [ GXRS ] [ G5000 ] |
| MT61/MT62 | AILERON POSITION TRANSDUCERS | ZONE(S) 580/680 | 27-11-21 [ GX ] [ GXRS ] [ G5000 ] |
| - | AILERON POWER CONTROL UNITS | ZONE(S) 580/680 | 27-11-25 [ GX ] [ GXRS ] [ G5000 ] |
| - | AILERON CONTROL SURFACES | ZONE(S) 580/680 | 27-11-29 [ GX ] [ GXRS ] [ G5000 ] |
| AP20 | AIL/TRIM/STAB TRIMS CONTROL PANEL | ZONE(S) 220 | 27-12-01 [ GX ] [ GXRS ] [ G5000 ] |
| B38 | AILERON TRIM ACTUATOR | ZONE(S) 165 | 27-12-05 [ GX ] [ GXRS ] [ G5000 ] |





















