Overview
The slat/flap control system controls the position of the leading-edge slats and the trailing-edge flaps. It increases the aerodynamic lift properties of the wing during the takeoff and landing phases of aircraft operation.
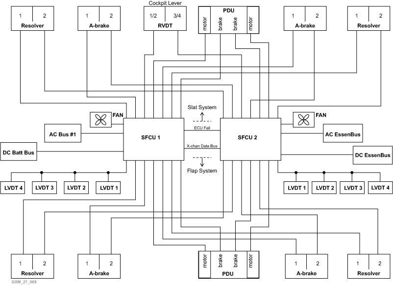
The slat and flap systems are electrically operated with separate power drive units for each. They are also mechanically independent. Two identical slat/flap control units (SFCU) provide the control, monitoring and indication for the systems. There are two independent channels for the slats and two independent channels for the flaps. The system is designed such that no single electrical failure can cause the loss of both slats and flaps. Redundant motors and brakes provide increased reliability and either SFCU can control and monitor both slats and flaps.
The function of the slat/flap control system is controlled by two slat/flap control units (SFCU), each of which has two control and power channels. Each SFCU controls one flap channel and one slat panel. Each SFCU releases all the asymmetry brakes and the brakes of the power drive unit (PDU) for the motor channels that it controls and each SFCU receives isolated inputs from the rotary variable differential transformers (RVDT) of the selector handle and from the wing tip position transducers. It also receives discrete inputs from other aircraft controllers such as the weight on wheels and the airspeed indication.
10/06/17
SLAT/FLAP Selector Handle
The SLAT/FLAP selector handle is made with aluminum alloy and is installed on the center pedestal. The five-position selector handle has a mechanical travel that turns between the "0" position and the "30 degrees flap/20 degrees slat" position.
The selector handle includes four RVDTs (two going to each SFCU) which monitor the position of the lever in operation. The functions of the selector handle are:
- To let the pilot set the position of the slats and/or flaps
- To give a visual display of the set position and of the possible positions
- To change the handle movements into analog position signals for input to the SFCU
- To supply positive hold of the handle position
- To prevent an unwanted position adjustment
A five-position slat/flap selector handle (SFSH) for both slats and flaps is located on the center pedestal, immediately to the right of the emergency/parking brake handle and aft of the thrust levers. The most forward position is the slats IN/flaps 0 degrees position. The next position back is slats OUT/flaps 0 degrees. There is a gate between these positions; the trigger on the handle must be pulled up to change positions. The other three positions are for flaps only: 6 degrees, 16 degrees and 30 degrees. Positions OUT/flaps 0 degrees and OUT/flaps 6 degrees are gated. The lever is detented for selections out of 16 degrees in either direction. The detent allows for the flight crew to select the go-around position with a minimum effort in the event that a landing cycle must be aborted.
The slat/flap selector handle receives 115 VAC 400 Hz input power from the SFCUs. Handle position is determined by four rotary variable displacement transducers (RVDTs), two supplying inputs to each SFCU. The lever assembly is constantly monitored by the SFCUs for RVDT readings outside the normal zone or an excessive difference between RVDTs. Any SFSH failures will result in single channel, half speed operation of the system. Faults will be annunciated on EICAS.
SLAT/FLAP POSITION
| SELECTOR HANDLE SETTINGS | SURFACE POSITION | HANDLE GATED or DETENTED | |
|---|---|---|---|
| IN | 0 degree | 0 deg. SLATS / 0 deg. FLAPS | LATCHED |
| OUT | 0 degree | 20 deg. SLATS / 0 deg. FLAPS | GATED |
| OUT | 6 degrees | 20 deg. SLATS / 6 deg. FLAPS | GATED |
| OUT | 16 degrees | 20 deg. SLATS / 16 deg. FLAPS | DETENTED |
| OUT | 30 degrees | 20 deg. SLATS / 30 deg. FLAPS | LATCHED |
Slat/Flap Control Unit (SFCU)
The two identical units are located in the under floor avionics compartment. The SFCU is a rectangular box with a rigid handle on the front for its removal and movement. Each SFCU is mounted in a tray which has a cooling fan installed to blow cooling air up through the unit. The fan starts with any slat/flap motion and stops running four minutes after the motion has ceased. The SFCUs consists of two independent and isolated channels (microprocessors); each SFCU controls both the slats and flap systems. The primary channel is used for control. It controls ARINC transmit and discrete output interfaces and it verifies the secondary processor analog output interfaces. The secondary processor is the monitor. It monitors the control system and the built-in test, and controls the analog output interfaces and it verifies primary processor output data. Each processor is capable of detecting output interface faults. The SFCUs provide control of the PDUs and asymmetry brakes based on inputs from the slat/flap selector handle and resolver position feedback.
The SFCUs require 28 VDC and 115 VAC to operate. Each power input has a C/B for protection in the event of a SFCU failure. SFCU 1 receives power from the Battery Bus and AC Bus 1. SFCU 2 receives power from the DC ESS and the AC ESS bus. SFCU 2 has a higher power priority and is the one that will be used in the event of ADG deployment.
The SFCU receives separate inputs from the selector handle RVDT and position transducers. The SFCU also receives the signals from the flap and/ or slat surfaces and controls their movement. Wingtip resolvers send signals to the SFCUs to make sure that the control surface positions are correct. Each SFCU controls one channel of the slats subsystem and one channel of the flaps subsystem. Under usual conditions of operation, each SFCU can release all the asymmetry brakes. At each actuator station of the flap system, a flap skew sensor sends a signal to the SFCU in relation to the actual position of the trolley on the flap track.
The SFCU compares the flap skew sensor signals to find if there is skew in the panel position. If skew occurs, flap system operation is stopped and the asymmetry brakes are set. The flight crew can not override a malfunction of the flap system if skew is found.
SFCU Evolution
SFCU Part Number GT415-5900-13
SB 700-27-045 for the Global Express and XRS, and SB 700-1A11-27-010 for Global 5000 introduced the following improvements:
- A re-designed motor drive power assembly to reduce the potential for a hot out-gassing event that can cause damage to the SFCU as well as damage to surrounding aircraft components
- A power board assembly modified for electromagnetic interference (EMI) compliance
- A replacement DC-DC converter
SFCU Part Number GT415-5900-15
SB 700-27-050 for the Global Express and XRS, and SB 700-1A11-27-007 for Global 5000 introduced the following significant hardware and software changes to address nuisance faults and No Fault Found (NFF) rejections:
SFCU Hardware Changes
- Digital Processor Assembly
- Resolver to digital converter replacement
- LVDT digital converter replacement
- Monitor and protection ASIC replacement
- Analog Interface Power Supply Assembly
- Internal power supply thermal improvement
- Internal power supply robustness improvements
- Modification of brake monitoring circuits
- Brake monitor circuit modifications
- Power/Power Interface Assembly
- Improvements to dielectric spacing
- Transformer Rectifier Assembly and Interconnect Assembly
- Improvements for thermal overheat protection added
SFCU Software Changes
The changes to the software of the -15 SFCU enable the software to interface with the new hardware elements to correct known deficiencies of the SFCU to CAIMS interface, to improve fault handling and reporting, to reduce nuisance messages, and to improve maintainability of the SFCU.
SFCU Part Number GT415-5900-17
SB 700-27-061 for the Global Express and XRS, and SB 700-1A11-27-018 for Global 5000 introduced software changes to improve reliability and reduce unnecessary maintenance. The main software changes are:
- Modifications to help eliminate nuisance, latched, mechanical disconnect messages on the Central Aircraft Information Maintenance System (CAIMS) and of SLAT/FLAP HALF SPEED or SLAT/FLAP FAIL messages on the Crew Alerting System (CAS). These latched faults were a source of reduced dispatch reliability and unnecessary maintenance
- Modification to the software Power-up Built-In Test (PBIT) procedure to remove nuisance SLAT FAULT or FLAP FAULT messages when the SFCU is exposed to more than one power-up brake test with the aircraft on the ground and there is no surface motion command
- Modification to the software for the power-up asymmetry brake test to prevent torque tube preload between PBIT completion and selection of the Slat/Flap Control Lever (SFCL). This will eliminate the problems encountered when maintenance is done on the drive system
- Changes to timeout periods and fault recognition criteria in the fault monitor logic to provide more robustness to the associated over-speed detection monitor. This will prevent nuisance surface over-speed messages and reduce sensitivity to noise
- Modification to incorporate Linear Variable Differential Transformer (LVDT) and Rotary Variable Differential Transformer (RVDT) calibration constants for hardware variance to make sure that no rigging errors are introduced during auto-rig functions. Before, auto-rigging problems caused by LVDT or RVDT variations from SFCU to SFCU were leading to the rejection of SFCUs upon initial installation
- Addition of new fault codes for intermittent slat and flap resolver wiring anomalies to be identified and reported through CAIMS for maintenance action
Slat Flap Control Unit -17 Non-Volatile Memory (NVM) Download
Operators have reported difficulties downloading the Non-Volatile Memory (NVM) from SFCU #2. This condition does not impact the reliability and functionality of the -17 SFCU. All troubleshooting related to the Slat Flap system remains available via CAIMS active faults, ground and flight faults history. If any NVM download from SFCU #2 is required, follow the procedure detailed in AW 700-27-0263.
Be aware of this observation in order to prevent any unnecessary SFCU rejection.
05/05/16
System Operation
Normal Operation
Slat/flap position is selected by positioning the slat/flap selector handle (SFSH) in the appropriate detent. The SFCU receives the position command from the SFSH. When a valid command is received, the SFCU will provide power to release the L/H asymmetry brake. After 0.03 seconds, the SFCU provides power to release the R/H asymmetry brake.The SFCU then ramps power to the PDU motors to move in the desired direction. After 0.01 seconds, the SFCU provides power to release the PDU brakes. Indication of movement is provided graphically on the EICAS primary page and digitally on the flight controls synoptic page. The PDU ramps to maximum speed. When within 2.44 degrees of target resolver position, the PDU slows to about 10% of normal speed. Power is removed from the PDU motors within 0.04 degrees of target resolver position. The SFCUs then remove power from the PDU brakes and after 0.03 seconds, the motor drive circuit is disabled. Power is then removed from the R/H and L/H asymmetry brakes in that order.
Slat/flap actuation is inhibited when the selector handle is between detents. A valid detent is considered to be within 4 degrees of the SFSH RVDT position. If the system is in motion when the handle is placed between detents, motion to the last selection continues for a maximum of five seconds. To reset, simply select a new valid position. If the selector handle has been repositioned while power is OFF, the slat/flaps will not move on power-up. The SFCU will only respond to SFSH selections made after power-up.
If the SFSH is repositioned in the opposite direction before motion is completed, the system will react to the command without causing damage. Upon new selection, the motor will ramp down to zero rpm, power will be removed from the PDU brakes, engaging them. After 0.03 seconds, the SFCUs will begin to ramp up power to the PDU motors to move in the desired direction. After 0.01 seconds, the SFCUs will supply power to release the PDU brakes and the slats/flaps will then move towards the new selected position.
Normal travel times:
Slats – 7 ± 1 sec.Flaps – 16 ± 1 sec.
Travel times will be doubled if only one channel is operating. Travel times will be slightly increased following cold soak. The SFCUs provide commands sequentially to slats/flaps, the slat system is always actuated and completes its travel first when the slats/flaps are extending. Upon retraction, the slat system is always actuated and completes its travel last.
Abnormal Conditions
The PDU and the actuators have built-in protective devices in the event of a jam occurring in the drive system. The motor in the PDU is connected to the output shaft through a slip clutch and an output torque limiter. If the torque tube in the output drive should encounter high resistance for any reason, the torque limiter will transfer the torque from the motor to the housing of the PDU to protect the drive train. The torque build-up now felt on the output side of the clutch will cause the clutch to slip, preventing damage to the PDU housing. Each actuator also has a built-in torque limiter. If the event of a failure at the actuator, such as an obstruction preventing carriage travel, the input force to the actuator would be removed from the output drive and transferred to the actuator housing. This would prevent any damage on the output side of the actuator. The transfer of torque to the actuator housing would cause an increase in resistance to the output side of the PDU and as stated above will cause the PDU clutch to slip. Detection of the above faults (underspeed or asymmetry) will cause the SFCU to de-energize the associated PDU and apply the systems brakes.
Slat motion inhibited when:
- DC input power out of limit
- Slat protective event is latched
- Flap motion is in progress
Flap motion inhibited when:
- DC input power out of limit
- Flap protective event is latched
- Slat motion is in progress
05/05/16
System Indications
Slat/Flap Indication
Slat/flap system information is displayed on the EICAS primary display page when the landing gear is not in the up and locked position or when the slats/flaps are not in the stowed position. Information is also provided on the EICAS flight controls page. On the primary display page an outline of the wing is shown. With the slats retracted, the word IN appears forward of the right outer wing and the leading edge is clean. When the slats are deployed, the word OUT replaces IN and a heavy green line appears ahead of and parallel to the wing leading edge. There is no IN/OUT display while the slats are in motion.
When the flaps are retracted, a 0 is displayed at the right wing tip trailing edge; it will also count out the numbers up to 30 as the flaps extend. Three index points are centered below the wing to indicate the 6 degrees, 16 degrees and 30 degrees positions and an extended horizontal line indicates the selected position. As the flaps reach the selected position, a thermometer style indicator fills in green. In the event of invalid data, the digital display shows amber dashes and the position thermometer/ markers are removed.
The flight control synoptic page also has a wing outline with the slats/flaps shown in the stowed/ deployed positions. Centered ahead of the outline is the word SLATS followed by IN/OUT. Aft of the wing outline is the legend FLAPS followed by a digital read out of flap position. The slat/flap outlines will be white while In-transit, green when in selected position and amber indicating a complete slat or flap system failure. Motor overheats and half-speed operations will also be shown on this display.
System Testing
SFCU Fault/Status Logging
Fault information is stored in NVM of SFCU for later retrieval by CAIMS via ARINC 429 Bus. The first level stores LRU fault information for maintenance personnel and the second level stores more detailed system status for troubleshooting. The NVM is capable of retaining memory for one month with power of the SFCU.
Stored fault information is separated by flight leg, date and time provided by CAIMS interface. Included is flight status (air or ground mode) and aircraft serial number. If the NVM becomes full, the oldest information will be overwritten by new fault data. The NVM is considered sufficient for a minimum of 16 flight legs. Recurring faults will not be logged again, but the number of occurrences will be recorded.
SFCU Replacement
Single unit replacement: on power-up, the replaced SFCU verifies aircraft serial number stored in NVM with aircraft serial number transmitted over DAU ARINC 429 Data Bus. If numbers do not match, SFCU then queries other SFCU for serial number. If its serial number matches serial number from DAU, the replaced SFCU then requests stored rig information from other SFCU. If the serial number in the other SFCU does not match that of the DAU, unrigged status is then communicated over the SFCU ARINC communications. If both SFCUs have been replaced, the rigging check must be carried out as per the maintenance manual.
Testing
CAIMS can provide real-time status information in health of each LRU, display fault information (there are 52 CAIMS fault messages) and command NVM download.
CAIMS Slat/Flap Rigging
CAIMS can be used to assist in performing rigging tasks of the slats and flaps. Current rig status can be read. The PDU brakes and asymmetry brake can be released, the resolver positions can be read. The system rig reference can be set, thus storing the left and right resolver positions in NVM. Fault status can also be read and latched faults cleared on the clear inhibits page.
05/05/16
System Monitoring
The SFCUs BIT carries out internal and system monitoring. The SFCU provides system protection functions to ensure stable, safe system operation. The SFCU monitors all outputs to other systems, checks them for validity, and annunciates any failed condition.
System Protection Logic (Shutdown)
Protection is provided against overspeed, asymmetric and flap panel skew conditions. The SFCL is monitored for invalid conditions. Uncommanded slat/flap motion will be detected and the PDUs are monitored by overtemperature switches that automatically reset when the temperature decreases. Any detected faults will inhibit the affected system and status information will be displayed on EICAS.
Overspeed Monitor (CAS: FLAP FAIL or SLATS FAIL)
The SFCU will detect overspeed conditions of the slat and flap system during the following conditions:
- Any resolver rate in excess of 24.7 deg/sec
- Any motor speed in excess of 13,941 rpm
Note:
Motor average speed is 11,505 rpm
Upon detection of this fault, the SFCU will de-energize the associated PDU and apply the systems brakes within 0.02 seconds. The unaffected system (slats or flaps) will continue to operate. The overspeed fault can only be cleared through CAIMS.
Asymmetry monitor (CAS: FLAP FAIL or SLATS FAIL)
The SFCU receives rotational information from resolvers located on both the flap and slat outboard actuators. The SFCU shall detect an asymmetric condition for slats if the difference exceeds 2.4 degrees of slat panel movement. An asymmetric detection for flaps due to the change in mechanical gain as the flaps extend is different depending on flap position. It ranges from 0.3 degrees near zero flaps to a maximum of 3.94 degrees of flap panel movement near full flaps. Upon detection of this fault, the SFCU will de-energize the associated PDU and apply the systems brakes within 0.02 seconds. The unaffected system (slats or flaps) will continue to operate. The asymmetric fault can only be cleared through CAIMS.
Flap panel skew monitor (CAS: FLAP FAIL)
The SFCU compares the two flap skew detectors that are associated with each flap panel to detect a failed flap actuator. This comparison will allow a skew detector reading differential of 5% in flight, and 1% on the ground. The error must be present for more than 1 second to be considered. The fault condition is communicated to the other SFCU on the cross channel data bus to coordinate the Flap system shutdown.
Upon detection of this fault, the SFCU will de-energize the associated PDU and apply the systems brakes within 0.02 seconds. The slat system will continue to operate and the flap skew inhibit can only be cleared through CAIMS.
Underspeed monitor (CAS: FLAP FAULT or SLATS FAULT)
The SFCU will detect underspeed conditions of the slat and flap system during the following conditions:
- PDU motor underspeed 2,360 rpm for = 5 seconds
- Drive underspeed 4.2 resolver degrees/sec. for = 5 seconds
Upon detection of this fault, the SFCU will de-energize the associated PDU and apply the systems brakes within 0.02 seconds. The unaffected system (slats or flaps) will continue to operate. The underspeed inhibit is cleared by the SFCU responding to the next valid position command. After three handle reset attempts, the fault will be latched and SFCU will not allow further clearing without CAIMS action.
Invalid selector handle monitor
The SFCU will monitor the selector handle for the following conditions:
- Out of detent for more than five seconds, resulting in no command until lever in valid position
- RVDTs are out of range for more than five seconds, resulting in slats/flaps operating at half speed. (CAS: SLAT-FLAP HALFSPD)
Uncommanded motion (CAS: FLAP FAULT or SLATS FAULT)
Uncommanded motion is defined as any detected movement of the slats or flaps from the commanded position, which is the difference of ±2.44 resolver degrees. By reading the system position every 0.01 seconds, the SFCU considers that any movement over 50 consecutive samples is a fault.
Upon detection of this fault, the SFCU will de-energize the associated PDU and apply the systems brakes within 0.02 seconds. The unaffected system (slats or flaps) will continue to operate. The uncommanded motion inhibit is cleared by the SFCU responding to the next valid position command. After three handle reset attempts, the fault will be latched and SFCU will not allow further clearing without CAIMS action.
Motor overtemperature (CAS: FLAP DRIVE OVHT or SLAT DRIVE OVHT, Plus CAS: SLAT-FLAP HALFSPD)
The SFCU will detect a motor overtemperature when:
- Thermal sensor (> 200 °C) in the motor opens for more than 0.5 seconds
Upon detection of this fault, the SFCU will apply the appropriate PDU motor brake. The other PDU motor can still be commanded by its SFCU but the system will operate at half speed. The SFCU will disable the overheated motor until 100 misc. after the SFCU detects the thermal sensor is inactive (not overtemp) and a new position command is received
SLAT/FLAP Reset in EMS CDU
System faults can be cleared by selecting the Slat/Flap Reset within the SYSTEM CNTL menu of the EMSCDU and then selecting a new handle position. On ground, a cold power-up test will be carried out, and in flight a warm power-up test will be initiated (see BIT function for details on power up tests). Upon the third occurrence of a particular fault, it will be latched; the SFCU will not allow further clearing of inhibits caused by that fault without CAIMS action. Overspeed, asymmetry and flap panel skew faults can only be cleared by CAIMS action and not by the slat/flap reset in the EMSCDU.
BIT Function
The responsibility for the SFCU BIT is shared between the primary and secondary computers. The primary and secondary processors in the SFCU performs the following functions:
- Power-up BIT (cold and warm)
- Continuous BIT
- Fault Isolation
- Fault Storage
- CAIMS Interface (primary processor only)
Cold Power-Up BIT
The Cold Power-Up BIT tests circuits, which may not be tested by continuous test during normal operation. It is carried out if power has been absent for more than 200 ms. or by the EMSCDU slat/flap reset when on ground. This tests the integrity of the SFCUs and interfacing components, the data ports and serial communication, power supplies converters,and RVDT/Resolver inputs. It will also detect opens or shorts to ground or signal return. It ensures the integrity of the motor and drive circuitry and the asymmetry brakes.
The brakes are tested by releasing the asymmetry brake on one side and applying reduced power to the PDU. If the slats/flaps do not move, the brake passes the test. The two sides are tested sequentially; they cannot be tested at the same time. AC power is required and the aircraft must be in a WOW condition for the above dynamic test. In the event of conflict, SFCU 2 has priority. The test will be aborted if the control lever is moved during the power-up test.
Warm Power-Up BIT
A warm start is carried out if the power interrupt is momentary (< 200 ms) or by the EMSCDU slat/ flap reset when in flight. The SFCU reinitializes, clears faults that are not latched and becomes immediately operational.
Continuous Monitoring (BIT)
This test provides fault monitoring and protection to verify operational status during normal operation. The system uses reasonableness checks along with cause and effect relationships to identify faults and the faulty LRU. Faults are stored in the NVM. The internal hardware of the SFCU is monitored for DC power supply and interruption, microprocessor, and overtemperature. The fan speed on the mounting tray is also monitored.
The SFCUs also monitor their interfaces with other aircraft systems: ARINC data, analog position outputs, discrete inputs and outputs, and ARINC inputs. Interfaces are also monitored between the SFCUs and other SFCS components: cross channel monitor, transducer interface monitor, brake drive monitor, and motor drive monitor. These faults will not inhibit the affected system but will be communicated on EICAS if sustained for more than 10 consecutive samples.
09/28/20
Component Location Index
| Component Location Index | |||
|---|---|---|---|
| IDENT | DESCRIPTION | LOCATION | IPC REF |
| - | SLAT/FLAP SELECTOR HANDLE | ZONE(S) 222 | 27-51-01 [ GX ] [ GXRS ] [ G5000 ] |
| MT79 | SLAT/FLAP SELECTOR HANDLE | ZONE(S) 222 | 27-51-01 [ GX ] [ GXRS ] [ G5000 ] |
| A124/A95 | SLAT/FLAP CONTROL UNIT (SFCU) | ZONE(S) 141/142 | 27-51-05 [ GX ] [ GXRS ] [ G5000 ] |








