05/04/16
Overview
The horizontal stabilizer supplies pitch trim to the aircraft. The aircraft is trimmed along the pitch axis by moving the leading edge of the horizontal stabilizer up or down. This alters the horizontal stabilizer angle of attack. The total stabilizer movement is 14 degrees (-12 degrees Nose Up to +2 degrees Nose Down). Pilot controls include trim switches and a trim panel. A position transducer installed on the pitch trim actuator gives the position of the horizontal stabilizer.
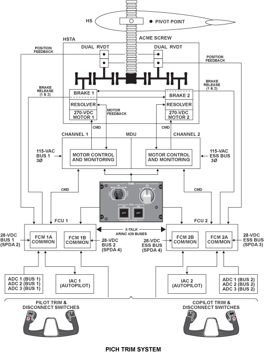
The pitch trim function is controlled by the horizontal stabilizer which causes a pitching movement of the aircraft. The system includes two Flight control units (FCU), a dual-channel pitch trim motor-drive unit (MDU), and a dual-channel (Horizontal Stabilizer) pitch-trim actuator (HSTA).
The horizontal stabilizer includes four modes of operation:
- Manual Pitch Trim
- Mach Trim
- Flap Trim
- Automatic Pitch Trim
For manual trim control, the FCU receives inputs from the pilot or copilot pitch trim switches on the control wheels. The trim rate is in relation to Mach. For the Mach and flap trim functions, the FCU receives the Mach indication from the three air data computers and the flap position from one slat/flap control unit (SFCU).
When automatic flight is engaged, the horizontal stabilizer trim is controlled by the automatic flight control system (AFCS). There are three integrated avionics computers (IAC), two of which control the autopilot function. The automatic pitch trim is controlled by the interface between each of these two IACs and one of the FCUs. The master disconnect switch, installed on the control wheels, causes pitch trim operation to stop while the switch is pushed.
Horizontal Stabilizer Trim (HST) System
The HST system, which consists mainly of a motor drive unit (MDU) and the horizontal stabilizer trim actuator (HSTA), are controlled and monitored by the FCU.
The HST system has inputs from the integrated avionics computer (IACs) which are used for pitch trim in auto flight. Pilot and copilot pitch trim switches input manual nose up or down commands from the flight crew. A Stabilizer Trim Off/Reset switch disables/enables the FCU to operate the trim system. Master disconnect switches allow the temporary disabling of the autopilot, pitch trim and stall stick pusher.
Note:
This pusher disconnect feature has been removed on all JAA-certified airplanes by service bulletin SB 700-27-025. On these aircraft, the stall stick pusher function is disabled by moving one of the Stick Pusher ON/OFF switches to the OFF position.
The MDU receives commands from the FCUs and electrically drives the HSTA. The MDU has continuous self-monitoring and reports faults to the FCU. The FCU can reset latched faults. Environmental faults (overheat, line voltage changes) clear automatically on return to normal. The FCU can command Internal BIT in the MDU.
The HSTA receives a brake release command from the FCU before the actuator is powered. The FCU monitors motor velocity and current signals to determine proper operation. Two dual channel Rotary Variable Differential Transformers (RVDT) on the actuator receive excitation from and provides position information to the FCU.
08/30/21
Pitch Trim System
- Trim Switches
- Flight Control Unit
- Motor Drive Unit (MDU)
- Horizontal Stabilizer Trim Actuator (HSTA)
- Pitch Trim Actuator
- Pitch Trim Actuator Position Transducers
- Pitch Trim Actuator Motor
- Horizontal Stabilizer Surface
The pitch trim system changes the angle of attack of the horizontal stabilizer for nose-up/nose-down control of the aircraft. The pitch trim system includes two flight control units installed in the avionics compartment, a dual-channel motor-drive unit in the aft equipment compartment and a dual-channel horizontal-stabilizer (pitch) trim actuator in the vertical stabilizer. The pilots control the trim system through switches on the control wheel and a trim panel in the aft section of the center pedestal.
Trim Switches
One pitch trim switch is installed on each control wheel (pilot and copilot). Dual manual pitch trim switches are installed on the outboard side of each control wheel. The two momentary switches must be operated together to trim the aircraft nose up (NU) or nose down (ND). The FCUs will ignore inputs from a single switch.Each switch has two contacts, one for each FCU. The pilot's trim switches have priority over the copilot's. Each trim switch is divided into two parts, one connected to the control bus of the FCU and the other to the monitor bus. The two parts of the switches must be operated together. If not, the input is not accepted by the FCU.
A master disconnect switch is located on the outboard side of each control wheel. Pressing this momentary switch removes a ground, disconnecting the autopilot and inhibiting the pitch trim and stick pusher operations.
Note:
This pusher disconnect feature using the Master Disconnect Switches is removed on all JAA-certified airplanes by service bulletin SB 700-27-025. On these aircraft the stall pusher function is disabled by moving one of the Stick Pusher ON/OFF switches to the OFF position on the STALL control panel.
All pitch trim operations cease while the master disconnect switch is held. In the event of a system failure, the pilot would press and hold the master disconnect switch, then disable the affected function through the STAB trim disconnect PBA on the trims control panel before releasing the master disconnect switch. These switches are tested by the pilots before flight.
The trims control panel on the center pedestal has two switches for stabilizer trim channel control. There is one STAB PUSH OFF/RESET PBA for each channel. Pressing in the PBA illuminates the white OFF legend. It also disengages the affected channel by deenergizing a MDU internal relay to disconnect the motor. The switch also allows the FCU to reset faults detected by the FCU or MDU and reengage the channel if the fault no longer exists.
Flight Control Units
There are two identical FCUs, each containing two flight control modules, FCM 1 & FCM 2. With two FCUs, there are four channels of redundancy for control. Each FCM has a different DC power input source (SPDAs 2, 3, 4), any one of which can supply the circuit. A HST channel consists of one FCU, one channel of the MDU, one of the two HSTAs motors and RVDTs. When engaged, a channel can be active or on standby. Only one channel is active at a time, the other is on standby.
The FCMs automatically control the active/standby management. In the manual trim mode, the FCUs receive commands from the pilot or copilot trim switches. On power-up, the control logic in FCU 1 becomes true one second before FCU 2, allowing FCU 1 a chance to engage first. Similarly, the logic for the FCM A becomes true two seconds before FCM B, giving priority to FCM A.
The manual pitch trim engagement sequence is:
- FCM 1A, if not valid, after 1 sec
- FCM 2A, if not valid, after 1 sec
- FCM 1B, if not valid, after 1 sec
- FCM 2B, if not valid – Failure of pitch trim to engage
Each FCU interfaces with one IAC, providing the autopilot function. When an autopilot is engaged, the corresponding FCU and associated MDU/HSTA are automatically selected. Logic circuits determine which autopilot is engaged in an alternating pattern. The sequence will start with the auto selection of Autopilot 1 or 2 and continue through, if necessary, the four FCMs.
A sample automatic Pitch Trim engagement sequence is:
- AUTOPILOT 1 (IAC 1) takes control, within 60 ms
- FCM 1A (MDU/HSTA CH 1) is on, if not valid, after 1 sec
- FCM 1B (MDU/HSTA CH 1) is on, if not valid, after 2.5 sec
- AUTOPILOT 2 (IAC 2) takes over, within 60 ms
- FCM 2A (MDU/HSTA CH 2) is on, if not valid, after 1 sec
- FCM 2B (MDU/HSTA CH 2) is on, if not valid, after 2.5 sec
- Loss of HST function after fourth FCM invalid
When engaged, the autopilot controls and monitors the HST position. The FCU receives velocity commands and passes the commands to the MDU. The FCU is responsible for controlling the brakes and the MDU. The FCU also warns the autopilot when the trim is activated manually. This allows the manual trim to have priority.
Motor Drive Unit (MDU)
The MDU is located below the floor in the baggage compartment area. The MDU receives commands from the FCUs and electrically drives the HSTA. Each motor of the HSTA is energized from one channel of the dual channel MDU. Each MDU channel is identical and housed within a single line replaceable unit. Only one MDU channel will provide power at any time in an active/standby configuration. The MDU accepts motor speed commands from the FCUs, powers the actuator, monitors the speed, and performs its own internal tests. The MDU converts 115 VAC 3-phase aircraft power to 270 VDC (pulse wave modulated) to drive the actuator motor. The MDU sends differential analog signals to the FCU which monitorsthe current and speed of the motor at the system level.
Position loop control of the horizontal stabilizer is done in the active FCU. From this outer loop control, the FCU sends a signal to the MDU to control the speed of the motor. This signal is a current signal that is in relation to the input signal.
The MDU sends differential analog signals to the FCU which monitors the current and speed of the motor at the system level.
The speed of the actuator motor is determined strength of the command voltage sent by the FCU (0-7 volts DC) to the MDU. The direction of the actuator motor is determined by the polarity of command voltage (±) sent by the FCU to MDU. Aircraft nose down are negative voltages, aircraft nose up are positive voltages.
The two channels of the MDU receive power from different sources. Channel 1 receives power from AC bus 1 and channel 2 is powered from the AC ESS bus. Each MDU channel has an internal relay, which controls the power to the motor. The relay operation can be interrupted automatically by the FCU or manually pushing the STAB OFF/RESET PBA.
Horizontal Stabilizer Trim Actuator (HSTA)
The trim actuator gives position, speed control and structural support of the trimmable horizontal-stabilizer surface. The HSTA is an electromechanical unit. It positions the horizontal surface in response to electrical signals from the MDU. The actuator contains the following components:
- Two permanent magnet, torque summed, brushless 270 VDC motor/brake/resolver sensor packages
- Speed reducing gearbox with dual channel RVDTs and torque limiting slip clutch
- Linear ACME screw with dual load path structural mounts and internal tie rod
A dual motor horizontal stabilizer trim actuator (HSTA) is mounted at the top of the vertical stabilizer near its leading edge, with its other end connected to the horizontal stabilizer front spar. The jackscrew actuator is driven by a dual-channel motor drive unit (MDU) receiving commands from the flight control units.
A dual-channel electromagnetic brake and one resolver sensor are incorporated in each motor. The brakes are commanded through solenoids to provide an additional no-back of the HSTA. The ACME screw is designed to be inherently irreversible because of its low forward efficiency. The brakes, which are released when energized, are operated in an active/standby configuration by the two FCMs. Each brake release is commanded by 28 VDC voltage that energizes one of the two solenoids contained in a brake. The two brakes (motor 1 and motor 2) must be operated simultaneously by the active FCM.
The slip clutch is designed to absorb the high rotating energy from the motors in the event of a jam or a stop impact and prevent damage to the primary load structure. The motors are connected in a torque sum configuration but only one motor at a time drives the dual load path ACME screw that moves the stabilizer. A resolver mounted on each motor interfaces with its own MDU channel to provide motor feedback information.
Three ways to activate the HSTA:
- Manual trim is available to the pilots through operation of switches on the control wheels
- Automatic trim mode is activated through inputs to the FCUs from the autopilot system
- Mach trim is processed by the FCUs in response to Mach inputs from the air data computers
Pitch Trim Actuator
The trim actuator has the components that follow:
- Two brushless-motor/brake/resolver sensor packages
- Gearbox with a dual-channel rotary variable differential transformer (RVDT)
- Clutch that limits torque
- Linear ACME screw
The gearbox has a set of gears that reduce speed, a slip clutch that limits torque, and a dual-channel RVDT for each side of the motor. The slip clutch absorbs the energy from the motors to prevent damage to the aircraft structure (if the actuator is caught or cannot move freely).
Pitch-Trim Actuator Position-Transducers
Two dual-channel RVDTs are installed on the gearbox to send surface-position feedback to the FCUs. To increase safety, each FCU reads one RVDT installed on each gear train. One RVDT is compared to the other to show if the RVDT input shaft is mechanically disconnected.
Pitch Trim Actuator-Motor
The motor operates in active/standby mode. Each motor assembly includes a motor, a dual-channel electromagnetic brake, and a resolver sensor.
Horizontal Stabilizer Surface
The horizontal stabilizer surface is a one piece sweepback unit mounted at the top of the vertical stabilizer. The horizontal stabilizer assembly includes spars and chordwise ribs covered by spanwise stiffened skin panels. It includes pivot and actuation mounting fittings for incidence adjustments, hinges for elevators, and it can seal its interface with the vertical stabilizer.
08/30/21
System Operation
The HST system is always active unless selected off by the use of the STAB TRIM PBAs, or by the FCM as a result of a detected failure or the momentary master disconnect switch being pressed.
The system provides dual channel capability where either channel can provide full performance. Each channel consists of one FCU to provide control and actuation, one channel of the MDU and one channel of the HSTA. There is no cross-control between the FCUs: FCU 1 drives MDU 1 and HSTA 1. FCU 2 drives MDU 2 and HSTA 2. In all modes, speed control and overall monitoring is provided by the active FCU.
When trim is required, the FCU sends a brake release signal to the actuator and monitors the position from the RVDT. The MDU supplies power to the windings of the motor and monitors resolver output. When the command is completed (RVDT feedback), the FCU removes the brake signal, de-energizing the solenoids and applying the brakes to prevent creeping of the horizontal stabilizer.
Modes of Operation
The pitch trim operating priorities are shown in the table below:
Stab Trim Control Operating Priorities
| PRIORITY | MODE |
|---|---|
| 1 | MANUAL TRIM COMMAND – PILOT SWITCHES |
| 2 |
MANUAL TRIM COMMAND – COPILOT SWITCHES |
| 3 | AUTOMATIC TRIM – AUTOPILOT (A/P 1 or 2) |
| 4 | MACH TRIM – AVAILABLE ONLY IF A/P OFF |
Manual Pitch Trim
The trim is commanded through the pilot or copilot trim switches which input the FCUs. The system processes the command with trim rates being dependent upon Mach. The trim speed range in Manual is 0.5 to 0.3 degrees/second as Mach increases.
The pilot's trim switches have priority over the copilot's. When the trim switches on the control wheel are activated, an input is provided to the FCU. The active FCM sends a signal to the HSTA to release the brakes and an enable signal to turn on the MDU. The MDU provides the HSTA with a DC signal to drive the actuator motor. The rate of trim will vary with the Mach. As the actuator moves, the stabilizer velocity and position feedback signals are generated from the HSTA. When the trim switches are released, the FCM signals the MDU to remove power from the HSTA and takes power from the brake circuits to engage the brakes.
The FCMs automatically control the active/standby management. In the manual trim mode, the FCUs receive commands from the pilot or copilot trim switches. On power-up, the control logic in FCU 1 becomes true one second before FCU 2, allowing FCU 1 a chance to engage first. Similarly, the logic for the FCM A becomes true two seconds before FCM B, giving priority to FCM A.
The manual pitch trim engagement sequence is as follows:
Manual Pitch Trim Engagement
| CONTROLLER | ENGAGEMENT LOGIC |
|---|---|
| FCM 1A | if not valid, after 1 sec |
| FCM 2A | if not valid, after 1 sec |
| FCM 1B | if not valid, after 1 sec |
| FCM 2B | if not valid – failure of pitch trim to engage |
Automatic Trim
Trim is provided when the autopilot is engaged. The autopilot provides trim commands to the FCUs. In the auto mode, the Mach trim inputs are inhibited. The trim rate in auto is from 0.015/ second to 0.5/second. The autopilot trim command is the result of a continued elevator autopilot servo input. As the HSTA corrects the trim, the elevator servos will return to the null position.
Two of the three integrated avionics computers (IACs) provide the autopilot function. Each of these two IACs interfaces one FCU to perform the automatic pitch trim. In the FCU the two FCMs operate in active/standby in a manner transparent to the autopilot or the pilots. The FCU recognizes an autopilot input when the analog AP pitch trim rate command is within the operating range and accompanying the AP pitch trim active discrete signal. The active FCU transfers the command to the MDU.
Whenever a manual trim is commanded, the FCUs set the manual trim active discrete to override the autopilot input. Pitch trim valid and manual trim active discretes from the FCUs are sent to the DAUs over ARINC 429 to allow the IACs additional monitoring.
Each FCU interfaces with one IAC, providing the autopilot function. When an autopilot is engaged, the corresponding FCU and associated MDU/ HSTA are automatically selected. Logic circuits determine which autopilot is engaged in an alternating pattern. The sequence will start with the auto selection of autopilot 1 or 2 and continue through, if necessary, the four FCMs.
A sample automatic pitch trim engagement sequence is as follows:
Automatic Pitch Trim Engagement
| CONTROLLER | ENGAGEMENT LOGIC |
|---|---|
| AUTOPILOT 1 (IAC 1) | takes control, within 60 ms |
| FCM 1A (MDU/HSTA CH 1) | is on, if not valid, after 1 sec |
| FCM 1B (MDU/HSTA CH 1) | is on, if not valid, after 2.5 sec |
| AUTOPILOT 2 (IAC 2) | takes over, within 60 ms |
| FCM 2A (MDU/HSTA CH 2) | is on, if not valid, after 1 sec |
| FCM 2B (MDU/HSTA CH 2) | is on, if not valid, after 2.5 sec |
| Loss of HST function after fourth FCM invalid | |
When engaged, the autopilot controls and monitors the HST position. The FCU receives velocity commands and passes the commands to the MDU. The FCU is responsible for controlling the brakes and the MDU. The FCU also warns the autopilot when the trim is activated manually. This allows the manual trim to have priority.
Mach Trim
Trim provides automatic compensation for nose down pitching in response to increasing Mach. Information from the three air data computers is provided to the FCUs which computes trim change commands. FCU control is similar to the manual operation. Mach Trim mode can provide a limited amount of nose up trim, in relation to the last manual pitch trim position. This authority ranges from 0.46 degrees nose up at 0.83 Mach to 2.0 degrees nose up at 0.935 Mach.
The rate of trim also varies with Mach, from 0.06 to 0.03 degrees/second as Mach increases. Note this mode is only active when the autopilot is not engaged in manual pitch trim modes.
System Function
The MDU internal relay is activated by the engaged FCM, which connects the MDU to the motor. Once a command is generated, the brakes are energized to release, and in order to command HST motion, the active FCM sends an enable command to the MDU. The FCM then sends a positive or negative command voltage signal (direction). The MDU receives (speed/direction) inputs from FCM, rectifies the aircraft AC power to DC, and drives the motor. Feedback signals are sent to the FCM. When a command is completed, the FCM applies the brakes to hold the actuator and prevent creeping from aerodynamic loads.
HSTA Motor Operating Table
| FCU OUTPUT TO MDU | HSTA MOTOR RPM | HST RATE |
|---|---|---|
| + 1.180 VDC | 360 CCW | 0.015 degrees/sec A/C NU |
| + 7.0 VDC | 12000 CCW | 0.5 degrees/sec A/C NU |
| − 1.180 VDC | 360 CW | 0.015 degrees/sec A/C ND |
| − 7.0 VDC | 12000 CW | 0.5 degrees/sec A/C ND |
HST Trim Rates Table
| MANUAL TRIM | AUTOPILOT | MACH TRIM |
|---|---|---|
| 0.5 degrees/sec to 0.3 degrees/sec as mach increases | 0.015 degrees/sec to 0.5 degrees/sec | 0.06 degrees/sec to 0.03 degrees/sec. as mach increases |
The FCM monitors the actual position of the HSTA to a predetermined UP or DOWN limit, to prevent an overtravel command from the pilot or autopilot. The MDU can reverse direction of the HSTA in 0.5 sec. by the use of dynamic motor braking.
The active FCM will control the MDU and the HSTA through the joint efforts of its command and monitor lanes. Upon detection of a failure, the FCM will disengage (open MDU relay), and the system will reconfigure to the next standby FCM.
Stab in Motion Aural Clacker
The FCUs broadcast stab in motion data to the IACs for generation of the aural tones.
The aural clacker will sound if the HST velocity is:
- > 0.2 degrees/second for more than 3 seconds or
- > 0.08 degrees/second for more than 6 seconds
System Indications
EICAS Primary Display
The lower right quarter of the EICAS primary display includes the flight control indication. A vertical scale with a combination digital readout and a pointer are used to display HST position. The scale has a NU (nose up) and a ND (nose down) legend at the extremes of the scale and a STAB legend below the scale. The scale has long increment marks at the top and bottom (0 and 14 units) and short marks at 3.5, 7, and 10.5 unit positions. The legends and scale are white with a green band that indicates the takeoff range. The pointer and digital readout are green when WOW, in the takeoff range (4.5 to 11 units) and white when out of the takeoff range. The pointer is green when in flight. These indications will be replaced with an amber X when the position data is invalid.













