Overview
The hydraulic fluid heating system supplies hydraulic fluid flow to the secondary, AC motor-driven pumps (ACMP) 1B, 2B, and 3B. This fluid flow is necessary when the pumps are not in operation. The fluid flow keeps the systems warm which prevent problems when the pumps must start.
The hydraulic fluid heating system is used to prevent hydraulic fluid cavitation in the secondary ACMPs. Cavitation occurs when a pump is comes ON after a long period of no use at high altitudes. The cold air at high altitude causes the hydraulic fluid to become thick and will not flow easily through the ACMP, or the pipes. To prevent this condition, a restrictor check valve is installed in each of the secondary ACMPs. During hydraulic system operation, the primary hydraulic pump sends pressure through these restrictor check valves. The fluid flow through the restrictor check valve to the secondary ACMPs, help reduce the bad effects of cold hydraulic fluid on the ACMP.
No. 1 and No. 2 Hydraulic System Restrictor Check Valves
The restrictor check valve is a one-way check valve that has an opening which lets only a small quantity of fluid through. Fluid flow and pressure is supplied by the primary pump in the hydraulic system, with no important decrease in pressure through the hydraulic system. For the No. 1 hydraulic system, EDP 1A is the primary pump and ACMP 1B is the secondary pump. The restrictor check valve is installed on the bottom of ACMP 1B.
For the No. 2 hydraulic system, EDP 2A is the primary pump and ACMP 2B is the secondary pump. The restrictor check valve is installed on the bottom of ACMP 2B.
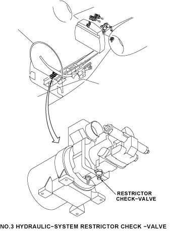
No. 3 Hydraulic System Restrictor Check Valve
The restrictor check valve is a one-way check valve that has an opening which lets only a small quantity of fluid through. Fluid flow and pressure is supplied by the primary pump in the hydraulic system, with no important decrease in pressure through the hydraulic system. For the No. 3 hydraulic system, ACMP 3A is the primary pump and ACMP 3B is the secondary pump. The restrictor check valve is installed on the bottom of ACMP 3B.
Ram Air Turbine (RAT) Hydraulic Pump Restrictor Check Valve
The restrictor check valve is a one-way check valve that has an opening which lets only a small quantity of fluid through. Fluid flow and pressure is supplied by the primary pump in the hydraulic system, with no important decrease in pressure through the hydraulic system. For the RAT, the restrictor check valve is installed in the valve manifold.
10/08/20
Component Location Index
| Component Location Index | |||
|---|---|---|---|
| IDENT | DESCRIPTION | LOCATION | IPC REF |
| - | RAM AIR TURBINE (RAT) HYDRAULIC-PUMP RESTRICTOR CHECK-VALVE | ZONE(S) 171 | 29-14-00 [ GX ] [ GXRS ] [ G5000 ] |
| - | NO. 1 HYDRAULIC-SYSTEM RESTICTOR CHECK VALVE | ZONE(S) 311 | 29-14-01 [ GX ] [ GXRS ] [ G5000 ] |
| - | NO. 2 HYDRAULIC-SYSTEM RESTICTOR CHECK VALVE | ZONE(S) 311 | 29-14-01 [ GX ] [ GXRS ] [ G5000 ] |
| - | NO. 3 HYDRAULIC-SYSTEM RESTICTOR CHECK VALVE | ZONE(S) 171 | 29-14-05 [ GX ] [ GXRS ] [ G5000 ] |



