Overview
The air data probes and sensors heating system consists of pitot-static probe heaters, total air temperature (TAT) sensor heaters, angle-of-attack (AOA) sensor heaters, yaw damper (YD) actuator heaters and heater/brake temperature monitoring units (HBMU).
The air data probes and sensors heating system prevents ice accumulation on the air data probes and sensors.
Anti-icing for the air data probes and sensors is accomplished by electronically controlling current flow to heating elements in the probes/sensors. The system is controlled automatically by the HBMUs.
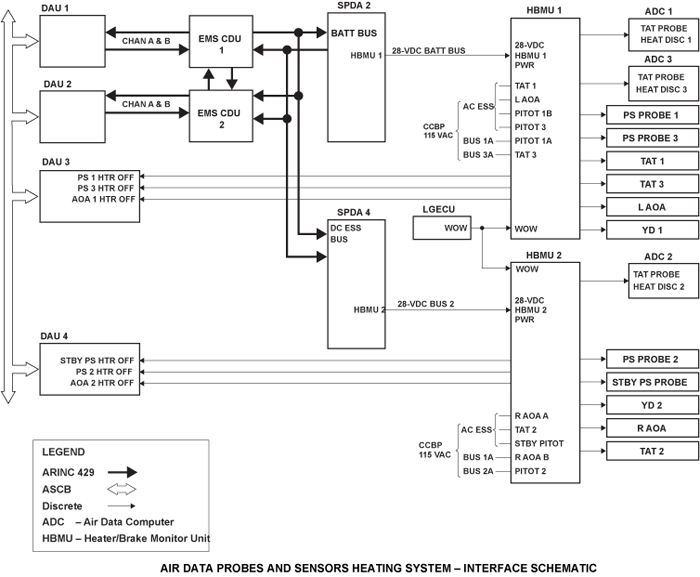
The two heater/brake temperature monitoring units (HBMUs), located in the main avionics compartment, monitor current flow and control the power to the heaters. The HBMUs also control the heating of the yaw damper actuators and monitor the brake temperatures. The status of each heater and brake temperatures is provided to the EICAS.
05/16/16
Heater/Brake Temperature Monitoring Unit (HBMU)
There are two heater/brake-temperature monitoring units (HBMUs) in the air-data probes and sensors anti-ice system.
The No. 1 HBMU is installed on the left side of the main avionics compartment at FS418.00 for Global Express/XRS and at FS385.00+32.00 for Global 5000. The No. 2 HBMU is installed on the right side of the main avionics compartment at FS340.00 for Global Express/XRS and at FS500.00 for Global 5000.
The HBMUs control and monitor the electrical current supplied to the heaters of the probes and sensors. The HBMUs also monitor and supply data on brake temperature for the brakes of the main landing gear.
The HBMU receives data from various airplane systems via the data acquisition units (DAUs) to control the heaters. The systems that send data to the DAUs are:
- Electronic Engine Controllers (EEC) for the “all heaters off logic and for TAT probe on/off logic”
- Fault Warning Computer (FWC) regarding which ADC is selected for cockpit display
- Automatic Flight Control System (AFCS) regarding which yaw damper is in use for YD heater control logic
- Air data computers (ADCs) provide TAT information to control heat to the yaw dampers and airspeed information for all heaters off logic
- Electrical load management system (EMS)provides bus status and ADG information for heater control logic
- Landing gear electronic control units(LGECUs) provide weight on wheels (WOW)for all heaters off logic and for TAT probe on/off logic
Pitot and Static Probe Heaters
There are four pitot-static probes. They are installed on the fuselage. Two are on the left side and two are on the right side. There is a heater installed in the head and bottom of each pitot-static probe. The heater does not let ice collect at this area.
HBMU 1 controls the heater of the left side top and bottom pitot-static probes. HBMU 2 controls the heater of the right side top and bottom pitot-static probes.
The left and right side bottom pitot-static probes are located at FS209.00 for Global Express/XRS and at FS209.00+32.00 for Global 5000. The left and right side top pitot-static probes are located at FS216.00 for Global Express/XRS and at FS216.00+32.00 for Global 5000.
Total Air Temperature (TAT) Sensor Heater
There are three total air temperature (TAT) sensors. Each sensor has a single heater. TAT 1 probe is inside the left engine nacelle at FS975.00 just in front of the engine fan. TAT 2 probe is located inside the right engine. TAT 3 probe is located on the right side of the fuselage at FS298.00.
HBMU 1 controls TAT 1 and TAT 3 sensor heaters. HBMU 2 controls TAT 2 sensor heater.
05/16/16
Angle of Attack (AOA) Sensor Heaters
There are two angle of attack (AOA) sensors, one on each side of the fuselage. Both AOA sensors contain separate vane and case heaters.
HBMU 1 controls the left side AOA sensor heater,and HBMU 2 controls the right side AOA sensor heater. The left and the right side AOA sensors are found at FS197.96 for Global Express/XRS and at FS197.96+32.00 for Global 5000.
Yaw Damper Heaters
There are two yaw damper heaters, one for yaw damper No. 1, and one for yaw damper No. 2. The heater for yaw damper No. 1 is located on the left side of the vertical stabilizer at FS1050.00. The heater for yaw damper No. 2 is located on the right side of the vertical stabilizer at the same location.
HBMU 1 controls the heater of yaw damper 1. HBMU 2 controls the heater of yaw damper 2.
System Operation
The HBMU receives data from various airplane systems via the data acquisition units (DAU) to control the heaters.
Caution:
Unless the individual circuit breakers on the cockpit circuit breaker panel are pulled, air data probe heaters will be turned on in the following circumstances:
- When the aircraft is jacked (weight off wheels)
- Airspeed > 50 knots is simulated
- Either engine is started
- The HBMU electronics are unpowered
- The HBMU DC circuit breakers (EMS CDU) are pulled
- Failure of ARINC 429 receive bus or if the ARINC data is more than 2 seconds old
- During engine EEC download or EEC powered off (EMS CDU)
These features are designed for maximum in-flight safety which overrides on-ground safety.
All pitot/static probes heating elements are controlled by the HBMU. The heating elements of probes No. 1 and No. 3 are controlled by HBMU 1. The heating elements of probe No. 2 and the standby probe are controlled by HBMU 2.
The HBMUs use 28 VDC power and have two connectors: one for the AC heater power signals, the other for DC power, ARINC signals, brake temperature sensor signals, and discrete inputs and outputs.
The HBMUs are microcontroller based, performing heater monitor and control functions, brake temperature measurement functions, and also central aircraft information and maintenance system (CAIMS) functions.
The HBMUs control and monitor the power to the pitot/static probes (4), angle of attack vanes (2), total air temperature probes (3), and yaw damper actuator heaters (2), brake temperature monitoring system (BTMS), and communicate heater status to the aircraft via the data acquisition units (DAU) which transfer the information to other systems and EICAS.
The pitot/static probes and AOA vanes contain dual heaters; both of the heaters in each pitot/static probe and AOA vane are controlled and monitored by the HBMU.
The heater control functions of the HBMU utilize data from other aircraft systems to turn the individual heaters on or off.
The control function turns off all heaters when both engines are not running and the air speed is less than 50 knots, and the weight-on-wheels signal is active. Loss or invalidity of any one of these signals will turn the air data heaters on as long as the power buses are powered.
This "all heaters off" logic overrides the heater on/off logic equations as shown below. If the data used to evaluate each heater's on/off logic is invalid, the applicable heaters are controlled to their default On/Off states. If the HBMU loses power, or if the HBMU's watchdog timer detects a software error, all heaters are controlled to their default states as well.
The heaters are driven to the indicated ON/OFF states below based on the logic as follows:
- AOA 1 heater off = AC ESS bus unpowered AND WOW on
- AOA 2 heater off = AC ESS bus unpowered AND AC bus 1 unpowered AND WOW on
- PS 1 heater off = ARINC data valid AND AC ESS bus unpowered AND AC bus 1 unpowered
- PS 2 heater off logic = AC bus 2 unpowered
- PS 3 heater off = AC ESS bus unpowered AND ARINC data valid
- PS STBY heater off = AC ESS bus unpowered
- TAT 1 heater off = WOW on AND left engine off
- TAT 2 heater off = WOW on AND right engine off
- TAT 3 heater off = WOW on OR AC bus 3 unpowered
- Yaw damper 1 heater on = TAT < – 40 ˚C AND yaw damper 1 not engaged
- Yaw damper 2 heater on = TAT < – 40 ˚C AND yaw damper 2 not engaged
The all heaters off control function turns OFF all heaters and overrides the above heater on/off logic equations when:
- L and R engines are not running; and
- WOW; and
- Airspeed less than 50 knots
System Monitoring
Power On Built-In-Test (PBIT)
Power On built-in-tests (PBITs) are performed automatically on power-up. The HBMU has the ability to test each heater current monitor channel.
Continuous Monitoring
During continuous built-in-test (CBIT) heater current for each channel is monitored by the HBMU which processes this information and indicates heater failures over the ARINC 429 bus. If heater current (either heater in a dual heater sensor) falls below the heater fail threshold while the heater is controlled ON, the channel is flagged as faulty.
System Test
Initiated BIT
The air data sensor heaters can be tested via CAIMS while parking brake is set and both engines are off. If the system passes the test, a “Test Results: Pass” message will be displayed (on the PMAT). If a failure occurs, the appropriate CAIMS report will be generated, and for certain failure conditions, a CAS message will also be generated. The CAIMS report will identify the failed unit. During this test the AOA probes will be heated for no longer than 10 seconds, and YD for 1 second.
CAIMS Raw Data
The air data sensors heating system data is displayed in the “System Diagnostics/LRU Test” pages on the CAIMS PMAT.
The brake temp status and the heater status pages provide system data. The data is real time, meaning that it will display current operating parameters.This data is presented in user-friendly terms, such as temperature in °C, and fault status, rather than digital codes. Air data sensors heating system related information is displayed including:
- Heater Status for all heaters (On / Off / Fail)
- WOW Status
- HBMU Status (Fail / No Fail)










