04/05/22
Overview
Note:
The Crew Force Measurement System is applicable on A/C 9119 and Subs Post SB 700-31-020 for Global Express, or on A/C 9127 and Subs Post SB 700-1A11-31-001 for Global 5000, or on Global XRS.
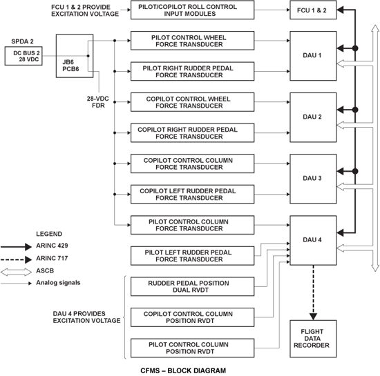
The crew force measurement system (CFMS) measures the control input forces for the elevator, rudder, and aileron control systems. The CFMS implements these flight control inputs that are fed to the FDR.
The CFMS has force transducer units that supply the cockpit flight control input force data for the columns, pedals, and the control wheels. The CFMS connects with the data acquisition system and the flight data recording system. The DAUs receive and process the FTU raw data, and the FDR records the flight control input forces at the appropriate resolution.
G5, XRS and on A/C 9003, 9090 to 9158 and Post SB 700-31-014 for GX:
There are two control column rotary-variable differential-transducer (RVDT) installed, one on the pilot's control column and one on the co-pilot's control column. The flight data recorder (FDR) system receives data for the position of the control column from the rotary-variable differential-transducer (RVDT).
04/05/22
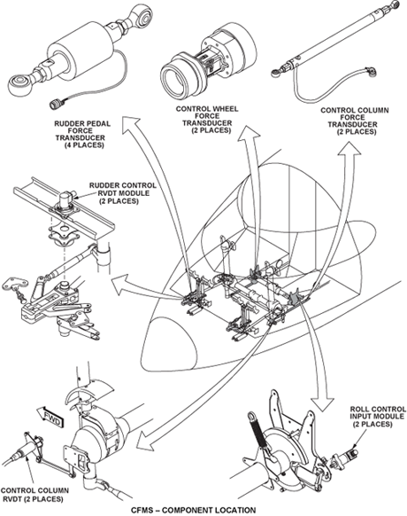
Control Column Force Transducer
The control column force transducer replaces the elevator control rods attached to the control column and operates in both tension and compression. The control column force transducer force gain value is calculated by the control column rotation and the control column mechanical advantage. The elevator gain may be calculated by a linear function, described by y = 2.922 - 0.0053 *(x), where x is the column position in degrees.
G5, XRS and on A/C 9003, 9090 to 9158 and Post SB 700-31-014 for GX:
Each control column has a rotary-variable-differential-transducer (RVDT). The RVDT supplies control column position to the flight data recorder (FDR) through DAU No. 2. DAU No. 2 supplies excitation to the RVDT and receives position information from the RVDT.
GX:
G5 and XRS:
05/19/16
Rudder Pedal Force Transducer
The rudder pedal force transducer replaces the rudder system control rods attached to the rudder pedals and operates in compression only. The rudder pedal force transducer force gain value is calculated by the rudder pedal rotation angle and the mechanical advantage of the pedal arms. The rudder pedal position is measured at the rudder pivot, which is connected to the rudder pedal arms by the FTUs. The rudder gain may be calculated as a constant value of 2.4473 that represents the average gain.
Control Wheel Force Transducer
The control wheel force transducer connects with input and output quadrants on the forward aileron torque tube and measures torque directly. The control wheel force transducer force gain value is calculated by the ration of diameters of the handwheel/upper pulley and the lower torque tube pulleys. Gearing ratio is constant and has a value of 1.98. The FDR data is divided by this factor to determine the torque applied to the pilot or copilot handwheel.
09/09/20
Component Location Index
| Component Location Index | |||
|---|---|---|---|
| IDENT | DESCRIPTION | LOCATION | IPC REF |
| A255/A256 | CONTROL COLUMN FORCE-TRANSDUCER | ZONE(S) 221/222 | 31-32-01 [ GX ] [ GXRS ] [ G5000 ] |
| A257/A258/A259/A260 | RUDDER PEDAL FORCE-TRANSDUCER | ZONE(S) 221/222 | 31-32-05 [ GX ] [ GXRS ] [ G5000 ] |
| A253/A254 | CONTROL WHEEL FORCE-TRANSDUCER | ZONE(S) 221/222 | 31-32-09 [ GX ] [ GXRS ] [ G5000 ] |






