Overview
The landing gear manual release system provides an alternative means of lowering the landing gear in the event of a malfunction in the landing gear control system, or hydraulic system No. 3 not being available.
The landing manual release system consists of the handle assembly, the main and nose gear and door quadrant assemblies and valves.
The system is activated through a single handle located on the center pedestal in the flight compartment. Operating the release system causes the hydraulic system No. 3 pressure to be dumped from the normal landing gear hydraulic circuit, and mechanically releases all of the door and gear uplocks, allowing the three gear assemblies to free fall.
The main gear retraction actuators will still be powered to extend by hydraulic system No. 2, if available.
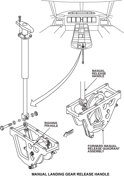
Handle Assembly
The handle assembly is located on the aft portion of the center pedestal and has the white inscription LG PULL.
In the center top is a pushbutton, with the white inscription PUSH FULLY TO STOW. Should the operator's hand slip while pulling the handle, it will not restow because of the ratchet mechanism. Full system activation occurs after the handle is moved 7.75 inches. Travel of the handle is limited by a nonadjustable integral stop. Handle movement is transmitted to the forward quadrant through a solid connecting link.
Main Quadrant Assembly
The main quadrant assembly is located directly below the handle assembly. The main quadrant assembly transfers the release handle input to the MLG release cable circuit and the NLG release cable circuit. A rigging hole is provided in the main quadrant for system rigging. The two cable loops are connected in such a manner that the MLG loop activates prior to the NLG loop.
Control cable loops from the main quadrant assembly run via a series of pulleys to the mainwheel well and the nosewheel well where they activate their respective systems. Where the cables pass through pressure bulkheads eyeball seals are used to minimize pressure loss. Standard grommets protect the cables as they pass through the fuselage stations.
MLG Release Quadrant
The MLG release quadrant is located on the roof of the main landing gear bay in the center wing box, where it receives a cable input from the MLG loop.
Two separate cams integral to the quadrant, drive links connected to the Shutoff and Dump valves, while the other cam positions the link connected to the Alternate Power valve. Four cables routed from the quadrant are also pulled in sequence to release the MLG Door Uplocks and the MLG Uplocks.
Shutoff and Dump Valve
The shutoff and dump valves are two separate identical valves in one assembly. The valve is a four-way, two-position mechanically operated spool valve. The spool protrudes from the valve body and attaches directly to the cam follower link activated by the MLG quadrant cam. The shutoff valve is hydraulically located upstream of the landing gear and door selector valves.
The valve normally allows hydraulic system No. 3 pressure to go directly to the inlet ports of the selector valves. When the shutoff valve is activated, pressure is blocked and the lines that normally supply pressure to those components are dumped to return.
The dump valve is T-connected into the return lines from the MLG uplocks, the close side of the MLG door uplocks and the upside of the side brace actuators. The gear up and the door close lines are connected to the dump valve ports. Activation ofthe dump valve connects the close line of the MLG door actuators, the upside of the side brace actuators, and the uplocks to return via a separate line.
Alternate Power Valve
The alternate power valve is a six-way, two position valve, hydraulically located downstream of the hydraulic system No. 2 selector valve. Its purpose is to completely bypass the hydraulic system No. 2 gear selector valve when activated by the manual release system. When actuated, the valve ports hydraulic system No. 2 pressure directly to the gear downside of the MLG retraction actuator. It also connects the gear up port of the MLG retraction actuator to hydraulic system No. 2 return.
When the alternate power valve is not activated through the manual gear release system, it connects the MLG retraction actuator to the hydraulic system No. 2 gear selector valve.
NLG Door Release Quadrant
Activated by the NLG release loop from the Main Quadrant, the NLG door release quadrant moves an adjustable link to mechanically release the door uplock.
NLG Release Quadrant
System Operation
Operation of the manual landing release system would be carried out in the event of a failure in the normal landing gear actuation system or a loss of hydraulic system No. 3. Manual landing gear extension should be carried out with the Landing Gear Control lever in the down position.
The landing gear manual release handle should be pulled through all its detents to its full extension. The design will allow the handle to lock in an intermediate position or be restored to its original position at anytime by pushing the manual release handle button.
Manual Release Sequence
The following is a sequence of events which occur during manual landing gear extension.
- Landing gear manual release handle PULL to full extension
- System no. 3 shutoff valve blocks pressure to hydraulically operated gear door uplocks, landing gear uplocks and gear actuators
- Dump valve opens, connecting the gear up and doors closed lines to hydraulic system no. 3 return, preventing hydraulic lock in the actuators
- The main gear doors and main gear uplocks are mechanically released
- The nose landing gear door and gear uplocks are mechanically released
- The nose landing gear is permitted to free-fall and is assisted by springs within the drag brace to achieve downlock
- Both main landing gear retract/extend actuators are pressurized by hydraulic system No. 2 (through the action of the system No. 2 alternate power valve) to assist main gear downlock
Note:
With all gear indicating down and locked, the left and right main and nose gear doors remain open. A "L-R MAIN GEAR DOOR" and "NOSE DOOR" caution message will be displayed.
- All landing gear doors will remain in the open position after gear extends
RESET
After extending the landing gear using the Emergency Gear Release system it is only necessary to return the handle to the stow position while pressing on the "PUSH FULLY TO STOW" button to return the system to its normal configuration. This will reset the manually activated valves and remove pressure from the uplock release levers.
Ground Maintenance
When the aircraft is on the ground, maintenance personnel often require access to the wheel wells to perform their duties. To open the landing gear doors on the ground, the manual release handle is pulled out to its fully extended position. This prevents hydraulic pressure from being inadvertently applied to the door system. Pulling the handle mechanically releases the door uplocks, blocks hydraulic system No. 3 pressure from the landing gear and ensures the door system is hydraulically routed to return.
Safety locks are then installed on the main gear door actuators and a safety pin is installed in the nose door operating torque tube. The manual release handle is now stowed.
The following procedure is used to close the landing gear doors:
- All door safety pins and locks are removed
- Hydraulic system No. 3 is pressurized and the Gear Door Close momentary switch, located inside the access panel on the left side of the aircraft nose, is pushed in and held
- This signals the LGECU to energize the Close coil on the Door Selector valve and allow hydraulic pressure to close the gear doors
- Once the gear doors are fully closed the switch can be released






