05/18/16
Overview
The landing gear door system consists of hydraulically and mechanically actuated doors, a selector valve, actuators and door uplocks.
The landing gears are completely faired while the gears are in the retracted position. Each main gear has one door, which moves with the gear and one hydraulically actuated door.
The main landing gear is completely enclosed by four doors. Two outboard doors (one for each main) hinged to the wing are mechanically linked to the main gear assembly and opens or closes with gear operation. Two inboard doors (one for each main) are hinged to the keel (center) beam of the airplane. The inboard doors are hydraulically operated to open on selection of gear retraction or extension and to close when the gear is fully up or down. The inboard doors can be deployed by the manual release system for ground maintenance operations when required. The gear doors may be closed via a push button at the forward external services panel with hydraulic system no. 3 powered.
When the doors are open while the aircraft is on the ground, locking collars must be installed. This will ensure that the doors are not closed accidentally.
Main Gear Inner Door
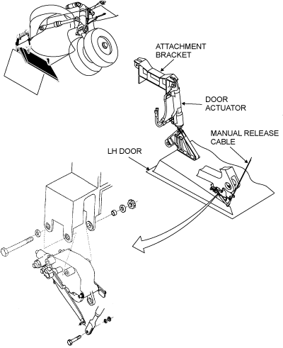
The main-gear inboard doors are attached, with a hinge, to the fairing on the bottom of the aircraft. They are hydraulically operated to open during gear retraction and extension and to close when the gear is fully retracted or fully extended. The main-gear inboard doors are controlled by two vertically mounted actuators. One actuator controls the left door and the other the right door.
The left door and the right door are held mechanically in the closed position, by uplocks.
If there is a mechanical malfunction, pull the manual release handle to open the doors manually. They can also be opened manually, using the same procedure, for ground maintenance. The manual release handle is in the flight compartment in the center pedestal.
Inner Door Actuator
The actuator cylinder end is attached to the keel structure while the piston end is attached to the front edge of the door, clear of the tire. UP and DOWN connectors are located on either end of the outer casing of the actuator.
Flexible lines extend from the actuator fittings to the Tee connectors on a bracket mounted on the forward bulkhead of the main wheel well. Ground safety collars are placed on the MLG door actuator arms to prevent closing during maintenance procedures.
Inner Door Uplock
The door uplock and release mechanism is mounted on the forward edge of the wheel well. The uplock housing, containing a latch that engages a roller on the door, is bolted to the airframe. A torsion spring, concentric with the latch pivot pin, ensures positive engagement of the latch.
A spring-loaded lock lever, activated by a hydraulic release actuator, releases the latch from the roller on the door on an extend selection. Attached to the lock lever is a target for a proximity sensor that provides an indication signal to the Landing Gear Electronic Control Unit (LGECU). The uplock can also be manually unlocked by the manual release system.
Main Gear Outer Door
Hinged at the top to the underside of the wing, this door moves with the gear.
The lower end of the door has a bracket to which is attached a turnbuckle for adjustment. The linkage mechanism is connected at its upper end in the wheel well and in the middle end by a pivot stud on the main fitting. This linkage allows the door to remain well clear of the tires when the gear is extended yet the door is pulled up snug against the tire when the gear is retracted.
Main Gear Door Links
The left and right main landing gear have outboard door links.
- Main-fitting/aircraft-wing door link
- Door link
- Door link turnbuckle
The door links, when adjusted, stay constant in length after the nuts are tightened and safetied with lockwire. As the MLG is retracted, the pivot point on the door link holds the door in the correct angular position for it to close.
The main-fitting/aircraft-wing door link, is attached to the aircraft structure at one end and the door link at the other. The door link is held on the main fitting with a door link pin. The extended arm of the door link is attached to the door link turnbuckle. The other end of the turnbuckle is attached to the door. The turnbuckle has nuts which are safetied with lockwire after the turnbuckle has been adjusted and set.
System Operation
On a gear up or down selection, the LGECU energizes the door selector valve to hydraulically extend or retract the nose and main door actuators.The hydraulically activated doors are normally in the closed position. They open to allow the gear to extend or retract or for ground maintenance. When they are closed, there is no hydraulic pressure to the actuators. The doors are held in the closed position by the uplocks.
There is a proximity sensor on each main gear inner door uplock and the nose gear door uplock. The nose gear door mechanism and each main gear door have open and closed sensors. All doors must be open before any gear can extend or retract.
Opening and Closing for Maintenance
For ground maintenance purposes, pulling up on the manual release handle opens the doors. This isolates the actuators from the hydraulic system and manually releases the uplocks. The handle mechanically releases the door uplocks and blocks hydraulic system no. 3 pressure from the door actuators. Since there is no hydraulic pressure on the door actuators, the doors drop open. Safety collars are installed on the MLG door actuator arms and a safety pin is installed in the nose door torque tube mechanism, before stowing the release handle.
After removing the safety collars from the main gear doors and safety pin from the nose gear doors,pressurize hydraulic system no. 3. Pressing the door close pushbutton switch on the lower nose service panel on the left side of the nose fuselage energizes the door selector valve close solenoid. Hydraulic pressure then closes the doors and the button can be released, removing hydraulic pressure from the actuators.
09/09/20










