Overview
The main gear extension and retraction system retracts the main landing gear (MLG) into the MLG wheel wells during flight. The extension and retraction system also holds the MLG in the down position during landing and while the aircraft is on the ground.
Operation of the selector lever on the center pedestal is the usual method of control for the MLG. If there is a hydraulic malfunction, the flight compartment manual release handle is used to manually release the MLG. The left and right MLG retract in the inboard direction. Each MLG is locked into the MLG wheel-well in the aircraft center section. The MLG is hydraulically extended in the outboard direction and locked in the vertical position for landing.
The downlock mechanism, in the side brace piston rod, locks the MLG down. The installation of ground lock pins in the specified location on the side brace actuator safeties the MLG while the aircraft is on the ground.
Main Gear Retraction Actuator
The main gear retraction actuator is a two position actuator which extends and retracts the MLG. There are two retraction actuators, one for the left MLG and one for the right MLG. Each retraction actuator is attached at one end to the aircraft structure and at the other end to the main fitting. Each assembly has an actuator cylinder, a piston and a rod end assembly. The cylinder is made of steel and has a spherical bearing.
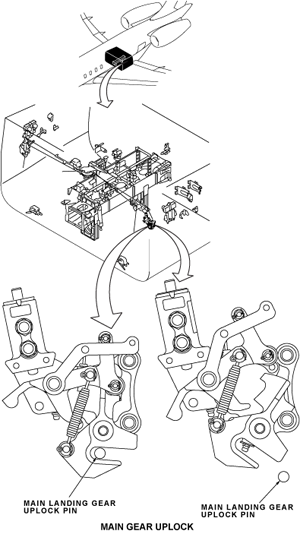
Main Gear Uplock
There are two main gear uplocks, one for the left MLG and one for the right MLG. Each uplock has a latch, an uplock lever, an actuator, and a manual release lever. All parts are installed between two side plates. The left and right uplocks lock the MLG in the retracted position. The two uplocks are attached to the aircraft structure in the MLG wheel well.
In the usual mode of operation, the uplock is mechanically locked in the up position and hydraulically released. There is a manual release handle in the flight compartment which manually releases the uplocks if there is a hydraulic malfunction.
Main Gear Door Actuator
The main gear door actuators operate the MLG inboard doors. There are two actuators, one actuator operates the left inboard door and one actuator operates the right inboard door. Each actuator is a two position actuator which opens and closes the inboard doors during MLG retraction and extension. The two actuators are installed in the vertical position in the MLG wheel wells. The cylinder end of each actuator is attached to the aircraft structure and the other end is attached to the inboard door hinge bracket.
During MLG retraction, the left and right inboard doors are released from the door uplocks. The inboard door actuators extend and push the inboard doors to the open position. The MLG is then retracted into the MLG wheel-well and the uplock locks it in the up position. As soon as the MLG retraction is complete, the left and right inboard door actuators retract and pull the inboard doors to the closed position. When the inboard doors are closed the left and right main gear door uplocks hold them in position.
For MLG extension, the left and right door uplocks release the inboard doors. The left and right inboard door actuators extend and push the doors to the open position. The left and right MLG are then released from the uplocks and extend. When the left and right MLG are fully extended and locked in position, the inboard door actuators retract and pull the doors to the closed position. The main gear door uplocks then hold the inboard doors closed.
05/19/16
Main Gear Door Uplock
There are two main gear door uplocks, one for the left and one for the right inboard doors. Each uplock is installed in the related MLG wheel-well.
An actuator, attached to each uplock, operates the uplock. The door selector valve is used to control the sequence of operation to open and close the uplocks and door actuators. The door selector valve is electrically controlled from the flight compartment. If there is a hydraulic or mechanical malfunction, the manual release handle in the flight compartment will release the uplocks.
Thermal Compensation Check Valve
The thermal compensation check valve is installed in the fluid return line between the landing gear selector valve and the filter in the MLG wheel well.
The check valve has a one direction flow valve (which has a spring loaded ball) and a thermal compensation orifice. When fluid from the gear selector valve flows to the check valve, the ball is pressed against the spring and opens the check valve. If any fluid flows in the opposite direction, the fluid will close the ball valve and prevent further flow.
If there is a leak in a line, the ball valve will immediately prevent fluid loss. As fluid temperature rises, fluid will pass through the thermal compensation orifice and the MLG, main gear uplocks, and main gear door uplocks will continue to function correctly.
Anti-Cavitation Check Valve
No. 2 System Return Check Valve
The No. 2 system return check valve is installed in the No. 2 system return line between the landing gear selector valve and the return line from the alternate power valve. It is in the rear of the main landing gear wheel well.
The primary function of the return check valve is to permit full flow of return fluid from the landing gear selector valve during normal operation. It will also prevent fluid loss or fluid flow to the gear selector valve when “Manual Release” is selected.
Alternate Power Valve
The alternate system power is installed in the No. 2 system between the landing gear selector valve and the main gear retraction actuators. It is located in the center of the MLG wheel well below the cabin floor, adjacent to the main gear quadrant.
The primary function of the alternate power valve is to send fluid pressure to the "down side" of the MLG actuators when “Manual Release” is selected and, at the same time, to provide an alternate return path for the fluid from the “up side” of the MLG actuators.
09/09/20
Component Location Index
| Component Location Index | |||
|---|---|---|---|
| IDENT | DESCRIPTION | LOCATION | IPC REF |
| - | ANTI-CAVITATION CHECK VALVE | ZONE(S) 165/166 | 29-13-29 [ GX ] [ GXRS ] [ G5000 ] |
| - | MAIN-GEAR RETRACTION ACTUATOR | ZONE(S) 165/166 | 32-32-01 [ GX ] [ GXRS ] [ G5000 ] |
| - | MAIN GEAR UPLOCK | ZONE(S) 165/166 | 32-32-05 [ GX ] [ GXRS ] [ G5000 ] |
| - | MAIN-GEAR DOOR ACTUATOR | ZONE(S) 165/166 | 32-32-09 [ GX ] [ GXRS ] [ G5000 ] |
| - | MAIN-GEAR DOOR UPLOCK | ZONE(S) 165/166 | 32-32-13 [ GX ] [ GXRS ] [ G5000 ] |
| - | THERMAL-COMPENSATION CHECK VALVE | ZONE(S) 165/166 | 32-32-17 [ GX ] [ GXRS ] [ G5000 ] |
| - | NO. 2 SYSTEM RETURN CHECK-VALVE | ZONE(S) 165/166 | 32-32-25 [ GX ] [ GXRS ] [ G5000 ] |
| - | ALTERNATE POWER VALVE | ZONE(S) 165/166 | 32-34-09 [ GX ] [ GXRS ] [ G5000 ] |











