Overview
The landing and taxi lighting shows the areas in front of the aircraft and the wings of the aircraft, during landing and when the aircraft is taxied.
The landing lights provide the required ground illumination during final approach, flare-out, and takeoff. The taxi/recognition lights provide ground illumination for maneuvering the aircraft on the ground.
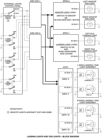
The landing and taxi lighting system has a landing lighting system and a taxi lighting system that operate independently. The EXTERNAL LIGHTS control panel, found on the RH side of the overhead panel in the flight compartment, controls the landing and taxi lighting system.
05/17/16
Wing Landing/Taxi Lights
The taxi light system provides the required ground illumination for maneuvering the aircraft on the ground. A wing landing/taxi lights are installed in one assembly in the leading edge of each wing, close to the fuselage. A transparent lens protects the light assembly. The single TAXI/RECOG switch located on the EXTERNAL LIGHTS control panel controls both taxi lights. When the TAXI/RECOG switch on the EXTERNAL LIGHTS control panel is set to ON, the taxi lights in each wing come on. When the L WING and/or R WING Landing Light Switch is set to ON, the applicable wing landing light and taxi light comes on.
The AC power center (ACPC) supplies 115 VAC power to both wing landing/taxi light assemblies. Each light has an autotransformer that changes the 115 VAC one phase supply to 28 VAC.
Nose-Gear Landing Lights
In the nose-gear landing lights there is a LH and a RH light assembly. The secondary power distribution assembly (SPDA) 1 supplies 28 VDC to the two nose-gear landing lights. When the NLG switch on the EXTERNAL LIGHTS control panel is set to ON, the two lights come on.
The landing light system provides ground illumination during final approach, flare-out and during takeoff. A landing light is installed in the inboard wing leading edge on each side of the aircraft and two landing lights are installed on the nose gear. The lights are installed to ensure that no objectionable glare is visible to the pilots. Three landing light switches are located on the EXTERNAL LIGHTS control panel on the cockpit overhead panel, L WING, NLG, and R WING to control the lights individually.
05/17/16
System Operation
Wing Landing/Taxi Lights
The L/H taxi light receives 115 V from AC power center AC bus 1 and the R/H taxi light receives 115 V from AC power center AC bus 4 when the TAXI/RECOG switch on the EXTERNAL LIGHTS control panel is activated. Integrated transformers inside the lamp housings reduce the voltage down to 28 VAC.
The left or right taxi lights will also be powered when the respective left or right wings landing lights are activated.
The wingtip taxi lights receive 28 V from SPDA 2, DC bus 1. With the TAXI/RECOG WINGTIP switch ON position, the taxi lights will illuminate and on the ground, the wingtip lights will also illuminate. When on ground in the WINGTIP position, only the wingtip taxi lights will illuminate.
Nose-Gear Landing Lights
The left nose gear landing light receives 28 V from DC bus 1, SPDA 1 and the right nose gear landing light receives 28 V from DC bus 2, SPDA 1 when the NLG switch is selected ON.






