05/21/21
Overview
The panel integral lighting system supplies all the legend lighting for the flight compartment instruments, instrument panels, control panels, and other flight compartment panels. The integral lights are incandescent lamps or electroluminescent lighting. Electroluminescent lighting uses AC power and incandescent lighting uses DC power supplied by power supplies. The integral lighting system includes one cockpit lights (integral) control panel, one light sensor unit, and eight integral-lighting power supplies.
The panel integral lighting system supplies adjustable lighting to the five flight compartment zones that follow:
- Pilot’s side console and side panel (L)
- Copilot’s side console and side panel (R)
- Center instrument panel, standby instruments, glareshield, and the pedestal (CTR)
- Overhead panel (OVHD)
- Cockpit circuit breaker panel (CB)
The DC buses supply 28 VDC to the integral-lighting power supplies through the secondary power distribution assemblies (SPDAs). The integral lighting system can be set to ON, OFF, or AUTO mode, through the electrical management system (EMS) control and display unit (CDU), (by a toggle switch on the COCKPIT LIGHTS (INTEGRAL) control panel). The intensity of integral lighting can be changed manually by the applicable BRT/DIM rotary control.
Cockpit Lights (Integral) Control Panel
On the COCKPIT LIGHTS (INTEGRAL) control panel are a MASTER ON/OFF/AUTO toggle switch and five BRT/DIM rotary controls. The panel is mounted in the flight compartment on the center pedestal. When the Master switch is in the ON position, a discrete ground signal is sent to the two EMS CDUs to set the integral lighting system on. In the OFF position, an open discrete signal sent to the EMS CDUs sets the system off. In the AUTO position, the light sensor unit supplies the discrete signal to the EMS CDUs which control the power to the integral lighting system.
There are five BRT/DIM rotary controls on the panel. The rotary controls send variable control signals to the integral-lighting power supplies. The integral-lighting power supplies change the intensity of the lighting.
Light Sensor/ELT Panel
The light sensor/ELT panel, located on the upper left side of the overhead panel, incorporates a light sensor unit. The unit controls the ON/OFF operation of the integral lighting system when the MASTER switch is in the AUTO position. It receives 28 VDC from DC bus 1, SPDA 4.
The light sensor unit monitors the flight compartment ambient light level. Depending on the ambient light level, the unit provides or removes a ground discrete from the EMD CDUs, through the MASTER switch (AUTO position). The ground discrete turns ON the integral lighting system and an open turns OFF the system.
The unit has an adjustment screw to preset the sensor threshold in regards to ambient light level. The screw is accessible through the faceplate of the light sensor/ELT panel.
06/01/20
Integral-Lighting Power Supplies
The integral lighting system consists of five DC power supplies, three of which receive redundant input power. The 28 VDC input is distributed by the assigned SPDAs. The input voltage is then stepped down in the power supply and the output is varied by the control input from the applicable BRT/DIM rotary potentiometer on the control panel.
The DC power supplies have multiple output channels, to provide individual variable voltages to each INCANDESCENT lighting panel. The output circuits are each internally protected by a current limiting device and will automatically resume operation if an overcurrent condition was temporary.
Integral Lighting Inverters
Two of the three AC inverter/power supplies receive redundant 28 VDC input power. They also receive the same control input from the rotary potentiometers on the control panel.
Operation, control, and circuit protection is identical to that of the DC power supplies but the output voltage is stepped up to a variable 0 – 115 VAC to supply the multiple output channels to each individual Electro Luminescent (EL) lighting panel.
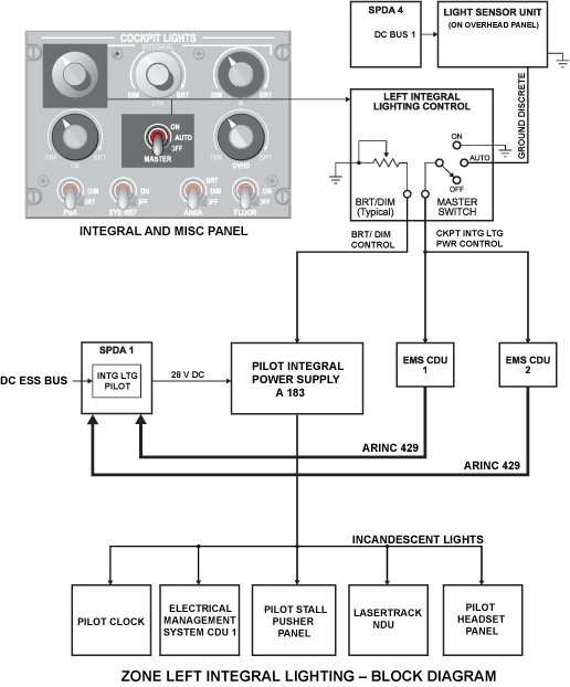
One power supply (A183) supplies lighting power to the components on the pilot's side panel and console that follow:
- Pilot’s clock
- EMS CDU 1
- Left SPS pusher on/off switch panel
- LASERTRAK NDU
- Pilot’s headset jack panel
- On A/C 9127 to 9269 Pre SB 700-1A11-34-004 for Global 5000:
- LASERTRAK NDU
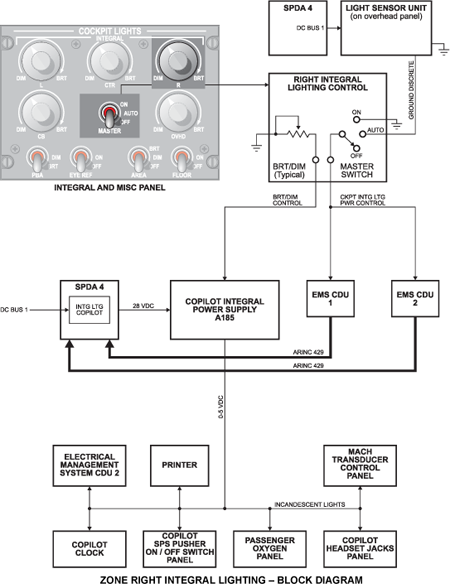
One power supply (A185) supplies lighting power to the components on the copilot's side panel and console that follow:
- Copilot’s clock
- EMS CDU 2
- Right SPS pusher on/off switch panel
- MACH TRANSDUCER PITOT-STATIC cutoff selector panel
- Copilot’s headset jack panel
- Passenger oxygen panel
- Flight compartment printer
- On A/C 9152 to 9431, 9998 Post SB 700D1A11-35-004 for Global 5000:
- Copilot OXY MIC Mask
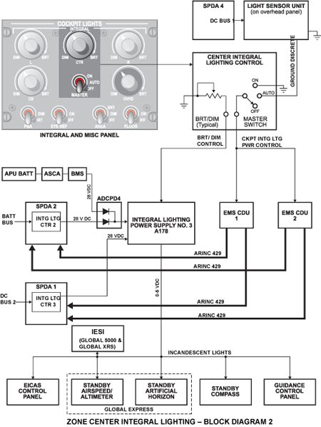
Three power supplies (A176, A177, and A178) and one inverter (A179) supply lighting power to the center instrument panel, center pedestal, and glareshield panel.
The power supply 1 (A176) supplies lighting power to the components that follow:
- Left audio panel
- Left radio management unit
- IRS triplex mode selector
- PFD 1 controller
- Weather radar controller 1
- MFD 1 controller
- FMS CDU 1
- On A/C Post SB 700-24-033 for Global Express:
- Audio panel 3
The power supply 2 (A177) supplies lighting power to the components that follow:
- Right audio panel
- Right radio management unit
- Reversion controller
- PFD 2 controller
- Weather radar controller 2
- MFD 2 controller
- FMS CDU 2
- On A/C Post SB 700-24-033 for Global Express:
- FMS CDU 3
The power supply 3 (A178) supplies lighting power to the components that follow:
- EICAS control panel
- Guidance control panel
- Standby compass
- On Global Express, or on A/C 9127 to 9158 for Global 5000:
- Standby airspeed/altimeter
- Standby artificial horizon
- On A/C 9159 to 9431, 9998 for Global 5000 or on Global XRS:
- Integrated electronic standby instrument (IESI)
A third power input is added to the A178 power supply. It comes from the APU battery direct bus through a thermal circuit breaker on the ASCA. This third power input is available on Global Express via Post SB 700-24-033.
The center pedestal inverter (A179) supplies lighting power to the components that follow:
- Glareshield MW/MC LH control panel
- Glareshield MW/MC RH control panel
- Ground lift dump and autobrake control panel
- Landing gear control panel
- Miscellaneous control panel
- Flight spoiler control lever
- Emergency parking brake
- Throttle quadrant
- Cockpit lights flood display control panel
- Slat/flap handle
- Stabilizer/rudder/aileron trim control panel
- On A/C Pre SB 700-24-033 for Global Express:
- Cockpit lights integral control panel
- On A/C Post SB 700-24-033 for Global Express:
- Third crew headset control panel
- On Global 5000, Global XRS or on A/C Post SB 700-24-033 for Global Express:
- EGPWS panel
The overhead panel inverter (A195) supplies lighting power to the components that follow:
- ELECTRICAL panel
- HYDRAULIC panel
- FUEL panel
- ENGINE IGNITION/START panel
- APU panel
- WINDSHIELD HEAT panel
- Engine/APU fire handles panel
- TEMPERATURE/BLEED/AIR COND/ANTI-ICE panel
- PRESSURIZATION panel
- EXTERNAL LIGHTS panel
- PASS SIGNS/EMER LTS panel
- AURAL WARNING panel
- Light Sensor/ELT control panel
- For Global 5000, Global XRS or on A/C 9140 to 9158 for Global Express:
- MAP LTS control panel
- On A/C 9002 to 9148 for Global Express or on 9130 to 9148 for Global 5000:
- EGPWS control panel
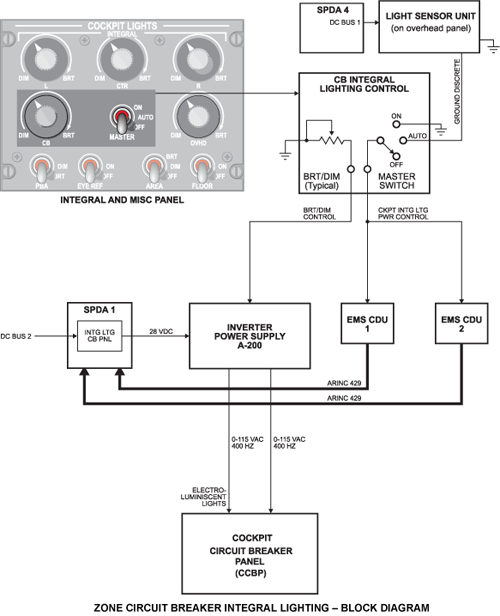
The CCBP inverter (A200) supplies lighting power to the cockpit circuit breaker panel (CCBP).
06/01/20
System Operation
Cockpit Panels Integral Lighting
The cockpit panels integral lighting is controlled by an OFF/AUTO/ON MASTER switch to activate the lights and rotary switches adjust the brightness. Selecting the MASTER switch ON activates the integral lighting. Selecting AUTO enables the light sensor unit to automatically turn the system ON if there is insufficient ambient lighting.
Selecting the MASTER switch OFF removes power to all integral lighting.
Left Zone Control Operation
When the L control is turned, the lamps for the pilots instrument panel and side console receive variable 0 - 5 VDC from a power supply located in the left side console. The power supply receives 28 VDC from the Essential Bus through SPDA #1.
Center Zone Control Operation
The CTR control provides simultaneous control outputs to three power supplies and an inverter to provide variable 0 - 5 VDC and variable 115 VAC as required for the center console panels, glareshield panels, and standby instruments.

On A/C Post SB 700-24-033 for Global Express, or on Global 5000/XRS
Global 5000:
Global XRS:
Right Zone Control Operation
When the R control is turned, the lamps for the copilots instrument panel and side console receive variable 0 – 5 VDC from a power supply located in the right side console. The power supply receives 28 V from the DC Bus 1 through SPDA #4.
CB Zone Control Operation
When the CB switch is activated, the lamps for the circuit breaker panel receive variable 0 - 115 VAC from an inverter located on the right bulkhead. This inverter is powered by 28 VDC Bus 2 through SPDA #1.
OVHD Zone Control Operation
When the OVHD switch is activated, the 12 lamps for the overhead panel receive variable 0 – 115 VAC from an inverter located in the right side console. This inverter is powered by the 28 VDC BUS 1 and the 28 VDC Battery Bus.
Global Express:
Global 5000:
Global XRS:
Pilot Side Integral-Lighting Power Supplies
Global 5000:
Global Express/XRS:
Copilot Side Integral-Lighting Power Supplies
Global 5000:
Global Express/XRS:
09/16/20
Component Location Index
| Component Location Index | |||
|---|---|---|---|
| IDENT | DESCRIPTION | LOCATION | IPC REF |
| A178/A183/A185 | POWER SUPPLY (15 AMPS) | ZONE(S) 131/132 | 33-11-01 [ GX ] [ GXRS ] [ G5000 ] |
| A176/A177 | POWER SUPPLY (7.5 AMPS) | ZONE(S) 221/222 | 33-11-01 [ GX ] [ GXRS ] [ G5000 ] |
| A179/A195 | INVERTER (0.5 AMP) | ZONE(S) 131/222 | 33-11-01 [ GX ] [ GXRS ] [ G5000 ] |
| A200/A273 | INVERTER (0.1 AMP) | ZONE(S) 222 | 33-11-01 [ GX ] [ GXRS ] [ G5000 ] |
| A180 | LIGHT SENSOR UNIT | ZONE(S) 221 | 33-11-05 [ GX ] [ GXRS ] [ G5000 ] |
| AP26 | COCKPIT LIGHTS (INTEGRAL) CONTROL PANEL | ZONE(S) 222 | 33-11-09 [ GX ] [ GXRS ] [ G5000 ] |























