05/09/16
Overview
The VHF navigation system consists of two integrated navigation units (INUs), the VOR/LOC antennas, two DME antennas, two ADF antennas,a glideslope antenna and diplexer, a MKR beacon antenna and diplexer along with five in-line filters. The VHF NAV units are installed in the main avionics compartment on Global Express/XRS and in the avionics rack on Global 5000. A clamp holds each unit in a mounting assembly. The mounting assembly attaches to the NAV/COM dual mounting tray. Each unit weighs 13 lbs (5.90 kg). On Global Express/XRS, VHF NAV unit 1 is installed on the left side at FS397.00 and VHF NAV unit 2 is installed on the right side at FS347.00.
The VHF navigation system provides guidance information for enroute/terminal navigation (VOR), approach and landing (ILS, LOC/GS), and distance-to-runway (MKR). The required navigation frequencies are selected on the pilot and copilot radio management units (RMUs) and FMS.
The VHF navigation system is packaged in the integrated navigation unit (INU) that contains:
- Automatic direction finder (ADF)
- VHF Omnirange (VOR)
- Localizer (LOC)
- Glideslope (GS)
- Marker beacon (MKR)
- Distance measuring equipment (DME)
Fault indications are presented on the RMU and the PFD. The system test is activated from the RMU.
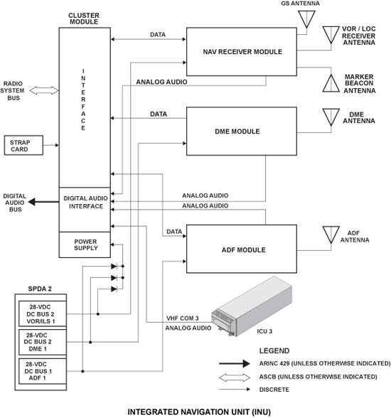
Integrated Nav Unit (INU)
The integrated navigation unit (INU) is a complete self-contained navigation system. It contains the following four modules:
- DF-850 ADF receiver module
- DM-850 DME interrogator module
- NV-850 VHF NAV receiver module
- XN-850 NAV cluster module
A heat sink is mounted on the front of the INU. At the rear are flush mounted antenna connectors and the aircraft harness connector.
Cooling is supplied by a non-critical rack-mounted fan. Temperature sensors inside the individual modules report temperature rise to the cluster module. Any module exceeding its internal temperature limit can request forced air by addressing the cluster modules, which switches the fan on and monitors its operation. When the temperature drops sufficiently the fan is switched off.
The NAV cluster module also contains circuits necessary to handle all outputs of the NAV unit modules and place them on the digital audio and radio system buses. It transfers RSB data to the DME, ADF, and NAV receiver modules via the internal RCB. It also buffers, synchronizes, and transmits the NAV modules output data to the RSB. The cluster module has its own power supply and receives 28 VDC power from the VHF NAV module, DME module, or the ADF module so that when one of them is powered, the cluster module will also be powered.
INU Strap Assembly
A configuration strap assembly is attached to the bottom of each INU tray. Programming of the strap assembly consists of installing or removing a string of jumper wires, whereby the system configuration is encoded into a 48 bit serial data word, as detailed in the table below.
The logic state is 0 if the corresponding wire is uncut and is 1 if the corresponding wire is cut.
The strap assembly is installed with all 48 jumpers. Two additional numbers, W49 and W50, are provided but not used. If a jumper is removed accidentally or a configuration change requires a jumped to be reinstalled, use HW jumper (p/n 7500384-1) or a piece of AWG 24 bus wire alternately.
W3 and W4 are parity bits and one of them must be cut.
Note:
If the parity bits are not cut correctly, the NAV unit will not function as indicated by dashed frequency displays on the RMU. Also the RMU NAV strap page will post a red STRAP PROBLEM message.
The parity bits must be cut as follows:
- After all other straps have been programmed, count the number of uncut straps in positions W1, W2, W5 through W48
- If the number of uncut straps is even, cut strap W3
- If the number of uncut straps is odd, cut strap W4
- To have correct parity, either jumper W3 or W4 has to be cut but not both
VHF Navigation Unit 1 Configuration Strapping Example
| JUMPER | SYSTEM | FUNCTION | STRAP DEFINITION | STRAP SETTING FOR GEX |
|---|---|---|---|---|
| W1 | NAV UNIT | System Position | W1 uncut for system 1 | Uncut |
| W2 | NAV UNIT | System Position | W2 uncut for system 1 | Uncut |
| W3 | CLUSTER | Parity | Cut if uncut strap sum of W1-W2 and W5-W48 is even | A/C Dependent |
| W4 | CLUSTER | Parity | Cut if uncut strap sum of W1-W2 and W5 - W48 is odd | A/C Dependent |
| W5 | ADF | Emergency Channel Disable/Enable | Uncut = disable Cut = enable |
Cut |
| W6 | ADF | Antenna Position | Uncut = bottom mount Cut = top mount |
Cut |
| W7 | ADF | QEC 315 | Uncut = 0 deg Cut = 2 deg |
Uncut |
| W8 | ADF | QEC 315 | Uncut = 0 deg Cut = 4 deg |
Cut |
| W9 | ADF | QEC 315 | Uncut = 0 deg Cut = 8 deg |
Uncut |
| W10 | ADF | QEC 315 | Uncut = 0 deg Cut = 16 deg |
Cut |
| W11 | ADF | QEC 315 | Uncut = QEC positive Cut = QEC negative |
Cut |
| W12 | ADF | QEC 225 | Uncut = 0 deg Cut = 2 deg |
Cut |
| W13 | ADF | QEC 225 | Uncut = 0 deg Cut = 4 deg |
Uncut |
| W14 | ADF | QEC 225 | Uncut = 0 deg Cut = 8 deg |
Uncut |
| W15 | ADF | QEC 225 | Uncut = 0 deg Cut = 16 deg |
Cut |
| W16 | ADF | QEC 225 | Uncut = QEC positive Cut = QEC negative |
Uncut |
| W17 | ADF | QEC 135 | Uncut = 0 deg Cut = 2 deg |
Uncut |
| W18 | ADF | QEC 135 | Uncut = 0 deg Cut = 4 deg |
Cut |
| W19 | ADF | QEC 135 | Uncut = 0 deg Cut = 8 deg |
Uncut |
| W20 | ADF | QEC 135 | Uncut = 0 deg Cut = 16 deg |
Cut |
| W21 | ADF | QEC 135 | Uncut = QEC positive Cut = QEC negative |
Cut |
| W22 | ADF | QEC 045 | Uncut = 0 deg Cut = 2 deg |
Uncut |
| W23 | ADF | QEC 045 | Uncut = 0 deg Cut = 4 deg |
Cut |
| W24 | ADF | QEC 045 | Uncut = 0 deg Cut = 8 deg |
Uncut |
| W25 | ADF | QEC 045 | Uncut = 0 deg Cut = 16 deg |
Cut |
| W26 | ADF | QEC 045 | Uncut = QEC positive Cut = QEC negative |
Uncut |
| W27 | ADF | Antenna Rotation Offset | Uncut = ARO 0 deg Cut = ARO 1 deg |
Uncut |
| W28 | ADF | Antenna Rotation Offset | Uncut = ARO 0 deg Cut = ARO 2 deg |
Uncut |
| W29 | ADF | Antenna Rotation Offset | Uncut = ARO 0 deg Cut = ARO 4 deg |
Uncut |
| W30 | ADF | Antenna Rotation Offset | Uncut = ARO positive Cut = ARO negative |
Uncut |
| W31 | ADF | N/A | Uncut | |
| W32 | ADF | N/A | Uncut | |
| W33 | DME | FMS Not Installed/Installed | Uncut = not Installed Cut = Installed |
Cut |
| W34 | DME | No.1 DME installed/not installed | Uncut = installed Cut = not installed |
Uncut |
| W35 | DME | VHF COM Frequency Pairing | Uncut = not enabled Cut = enabled |
Uncut |
| W36 | N/A | Uncut | ||
| W37 | DME | Antenna Trim | Uncut: Trim = 0 Cut: Trim = 1 |
Uncut** |
| W38 | DME | Antenna Trim | Uncut: Trim = 0 Cut: Trim = 2 |
Cut** |
| W39 | DME | Antenna Trim | Uncut: Trim = 0 Cut: Trim = 4 |
Uncut** |
| W40 | DME | Antenna Trim | Uncut: Trim = 0 Cut: Trim = 8 |
Uncut** |
| W41 | DME | N/A | Uncut | |
| W42 | VOR | NAV CDU or Auxiliary Control Head | Uncut = installed Cut = not installed |
Cut |
| W43 | DME | No. 2 DME Installed/Not Installed | Uncut = installed Cut = not installed |
Uncut |
| W44 | N/A | Uncut | ||
| W45 | N/A | Uncut | ||
| W46 | N/A | Uncut | ||
| W47 | N/A | Uncut | ||
| W48 | N/A | Uncut | ||
| W49 | NOT USED | Uncut | ||
| W50 | NOT USED | Uncut | ||
| ** The DME antenna trim function is used to compensate for DME antenna cable length. The compensation factor is cable length in feet divided by 8.13. The resulting whole number must then be converted to a binary number. Example: A DME installation has a 100 foot length of antenna cable. 100 feet/8.13 = 12.3 The closest whole number = 12 = 1100 binary number configuration to cut (using W37-W40) | ||||
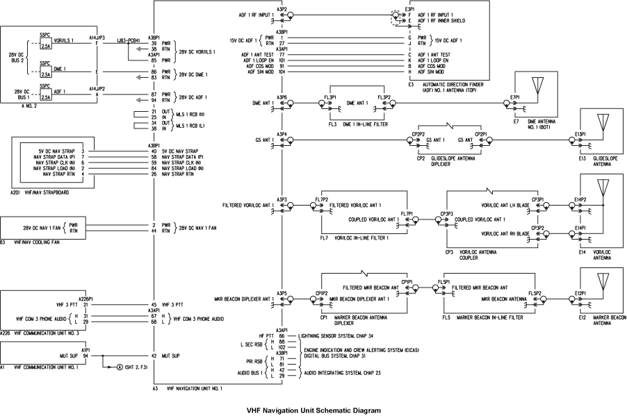
DME Antenna
The DME omni-directional L-band antennas are located on the bottom of the aircraft for transmissions to and from ground facilities.
An external in-line low pass filter is installed in the feedline of each DME transponder required to reduce the transmitter harmonics to a level required for registration in Germany. This filter has a cutoff frequency of 1,500 MHz.
ADF Combined Sense/Loop Antennas
The ADF antenna performs the function of reception, amplification, and combination of RF signals so as to yield low frequency reception and directional information. The antenna also contains a self-test circuit which radiates a 120 kHz signal into the sense and loop antennas. This checks the operation of both the ADF antenna and the ADF receiver module. The two ADF antennas are installed on the top of the aircraft. Proper operation is indicated by a 1 kHz tone and a bearing indication of 135 degrees relative to the nose of the aircraft.
05/09/16
VOR/LOC Antenna
The VOR/LOC antenna is a horizontally-polarized antenna consisting of two blades, which are mounted on opposite sides of the vertical stabilizer. Each blade has a BNC-type connector. The blades each individually house a loop antenna that essentially provides reception for its side of the aircraft.
The VOR/LOC coupler combines the signals from the two VOR/LOC antennas. The dual antenna connects to the VHF NAV unit 1 or 2 through a phasing coupler and an in-line filter. The antenna has a frequency range of 108 to 118 MHz and a maximum weight of 3.0 lbs (1.362 kg). The coupler is mounted inside the vertical stabilizer. The optional VHF NAV unit 3 connects to a third VOR/LOC antenna through a phasing coupler and an in-line filter.
The VOR/LOC in-line filter is a 75 to 152 MHz band pass filter. This filter is used to prevent the VOR receiver from interfering with the GPS and SATCOM systems.
05/09/16
Glideslope Antenna
The GS antenna is a hook-type, horizontally-polarized antenna. It has a TNC-type connector that connects to the VHF NAV units 1 and 2 through a diplexer. The glideslope antenna is designed to function between 329 MHz and 335.3 MHz. The antenna is mounted on the front of the aircraft from which there is a forward view, and provides a broad, single radiation lobe pointing forward. The antenna has a maximum weight of 0.875 lbs (0.397 kg). The optional VHF NAV unit 3 connects to a second GS antenna.
The GS diplexer is installed to provide equal output signal to the GS receivers.
05/09/16
Marker Antenna
The marker-beacon antenna is a blade-type, horizontally-polarized antenna. It has a BNC-type connector that connects to the VHF NAV units 1 and 2 through a diplexer and an in-line filter. The marker beacon antenna is a bottom mounted VHF (74.75 to 75.25 MHz) antenna with an unobstructed downward view of the marker beacon transmitting antenna below the aircraft as it flies over the ground transmitter site. The marker-beacon antenna has a maximum weight of 0.625 lbs (0.284 kg).
The marker diplexer is installed to provide equal output signal to the marker receivers.
The marker beacon in-line filter is a low-pass filter installed to prevent interference with other systems (GPS and SATCOM).
05/09/16
System Operation
INU Modules
The INU consists of the following modules:
- NAV Module
- ADF Module
- DME Module
- INU Cluster Module
NAV Module
The NAV module is a self-contained module that houses four major functions:
- VOR/LOC receiver
- Glideslope receiver
- Marker beacon receiver
- Power supply/processor
The NAV module is a conventional VOR/ILS receiver. It operates within a frequency range of 108.00 to 117.95 MHz and provides 200 channels. The GS receiver operates between 329.15 and 335.00 MHz and provides 40 channels. The single channel MKR receiver operates at a fixed frequency of 75 MHz and has a HI/LO sensitivity control.
Included in the NAV receiver module is the 75 MHz marker beacon receiver. This conventional marker receiver provides audio and marker light information through RSB for cockpit annunciators.
BITE includes a self-test signal generator. When energized by flight crew or power-up command, the injected signal is identical to a VOR/ILS signal and starts the testing at the earliest possible stages of the various receivers, just after the antenna. Bite commands an extensive check of the various circuitry within the NAV receiver and causes the outputs to indicate in a specified sequence, allowing the flight crew to confirm that the entire navigation receiver is operating properly.
Additionally, there are other maintenance monitors associated with the NAV module which continuously check for proper operation and valid signals within the unit. Should any operating parameter drift outside of its nominal range, this condition will be stored in non-volatile memory for subsequent maintenance readout.
The NAV module also has its own self-contained power supply which is fed from a dedicated pin on the main connector of the INU, allowing for independent application of aircraft supply to the NAV receiver.
ADF Module
The ADF system consists of the ADF module and ADF antenna. The ADF receiver module receives the relative bearing data from a ground station. This data gives the aircraft's direction to a ground station with relation to its heading. The ADF receiver module operates on two bandwidths. The ADF has a frequency range of 100.0 to 1,799.5 kHz with 0.5 kHz increment and maritime emergency transmissions between 2,181 and 2,183 kHz. The ADF also has a selectable bandpass filter to enhance its audio fidelity.
The ADF module, like other NAV modules, contains a receiver, signal processing circuitry, and processor/power supply.The ADF also has its own internal independent power supply fed by separate pins on the rear connector providing stand alone capability if power is removed from the other modules. The ADF digital outputs are sent to the RSB through the cluster module.
The ADF sends its analog information to the cluster module for application to the digital audio system. Additionally, the ADF has an input for HF COM keying from audio panel that rejects the interference during HF transmissions.
ADF Antenna
The antenna consists of two loop antennas, a sense antenna, and amplifiers. It also contains an oscillator circuit that injects a self-test signal directly into the antenna for ADF testing.
DME Module
The DME transceiver module uses the elapsed time of pulsed radio transmissions to calculate the flight data. The DME module has the capability of automatic frequency tuning based on paired VHF NAV frequencies. The DME module operates between 960 and 1,215 MHz. The DME simultaneously tracks four selected DME channels for distance-to-station, ground speed and time-to-station. The DME reserves two of the four channels for FMS which uses the information to generate NAV data. The DME interrogator module has four functional blocks:
- Receiver
- Transmitter
- Signal processing circuitry
- Power supply
The DME module has its own self-contained power supply which generates all internal voltages from aircraft 28 VDC. Self-testing is accomplished through a built-in signal generator to provide a complete end to end verification check of the DME module.
The range capability of the DME is up to 300 miles, ground speed capability up to 1,000 knots, and time-to-station capability up to 999 minutes. These signals are sent from the DME through the cluster module on the digital bus. Station identification audio (IDENT) signal is also provided, as are suppression pulses to other L-band systems, and flag indications as required by flight guidance and display equipment.
Information is provided to the DME about the aircraft installation through strap options which represent the DME antenna cable length, the number of DMEs installed, and number of FMSs and channeling sources.
Like the other radio modules, the DME has an internal non-volatile memory which stores the various maintenance monitor codes and conditions.
INU Cluster Module
The cluster module consists of two printed circuit boards attached to the 212 pin rear connector of the INU. All signals from the aircraft wiring harness, with the exception of the antennas, come through this rear connector and onto the cluster module. They are then distributed to the various modules over ribbon cables.
The cluster module is powered by its own on-board power supply. This power supply receives its power by a diode OR connection through each one of the other modules, assuring that power will be available even with several individual module power supplies turned off.
The cluster module receives information from the RSB, distributes it through the radio communication bus (RCBs) within the unit, buffers information from the modules and places it on the RSB at the appropriate time.
All analog audio signals generated by the various modules within the NAV unit are sent to the cluster module in the analog form. The cluster module contains circuits which digitize audio into 8-bit words. This digitized signal is applied to the digital audio bus at the proper time by sensing the presence of the COM unit digital audio signal and following it in the NAV time slot.
Also on the cluster module, associated with the audio circuits, are two auxiliary inputs which may be used to bring in analog audio from units outside the INU for digitalization and place it on the audio bus.
Another function of the cluster module is to monitor data traffic on the digital buses and verify that they are operating properly. If a malfunction is detected, invalid signals are inserted within the normal bus spaces and the RMU display for the failed function is dashed.
05/09/16
Control and Indication
Vertical Deviation Scale and Pointer
Vertical deviation information is presented on a scale to the right of the attitude sphere. The scale consists of a rectangle with two dots above and below it. The scale indicates aircraft deviation from beam center.
When the selected navigation source is short range NAV and the frequency tuned is a localizer frequency, the white vertical deviation scale and green pointer are automatically displayed on the PFD. A red cross is displayed on the deviation scale for failure condition.
Vertical Deviation Excessive Indication
Flashing amber vertical deviation scale and amber pointer appear when vertical deviation exceeds ± 0.0758 DDM (± 65 microamps) for CAT II status 5 (green CAT 2 annunciation on PFD).
Marker Beacon
Marker beacon annunciations are displayed below the vertical deviation scale and to the left of the altitude tape. Any active marker beacon will display on the display. Only one marker beacon can be displayed at a time, except during test. The marker beacon display has the following priority:
- Inner Marker – white boxed I
- Middle Marker – amber boxed M
- Outer Marker – blue boxed O
Navigation Source Annunciator
The navigation source annunciator is displayed in the upper left corner of the PFD HSI and represents the source selected on the onside PFD controller.Short-range navigation sources are displayed in green unless the same short-range navigation is selected on the cross-side. When the pilot and copilot have selected the same short-range navigation, the short-range navigation sources are displayed in amber.
Navigation Source Annunciator
| ANNUNCIATION | PRIMARY NAVIGATION SOURCE |
|---|---|
| VOR1 | NAV 1 |
| VOR2 | NAV 2 |
| LOC1 | NAV 1 |
| LOC2 | NAV 2 |
Lateral Deviation Scale and Pointer
Lateral deviation information is presented on the PFD in the center of the heading display. The white lateral deviation scale and the green pointer indicate course deviation for VOR/LOC navigation. The pointer is amber if pilot and copilot are using the same source. A red cross displays on top of the scale to indicate failure condition.
The center of the deviation scale is the fixed miniature aircraft symbol. The scale has two white dots, on either side of the aircraft symbol. The scale will rotate with the selected course/desired track pointer.
VOR Lateral Deviation
When the selected navigation source is VOR, the deviation scale values are:
| Deviation Bar Position | VOR Computed Deviation |
|---|---|
| 2nd Dot right | + 10 degrees |
| 1st Dot right | + 5 degrees |
| Zero Index | 0 degree |
| 1st Dot left | − 5 degrees |
| 2nd Dot left | − 2 degrees |
Beyond the second dot on the scale, the deviation bar will continue to move, but at reduced sensitivity.
Localizer Lateral Deviation
When the selected navigation source is LOC, the deviation scale values are:
| Deviation Bar Position | Localizer Deviation |
|---|---|
| 2nd Dot right | + 2 degrees |
| 1st Dot right | + 1 degree |
| Zero Index | 0 degree |
| 1st Dot left | − 1 degree |
| 2nd Dot left | − 2 degrees |
To/From Indicator
The TO/FROM triangle indicates whether the aircraft is flying To or From a VOR station. The triangle will rotate with the selected course pointer. The To/From data for VOR is green and is amber if pilot and copilot are using the same source. The TO/FROM triangle is displayed based on the absolute value of the VOR bearing minus the selected course, as follows:
| Position | VOR Bearing – Selected Course |
|---|---|
| To | Less than or equal to 88 degrees |
| From | Greater than or equal to 92 degrees |
| Not Displayed | Between 88 degrees and 92 degrees |
When the selected navigation source is LOC, the TO/FROM indication is removed from the display.
Course Select
Course select is provided via the CRS knob when in VOR/ILS navigation (FMS navigation sources automatically select the proper course). When navigating using a VOR source, pushing the PUSH DCT button synchronizes the course pointer to point directly to the active VOR station.
Course is displayed on the PFD by a pointer and digital readout. The digital readout is located in the upper left corner of the HSI display. The course select pointer is normally green or amber if pilot and copilot are using the same source.
Bearing Pointers
Bearing information is presented on the PFD by two pointers on the HSI compass. The pointers are selected for display from pushbuttons located on the on-side PFD controller.
Bearing Pointer No. 1
Bearing pointer no.1 is as a single cyan line with a circle near the head of the pointer. Bearing no. 1 annunciation is displayed on the lower left corner of the PFD format, above the bearing no. 2 annunciation:
| GP KNOB SELECTION | PFD TEXT IDENTIFIER |
|---|---|
| OFF | No identifier |
| VOR1 | VOR1 |
| ADF1 | ADF1 |
Bearing Pointer No. 2
Bearing pointer no. 2 is a double white line with a diamond near the head of the pointer. Bearing no. 2 annunciation is displayed on the lower left corner of the PFD format, below the bearing no. 1 annunciation:
| GP KNOB SELECTION | PFD TEXT IDENTIFIER |
|---|---|
| OFF | No identifier |
| VOR2 | VOR2 |
| ADF2 | ADF2 |
Note:
In triple FMS installations, the PFD text identifier will be FMS 3 for the third FMS selection.
Distance Display
The distance display is on the PFD to the right and above the compass card. The distance display provides the distance to a navigation source station in nautical miles (NM). An amber H label is added when DME hold is active. The digital readout and distance identifier is green for on-side and amber if pilot and copilot are using the same sources.
CAT1/CAT2 Annunciator and Window
The CAT1/CAT2 annunciation provides for a valid and invalid CAT1/CAT2 condition after establishing certain flight conditions. The CAT1/CAT2 annunciation is presented between the altitude tape and the attitude sphere on the PFD.If the CAT2 annunciation is active and valid, a green CAT2 annunciator and a white tolerance bracket window are displayed.
Partial Compass Heading Display
The partial compass (ARC) heading display format is selected by pressing the HSI button on the PFD controller. The ARC format provides a ±45°compass display. Most of the ARC display symbols are the same as the full compass display,except for the heading display. A green digital heading display is presented at the top of the compass card in the ARC heading format.
Preview Course Pointer/Navigation Source
When FMS is the displayed navigation source on the PFD, the VOR/LOC course deviation and vertical deviation may be previewed on the compass card format. Previewed NAV source data is selected by tuning the on-side SRN to a V/L frequency and activating the V/L pushbutton on the on-side PFD controller.
When the preview mode is selected for display, a green preview course pointer and deviation bar are displayed on the compass card. For VOR/LOC previewed course, turning the course select knob on the GP-400 guidance panel will move the preview course pointer around the compass card.
The vertical deviation scale adjacent to the attitude sphere is displayed in the previewed mode, if the NAV receiver is tuned to a localizer frequency.
When the CRS knob is rotated in a VOR/LOC previewed course, the DTK annunciation and digital readout are replaced with a white CRS label and green readout. The CRS readout will be displayed as long as course data is being selected, plus five seconds. Then the DTK label and digital readout return.
A green annunciation of the previewed NAV source is displayed directly below the active navigation source. The possible previewed NAV source annunciations are:
- VOR1
- VOR2
- LOC1
- LOC2
Comparison Monitor Annunciations
Comparison monitors indicate that there is a difference between pilots and copilots sensors. All comparison monitors flash for the first five seconds and then stay on steady.
Glideslope and Localizer Miscompare Annunciators
When activated, the amber GS annunciator is displayed in the lower right part of the attitude sphere. The amber LOC annunciator is displayed below the marker beacon display field. The glideslope monitor is activated for the following conditions:
- Glideslope values differ by more than 50 microamps (2/3 dot)
- LOC is the selected navigation source The localizer monitor is activated for the following conditions:
- Localizer values differ by more than 40 microamps (approximately 1/2 dot)
- LOC is the selected navigation source
Radio Management Unit (RMU)
Each RMU provides on-side and cross-side control of all radios via RSB. The RSB is a digital bus system that has three isolated busses:
- The primary RSB connects all of the VHF NAV units in the system to the radio management units (RMUs). This configuration supplies the pilots with opposite/same side control of the VHF NAV units
- The left secondary RSB connects the VHF NAV unit 1 to the pilot's RMU
- The right secondary RSB connects the VHF NAV unit 2 to the copilot's RMU
The RMU displays radio frequencies and operating parameters in page formats.
The default radio tuning page of the RMU contains six dedicated windows: COM, NAV, ATC, TCAS, ADF and HF. Pressing the PGE button opens several other pages of data (i.e. radio maintenance log, power on/off control, strap options, software versions).
The VHF NAV memory page has 12 memory locations associated with NAV window. Each memory location is numbered and appears on one of the two memory pages. Each page stores up to six frequencies. Push the line select key next to a memory location to tune that location. Push the memory load key to load the active channel with the memory channel.
Note:
When the FMS is selected to disabled, the COM and NAV radios will not communicate with the FMS on the RSB bus.
05/09/16
System Interface
Signal Interface
The integrated navigation system. Command, control, and data communications between LRUs is via RSB. All LRUs inside the INU communicate over RCB. Audio from the INU to the audio control units is via digital audio bus (DAB). This system supplies the interface to the flight compartment loudspeakers, headphones, microphones, and service interphones.
Power Inputs
| UNIT | MODULE | SPDA/BUS |
|---|---|---|
| VHF NAV1 | DME1 Interrogator Module | SPDA2 28 VDC BUS2 |
| ADF1 Receiver Module | SPDA2 28 VDC BUS1 | |
| VHF1 NAV Receiver Module | SPDA2 28 VDC BUS2 | |
| VHF NAV2 | DME2 Interrogator Module | SPDA4 28 VDC ESS BUS |
| ADF2 Receiver Module | SPDA4 28 VDC ESS BUS | |
| VHF2 NAV Receiver Module | SPDA4 28 VDC ESS BUS |
The cluster module has its own on-board power supply and receives its primary +28 VDC input power from either the VHF NAV receiver module, the DME interrogator module or the ADF receiver module, so that in the event any one of them is energized, the cluster module will be energized.
05/09/16
System Monitoring
Power-On Built-In Test
On the ground, the RMU initiates a NAV system power-on self-test (POST) when power is first applied.
The first page to appear on the RMU is POST in progress. POST lasts 45 seconds. During POST, the following is observed on the horizontal situation indicator display on both PFDs:
- MKR indicators and tones annunciate in the sequence of
- 400 Hz (blue O)
- 1,300 Hz (amber M)
- 3,000 Hz (white I)
- LOC and GS deviation bars indicate centered course for approximately 2 seconds with flags out of view
- LOC and GS deviation bars deflect left and up one dot, for approximately 2 seconds with flags out of view
- If the course selector is on 0 degree, VOR deviation bar centers on a course of 0 degree TO. If the course selector is on 180 degrees, VOR deviation bar centers on a course of 180 degrees FROM
- DME test appears 10.0 nm, 120 kt, and 5 minutes TTG
- ADF pointer slews to 135 ± 10 degrees relative to aircraft heading
- Audio tone is heard through the audio system
Continuous Built-In Test
Fault indications are presented on the RMU and the PFD.
PFD Indication
Loss of valid vertical deviation from the NAV receiver causes the following:
- Removal of the vertical deviation pointer
- Scale red X’d
- Inhibit GS miscompare annunciation
Loss of valid lateral deviation from the NAV receiver causes the following:
- Removal of the HSI lateral deviation pointer
- HSI lateral scale red X’d
- Inhibit LOC miscompare annunciation
- Removal of the previewed course arrow/ deviation bar
Loss of valid distance information from the DME module causes the following:
- Removal of the Morse code identifier
- Amber dashes on the distance digital readout
Loss of valid bearing information from the NAV receiver module causes the following:
- Removal of the HSI lateral deviation pointer
- HSI lateral scale red X’d
- Removal of TO/FROM display
- Removal of bearing pointer
RMU Indication
Any failure of a module causes the RMU to remove the frequencies or commands associated with that particular function and replaces them with dashes.
System Test
Initiated Built-In Test – RMU
The system also includes a pilot-activated self-test (PAST). It is activated by pushing a line select key to place the cursor in the window for the module to be tested, and then pushing and holding the TST button on RMU.
PASS indicates a serviceable test and ERR indicates a failed test. When a test fails, a corresponding failure code is logged in the module’s NVM. This information can be accessed by going to that module’s maintenance log using the RMU. The maintenance log provides a code and description of the fault. Using that fault data information, the AMM details the appropriate corrective action.
09/22/20
Component Location Index
| Component Location Index | |||
|---|---|---|---|
| IDENT | DESCRIPTION | LOCATION | IPC REF |
| A3/A4 | VHF NAVIGATION UNIT | ZONE(S) 141/142 | 34-51-01 [ GX ] [ GXRS ] [ G5000 ] |
| E14 | VOR/LOC ANTENNA | ZONE(S) 345 | 34-51-05 [ GX ] [ GXRS ] [ G5000 ] |
| E13 | GLIDESLOPE ANTENNA | ZONE(S) 212 | 34-51-17 [ GX ] [ GXRS ] [ G5000 ] |
| E12 | MARKER-BEACON ANTENNA | ZONE(S) 141/142 | 34-51-25 [ GX ] [ GXRS ] [ G5000 ] |
| E6/E7 | DISTANCE-MEASURING-EQUIPMENT (DME) ANTENNA | ZONE(S) 141/142 | 34-53-01 [ GX ] [ GXRS ] [ G5000 ] |




































