Overview
The weather radar (WXR) system identifies the location and intensity of the rain or hail in the flight path of the aircraft. It also identifies the contour of the ground (terrain) with a ground-map (GMAP) function.
The WXR system is a remote-controlled system that contains a receiver/transmitter unit, a flat plate antenna and two control panels. The system operates at 9,375 MHz (25 MHz) and has a maximum display range of 300 nmi. The electronic flight instrument system (EFIS) shows the weather and terrain data on the multi-function display (MFD) units.
The PRIMUS® 880 system detects weather patterns along the flight path of the aircraft and gives the flight crew a visual indication, in color,showing weather intensity and turbulence. In the weather detection mode, target returns are displayed at five video levels (0, 1, 2, 3, or 4), with 0 represented by a black screen because of weak or no returns. Levels 1, 2, 3, and 4 are represented by green, yellow, red, and magenta respectively to show progressively stronger returns. Areas of potentially hazardous turbulence are shown in gray white when in turbulence mode. In the ground mapping mode, video levels of increasing reflectivity are displayed as black, cyan, yellow, and magenta.
The radar operating mode, scan width, gain, stabilization, antenna tilt functions and special modes are all controlled by the WC-880 radar controller. With two controllers installed in the aircraft, both the pilot and copilot can look at different ranges and tilt settings at the same time.
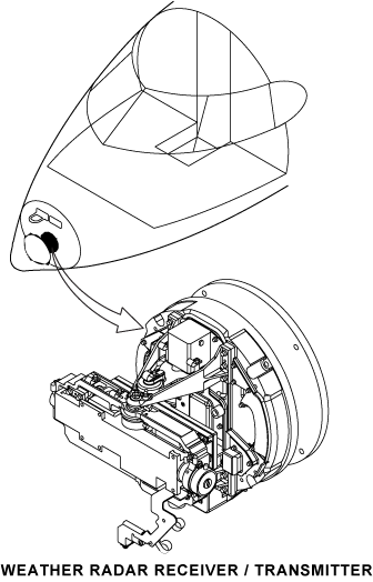
Receiver Transmitter
The receiver/transmitter is an integrated unit that is installed on the forward bulkhead in the aircraft nose. The unit weighs approximately 15 lbs (6.8 kg) (without the attached antenna) and operates with a +28 VDC power supply. The unit has one electrical connector that connects to the control panels and other avionic systems. It also has an internal cooling fan that keeps the it in a safe temperature range during operation.
The receiver transmitter antenna (RTA) is an integrated unit mounted under the radome. It incorporates transmitter, receiver, and antenna into a single unit. The RTA on the Global uses an 18 inch flat plate radiator. The remainder of the circuitry is contained in the electronics package,which forms the RTA base. The RTA transmits and receives X-band radio frequency energy for weather detection and ground mapping. The transmitted signals are sent directly to the antenna from the transmitter circuitry, which is mounted on the rear of the antenna. Reflected signals received by the antenna are sent to the receiver. The receiver processes these signals by encoding them into one of four levels depending on their intensity, scan converts the signals and outputs the scan converted data to the MFD units.
The Receiver/Transmitter has the properties that follow:
- The receiver is a low-noise, microprocessor-controlled circuit. It has an adjustable video bandwidth that changes with the pulse width and range selections. It also has manual and automatic gain controls.
- The transmitter operates at 9,375 MHz (±25 MHz). It uses a magnetron circuit that supplies 10 kW of power to the antenna. The transmitter has an adjustable pulse width (1 or 2.0µsec) that changes with the range and mode selections.
- The antenna is an electro mechanically-controlled, movable flat-plate with an 18 inch diameter. It does a full symmetrical scan every 10 seconds in sectors of 60 or 120 degrees in azimuth. The antenna has a tilt range of ±15 degrees and a maximum vertical range of ±30 degrees (when the STABILITY mode is ON).
Antenna
The antenna is an electro mechanically-controlled, movable flat-plate that is attached directly to the receiver/transmitter unit. The antenna has a diameter of 18 inches and weighs approximately 2.5 lbs (1.1 kg). It has a gain of 31 dB and a beam width of 5.6 degrees. It does a full symmetrical scan every 10 seconds in sectors of 60 or 120 degrees in azimuth. It also has a tilt range of ±15 degrees and a maximum vertical range of ±30 degrees (during the STABILITY mode).
Control Panels
The WXR system has two control panels installed in the center pedestal. The control panel has two electrical connectors that connect to the receiver/transmitter and other avionic systems. They contain switches to select the radar modes and to control the variable gain, and antenna tilt settings.The controller on the pilot’s or copilots side may have an optional lightning sensor mode control switch installed to control the lightning sensor system.The control panel weighs 1.9 lbs (860 g) and operates with a +28 VDC aircraft power.
The control panels supply the pilots with remote control of the receiver/transmitter and antenna. The receiver/transmitter and antenna can operate with one or two control panels. When only one control panel is ON, the two MFD units show the same WX display. When the two control panels are ON, the pilots can independently control the functions of the receiver/transmitter and antenna. In this configuration, each MFD unit shows a different WX display during one of two full scans of the antenna (e.g., MFD 1 shows the WX data at 200 nmi while MFD 2 shows the GMAP data).
The control panels have different controls that set the receiver/transmitter and antenna modes and functions. The TRB, STAB, TGT, and SECT modes have ON/OFF pushbuttons. The GAIN, RADAR, and TILT functions have rotary control knobs. These knobs operate as follows:
- GAIN - A single turn rotary control and push/pull switch that is used to control the receiver gain. Pushing in on the GAIN switch causes the system to enter the preset, calibrated gain mode. Pulling out on the GAIN switch causes the system to enter the variable gain mode.
- RADAR - This knob sets the receiver/transmitter to the OFF, SBY, WX, RCT, GMAP, FP, or TST mode.
- TILT - A rotary control used to select tilt angle of antenna beam in relation to the horizon. Clockwise rotation tilts beam upward 0 to 15 degrees, counterclockwise rotation tilts beam downward 0 to 15 degrees. A digital read-out of the antenna tilt angle is displayed on line 2 of the MFD WXR display area.
- OFF - Turns the weather radar system off. In a dual control installation, both mode control switches have to be in the OFF position to turn the radar off. Both controllers must be OFF before the RADAR turns off. If one controller is on, the other is in the SLV mode.
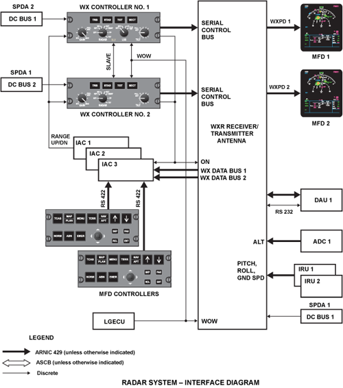
The WXR control panels receive the range control signals from the integrated avionics computer (IAC) system through the MFD control panels. These signals increase or decrease the range of the WXR system.
MFD Display Controller
This controller is used to set the MFD range and the weather radar range. When the weather radar is displayed and the navigation format is MAP, the UP and DOWN arrows send push-button information to the weather radar to change the range setting. The range selection is then sent to the MFD on the serial control interface bus. If this bus fails, the information comes from the fault warning computer. The MFD range selection is limited to 300 NM when the radar is on and not in FP mode.
The weather radar controllers are installed in the center pedestal. Two controllers allow both the pilot and copilot to look at different ranges and tilt settings at the same time. One controller may have an optional lightning sensor system (LSS) switch installed. The LSS detects and displays lightning activity up to 100 nm from the aircraft and operates independently from the weather radar.
System Operation
The PRIMUS® 880 weather radar system uses many special functions to enhance detection of hazardous weather around the aircraft. This section describes the operation of the sensitivity time control (STC) technique, the rain echo attenuation compensation technique (REACT), and the turbulence detection technique (TRB).
Sensitivity-Time-Control (STC)
A conventional STC function operates within the IF amplifier section of every radar receiver. Its basic purposes is to correct for normal signal loss as a function of range. A radar without STC would have a tendency to overemphasize weather targets on the closer ranges and make them appear excessively intense. The STC circuit ensures that echoes are displayed with equal intensity relative to similar targets from minimum range to maximum range.
Rain Echo Attenuation Compensation
REACT provides an instantaneous response to intervening storm cells and dynamically corrects the STC curve to preserve the calibrated receiver response. REACT accomplishes three separate and distinct functions.
- First, it compensates for the attenuating effects of precipitation in order to maintain target calibration
- Second, REACT advises the pilot of areas where target calibration cannot be maintained. When the compensation reaches its maximum value, the point where red level weather target calibration can no longer be maintained, REACT then changes the screen background from black to cyan (blue).
- Third, if any target is detected in the cyan field, it will be shown in magenta to alert of its possible severity
Turbulence
Turbulence is detected in an area of precipitation by measuring the Doppler effects on radar returns with a technique called "Pulse Pair Processing" (PPP). In the turbulence detection mode of operation, the Primus® 880 radar transmits about 1,400 pulses per second and compares there turns from successive pulses to determine the presence of turbulence.
Receiver/Transmitter Modes of Operation
WAIT
This mode operates automatically each time the system is energized. In this mode, the system is ON but not prepared for full operation. The WAIT mode continues until the magnetron completes its warm-up cycle. This mode stops automatically after 5 seconds for a warm-start, or 90 seconds for a cold-start.
STANDBY (STBY)
This mode operates automatically after the WAIT mode (the pilots can also set the SBY mode manually from the control panels). In this mode, the system is ON and prepared for full operation but does not transmit. The SBY mode continues until the pilots make a different mode selection. In this mode, the MFD shows the STBY legend.
FORCED STANDBY (FSTBY)
This safety mode operates automatically during a weight-on-wheels (WOW) condition. In this mode, the system is ON and prepared for full operation but does not transmit. The FSTBY mode continues until the WOW condition stops (the pilots can also cancel the FSTBY mode manually from the control panels) In this mode, the MFD shows the FSTBY legend.
WEATHER (WX)
This mode identifies the intensity and location of the precipitation at ranges of 5, 10, 25, 50, 100, 200, and 300 nmi. The MFD units show this data in five colors (in order of intensity): black (lowest), green, yellow, red, and magenta (highest).
GROUND-MAP (GMAP)
This mode identifies the different contours of the terrain. The MFD units show this data in four colors (in order of height): black (lowest), cyan, yellow, and magenta (highest).
TURBULENCE (TRB)
This mode identifies the location of moderately turbulent areas at ranges of 5, 10, 20, 25, 40, and 50 nmi. The MFD units shows this data in white.
REACT (Rain-Echo-Attenuation-Compensation-Technique) (RCT)
This mode makes allowances for the attenuation of the reflected radar signal (echo) caused by the weather. It identifies the location of high precipitation in front of the usual weather detection field. The MFD units show this data in magenta on a cyan field.
TEST (TST)
This mode does a self-test of the WXR system functions. In this mode, the MFD units show two pages of data. The RADAR STATUS page shows the condition of the system (e.g., TRANSMITTER FAIL, RADAR OK). The STAB ADJUST page shows the parameters that change the stability adjustments (e.g., ROLL OFFSET, PITCH INPUT). The MFD units show correct operation in green, warnings in amber, and failures in red.
TARGET ALERT (TGT)
This mode gives a visual warning of dangerous weather conditions (targets of red intensity or higher as shown on the MFD units). It identifies the targets up to 50 nmi more than the set range, and in the forward sector of ±7.5 degrees.
STABILITY (STAB)
This mode automatically adjusts the antenna’s position to ±15 degrees more than its usual tilt range. This keeps the antenna in the correct line-of-sight position when the aircraft’s attitude is more than the tilt range (with this mode ON, the antenna has a total vertical range of ±30 degrees).
SECTOR SCAN (SECT)
This mode sets the antenna scan range at 120 degrees for a standard scan, or 60 degrees for a sector scan.
FLIGHT PLAN (FP)
In this mode, the MFD units show the flight plan data from other avionic systems.
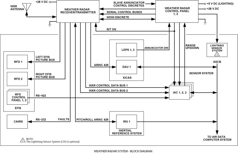
System Interface
Control Signals
The control signals for the weather radar RT unit come from the WXR controllers via serial control interface buses (SCI). The data transmitted on this bus includes the following information:
- TURB on/off
- TGT on /off
- SECT key press
- Forced standby
- Mode knob position
- Radar gain knob position
- Radar variable gain on/off
- Tilt knob position
- ACT on/off
- Selected range
Range Control
The range information originates in the MFD controllers on RS 422 to the three IACs and then the three discrete outputs are interfaced through an "OR" gate into the WXR controllers. This range is added to the other control signals sent to the WXR RTA on the SCI buses.
The control signals are sent from the WXR RTA to the three IACs on SCI buses. When the weather radar is valid and displayed on the MFD, the display range is controlled by the weather radar through the EFIS picture bus. The control input is used by the IACs to verify the status of the weather radar. If the weather radar is not displayed or is invalid or has failed then the IACs control the display ranges as selected by the MFD controller.
WOW Input
A weight-on-wheels (WOW) input to the WXR control panel is used to put the weather radar in forced standby mode when the aircraft is on the ground. The 28 VDC inputs to WX controllers 1 and 2 comes from the secondary power distribution assembly (SPDA) no. 1 and the 5 VDC lighting annunciation dimming from the light dimming power supplies 1 and 3.
Slave Annunciator
There is a slave control discrete line between the two control panels used to turn on the SLV annunciator when one control panel is turned to OFF. An RT ON discrete from either control panel goes to the WXR RTA and to the IACs to turn the WXR ON and to tell the IACs that the WXR controls the MFD range.
Display
The EFIS picture buses going from the WXR RTA to the MFDs is weather picture data (WXPD) bus. This sends the picture data, the control information and fault information that will be displayed on the MFDs.
IRU Inputs
There are high-speed ARINC 429 inputs from IRUs 1 and 2 with pitch (label 325) and roll (label 324) data for the STAB function, the ground speed (label 312) for turbulence detection and inertial altitude (label 361) for the altitude compensated tilt function.
Strapping
The strapping tells the RTA that an 18" antenna is installed and the "open" status of the other strap connections indicate the type of input buses are connected.
CAIMS Download
An RS 232 bus is used to download fault data to the PMAT and ARINC 429 inputs and outputs to DAU 1 interface with the CAIMS system. The WOW connection is a backup for the one on the control panel. An input on either one will force the system in standby mode in cause faults stored in memory to be flagged as ground faults.
05/03/16
Control and Indications
Weather Radar Controller
RADAR Mode Switch
OFF: Removes power from system. In a dual control installation, both switches must be OFF to turn the radar off.
STBY: The system is in a ready state with the antenna motion stopped, magnetron heater on, the transmitter disabled and the display memory erased. Antenna is parked in tilt-up position.
WX: Places the radar system in the weather detection mode. The system is fully operational and all internal parameters are set for enroute weather detection.
RCT: Selection of RCT enables operation of rain echo attenuation compensation technique. This technique automatically adjusts (increases)receiver gain in order to compensate for the attenuation or reduction in strength of the radar signal as it passes through rainfall. A cyan background is shown in areas where the receiver gain can no longer be increased. As a result, any target inside of the cyan area will appear in magenta color. This warns the crew that there is a possibility of severe rainfall in the region.
GMAP: Places the radar system in the ground mapping mode. The system is fully operational and internal parameters are set to enhance returns from ground targets.
FP: Places the radar system in the flight plan mode, permitting the singular display of navigation data on the EFIS/MFD (there is no radar data presented). In FP, the radar is put into the standby mode and FPLN legend is displayed.
TST: Selects the radar test mode. A special test pattern is displayed to allow verification of system operation. The TEST legend is displayed in the mode field.
TRB Pushbutton
When turbulence mode is selected, the radar compares the returns from successive pulses to determine the presence of turbulence. Such areas appear in white on the display.
STAB Pushbutton
Turns the pitch and roll stabilization ON and OFF. It is also used with the STAB adjust mode for test purposes.
TGT Pushbutton
Enables the target alert feature. This mode monitors beyond the selected range and 7.5 degrees on each side of the aircraft heading for significant targets ahead of the aircraft.
SECT Pushbutton
Selects 12 looks per minute 120 degrees sector scan, or the faster 24 looks per minute 60 degrees sector scan. The selection on either controller affects both displays.
GAIN
Pushing in on the GAIN switch causes the system to enter the preset, calibrated gain mode. Pulling out on the GAIN switch causes the system to enter the variable gain mode.
TILT
Adjusts the tilt angle of antenna beam in relation to the horizon. A digital readout of the antenna tilt angle is displayed on line 2 of the MFD WXR display area.
Pulling on the TILT knob enables altitude compensated tilt (ACT) function. The ACT function automatically fine-tunes the antenna tilt for range and barometric altitude up to +/−2 degrees. The letter A accompanies the tilt legend on the MFD when the function is selected.
SLV Annunciator
Operative only in dual controller installations, this annunciator illuminates to indicate that displayed data is controlled by opposite side controller.
MFD Screen Display
The weather radar returns are displayed on the MFD when the navigation format is MAP, the WXR is turned ON (not STBY) and there are no failures. The returns are not displayed when the FP or the TEST modes are selected or when the MFD is displaying synoptics.
When the radar returns are displayed, the range selection for the MFD comes from the weather radar. Range selections are 5, 10, 25, 50, 100, 200and 300 NM. The maximum range is 300 NM and the UP and DOWN buttons on the MFD controller are used to change radar and MFD ranges.
The display colors for the weather returns in the WX mode are green for light rainfall, amber for moderate rainfall, red for heavy rainfall and magenta for severe rainfall. When selected, the turbulence areas will be white. In the GMAP mode, the colors will be cyan for the least reflective,amber for moderately reflective and magenta for most reflective
Weather Mode Displays
Weather radar mode and status information is displayed in the lower left-hand display window of the MFD. There are four lines of weather radarannunciations and one for lightning sensor annunciation (option).
WX Mode Annunciators
Weather mode annunciators are displayed on line 1. They are: WX/OFF, WX, WAIT, FSTBY, STBY, FAIL, WX/RCT, WX/R/T, WX/T, TEST, GMAP and FPLN. The weather radar mode annunciation will flash if the following conditions are satisfied:
- The WX mode is WAIT
- A transmitting mode is active, the MFD is in the PLAN format, and weight-on-wheel is true
WX Tilt Display
Weather radar antenna tilt data is displayed directly below the WX mode annunciation. The data is displayed with a 0.5 degree resolution for angles between 10 degrees and to a 1 degree resolution for tilt angles greater than 10 degrees. The data is preceded with the label "T". The tilt angle is followed by an up- or down-pointing arrow for tilt direction. The data will be followed by an "A" if the altitude corrected tilt function is active.
Target Alert/Variable Gain Display
The target alert and variable gain indications are displayed directly below the antenna tilt display. Only one can be displayed at a time, with target alert having priority over variable gain. When target alert is selected, a TGT annunciation is displayed. The annunciation is white if there is no alert and the WXR display is not enabled, green if there is no alert and the WXR display is enabled and amber and flashing as long as the alert condition is detected when there is an alert.
Variable gain is displayed as a digital readout of knob rotation when the variable gain function has been selected. The indication consists of a label"G" followed by a percent readout of knob rotation and a % label. Full clockwise rotation of the knob equals 100%.
Stabilization Mode Annunciation
Whenever the radar antenna stabilization is off, an amber STAB annunciation is displayed directly below the target alert/variable gain line.
Lightning Sensor System Display
Lightning sensor system mode annunciations are displayed on the bottom line of the lower left-hand display window.
Forced Standby Override
To override the forced standby function, push STAB button 4 times within 3 seconds. This enables the radar to transmit on the ground.
Warning:
This system radiates 10 kw of RF. The safe distance for maximum permissible exposure level for personnel is 33 feet.
Radiation and Safety Precautions
The transmitter operates and radiates microwave energy in the WX, RCT, TST, GMAP, and TGT modes. The active mode is annunciated on the MFD.
A recommended safe distance from operating radars must be maintained. The FAA recommended maximum permissible exposure level (MPEL) boundary for the Primus 880 radar with 18 inch flat-plate antenna is 22 feet (6.7 meters). This represents the envelope in which radiation exposure level exceeds 10 mW/cm2. The American National Standards Institute (ANSI) recommends a MPEL of 5 mW/cm2. According to this standard, the MPEL boundary for this radar is 33 feet (10 meters).
To prevent possible fuel ignition, weather radar should not be operated while an aircraft is being refueled or defueled.
Honeywell recommends that the scanning area in front of the aircraft be free of large metallic objects (hangars) or other aircraft for a distance of 100 feet (30 meters) and the antenna be tilted fully upwards when testing the weather radar.
System Monitoring
Continuous Built-In Test
Each MFD displays the WX mode annunciations.
Scan and Transmit Switches
When the SCAN switch on the RTA housing is selected to off, the antenna will not rotate and a fault code will be generated. When the XMTR switch on the RTA housing is selected to the OFF position, the RTA will not transmit and a fault code will be generated.
05/03/16
System Test
Radome
The most frequent damage to radomes is holes in the structure caused by static discharges. These can be large holes that are readily apparent, or small pin holes that are almost imperceptible. Any hole, regardless or size, can cause major damage to a radome since moisture can enter the radome wall and cause internal delamination. When the moisture freezes, more serious damage will occur. If enough moisture collects, the radiation patterns will be distorted and the transmitted signals and return echoes seriously attenuated.
The radome on the Global must meet the requirements for a class C radomes. It must have an average transitivity in the radar window of 84% and a minimum transitivity of 78%. The radar window is an area that it covers the widest possible azimuth (140 degrees) and elevation (±35 degrees)angles of beam radiation. If damage is observed on the radome, its condition can be tested at service centers or specialized repair facilities.
Initiated Built-In Test – WX Controller
A self-test function of the WXR system may be initiated by placing the RADAR switch to TST. The test pattern gives visual indication of four functions: display colors, display sensitivity, transmitter and receiver integrity, and antenna synchronization.
If a failure occurs, the word FAIL and a fault code will be presented on the display indicators in weather mode. When more than one fault message exists, they are displayed one at a time, for one second each, in the sequence in which they occurred.
Weather Radar Fault Codes
The weather radar fault codes are displayed on the MFD when the radar is set to TST mode, and there is a FAIL message in the radar mode window. The fault code is a two-digit hexadecimal code.
CAIMS
Active faults are displayed on the PMAT, and the PMAT will provide the fault description for the displayed fault code found on the MFD display.The troubleshooting of Smart Fix Plus will detail the corrective action for the fault.
As the weather radar system is a partially compliant CAIMS member, NVM download/clear functions are not available on the PMAT.
LRU test stored flight/ground faults functions ARE available on the PMAT only if:
- Older CAIMS LDI database "Phoenix.030" is NOT being used, and
- SB700-34-048/SB700-1A11-34-022 is NOT incorporated.
Refer to Advisory Wire 700-34-0166 for more details. Note that it is recommended that Operators always install the latest version of LDI in their PMAT.
Technical Characteristics
| GENERAL | |
|---|---|
| Weight: | 16.0 lb (7.30 kg) |
| Primary Power: | 28 VDC, 110 W (max) |
| ANTENNA | |
| Size: | 18-inch flat plate radiator |
| Stabilization: | Line-of-sight, ±30 degrees |
| Tilt: | ±15 degrees |
| Scan Full: | 120 degrees (±60 degrees) |
| Sector: | 60 degrees (±30 degrees) |
| TRANSMITTER | |
| Frequency: | 9,345 ±25 MHz |
| Power: | 10 kW, nominal, magnetron |
| Tilt: | ±15 degrees |
| Pulse Widths: | 1.2, 1.5, 2.4, 4.8, 9, 18 and 27 msec determined by selected range and mode |
| PRF: | 120, 240, 360, and 480 Hz, determined by selected range in WX, 480/1260 in Turb. |
| RECEIVER | |
| STC: | Present in all modes |
| MDS: | 112.4 dBm nominal on 300 NM range |
| DISPLAYED RANGES | |
| WX/MAP: | 5, 10, 25, 50, 100, 200, and 300 NM |
| Flight Plan: | 5, 10, 25, 100, 200, 300, 500, and 1000 NM |
09/17/20
Component Location Index
| Component Location Index | |||
|---|---|---|---|
| IDENT | DESCRIPTION | LOCATION | IPC REF |
| A125 | WEATHER RADAR RECEIVER/TRANSMITTER | ZONE(S) 111 | 34-41-01 [ GX ] [ GXRS ] [ G5000 ] |
| - | WEATHER RADAR ANTENNA | ZONE(S) 111 | 34-41-01 [ GX ] [ GXRS ] [ G5000 ] |
| A122/A92 | WEATHER RADAR CONTROL PANELS | ZONE(S) 221/222 | 34-41-05 [ GX ] [ GXRS ] [ G5000 ] |















