Overview
The crew oxygen system supplies oxygen to the flight crew and passengers during cabin depressurization, smoke contamination, or other emergencies.
Oxygen is supplied to the flight crew from the oxygen storage cylinder and regulator assemblies through the quick-donning pressure-demand-type masks. The crew oxygen system also supplies oxygen to the passengers, but is controlled by the PASSENGER OXYGEN control panel in the copilot's side console. Crew oxygen-system pressure shows on the engine indication and crew alerting system (EICAS) secondary display.
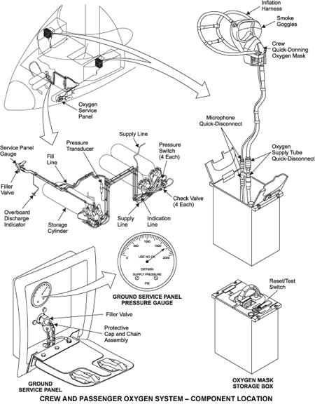
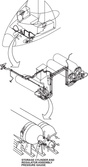
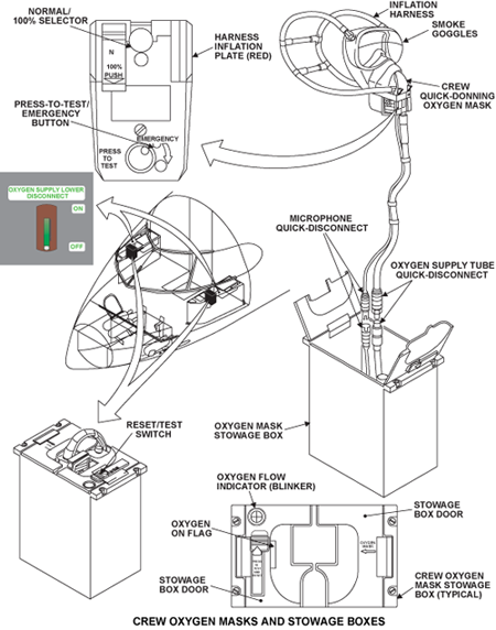
There are four oxygen storage cylinder and regulator assemblies which supply oxygen to the crew oxygen system. Oxygen moves from the oxygen storage cylinder and regulator assembly through a pressure switch and check valve to the crew oxygen mask. Each crew oxygen mask has a regulator that can be set to one of three different positions, NORMAL, 100% PUSH, and EMERGENCY. The masks are stowed in the pilot's and copilot's side-console stowage-box. The copilot’s side console contains the PASSENGER OXYGEN control panel which is an altimetric valve that controls oxygen to the passenger compartment.
Each oxygen storage cylinder and pressure regulator assembly has a pressure gauge to show oxygen pressure in the storage cylinder. The ground servicing panel has a pressure gauge and a filler valve. The pressure gauge monitors the pressure in the oxygen storage cylinders.
Oxygen pressure for the crew oxygen system is 1,850 psi (12,755.38 kPa). Oxygen pressure for each oxygen storage cylinder is 1,850 psi (12,755.38 kPa).
Pressure is also monitored by an oxygen pressure transducer and four oxygen pressure switches and is shown on the EICAS primary page. There is one pressure switch downstream of each oxygen storage cylinder and regulator assembly to make sure the regulator lever is in the ON position. The oxygen pressure switch also monitors the storage cylinder pressure and ends data to EICAS if a storage cylinder goes below 45 psi (310.27 kPa). If a regulator lever is OFF or a cylinder's pressure is below 45 psi (310.27 kPa), a caution indication on the EICAS primary page will show OXY LO QUANTITY.
The oxygen pressure transducer monitors the crew oxygen-system pressure. The oxygen pressure switches monitor each oxygen storage cylinder and regulator assembly pressure. Together they monitor the complete crew oxygen system and send data to the DAU and then pressure indications show on EICAS. The EICAS system will alert the crew of any problems with an on screen display. EICAS also gives continuous oxygen pressure status (in %).
Oxygen Supply System
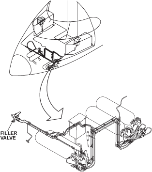
The oxygen supply system supplies oxygen to the flight crew and passengers during cabin depressurization, smoke contamination, or other emergencies. Four oxygen storage cylinders are installed to serve the flight crew and passengers. The flight crew is supplied with quick-donning, pressure-demand-type masks with mask mounted regulators. Oxygen to the passengers is controlled automatically or manually by an altimetric valve in the copilot´s side console. The oxygen supply system is filled through a ground servicing panel at the nose of the aircraft on the left side.
Storage Cylinders
Four storage cylinders supply the crew and passenger oxygen system. The storage cylinders are installed below the flight compartment floor on the left and right sides. The cylinders are filled through a ground servicing panel at the nose of the aircraft on the left side. Each cylinder has a volume of 50.1 cubic feet (1,418 liters) and are charged to a nominal 1,850 psi pressure. Each storage cylinder has a direct reading pressure gauge to indicate oxygen pressure in the cylinder. The storage cylinders have a service life of 15 years, and require hydrostatic testing every 36 months.
Attached to each oxygen bottle is a regulator that regulates system pressure to a nominal 70 psig. Incorporated into each regulator is a shutoff lever and a high/low pressure relief system. The shut off lever facilitates oxygen bottle removal.
The high-pressure relief valve of the regulator will relieve excess cylinder pressure overboard through a line to the overboard discharge indicator. The high-pressure relief is set at 2,600±100 psi.
In case of overpressurization of the low-pressure lines, a low-pressure relief valve incorporated in the regulator will allow excess pressure to be vented overboard to the overboard discharge indicator. The low-pressure relief of the regulator is set at 94 psi.
Caution:
Ensure that the Regulator lever on the Storage Cylinder(s) is lockwired in the ON position, otherwise oxygen may not be available to the crew or passengers when needed.
Crew Oxygen Masks and Stowage Boxes
The flight crew oxygen system supplies oxygen to the flight crew during cabin depressurization, smoke contamination, or other emergencies. The flight crew oxygen is supplied from the oxygen storage cylinders and regulator assemblies to two full face, quick-donning, pressure demand masks which are housed within self-contained storage boxes located in both the RHS and LHS cockpit side consoles. The mask-mounted regulators that have a built-in microphone.
Testing of the oxygen system is accomplished by means of the PRESS TO TEST AND RESET selector on the Mask Stowage box. This test indicates that oxygen is available to the masks from the storage cylinders without having to remove the masks from their box. Pressing the PRESS TO TEST AND RESET selector supplies oxygen to the mask regulator assembly.
A blinker located above the PRESS TO TEST AND RESET selector will momentarily display yellow, then black, indicating that the regulator has no leaks. If the blinker remains yellow, this indicates a leak in the system and should be checked.
The regulator demand mechanism can be tested by pressing and holding the PRESS TO TEST AND RESET selector and pressing the PRESS TO TEST knob on the mask regulator for one second. The blinker should display yellow momentarily, then black.
Oxygen Contents Indication System
The oxygen contents indication-system supplies ground servicing personnel with a total pressure indication of all the oxygen storage cylinders at the oxygen ground-servicing-panel pressure-gauge. It also supplies data to the flight crew on the display of the engine indicating crew alerting system (EICAS).
The oxygen pressure in each storage cylinder is monitored by the regulator on each cylinder. The regulators send oxygen pressure to the oxygen pressure transducer and the oxygen ground-servicing-panel pressure-gauge. The pressure transducer sends collected pressure data to the EICAS display.
Ground Service Panel
A direct reading pressure gauge is installed on the ground service panel, which is on the left forward fuselage. It is an analog gauge that shows the total pressure in the oxygen storage cylinders.
The ground service panel has a pressure gauge and a filler valve. The pressure gauge is calibrated from 0 to 2,000 psi and monitors the pressure when the oxygen system is filled. The filler valve is installed on the ground servicing panel next to the pressure gauge. The filler valve is used to fill the oxygen storage cylinders. It is a spring-loaded poppet valve and prevents oxygen flow in the opposite direction.
A placard at the fill panel indicates the proper fill pressure based on OAT. The maximum fill rate is 200 psig/min. The minimum bottle pressure is 50 psig, bottle purging is required if pressure in the oxygen bottle falls below this limit. Maximum allowable leakage per 24 hour period is 100 psig.
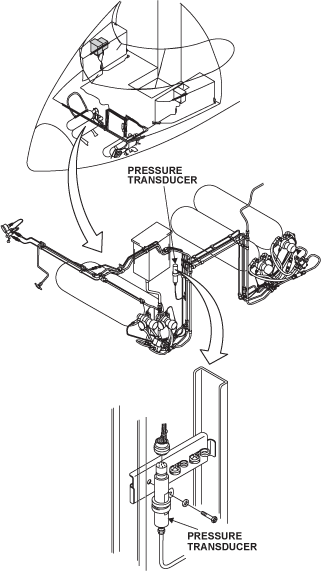
Pressure Transducer
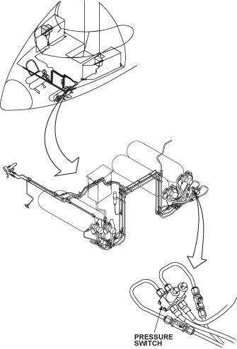
A pressure transducer is installed on the oxygen capillary line below the flight compartment floor on the left side of the aircraft. The pressure transducer gets pressure inputs through the capillary lines from each of the storage cylinder regulators. The pressure transducer sends temperature-compensated (to 21 °C) oxygen-pressure data to the EICAS status page display. The pressure transducer interfaces with DAU No. 3.
Oxygen Filler Valve
An oxygen filler valve is installed on the ground servicing panel below the pressure gauge. This valve is used to fill the oxygen storage cylinders. It is a spring loaded poppet-valve and prevents oxygen flow in the opposite direction.
Oxygen Check Valve
There is an oxygen check valve installed downstream of each storage cylinder in the supply line after the oxygen pressure switch. The check valve isolates the each oxygen bottle from system pressure. It prevents opposite flow of oxygen to the pressure switch which can give an incorrect indication on the EICAS display.
Oxygen Pressure Switch
A pressure switch is installed downstream before the check valve of each storage cylinder on the supply line. The switch monitors pressure in each cylinder and sends data to EICAS. This configuration makes sure the shutoff lever on the cylinder pressure regulator is in the ON position. The pressure switch functions at < 45 psig.
Oxygen Supply Lower Disconnect Switch
The Oxygen Supply Lower Disconnect Switch allows oxygen flow to the optional pilot and copilot half masks.
Overboard Discharge Indicator
The overboard discharge indicator is installed on the left forward fuselage. It is an aperture mounted, green disk that can break. The overboard discharge indicator is installed on the high/low pressure discharge-line. To avoid a fire hazard during an over pressure, the disk will break and let the oxygen go through the overboard discharge indicator to atmosphere. The rupture disc breaks at 40 psi. The missing green disc indicates that a system inspection is necessary. The rupture disc indicates that replacement of a bottle is necessary.
Oxygen Warning System
The oxygen warning system tells the pilot and the copilot that the use of oxygen is necessary because of an emergency condition.
The oxygen warning system sends caution indications to the engine indication and crew alerting system (EICAS). EICAS shows the oxygen caution and warning indications on the primary page. There is also an aural warning to tell the pilot and copilot of an emergency condition. The pilot and copilot can monitor the oxygen system pressure on the secondary display.
Engine Indication and Crew Alerting System (EICAS)
EICAS gives a warning indication and an aural warning when the cabin altitude reaches 14,500 feet (+500/−750 feet). The warning indication will be an advisory (cyan message) and it will read PASSENGER OXY ON. This message will appear when the altimetric valve is set at its NORMAL setting. The caution indication (amber message) OXYGEN LO QTY shows when the system pressure falls below 75%.
EICAS also gives an indication if one or more of the oxygen storage-cylinder regulator-levers is left in the OFF position. There is an oxygen pressure switch downstream of each oxygen storage cylinder. Each oxygen pressure switch sends a signal to EICAS. When a regulator lever is OFF, the caution will read OXYGEN LO QTY.
06/09/21
System Operation
Oxygen Consumption Data
Please refer to FCOM2 (Global/XRS) for oxygen consumption data.
Please refer to FCOM2 (Global 5000) for oxygen consumption data.
Flight Crew (Full Face)
Oxygen pressure is supplied to the masks from the storage cylinders by the oxygen bottle pressure regulator at 70 psi pressure. Oxygen flow is available in 3 modes to each mask and is controlled by the flow regulator.
Normal Mode
N (normal) automatically supplies a mixture of ambient air and oxygen (diluted). Flow is upon demand.
100% Mode
100% pure oxygen is available by sliding the switch down to the 100% position. This mode is generally used in case of smoke or toxic fumes in the cockpit. Flow is upon demand.
Emergency Mode
Emergency is obtained with the N-100% switch in "100%" and by depressing and rotating the PRESS-TO-TEST button to the EMERGENCY position. This mode is used at high altitude to aid breathing.
N and 100% modes are "on demand" meaning that oxygen is available only by operator breathing. In the EMERGENCY mode, a constant flow is available at slightly higher pressure.
EICAS gives a caution message when the system pressure falls below 1,400 psi (77%). The caution message will read OXY LO QTY.
Each mask includes an oxygen supply hose, an oral-nasal mask shell with an inflatable harness. A microphone and microphone leads are also incorporated in the mask assembly.
The mask stowage boxes are located in the pilot´s and copilot´s side consoles. They incorporate a door-operated shutoff valve, a flow indication blinker, and a reset/test switch.
Mask Donning
The oxygen mask is designed for one-hand (within 5 seconds) quick-donning operation. By pressing the "plate" the harness is inflated. The mask can then be quickly placed over the head. When the plate is released, the elastic harness shrinks providing a snug fit.
When the mask is pulled out from the stowage box, the open doors release the shutoff valve which then allows oxygen to flow to the mask.
When the doors are closed, the shutoff valve does not closed automatically. In order to close the valve, the reset/test switch must be depressed.
The flow indicator on the box will indicate yellow when oxygen is flowing.
When the reset/test switch is selected, the shutoff valve is momentarily opened and the flow indication will show yellow, indicating oxygen is available.
Flight Crew (Optional Full Face)
Two optional masks can be installed to replace the standard EROS MF10 series masks.
EROS (Magical™) MF20 Quick Donning Masks
Two EROS MF20 series masks can be opted for the pilot and copilot. (MF10s will be retained by the customer). The existing factory equipped MXP411 storage boxes will be retained to accommodate the new masks. The new masks will provide additional comfort features as well as "field of view" improvements over the existing factory masks.
EROS MC20 Quick Donning Masks
Two EROS MC20 series Quick Donning masks can be supplied for the pilot and copilot. (MF10s will be retained by the customer). The existing factory equipped MXP411 storage boxes will be retained to accommodate the new masks. The new masks will provide additional comfort features and are used with the EROS MXG smoke goggles.
EROS MXG Smoke Protection Goggles
Two EROS MXG series goggles shall be provided for use with the Eros MC20 Quick-Donning mask.
Flight Crew (Optional Half Mask)
The Puritan Bennet "Sweep On" 2000 mask is a quick donning mask, but does not have the smoke goggles attached. Oxygen is supplied via outlets located in the side console closeout panels. The masks are stored in stowage cups mounted on the FS276 closeout panels LHS & RHS. A shutoff valve is installed on each side console to ensure that the supply of oxygen to these outlets can be shut off.
The "Sweep-On" crew oxygen mask has TSO-C78 and TSO-C89 approval to 45,000 ft. The regulator provides automatic oxygen dilution from sea level and emergency purge for visual and respiratory protection. Additionally, it supplies automatic positive pressure breathing from 39,000 ft to 45,000 ft. and features single knob regulator mode selector with NORM (Normal), 100%, and EMER (Emergency) mode settings.
Flight Crew (Optional Jump Seat Half Mask)
A Puritan Bennett "Sweep On" 2,000 mask can be installed at the jump seat location. Oxygen is supplied via an outlet located in the LHS entrance enclosure. The mask is housed in a stowage cup mounted within the LHS entrance enclosure. A shutoff valve is installed on the pilot side console to ensure that the supply of oxygen to this outlet can be shut off.
The MC20 jumpseat oxygen mask is interfaced to the third audio control panel for audio interface functions. The jumpseat mask is connected to the same oxygen source as the normal crew oxygen masks, and oxygen is available whenever it is available at the crew masks. To use the jumpseat MC20 oxygen mask, don the mask and breathe normally.
Flight Crew (Optional Crew Rest Area Mask)
A full face quick donning mask housed within a self-contained storage box can be installed in the Crew Rest Area. A shutoff valve is installed on top of the pilot's side consoles to ensure that the supply of oxygen to this mask can be shut off.
Crew Protective Breathing Equipment
The system consists of four major components: a solid state oxygen supply source, a chemical scrubber for carbon dioxide and water vapor, a loose fitting hood with a supporting head harness and neck seal to enclose the head and provide the respiratory environment. The crew PBE units are located within three (3) feet of any fire extinguishers.
PBE Installation
The PBE is stored in an aluminized vacuum-sealed foil pouch installed in a protective stowage box.
Inspection
If the foil pouch appears inflated, instead of condensed and constricted it should be replaced.
Warning:
The PBE contains oxidizing chemicals and should be isolated from oils and grease that may present a fire hazard.
Warning:
In all cases, chemical materials should be disposed of in a safe manner conforming to applicable laws and regulations.
System Test
Testing of the flight crew oxygen system is accomplished by means of the Test/Reset selector on the mask stowage box. This test indicates that oxygen is available to the masks from the storage cylinders.
Oxygen Test Switch
The emergency oxygen system is interfaced to the cabin management and cabin power distribution system to remove power from non-essential cabin systems in the event of depressurization. During deployment or test, the following conditions are established by the cabin management system and interface relays KW 151 and KW 152, in bulkhead FS280 R, and relays KW 153, KW 154, and KW 155 in cockpit circuit breaker panel 2:
- Aft lavatory dome lights ON
- Entry dome light ON
- Forward lavatory oxygen box light ON
- Crew area emergency light ON
- Selected cabin PSU emergency lights ON
- NO SMOKING and RETURN TO SEAT ordinance signs ON
- SEAT BELT signs ON
- Cabin fluorescent lights OFF
- Galley fluorescent lights OFF
- Forward lavatory fluorescent lights OFF
- Aft lavatory fluorescent lights OFF
- Crew area fluorescent lights OFF
- Cabin entertainment system OFF
- All 60 Hz equipment OFF
- PASSENGER OXY ON displayed on EICAS
After the test is completed (TEST RESET), or after the emergency oxygen system valve is shut off, certain conditions are established or restored as follows:
- Aft lavatory dome lights OFF
- Entry dome light OFF
- Forward lavatory oxygen box light OFF
- Crew area emergency light OFF
- Selected cabin PSU emergency lights OFF
- NO SMOKING and RETURN TO SEAT ordinance signs OFF
- SEAT BELT signs OFF
- Cabin fluorescent lights OFF
- Galley fluorescent lights OFF
- Forward lavatory fluorescent lights OFF
- Aft lavatory fluorescent lights OFF
- Crew area fluorescent lights OFF
- Cabin entertainment system OFF
- All 60 Hz equipment OFF
- PASSENGER OXY ON EICAS message removed
- Cabin indirect lights set to ON BRIGHT
- Crew area indirect lights ON BRIGHT
- Forward lavatory indirect lights set to ON BRIGHT
- Aft lavatory lights set to ON BRIGHT
- Cabin management system resumes normal operation
A guarded oxygen test switch is installed on bulkhead FS280 aft of the copilot seat. The oxygen test switch has three positions:
Test: To test the oxygen system without deploying the passenger oxygen mask.
Reset: To reset the oxygen system.
Normal: For normal operation of the oxygen system.
Note:
Refer to Completion Center Supplemental Maintenance Manual (SMM) for specific details of nonessential cabin system that are activated by the oxygen test switch and a passenger oxygen system deployment.

























