05/18/16
Overview
The bleed air system uses pressurized air, which is supplied by the engines, the auxiliary power unit (APU), or by a ground cart through the pneumatic ground connection. Two bleed management controllers (BMCs) control the pneumatic system. Indications for the pneumatic system are shown on the engine indication and crew alerting system (EICAS). The distribution system supplies pressurized air to the air conditioning system, the engine start system, the wing anti-ice system, and the cowl anti-ice system. These systems control the pressurized air through ducts, shutoff valves, check valves, and other valves.
Bleed air from the engine is supplied through a bleed pressure regulating and shutoff valve, which is found in each engine nacelle. Bleed air from the auxiliary power unit (APU) is supplied during ground operation or for a cross bleed start of an engine in flight. The APU is found in the aft equipment compartment. The ground connection is installed behind the ground air servicing connection door in the lower aft fuselage. An electrically controlled cross bleed valve connects or isolates the left and the right air supply systems.
The indicating system displays messages if an overheat condition occurs in the bleed ducts, the anti-ice ducts, and the APU ducts. This system also monitors the parameters of the bleed air pressure in the ducts and the position of most of the valves. All the messages related to these parameters are shown on the EICAS display, glareshield, and overhead control panel. Lights and aural warnings also give indication of a leak.
The primary functions of the bleed-air system are as follows:
- Move the bleed-air between the low pressure and the high pressure ports
- Control the pressure of the bleed-air
- Control the temperature of the bleed-air supplied to the air conditioning system
- Supply the bleed-air to start the engine
The pressure regulating valve (PRV) and the high pressure valve (HPV) control the bleed air system. The pressure regulating valve (PRV) and the high pressure valve (HPV) are controlled through the switches that follow:
- L ENG BLEED
- R ENG BLEED
- XBLEED
When the L ENG BLEED and the R ENG BLEED switches are set to OFF, the high pressure valve (HPV) stays in the closed position. When the L ENG BLEED and the R ENG BLEED switches are set to AUTO, the pressure regulating valve (PRV) operates in the automatic mode. When the L ENG BLEED and the R ENG BLEED switches are set to the ON position, the HPBSV opens.
The XBLEED switch controls the cross bleed valve. When the XBLEED switch is set to CLOSED, the cross bleed valve (CBV) closes. When the switch is set to AUTO, the CBV operates in the automatic mode. When the switch is set to OPEN, the CBV opens.
During normal operation, the low pressure port (5th stage) of the engine compressor supplies bleed air to the related systems. When the air pressure from the low pressure port is too low, the bleed management controller (BMC) automatically changes the bleed air supply to the high pressure port (8th stage) of the engine compressor. This is to give sufficient performance of the related systems.
On a ISA Standard Day at sea level, the bleed air would be:
| APU | 248°C (478°F) @ 55 psi (No pneumatic load) |
| Engine high pressure port | 133°C (271°F) @ 30 psi (Idle) |
| 407°C (764°F) @ 210 psi (T.O.) | |
| Engine low pressure port | 77°C (170°F) @ 19 psi (Idle) |
| 277°C(530°F)@100 psi(T.O.) |
05/18/16
Bleed Air Panel
The bleed air control panel is installed on the overhead panel in the flight compartment. It controls the bleed air supplied to the anti-ice system and the air conditioning system. It contains four rotary switches to control the bleed air supply.
The Left and Right ENG BLEED switches have three positions:
OFF – The bleed pressure regulating valve (PRV) and the high pressure valve (HPV) are closed independently of the BMC. After the PRV closure, a (L or R) BLEED OFF status is displayed on EICAS.
ON – The PRV is commanded open. when selected, a (L or R) BLEED ON status message is displayed on EICAS and PRV valve is opened independently of BMC control.
AUTO – The PRV and the HPV are automatically controlled by the BMCs, depending on the bleed demand and the configuration needed by the system.
The XBLEED (cross bleed) switch has three positions:
CLOSED – The cross bleed valve (CBV) is closed independently of the BMC. The status of the XBLEED valve is displayed on EICAS.
OPEN High – The CBV is driven open and one PRV is commanded to close (the left one if the right bleed is operative) by the left BMC. A XBLEED OPEN status is displayed on EICAS, when selected.
AUTO – The cross bleed valve is open or closed automatically by the two BMCs, depending on PRV position; simply, if one or both PRVs are closed (with no Bleed or Anti-Ice system failure), the CBV is commanded to open.
The APU BLEED switch has three positions:
OFF – The APU load control valve (LCV) is closed.
ON – In this mode, an APU BLEED request is sent to the APU FADEC and the LCV is driven open. In this mode, the engine PRVs are forced closed.
AUTO – In this mode, the APU load control valve is driven open by the BMCs, using the APU bleed request sent to the APU FADEC. This occurs when the two engines are OFF, both engine bleed switches are selected off or an APU bleed Engine Start is selected by BMC.
Bleed Air Ducts
The bleed air ducts are installed in the engine/pylon area on the low pressure and on the high pressure ports of the engine. These ducts are connected to the systems that follow:
- Engine nacelle anti-icing system
- Auxiliary power unit (APU) bleed air system
- Pressurized air ground connection
The HP bleed duct from the 8th stage engine port, the LP bleed duct from the 5th-stage bleed port and the APU supply duct are made from Inconel.
The remainder of the bleed air ducts are made from titanium.
The cross bleed duct, ECS pack feed ducts and wing supply ducts are insulated so that their skin temperature does not exceed 200°C (392°F). In case of a duct crack, the leak is collected by the shell and directed by holes towards leak detection loops.
Mechanical Interfaces and Coupling
Flexible UROSEAL joints are provided along the ducting to cope with pressure-induced loads, structural deflections and thermal expansion of the pipes. The ducts are connected to each other, using WJ13 flanges and V-band couplings.
The mechanical interfaces and coupling perform as follows:
- The Uroseal type sleeved flexible connectors are joints that consist of a sleeve, fitted with internal seals. The sleeve connects two ducts, each of which incorporates a stop. These flexible connectors can compensate both parallel offset and axial displacements. Such flexible connectors are used in the following locations:
- Precooler hot air outlet
- Precooler cold air inlet
- APU supply line connection to manifold
- Bleed filter inlet
- Ozone converter outlet
- Pack inlet
- WJ13 rigid coupling is used to connect high-pressure components to the bleed and trim ducts and consists of a flange and a coupling. These V-band clamps are a variable diameter type of clamp and are widely used in commercial aircraft. The WJ13 is a gasketless tube joint that provides efficient sealing.
High Pressure Ground Connection
The high pressure ground connection is installed to the lower skin of the rear fuselage. It is a double flap check valve with a pneumatic coupling for the connection of the bleed air system to a ground cart. The HPGC is covered by an access panel on the bottom centerline of the aircraft aft of the aft equipment bay door.
Intermediate Pressure (or Low Pressure) Check Valve
The intermediate pressure check valve is installed in the nacelle on the low pressure port of the engine compressor. It has two spring-loaded flappers that open when the air flows one way and close when the air flows in the opposite direction.
During normal operation, the valve is in the open position to let the air flow from the low pressure port to the related systems. It will close and prevent reverse flow when the high pressure valve is supplying the system.
Intermediate Pressure Transducer
The intermediate pressure transducer is installed on the engine. It measures, through a pneumatic sense line, the pressure upstream of the intermediate pressure check valve (low pressure port air). It transmits an electrical signal, which agrees with the measured pressure to the BMC. It is an analog gauge type sensor with temperature compensation and is supplied with 28 VDC. Pressure range is 0 - 178 psig with an output voltage of 0.5 to 9.5 volts.
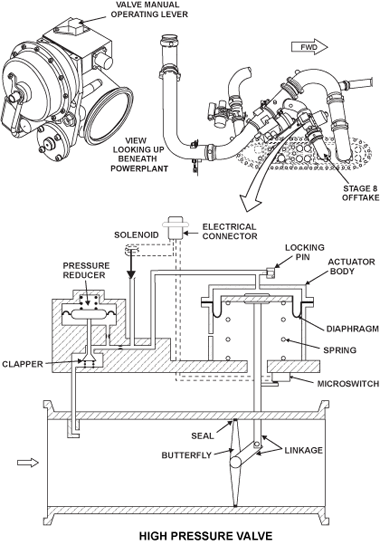
High Pressure Bleed Shutoff Valve
The high pressure bleed shutoff valve is found in the nacelle and installed on the high pressure port of the engine compressor. This valve is electrically operated and pneumatically actuated. It moves the air supply from the low to the high pressure port of the engine compressor when the pressure from the low pressure port is not sufficient. It moves the air supply back to the low pressure port when the air pressure comes back to a sufficient level.
- A valve body
- A pneumatic actuator
- A pressure regulator
- A solenoid
- A microswitch
The valve body has a butterfly plate connected to the pneumatic actuator through a shaft. The butterfly plate opens when there is an upstream pressure and when the solenoid is energized. It closes when there is no upstream pressure or the solenoid is de-energized. The pneumatic actuator has a piston, a diaphragm, a cylinder assembly, and a return spring. The solenoid controls the opening and the closing of the valve. Differential pressure between the top and the bottom part of the actuator chamber moves the piston up or down to keep the airflow pressure to a constant level. The diaphragm prevents pressure leaks from the bottom chamber. The pressure regulator supplies constant airstream pressure in the actuator chamber. A microswitch installed on the valve body indicates if the valve is open or closed.
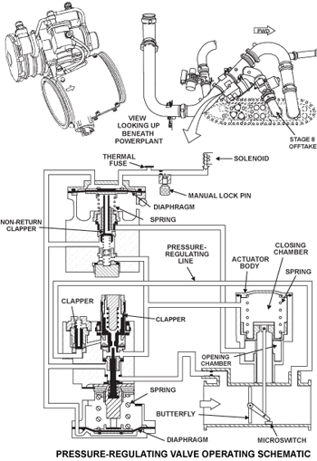
Pressure Regulating and Shutoff Valve
The bleed pressure regulating and shutoff valve is installed in the nacelle, downstream the high pressure bleed shutoff valve and the intermediate pressure check valve. The valve is pneumatically operated and spring-loaded closed. It keeps the air supply to a limit of approximately 45 psig.
The pressure regulating valve is a "normally-operating" pneumatically-operated, electrically-controlled, spring-loaded-closed butterfly, pressure regulating and shutoff valve. It is equipped with an end-of-travel microswitch that provides closed status.
A thermal fuse provides automatic closure of the valve in the event of an engine fire or overheat. The valve can be manually locked in the closed position for dispatch purposes.
With upstream pressure available (>8 psig) and the solenoid de-energized, the valve will open; with upstream pressure available and the solenoid energized, the valve will close. Full closed/not full closed position information is provided to the associated bleed management controller and to the data acquisition units.
Bleed Pressure Transducer
The bleed pressure transducer (BPT) is installed in the aft equipment compartment. It measures, through a pneumatic sense line, the air pressure downstream of the pressure regulating valve and supplies the information to the bleed management controller (BMC).
It is an analog, gauge type sensor with temperature compensation and is supplied with 28 VDC. Pressure range is 0 to 75 psig with an output voltage of 0.5 to 9.5 volts.
This pressure information is used by the BMC for pressure monitoring and for HPV opening schedule. It is also sent to EICAS for bleed pressure indication.
Precooler Exchanger
The precooler exchanger is installed in the pylon downstream of the bleed pressure regulating and shutoff valve. The temperature of the air supply from the engine is decreased through the precooler exchanger to less than 392°F (200°C).
The precooler exchanger has an insulation blanket cover to minimize radiated heat.
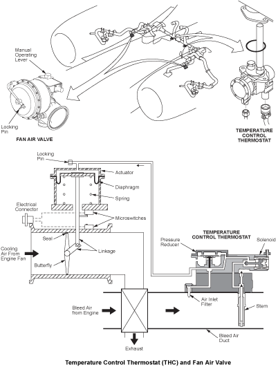
Fan Air Valve
The fan air valve is installed in the pylon. It supplies cold air from the engine fan stage to the precooler exchanger. The air pressure from the temperature control thermostat (THC) pneumatically operates the fan air valve. The valve is equipped with two end-of-travel microswitches to indicate the fully closed and fully open positions. Fan air valve position information is provided to the associated air conditioning system controller (ACSC).
The fan air valve has a locking device to lock the valve in the open position for dispatch purposes.
Temperature Control Thermostat
The temperature control thermostat (THC) is installed on the bleed duct in the aft equipment compartment. It controls the fan air valve to make sure that the temperature downstream the precooler exchanger does not exceed approximately 200°C (392°F). Differential expansion of the materials of the stem is caused by increased temperature in the ducting. This restricts a controlled leak, which allows more pressure to pass to the fan air valve. The fan air valve, in turn, will open and allow greater cooling air through the precooler exchanger.
The THC is equipped with a solenoid valve, controlled by the associated air conditioning system controller (ACSC). When 28 VDC is applied to the solenoid, high air pressure is supplied which causes the fan air valve to open fully. The ACSC will energize the THC solenoid when auxiliary pressurization has been selected or if a seized air cycle machine is sensed (Refer to ATA 21 for more details).
05/18/16
Pre-Cooler Air Offtake
The pre-cooler air offtake is installed in the nacelle. It lets the hot fan air come out to the outside.
05/18/16
Pre-Cooler Air Duct
The pre-cooler air duct is installed in the nacelle. It supplies air from the engine fan to the fan air valve and the pre-cooler exchanger.
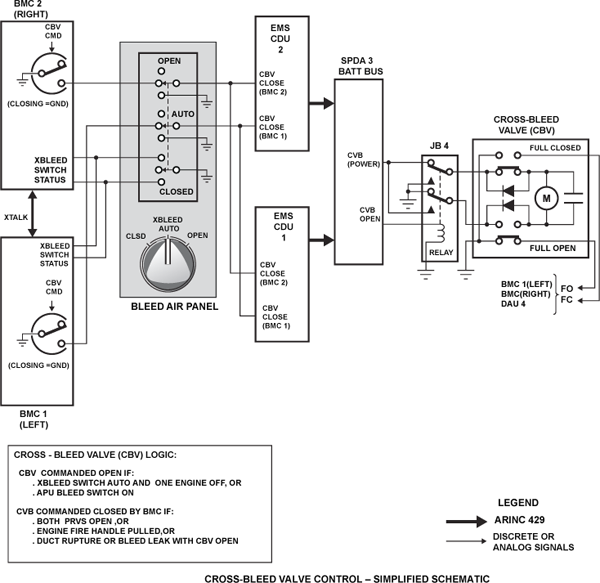
Cross Bleed Valve
The cross bleed valve is installed between the left and right bleed ducts in the aft equipment compartment. It is an electrically operated isolation valve. It can give connection between the right and left bleed systems for the auxiliary power unit (APU) bleed and for the engine start. It is equipped with two end-of-travel microswitches to indicate the full open and full closed positions. Position information is provided to both BMCs and the DAUs.
The valve has a manual override lever to move the valve to the closed position for dispatch purposes.
The electrical actuator of the valve is insulated against heat radiated from the valve body by means of a heat shield.
Bleed Management Controller
The bleed management controller (BMC) is installed in the main avionics compartment. It monitors and controls the functions of the bleed air system and of the wing anti-ice system and monitors the cowl anti-ice system. There is one BMC for each side of the bleed air system.
BMC 1 is dedicated to the left hand side of the aircraft and BMC 2 is dedicated to the right hand side of the aircraft. Each BMC comprises two redundant and separate channels (Channel A for Control and Channel B for Monitoring).
The Control channel (Channel A) controls the following functions:
- Bleed air supply on/off switching
- Wing anti-ice on/off switching and monitoring
- Wing anti-ice temperature regulation and monitoring
- Cowl anti-ice monitoring for the associated aircraft side
In parallel the control channels of both BMCs drive the CBV and CBW valves.
The monitoring channel (CH B) provides the following:
- System monitoring functions
- Bleed leak detection for complete aircraft
- Redundancy for bleed air supply on/off switching (except CBV)
- Redundancy for wing anti-ice on/off switching and monitoring (except CBW)
- Redundancy for wing anti-ice temperature regulation and monitoring
- Redundancy for cowl anti-ice monitoring for the associated aircraft side
Each BMC has an internal control/monitoring channel dialogue via an internal RS422 link. Both BMCs crosstalk to each other via an ARINC 429 bus. Each BMC communicates to the corresponding air conditioning system controller (ACSC) via an ARINC 429 bus. The BMCs communicate with the DAUs via ARINC 429 buses.
System Operation
The bleed air system is normally supplied from the engine low pressure ports. The pressure downstream of the pressure regulating valve (PRV) is sensed by the bleed pressure transducer (BPT) and is monitored by the bleed management controller (BMC). The pressure at the low pressure port (5th engine stage) is continually sensed by the intermediate port pressure transducer (IPPT) and is also monitored by the BMC.
The BMC signals the High Pressure Valve (HPV) to open when the bleed air pressure is too low for proper operation of the downstream systems (sensed by the BPT). The BMC signals the HPV to close when LP pressure is sufficient (sensed by the IPPT). The HPV is automatically signaled to close by the BMC whenever the PRV is signaled to close.
On an ISA standard day at sea level, the bleed air would be approximately:
- APU
- 248°C (478°F) @ 55 psi (no pneumatic load)
- Engine high pressure port
- 133°C (271°F) @ 30 psi (idle)
- 407°C (764°F) @ 210 psi (T/O)
- Engine low pressure port
- 77°C (170°F) @ 19 psi (idle)
- 277°C (530°F) @ 100 psi (T/O)
Engine Bleed and Transfer Operation
When 28 VDC is applied to the solenoid of the HPV, provided there is sufficient pressure upstream of the valve (>12 psig), the valve will open. The solenoid is energized by the SPDA, according to a command from the corresponding Bleed Management Controller (BMC).
Automatic Transfer
When the ENG BLEED rotary switch is set to the AUTO or ON position, control of the HPV is performed by the BMC.
There are three threshold points for the LP to HP transfer, depending on demand (monitored by BPT):
- 23 psig for same side pack operation only
- 30 psig for pack and corresponding wing anti-ice operation
- 36 psig for pack and anti-ice operation of both wings
Note:
The system does not allow both air conditioning packs to be supplied from one engine, due to the inability of the precooler to cool the volume of air needed.
When the HP port supplies the bleed air system, the pressure sensed by the IPPT is read by the BMC, which signals the HPV to close, when this pressure is sufficient.
There are three threshold points for HP to LP transfer, depending on demand (monitored by IPPT):
- 27 psig for pack operation only
- 34 psig for pack and corresponding wing anti-ice operation
- 40 psig for pack and anti-ice operation of both wings
Fire Handle
The HPV closes whenever the associated Fire Handle is pulled. The HPV can only open once the Fire Handle has been reset.
Overheat Protection
The wing anti-ice system is protected against incorrect use of HP bleed due to a drift in IPPT reading, which could cause an overheat of the ducts and components. This is performed by the BMC monitoring P30 burner pressure (an engine parameter which is read on the ARINC 429 bus) and is always active. The HPV closes when P30 exceeds 190 psia, and opens when P30 is below 173 psia.
Pressure Regulation Operation
Pressure regulation function is performed pneumatically by the Pressure Regulating Valve (PRV).
When no voltage is applied to the solenoid of the PRV, and with sufficient pressure upstream of the valve (8 psig), the valve will open.
Correct operation of the pneumatic pressure regulation is monitored by the BPT. When the pressure increases above 60 psig, or when the pressure is below 90% of the pressure used for LP to HP switching (which depends on the bleed configuration) for 15 seconds, the BMC drives the bleed closed and triggers a caution message "BLEED FAIL".
When 28 VDC is applied to the PRV solenoid, the butterfly closes. The PRV is controlled by:
- The BMC as long as the ENG BLEED Selector is in the AUTO position, or
- The ENG BLEED Selector rotary switch ON or OFF position, or
- The Fire handle
Automatic Closure
Each PRV is commanded closed in any of the following conditions:
- When the corresponding Bleed rotary switch on the cockpit panel is in the OFF position
- When the associated engine is off
- If the APU bleed is manually selected ON
- During the engine start sequence for the engine on the same side
- When the opposite PRV is open and the cross bleed valve is failed open (to avoid reverse flow from the opposite bleed)
- When a bleed leak is detected in the associated bleed circuit
- When the leak detection system of the associated bleed circuit is failed
- When overpressure is detected (60 psi > 15 seconds)
- When the associated HPV is failed open (for protection against overheat)
- When the associated WAIV is failed open causing wing leading edge overheat
- When associated fire handle is pulled
Manual Switching
When the ENG BLEED Selector is set to ON, automatic control of the PRV by the BMC is bypassed and the valve is forced open by logic in the SPDA. When the OFF position is selected, the PRV closes.
Fire Handle
The PRV closes when the associated Fire Handle in the cockpit is pulled. The PRV can only open once the Fire Handle has been reset.
Temperature Regulation Operation
The bleed air is cooled by engine fan air as it passes through the Precooler Exchanger (PCE). The flow of fan air is controlled by the Fan Air Valve (FAV) to achieve a temperature of 200°C (392°F). This is carried out via the Temperature Control Thermostat (THC). The THC modulates the position of the FAV to regulate the temperature to 185 ± 15°C on ground to account for a drift upward with increasing altitude up to 215°C (419°F).
Normal Operation
The normal mode of temperature regulation is entirely pneumatic. With no pressure in the bleed air ducts, the Fan Air Valve (FAV) is closed. As long as the temperature downstream of the precooler remains below 185°C (365°F), the THC does not allow the FAV to open.
When the temperature reaches 185°C the FAV begins to open. Any increase in temperature above 185C will cause the FAV to open further, thus cooling the bleed air until the temperature decreases to 185°C (365°F).
Auxiliary Pressurization/Air Cycle Machine Seizure
When the AUX PRESS switch is selected, the Air Conditioning System Controller energizes the solenoid of the THC. This causes the FAV to be driven to the fully open position.
Should an Air Cycle Machine seize, the Air Conditioning System Controller (ACSC) will energize the solenoid of the THC. This causes the FAV to be driven to the fully open position.
In both cases the bleed temperature is driven to the lowest possible value.
Engine Start Operation
The bleed management controller (BMC) performs engine start management in the automatic mode. Automatic start is initiated by selection of the associated Engine Run switch on the throttle quadrant. The EEC carries out the start-up sequence and sends a start request signal to the BMC. When the starter valve is commanded open by the EEC, the BMC decides if an APU start or a cross bleed start is appropriate, with a priority for APU start on ground and cross bleed start in flight.
Prior to starting the engine the cross bleed valve (CBV) is selected open (as soon as one engine is not running in order to speed up the valve reconfiguration and to allow for faster engine starts). The BMC then closes the ECS Flow Control Valves and Hot Air Shutoff Valves (via the ACSC) and the Wing Anti-ice valves and:
- Forces both the left and right PRV closed for either a left or right engine start using APU bleed air
- Forces the left PRV closed and the right PRV open for a left engine start using right engine bleed air (cross bleed)
- Forces the right PRV closed and the left PRV open for a right engine start using left engine bleed air (cross bleed)
When the first engine start has been successfully accomplished, the engine EEC negates the starter valve opening demand, and the ECS Flow Control Valves and Hot Air Shutoff Valves and the Wing Anti-Ice Valves are allowed to re-open.
After completion of the second engine start, priority to supply bleed air automatically reverts to the engines (assuming the APU BLEED selector is in AUTO). The APU LCV will close, the CBV will close and the engine PRVs will automatically open.
If, during a start, the selected configuration of valves cannot be achieved, that is to say, if after a confirmation time, the position switches of the valves are not in agreement with the automatic selections, a BLEED MISCONFIG advisory message is displayed on EICAS. The message will be negated as soon as the start demand is no longer present.
If the normal source of air for engine starting (APU on ground, engine in flight) is not available, the BMC will revert to the other source (opposite engine on the ground or APU in flight).
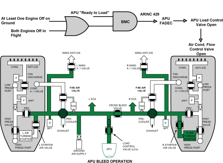
APU Bleed Operation
Automatic Mode
With both engines not running, the CBV valve will automatically open and both PRVs will be closed.
With the APU BLEED selector in the AUTO position and the APU running and "ready to load", and:
- One or both engines are OFF on ground or
- Both engines are OFF in flight,
The BMC will signal the APU FADEC to open the APU Load Control Valve (LCV). Under this situation the pack Flow Control Valves will open, assuming the PACK switches are not selected OFF (normal position).
Manual Mode
With both engines running and the APU BLEED selector in AUTO, the priority to supply the pneumatic system will be given to the engines. However, if the APU BLEED selector is set to ON, the automatic mode is bypassed, and both PRVs will be automatically closed. In addition, the CBV will open if its selector is in the AUTO position. The APU LCV will open, providing the APU is "ready to load".
Positioning the APU BLEED selector to OFF will bypass the automatic mode, and if the APU bleed air was open, the APU LCV will close. The engine PRVs will be allowed to open as commanded.
Protection Against Reverse Flow
In order to prevent the engine bleed air from the engines from impacting the bleed air on the opposite engine, the bleed manifolds must be isolated by closure of the Cross Bleed Valve (CBV). Protection against reverse flow is automatically provided by the following logic.
Bleed Configuration Tables
The following table illustrates the possible configurations for Bleed Selection and the source of bleed air for the left and right Environmental Control Packs.
| BLEED SELECTION | BLEED SOURCE | COMMENTS | ||||
|---|---|---|---|---|---|---|
| L.ENGINE | APU | X-BLEED | R. ENGINE | L. PACK | R. PACK | |
| Auto | Auto | Auto | Auto | APU | APU | On ground, if one engine is not running |
| L ENG | R ENG | In flight and (on ground, if both engines are running). | ||||
| Off | Auto | Auto | Auto | APU | APU | On ground, if one engine is not running |
| OFF | R ENG | In flight and (on ground, if both engines are running). | ||||
| Off | Off | Auto | Auto | OFF | R ENG | |
| Off | On | Auto | Auto | APU | APU | |
| Off | Auto | Auto | On | OFF | R ENG | |
| Off | Off | Auto | On | OFF | R ENG | |
| Off | On | Auto | On | APU | R ENG | X-bleed valve is closed. |
| Off | Auto | Auto | Off | APU | APU | |
| Off | On | Auto | Off | APU | APU | |
| Off | Auto | Closed | Auto | APU | R ENG | On ground, if one engine is not running |
| OFF | R ENG | In flight and (on ground, if both engines are running). | ||||
| Off | Off | Closed | Auto | OFF | R ENG | |
| Off | On | Closed | Auto | APU | R ENG | |
| Off | Auto | Closed | On | APU | R ENG | On ground, if one engine is not r |
| OFF | R ENG | In flight and (on ground, if both engines are running). | ||||
| Off | Off | Closed | On | OFF | R ENG | |
| Off | On | Closed | On | APU | R ENG | |
| Off | Auto | Closed | Off | APU | OFF | |
| Off | On | Closed | Off | APU | OFF | |
| Off | Auto | Open | Auto | APU | APU | On ground, if one engine is not running |
| OFF | R ENG | In flight and (on ground, if both engines are running). | ||||
| Off | Off | Open | Auto | OFF | R ENG | |
| Off | On | Open | Auto | APU | APU | |
| Off | Auto | Open | On | OFF | R ENG | APU LCV closed - APU BLEED DISABLE msg - On ground, if one engine is not running. |
| OFF | R ENG | In flight and (on ground, if both engines are running). | ||||
| Off | Off | Open | On | OFF | R ENG | |
| Off | On | Open | On | OFF | R ENG | APU LCV closed - APU BLEED DISABLE msg. |
| BLEED SELECTION | BLEED SOURCE | COMMENTS | ||||
|---|---|---|---|---|---|---|
| L. ENGINE | APU | X-BLEED | R. ENGINE | L. PACK | R. PACK | |
| Off | Auto | Open | Off | APU | APU | |
| Off | On | Open | Off | APU | APU | |
| Auto | Off | Auto | Auto | L ENG | R ENG | |
| Auto | On | Auto | Auto | APU | APU | |
| Auto | Auto | Auto | On | APU | R ENG | On ground, if one engine is not running. |
| L ENG | R ENG | In flight and (on ground, if both engines are running). | ||||
| Auto | Off | Auto | On | L ENG | R ENG | |
| Auto | On | Auto | On | APU | R ENG | |
| Auto | Auto | Auto | Off | APU L ENG | APU OFF | On ground, if one engine is not running. In flight and (on ground, if both engines are running). |
| Auto | Off | Auto | Off | L ENG | OFF | |
| Auto | On | Auto | Off | APU | APU | |
| Auto | Auto | Closed | Auto | L ENG | R ENG | |
| Auto | Off | Closed | Auto | L ENG | R ENG | |
| Auto | On | Closed | Auto | APU | R ENG | |
| Auto | Auto | Closed | On | APU | R ENG | On ground, if one engine is not running. |
| L ENG | R ENG | In flight and (on ground, if both engines are running). | ||||
| Auto | Off | Closed | On | L ENG | R ENG | |
| Auto | On | Closed | On | APU | R ENG | |
| Auto | Auto | Closed | Off | APU | OFF | On ground, if one engine is not running. |
| L ENG | OFF | In flight and (on ground, if both engines are running). | ||||
| Auto | Off | Closed | Off | L ENG | OFF | |
| Auto | On | Closed | Off | APU | OFF | |
| Auto | Auto | Open | Auto | APU | APU | On ground, if one engine is not running. |
| OFF | R ENG | In flight and (on ground, if both engines are running). | ||||
| Auto | Off | Open | Auto | OFF | R ENG | |
| Auto | On | Open | Auto | APU | APU | |
| Auto | Auto | Open | On | OFF | R ENG | |
| Auto | Off | Open | On | OFF | R ENG | |
| Auto | On | Open | On | OFF | R ENG | APU LCV closed - APU BLEED DISABLE msg. |
| Auto | Auto | Open | Off | APU | APU | On ground, if one engine is not running. |
| L ENG | OFF | In flight and (on ground, if both engines are running). | ||||
| Auto | Off | Open | Off | L ENG | OFF | |
| Auto | On | Open | Off | APU | APU | |
| On | Auto | Open | Auto | L ENG | OFF | Right bleed is closed. |
| On | Off | Open | Auto | L ENG | OFF | Right bleed is closed. |
| BLEED SELECTION | BLEED SOURCE | COMMENTS | ||||
|---|---|---|---|---|---|---|
| L.ENGINE | APU | X-BLEED | R. ENGINE | L. PACK | R. PACK | |
| On | On | Open | Auto | L ENG | OFF | APU LCV closed - APU BLEED DISABLE msg. - Right bleed is closed. |
| On | Auto | Open | On | L ENG | R ENG | X-bleed valve is closed - no msg. |
| On | Off | Open | On | L ENG | R ENG | X-bleed valve is closed - no msg. |
| On | On | Open | On | L ENG | R ENG | X-bleed valve is closed - APU LCV closed - APU BLEED DISABLE msg. |
| On | Auto | Open | Off | L ENG | OFF | APU LCV closed - APU BLEED DISABLE msg. - On ground, if one engine is not running. |
| L ENG | OFF | In flight and (on ground, if both engines are running). | ||||
| On | Off | Open | Off | L ENG | OFF | |
| On | On | Open | Off | L ENG | OFF | APU LCV closed - APU BLEED DISABLE msg. |
| On | Auto | Auto | Auto | L ENG | OFF | APU LCV closed - APU BLEED DISABLE msg. - On ground, if one engine is not running. |
| L ENG | R ENG | In flight and (on ground, if both engines are running). | ||||
| On | Off | Auto | Auto | L ENG | OFF | |
| On | On | Auto | Auto | L ENG | OFF | APU LCV closed - APU BLEED DISABLE msg. |
System Indication
The indicating system supplies output signals to give indication on the condition of the pneumatic system and its related components.
The indicating system gives indications on the parameters that follows:
- The bleed air pressure in the ducts
- The position of most valves in the pneumatic system
- Leaks in the pneumatic system ducts
- Too hot condition in the bleed ducts, the anti-ice ducts and piccolo tubes, and the APU ducts
These parameters are shown on the engine indication and crew alerting system (EICAS) display, on the glareshield, and on the overhead panel.
Indicating for the pneumatic system components is supplied by the components that follow:
- Two bleed management controllers (BMCs)
- Temperature sensors
- Pressure sensors
The BMCs are found in the avionics bay. One BMC controls the left bleed supply system, the other BMC controls the right bleed supply system. The BMCs are connected to the EICAS system which, in usual conditions, shows the condition of the pneumatic system through the EICAS secondary display. In there is an incorrect condition, the failure indication is shown on the EICAS primary page.
The temperature and pressure sensors transmit the indication signals to the BMCs. The BMCs then, transmit the applicable output signals to show the indications on the EICAS.
Switch, lights and aural warnings also give indication when there is a leak.
The Bleed/Anti-Ice Synoptic page is combined with the Wing and Cowl Anti-Ice Synoptic.
| Item | Green | Amber | White | Magenta | Cyan |
|---|---|---|---|---|---|
| Engine Outline | Engine running | - - - | Engine not running | Invalid | - - - |
| APU Outline | APU Ready to Load | - - - | APU not ready to load | Invalid | - - - |
| Bleed Valves Outline | - - - | Valve failed in position | Normal operation | Invalid | - - - |
| Bleed Air Ducts (note 1) | Air in duct, otherwise empty | Bleed leak detected | Duct outline only | - - - | - - - |
| Bleed Pressure Readout Boxes | Green digits valid data | Amber digits if over pressure (60 psi), amber dashes if data not valid | White digits if low pressure (20 psi) | - - - | - - - |
| Air Conditioning Pack Status | - - - | - - - | OFF displayed if pack switch OFF | - - - | - - - |
| Engine Starter Valve | - - - | Valve failed in position | Normal operation | Invalid | - - - |
| Engine Starter Ducts | Air in duct, otherwise empty | - - - | Duct outline only | - - - | - - - |
Note 1:
Duct outlines are white. "Filling" of the duct segments is based on related bleed air valve states and measured duct pressure.
Note 2:
Engine start ducts and valves are not displayed on the synoptic page once both engines are running.
System Monitoring
Each card (control and monitoring) within the BMC performs failure detection functions. When a failure is detected, the software performs the following actions:
- Corrective action. For example, if no data is available for DAU channel A the data from DAU channel B will be used
- Generate EICAS message
- Generate a CAIMS report
Power On Built-In Test (PBIT)
Power On Built-In Tests (PBIT) are performed automatically on power up, except in the following circumstances:
PBIT performs different tests on the control and monitoring channels. When PBIT is authorized after a cold start, the software checks the following:
Control Channel PBIT
- The Ice Detectors
- WAI valve
- CBV
- CBW
Monitoring Channel PBIT
- Watchdog timer
- Pin Programming
- CPU
- RAM
- Bleed Leak Detection Loops
If a failure is detected, a CAIMS report is generated and, in certain failure cases, a CAS message is also generated.
Continuous Monitoring
During Continuous Built In Test (CBIT), the following components are tested:
- EEPROM, EPROM, RS 422
- ARINC links with ACSC, opposite BMC and DAU
- HPV / PRV / CBV (BMC internal feedback & Failed Open or Closed)
- Pressure Transducers (out of range, power supply, comparison, low /overpressure)
- Bleed ducts rupturing
- Bleed Leak Detection Loops
- Wing and Cowl Anti-Ice valves and sensors
If a failure is detected, a CAIMS report is generated and, in certain failure cases, a CAS message is also generated.
System Test
The Bleed Management Controllers can be tested via CAIMS.
During IBIT the BMC and related sensors and valves are tested. If the system passes the test a "Test Results: Pass" message will be displayed (on the PMAT). If a failure occurs the appropriate CAIMS report will be generated, and for certain failure conditions, a CAS message will also be generated. The CAIMS report will identify the failed unit.
The IBIT tests include the following:
- CPU, RAM
- Bleed Leak Detection Loops (continuity)
- Ice Detector (4 second self-test)
- WAIV (current is applied to torque motor)
- CBW & CBV (valves are driven open/closed for a 15 second time period)
CAIMS Raw Data
The Bleed Management Status detected by the left and right BMCs is displayed in the "System Diagnostics / LRU Test" pages on the CAIMS PMAT.
The data is real time meaning that it will display current operating parameters. This data is presented in "user friendly" terms, such as temperature in °C, pressure in PSIG, position of switches and components, rather than digital codes. Bleed Management Controller related valves positions are displayed including:
- High pressure valve position
- Pressure regulating valve position
- Cross bleed valve position
Bleed pressure is not displayed in "System Diagnostics / LRU Test" pages as it can be read on the Bleed/Anti-Ice synoptic display.
09/23/20
Component Location Index
| Component Location Index | |||
|---|---|---|---|
| IDENT | DESCRIPTION | LOCATION | IPC REF |
| - | HIGH-PRESSURE-BLEED SHUTOFF VALVE | ZONE(S) 430/440 | 36-11-01 [ GX ] [ GXRS ] [ G5000 ] |
| - | INTERMEDIATE-PRESSURE CHECK-VALVE | ZONE(S) 430/440 | 36-11-05 [ GX ] [ GXRS ] [ G5000 ] |
| - | BLEED-PRESSURE REGULATING AND SHUTOFF VALVE | ZONE(S) 430/440 | 36-11-09 [ GX ] [ GXRS ] [ G5000 ] |
| - | PRE-COOLER EXCHANGER | ZONE(S) 410/420 | 36-11-13 [ GX ] [ GXRS ] [ G5000 ] |
| L22/L28 | FAN AIR VALVE | ZONE(S) 410/420 | 36-11-17 [ GX ] [ GXRS ] [ G5000 ] |
| S13/S8 | TEMPERATURE CONTROL THERMOSTAT | ZONE(S) 311/312 | 36-11-21 [ GX ] [ GXRS ] [ G5000 ] |
| MT112/MT96 | BLEED PRESSURE TRANSDUCER | ZONE(S) 311/312 | 36-11-25 [ GX ] [ GXRS ] [ G5000 ] |
| L35 | CROSS-BLEED VALVE | ZONE(S) 311/312 | 36-11-29 [ GX ] [ GXRS ] [ G5000 ] |
| A69/A70 | BLEED MANAGEMENT CONTROLLER | ZONE(S) 141/142 | 36-11-33 [ GX ] [ GXRS ] [ G5000 ] |
| - | HIGH-PRESSURE GROUND CONNECTION | ZONE(S) 311/312 | 36-11-41 [ GX ] [ GXRS ] [ G5000 ] |
| - | INTERMEDIATE-PRESSURE TRANSDUCER | ZONE(S) 311/312 | 36-11-46 [ GX ] [ GXRS ] [ G5000 ] 36-11-47 [ GX ] [ GXRS ] [ G5000 ] |
| - | BLEED AIR DUCTS | ZONE(S) 311/312 | 36-11-46 [ GX ] [ GXRS ] [ G5000 ] 36-11-47 [ GX ] [ GXRS ] [ G5000 ] |
| AP8 | BLEED-AIR CONTROL PANEL | ZONE(S) 220 | 36-11-57 [ GX ] [ GXRS ] [ G5000 ] |
| - | PRE-COOLER AIR OFFTAKE | ZONE(S) 311/312 | 72-71-02 [ GX ] [ GXRS ] [ G5000 ] |
| - | PRE-COOLER AIR DUCT | ZONE(S) 311/312 | 72-71-02 [ GX ] [ GXRS ] [ G5000 ] |




















































