Overview
The central aircraft information and maintenance system (CAIMS) assembles the maintenance functions of many aircraft systems into one integrated maintenance system. Its primary function is to supply maintenance personnel with the necessary diagnostic functions, procedures, and displays to make troubleshooting easier. (The CAIMS functions are applicable for troubleshooting procedures only. They do not replace the standard flight checks, maintenance procedures, or engine indication and crew alerting system (EICAS) functions).
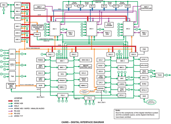
The aircraft systems that connect to the CAIMS are referred to as member systems. Each member system is identified by its type of CAIMS interface as follows:
- Integrated Maintenance Test (IMT) Type: These systems transmit data to the CAIMS directly through the avionics standard communication bus (ASCB).
- ARINC 429 Type: These systems transmit data to the data acquisition system on different ARINC 429 busses. The data acquisition system changes the ARINC 429 data to ASCB data.
Each member system contains a special line replaceable unit (LRU) referred to as a smart LRU. The smart LRU controls the data transmission and maintenance functions of the member system. It also continuously monitors the performance of the member system and keeps a fault record in its non-volatile memory (NVM).
If a fault occurs, the smart LRU writes the related fault data into its NVM. The fault data includes the time, date, and flight leg of the fault. (Also, if an unsatisfactory condition occurs during the flight, the pilot can write a squawk into the flight record.) The CAIMS collects the fault data from the smart LRUs and transmits it to the PMAT. Maintenance personnel use the PMAT and the different CAIMS functions to isolate a defective LRU and make repairs. The primary CAIMS functions areas follows:
- Active Faults: This function continuously monitors the member system and shows the faults as they occur (that is, active fault) during incorrect system operation (for example, internal faults,interface faults, probe/sensor faults).
- Stored Faults: This function gives access to the flight faults as they occurred in sequence for specified flight legs and dates. The fault data is kept in the NVM of a smart LRU. This mode is available only when the aircraft is on the ground and the airspeed is less than 50 knots.
- Maintenance Alert (MA) Faults: MA faults, shown in magenta, do not have related EICAS messages. MA faults show that aircraft maintenance is not necessary until the next scheduled maintenance period. The aircraft flight is permitted as scheduled.
- System Diagnostics: This function gives access to the fault data,display data pages, built in tests (BIT), and rigging procedures. It also shows a list of all member system LRUs that are installed on the aircraft. This function is available only when the aircraft is on the ground and the airspeed is less than 50 knots.
05/23/16
Portable Maintenance Access Terminal (PMAT)
The PMAT is a special laptop computer that operates as the central controller and display interface for the CAIMS. Maintenance personnel use the PMAT to get access to the CAIMS diagnostic functions, troubleshooting procedures, and maintenance instructions. The aircraft systems that connect to the CAIMS are referred to as CAIMS member systems. The PMAT connects to the CAIMS member systems through the ASCB, ARINC 429, and RS 232 digital busses.
The PMAT operates with +28 VDC aircraft power and uses the WINDOWS operating software. It has a color display, a 3.5-inch disk drive or universal serial bus (USB) drive, and a compact disk read only memory (CD-ROM) drive. The color display isa touch-sensitive, liquid crystal display (LCD). The USB drive lets you download data from the NVM or install optional software.
The PMAT 2.0 has two memory environment partitions: one for the controlled configuration of flight software and one for fault history database storage. If a software failure occurs, the partitioned hard drives protect the PMAT from corruption and prevent data loss.
The PMAT has three types of interfaces to the digital bus system inthe aircraft:
- Listen Only: The PMAT receives fault data from the member systems on a listen only interface with the ASCB. The IMT member systems use this interface to transmit maintenance data directly to the PMAT. The ARINC 429 member systems use ARINC 429 busses to transmit maintenance data to the DAUs. Each DAU collects the ARINC 429 data and changes it to ASCB data. The DAUs also use the listen only interface with the ASCB.
- Transmit: The PMAT transmits the CAIMS instructions to the IAC on a specified ARINC 429 bus. All three IACs receive the CAIMS instructions, but only the primary IAC transmits the CAIMS instructions. The IAC transmits the CAIMS instructions on the ASCB. The DAUs change the CAIMS instructions to ARINC 429 data for the ARINC 429 member systems. The IAC also transmits the CAIMS instructions on the ARINC 429 busses to the full authority digital engine control (FADEC) system.
- Download: The PMAT has a transmit/receive download interface through the RS 232 bus (through the DAUs) and the DATA UPLOAD/DOWNLOAD control panel. The PMAT uses this interface to connect to the NVM of a smart LRU.
When the PMAT initially starts, it automatically starts a built in test (BIT). The BIT does a check of the operating system software, CAIMS diagnostic software, and other internal functions. The BIT continues for approximately two minutes. If the CAIMS software validation process fails, the PMAT display shows the FATAL CAIMS ERROR message and the PMAT does not install the CAIMS diagnostic software. If the hardware BIT fails, the PMAT display shows an applicable fault message. If the BIT does not find an internal fault, the PMAT starts correctly and the FLIGHT DECK EFFECT (FDE) TO FAULT CORRELATION page shows. This page gives access to the fault data of all member systems.
This section describes both PMAT 1.0 Part Number 7023300-909 and -913, and PMAT 2.0 Part Number 7023300-801 which was introduced into production at A/C 9176.
PMAT 2.0 is also offered via SB700-45-010 for the Global Express and XRS, and SB700-1A11-45-002 for the Global 5000.
PMAT 1.0
The PMAT, also referred to as the AM-200, provides the operator with single point operation of CAIMS. PMAT is a ruggedized PC that serves as the interface and gives visual access to the maintenance system.
The PMAT contains the following components:
- Intel Pentium processor
- Integral SVGA display with touch screen control
- 2 GB hard drive (PMAT 1.0, P/N 7023300-913 Pre-Mod A)
- 2 GB flash drive (PMAT 1.0, P/N 7023300-913 Mod A)
- 3.5 inch floppy disk drive
- CD-ROM drive
- Integral battery (used for shutdown only, provides power for of 2.5 minutes when power is removed from the PMAT)
A miniature standard PC keyboard is also provided with the PMAT. All manual control functions are effected via the PMAT touch screen or a standard PC keyboard. Interfaces between the aircraft and PMAT are via ASCB, ARINC 429, and RS 232 data buses.
The PMAT can interface with any Windows compatible printer. A Cenronics port is provided on the PMAT for a printer connection.
PMAT 2.0
The PMAT 2.0 contains the following components:
- Integral SVGA display with touch screen control
- 512 MB RAM
- USB port
- DVD-ROM drive
- Integral battery (used for shutdown only, provides power for an orderly shutdown when power is removed from the PMAT, between 10 to 20 seconds with PMAT 2.0)
PMAT 2.0 includes the following enhancements over PMAT 1.0.
The hardware changes include:
- Addition of a PS2 mouse port
- Addition of and Ethernet connector for future upgrades
- Replacement of the 3.5-inch disk drive with a USB port for memory sticks that have greater memory capacity
- Faster Central Processing Unit (CPU), higher capacity Random Access Memory (RAM), and replacement of the CD-ROM by a CD/DVD-ROM with higher capacity (5G instead of 800 Meg. CD) for Loadable Diagnostic Information (LDI) database loading and access to technical publications
- Power supply with low and high temperature monitoring circuitry to prevent PMAT operation below -22 °C (-7 °F) and above 90 °C (194 °F). A spare battery comes with the new PMAT kit
- Improved touch screen model and addition of power-on, reset, brightness up and down momentary switches
- Status lights: power-on green, Hard Disk Drive (HDD) activity green, fault red (PMAT not operating in a write-protect mode), over temperature condition red and battery low yellow (less than 50% charge)
The software changes include:
- The CAIMS software is updated to version 8.0 to accommodate the new hardware platform
- Operating system updated to Windows XP Embedded
- Partitioned PMAT hard drive in C and D disks. Disk C with CAIMS software is now "write and delete" protected whereas disk D allows storage of LDI backup copy. Data loading is restricted to LDI and operational software (print driver)
- Addition of a printer manager to allow for printer driver installation
- Improved automatic shutdown procedure
Integrated Avionics Computer (IAC)
The IACs provide an interface between the PMAT and the other aircraft systems. The IACs contain a safety interlock function to prevent the PMAT communicating with member systems in flight. The safety interlock is:
- Weight on Wheels and
- ≤ 50 Knots IAS
The IAC also transmits time and date data and enables the member systems to store CAIMS faults in flight.
Pilot Event Marker (PEM)
The pilot may use the Pilot Event Marker (PEM) function to requests CAIMS member systems to store LRU defined "snapshot data". This function is operable during flight and on ground with CAIMS not active and fault storage allowed. The member systems will store in their non-volatile memory (NVM) current flight event information and a set of designated parameters as defined by the LRU's manufacturer. This function does not affect the normal CAIMS fault storage functions and does not require an active fault to enable data storage.
The pilot event marker (PEM) switch is installed in the flight compartment on the landing gear control panel. If an unsatisfactory condition occurs during the flight, the PEM function starts a data record (that is, a pilot squawk). When you push the PEM switch, each smart LRU immediately makes a time stamp and writes data to the NVM. The PEM function is available at all times. However,the PEM function writes data only when the PMAT is not in the maintenance mode.
05/23/16
DATA UPLOAD/DOWNLOAD Panel
This panel has a multi-pole rotary switch to connect the PMAT to the aircraft CAIMS LRU specific RS 232 buses. The panel is located on bulkhead 280 behind the pilot´s seat. When you set the rotary switch to the applicable position, you can download the NVM data from the system. For ARINC 429 member systems, this function operates through connections to the DAUs.
Printer
05/23/16
CAIMS Printer Control Panel
On A/C 9140 and subs, and Post SB 700-45-001 for Global Express, or on Global 5000/XRS
The CAIMS printer control panel is installed on bulkhead 280 behind the pilot´s seat. The CAIMS printer control panel controls the flight compartment printer. The PRINT MAINT REPORT switch is an option referred to as "In Flight CAIMS" that is installed in the Flight Deck behind the pilot. This switch allows the flight crew to send a CAIMS active fault report to a printer in the flight deck or cabin. This function is available in flight or on the ground by pushing this switch. When you push the report-to-printer switch, the printer supplies a written report of active faults. For each active fault, the fault report shows the data that follows:
- The correlated EICAS message Note*
- The name and ATA number of the LRU that recorded the fault
- The name, type, and symptom of the active fault
Note:
If you use the same PMAT on many aircraft, each with a different printer, you must install the applicable printer driver(s) for the printer on that aircraft, in the PMAT. You must also select the default printer for use on that aircraft. If your own printer driver operates with the PMAT operating system, you can install your own printer driver. The PMAT is supplied with the standard printer driver. If you replace the PMAT, you must install your own printer driver again.
Note*:
For CAIMS 7.3 and subsequent, the correlated EICAS message is not the primary certification criteria.
05/23/16
System Operation
The primary purpose of CAIMS is to facilitate diagnosis of aircraft faults by providing an interactive means for an operator to detect and isolate faults. While a portion of the CAIMS function is operational in flight, the full functionality is available only on the ground when the system is placed into a CAIMS maintenance mode.
CAIMS maintenance mode is enabled when the safety interlock (WOW and ≤ 50 Kts IAS) is satisfied.
All CAIMS functions and data is communicated via data bus. The data bus structure on the Global Express is central to overall operation of CAIMS. The PMAT is the users interface to the data bus.
CAIMS accesses the member systems maintenance functions by operating in one of three modes. The CAIMS modes are:
- Active Faults mode - CAIMS monitors the fault status of the member systems and presents a list of systems that are reporting faults. This mode is available when the aircraft is on the ground, or when it is airborne.
- Stored Faults mode - CAIMS interrogates all member systems and compiles a list of flight faults data based on flight date and leg. Each list represents all member system faults in chronological order from a single flight leg on the date requested.
- System Diagnostics mode - this provides the capability to focus on a single member system. CAIMS provides access to a system's flight fault history, ground fault history, and LRU test. ´LRU test´ allows the operator to initiate BITE, display system or LRU data, and for some systems, carry out rigging operations.
CAIMS miscellaneous functions provide features on the PMAT that assist in the maintenance of the aircraft. The CAIMS miscellaneous functions include:
- Flight Deck Effect to Fault Correlation
- Bus Reader
- NVM Download
- LRU Status
- Active Fault(s) Report
- Optional Equipment Installer
- Environment Control Page
- IMT fault code lookup tables
- Aircraft ID
Member Systems
Aircraft systems that comply with the CAIMS interface requirements and implement the features of CAIMS are referred to as ‘Member Systems’. The PMAT has the host software that enables CAIMS to interface to each member system. Aircraft systems that do not comply with the CAIMS interface requirements are called non-CAIMS compliant systems.
There are two levels of CAIMS member systems.They are CAIMS compliant systems and partially CAIMS compliant systems.
CAIMS compliant systems are members systems that provide all CAIMS functions, active faults, stored faults, flight faults, ground faults, LRU test, NVM download, and PEM initiated data storage.
Partially CAIMS compliant systems are member systems that provide some but not all of the functions detailed for the compliant systems. There are two types of CAIMS member systems. They are integrated maintenance test (IMT)/ASCB and ARINC 429 members systems.
IMT/ASCB member systems provide and transmit their own display text maintenance pages over the ASCB. The display controls on the PMAT for the IMT members are slightly different from the ARINC 429 members. Cues on the PMAT annunciate the differences to enable the operator to navigate the pages.
ARINC 429 member systems do not provide their own display test messages, instead they depend on CAIMS retrieving data pre programmed in the loadable diagnostic interface (LDI). The ARINC 429 member transmits data to the PMAT via ARINC 429 to the DAU, then the DAU converts the data to ASCB. The PMAT uses this ASCB data to select the appropriate information for display from the LDI database.
The data that follows identifies the CAIMS member systems:
| ATA NUMBER | LINE-REPLACEABLE UNIT | TYPE |
|---|---|---|
| Air-Conditioning System Controllers | ARINC-429 | |
| IAC 1 for AFCS 1, IAC 2 for AFCS 2 |
IMT | |
| Satellite Data Unit | ARINC-429 | |
| APU Generator | ARINC-429 | |
| Generator Control Units (GCU) | ARINC-429 | |
| Electrical Management System Control-And-Display Units (EMS CDU) |
ARINC-429 | |
| Fire-Detection-and-Extinguishing (FIDEEX) Control-Unit | ARINC-429 | |
| Stall Protection Computer | ARINC-429 | |
| Slat/Flap Control Unit (SFCU) | ARINC-429 | |
| Flight-Control Units | ARINC-429 | |
| Fuel Management and Quantity Gauging System (FMQGS) Computer | ARINC-429 | |
| Heater/Brake-Temperature Monitoring Unit (HBMU) | ARINC-429 | |
| IAC 3 | IMT | |
| Data Acquisition Units (DAU) | ASCB | |
| IAC 1 for FWC 1, IAC 2 for FWC 2, IAC 3 for FWC 3 |
IMT | |
| IAC 1 for EFIS 1, IAC 2 for EFIS 2 |
IMT | |
| Landing-Gear Electronic Control-Unit (LGECU) | ARINC-429 | |
| Brake Control Unit | ARINC-429 | |
| Steering Control Unit | ARINC-429 | |
| Micro Air-Data Computers | IMT | |
| Head-Up-Display (HUD) Computer | ARINC-429 | |
| Weather Radar Receiver/Transmitter and Antenna | ARINC-429 | |
| Enhanced Ground-Proximity Warning System (EGPWS) Computer | ARINC-429 | |
| Lightening-Sensor System Processor | ARINC-429 | |
| Global-Navigation Satellite Sensor-Unit | ARINC-429 | |
| IAC 1 for FMS 1, IAC 2 for FMS 2, IAC 3 for optional FMS 3 |
IMT | |
| Bleed Management Controller | ARINC-429 | |
| Full-Authority Digital Engine-Controller (FADEC) | ARINC-429 | |
| Engine Electronic Controller (EEC) | ARINC-429 | |
| Engine Vibration-Monitoring Unit (EVMU) | ARINC-429 |
The data that follows identifies the systems that are not CAIMS member systems:
| ATA NUMBER | SYSTEM |
|---|---|
| VHF Communication | |
| HF Communication | |
| Printer | |
| SELCAL | |
| Voice Recorder | |
| Emergency Locator | |
| Hydraulic Power | |
| Clock | |
| Recorders | |
| Lamp-Dimmer Power-Supply | |
| Emergency Lighting | |
| Standby Airspeed/Altimeter | |
| Standby Artificial-Horizon | |
| Standby Compass | |
| Traffic/Collision Avoidance System (TCAS) | |
| Radio Altimeter | |
| Inertial Reference | |
| Navigation Display-Unit | |
| Lightning Sensor | |
| VHF Navigation | |
| Power Control |
Portable Maintenance Access Terminal (PMAT)
This section describes both PMAT 1.0 Part Number 7023300-909 and -913, and PMAT 2.0 Part Number 7023300-801.
The portable maintenance access terminal (PMAT) is a PC that provides a single point access to all the CAIMS member systems. The PMAT is normally operated using the touch screen controls on the integral SVGA display. A keyboard may be plugged in and used at any time, but is not required for normal maintenance functions. A mouse can be used with the PMAT 2.0.
The PMAT is a ruggedized portable computer device but it is susceptible to damage if handled improperly. It is not waterproof. No third party software should be installed as it can interfere with its normal operation. The screen should be cleaned with soft non-abrasive material. Proper shutdown procedures are to be followed to avoid corrupting software.
The green button on the front of the PMAT 1.0 to the left of the power on annunciator is not an on/off button. The green button is a reboot button for the PMAT to be used only if the windows operating system software has frozen or as the last step in the maintenance shutdown of the PMAT.
Operating System
The operating system used in the PMAT 1.0 is Microsoft Windows NT 4.0 A, service pack 3, Honeywell CAIMS executable software runs on the PMAT and is identified by the CAIMS version (e.g. CAIMS version 7.3). This software is the operating system for CAIMS. The operating system used in the PMAT 2.0 is Microsoft Windows XP. Honeywell CAIMS executable software runs on the PMAT and is identified by the CAIMS version 8.0.
A modifiable database called the loadable diagnostics interface (LDI) provides a means to add and remove member systems from CAIMS and update or change the maintenance information displayed for any member system. The LDI is a database created by Bombardier, which is available for download from the Bombardier web site at www.cic.bombardier.com
The version of LDI is identified by the name of a bird and a number, e.g. Merlin_B.031. Using the latest available CAIMS software and LDI versions,is required for optimum use of the CAIMS system.
Updating CAIMS LDI
Following are the steps for updating CAIMS LDI:
- Download the latest version of CAIMS LDI from www.cic.bombardier.com to a computer capable of burning a CD or DVD
- The LDI is burnt onto a disc
- Insert this disk into PMAT CD or DVD drive and shut PMAT down
- When the PMAT is next started, the LDI will be automatically updated
- The LDI cannot be updated via the USB port
PMAT Interfaces
The PMAT is connected to the aircraft using an interface cable. The connector is usually found in the crew rest area. The interface cable connects to the connectors on the forward side of the PMAT. Four connectors are used for data and power and one is used for the printer.
The PMAT interfaces with the aircraft using one of the three FWCs in the IACs via an ARINC 429 data bus. The ARINC 429 data bus from the PMAT to the IAC FWC is known as the CAIMS remote control. This is a one-way data bus that carries all communication from the PMAT to the FWC. The FWC has a safety interlock that needs to be satisfied before allowing any data bus transmissions from the PMAT to the CAIMS member systems. If the safety interlock is not satisfied, the PMAT-stored faults and system diagnostics maintenance modes are inhibited. The safety interlock conditions are, valid airspeed ≤50 knots IAS, and weight on wheels (WOW).
When the safety interlock conditions are met and CAIMS is active, the PMAT provides and a message on the CAIMS window that the interlock is satisfied and what FWC is being used. This condition is also referred to as CAIMS maintenance mode. Also one of the DUs displays a message indicating that the associated IAC FWC is being used by CAIMS.
Member systems also monitor other parameters so they do not enter CAIMS maintenance mode when it is not safe to do so. Therefore, each member system is also responsible for its own safety while the FWC in the IAC is responsible for locking out the PMAT.
The PMAT receives communication from all the member systems over the ASCB. For NVM download and clear functions, the PMAT first communicates with the member system CAIMS remote control interface then a link is established via RS 232. The IMT/ASCB members have direct RS 232 interfaces to the PMAT and the 429 members communicate via the DAUs. All RS 232 communication goes through the data upload/download switch
The PMAT is connected directly to the cockpit or cabin printer using the Centronics bus.The EEC is a 429 member with a different interface architecture. The IAC FWC sends the PMAT maintenance commands via ARINC 429 directly to the EEC and the EEC replies via the DAUs.
The pilot event marker sends a discrete signal to the IAC. This input initiates a CAIMS command from the IAC FWC to all member systems to store data.
The Print Maint Report switch sends a discrete signal to DAU 2. This input causes a request to be sent from the DAU to the PMAT to print an active fault report.
The PMAT receives aircraft power from DC bus 1 in SPDA 4.
PMAT Startup Procedure
The PMAT powers up automatically when power is applied. The PMAT does not have an ON/OFF power switch and when power is applied using the EMS CDU, it starts the Windows NT and CAIMS power on self-tests.
Note:
If faults are detected during start-up, error messages will appear detailing the fault found. If these error messages are ignored,the PMAT, in most cases will continue to start but CAIMS or Windows NT will no operate correctly. This will cause a degraded mode of operation, and fault data may not be displayed for some member systems.
Note:
Improper operation of the PMAT, may damage equipment and cause injury to personnel. The PMAT has the capability of activating valves and moving aircraft surfaces under some conditions.
To start the PMAT 1.0 follow these instructions:
- Connect the PMAT and interface cable to the aircraft
- Apply power to the PMAT from EMS CDU CCt Bkr “CAIMS PMAT LAPTOP DC 1”
- Observe the following displays in sequence:
- Microsoft Windows NT Workstation.
- Desktop with shortcut icons and task bar.
- “WELCOME TO CAIMS Version 7.1” with count down (PMAT 2.0, CAIMS Version 8.0).
- “WELCOME TO CAIMS 1997 Honeywell Inc.”
- C:\CAIMS\DOVE .026 CAIMS VERSION 7.1 (version data subject to change. Always use the most current version software for optimum CAIMS performance)
- The “Flight Deck Effect to Fault Correlation” window will appear
- The PMAT is now ready to operate
To start the PMAT 2.0 follow these instructions:
- Connect the PMAT and interface cable to the aircraft
- Apply power to the PMAT from EMS CDU CCt Bkr “CAIMS PMAT LAPTOP DC 1”
- Observe the following displays in sequence:
- Microsoft Windows XP Workstation
- Desktop with shortcut icons and task bar
- “WELCOME TO CAIMS Version 7.3” set with countdown
- “WELCOME TO CAIMS 1997 Honeywell Inc.”
- C:\CAIMS\MERLIN .031 CAIMS VERSION 8.0
- The “Flight Deck Effect to Fault Correlation” window will appear.
- The PMAT is now ready to operate
Flight Deck Effect (FDE) to Fault Correlation Window
When the PMAT powers up, the FDE to fault correlation window appears first as the default screen. All troubleshooting data and related airplane manuals are made available through this screen. A program icon on the desktop or the FDE option in the aircraft diagnostics program group in the start pop up menu can also launch this application.
FDE is anything noticed from the flight deck such as a light or sound from EICAS, EFIS, FMS, or other annunciator. FDEs are grouped by levels:warning, caution, advisory, and status. The FDE window can run concurrently with a display data page or any CAIMS application. Aircraft document references and detail fault information are two options available on the window.
The aircraft document reference selection invokes a new window which allows the operator to select the manual which he needs to further isolate and repair the selected FDE and fault.
The detail fault Information selection presents specific data about the selected fault from the LDI.
Correlated Fault List
The correlated fault List is displayed in the lower portion of the FDE to fault correlation window and contains a list of all possible faults that could be the source of the active FDE. This list is empty if no EICAS message is selected.
Detailed Fault Information Dialog Box
This dialog box is displayed when the user has selected a FDE and fault, and then selects the detailed fault information button on the FDE to fault correlation window. This data when available can assist in troubleshooting by providing symptom data.
Information can be added to this box to aid in future troubleshooting, by submitting a request to a Global field service representative.
The detailed fault information window contains a fault code. This fault code is a numerical representation of the displayed active fault. This code is useful when discussing a fault with technical support or referencing advisory wires.For fault isolation or maintenance purposes it is best to use the aircraft document reference links.
Aircraft Document Reference Window
This window is brought up by selecting a FDE and fault, then clicking on the Aircraft Document Reference button on the FDE to Fault Correlation window. The Aircraft Document Reference window displays the icons which represent the documents supported by the PMAT and which correlate to the specific fault selected.
The icons allow the user to access data from the related manual. When the icon is activated, CAIMS displays the information requested for the FDE and specific fault selected. The complete set of manuals occupies more than one CD-ROM. If the loaded CD-ROM does not contain the manual, the software requests the user to insert the correct CD-ROM.
CAIMS Main Menu Display
Selecting the CAIMS icon on the desktop or selecting the CAIMS option from the START Menu/AC diagnostics can open the CAIMS main menu display. The CAIMS main menu display can be opened in flight and on the ground. These functions include exit maintenance, active faults,stored faults and system diagnostics.Stored faults and system diagnostics are only available on the ground with CAIMS active.
Active Faults Mode
ACTIVE FAULTS mode is selected by selecting the "active faults" bezel on the bottom of the CAIMS main menu. In the active faults mode,CAIMS monitors the real time fault status from every member system and then presents a list of systems that are reporting faults.
A different color identifies each fault type:
CAIMS Color Definition
| COLOR | INDICATION |
|---|---|
| Amber | LRU with active faults (not Maintenance Alert) |
| Cyan | Data error maintenance word |
| Magenta | LRU with active fault which are Maintenance Alert |
| White | Advisory/text |
| Red | Warning/LRU inactive or invalid |
CAIMS does not eliminate cascaded faults, that is when one LRU is at fault which induces faults to other LRUs. CAIMS will also report the induced faults.
The operator can make the following selections:
| RETURN MAIN | Returns to the Main Menu Display |
| PREV PAGE | Goes to previous page if it is available |
| NEXT PAGE | Goes to next page if it is available |
| SHOW DETAIL | Displays all faults on the selected system that are currently active. From the Detailed Faults screen, the operator can access the aircraft maintenance manual for corrective action. |
Active Faults Page
ACTIVE FAULTS display shows the LRUs that are currently reporting active faults. The systems LRUs are listed in ATA chapter/sub chapter number order.
CAIMS posts fault status based on each LRU in the following order:
- Internal Faults
- External/Interface Faults
- Probe and Sensor Faults
- NVM Status (Fault Memory Full)
- Maintenance Alerts
Note:
Active faults are best accessed when the aircraft is completely powered up as if for flight, to eliminate non associated nuisance messages (e.g. active faults are displayed when CBs are set to out). Only active faults should be accessed this way. Do not enter stored faults or system diagnostics without configuring the aircraft for maintenance and setting the necessary CBs to out, or damage to the aircraft or test equipment could occur.
Fault Detail Page
This page displays the detailed fault information of the selected LRU. All active faults for the selected system are listed and separated into fault status. A link is provided for each fault to the applicable technical publications.
Fault Detail Screen
This screen is accessed by selecting the "Show Symptom" bezel on the fault detail page. It provides the same information as the Detailed Fault Information Dialog Box in the FDE to Fault Correlation Window. The symptom text, when available, provides additional data for troubleshooting.
Information can be added to this box to aid in future troubleshooting, by submitting a request to a field service representative.
The detailed fault screen also contains a fault or CAIMS code which is a numerical representation of the displayed active fault. This code is useful when discussing the fault with Technical support or referencing advisory wires. For fault isolation or maintenance purposes it is best to select the required documents from the CD-ROM selections.
Aircraft Maintenance Manual Selector Page
The Aircraft Maintenance Manual Selector page provides the applicable links to the manuals related to the active fault at the top of the page. The CAIMS code is the link to the Aircraft Maintenance Manual (AMM).
Since the introduction of Smart Pubs, the CD-ROM application is no longer viable. If maintenance manual references are required,they can be retrieved from the printed active fault report.
Stored Faults Mode
The STORED FAULTS mode allows the operator to view flight fault histories for all systems based on selected date and leg.
After the operator enters a date, CAIMS interrogates all member systems to determine if any flight faults were reported on the selected date.After the member systems respond, CAIMS lists only the flight legs with faults for the selected date. The operator selects the flight leg of interest from the list. CAIMS gathers fault messages from member systems that had faults in that flight leg and presents a fault list sorted in chronological order.
Date Selection Page
The search date is modifiable by using a movable caret. The caret is moved by a bezel button with the nomenclature matching the shape of the caret.
Selecting the caret bezel button causes the caret to move to the right one position at a time. The caret is used to determine which element of the date is available for change. Each portion of the date (month, day, year) is modifiable using an (INC/DEC) increment and decrement button.
The purpose of this display is to allow the operator to select a date to view System Flight Fault Summary histories for all member systems.
Leg Selection Page
Each line identifies which flight leg number contained faults with one flight leg per line. This display allows the operator to select the flight leg with faults for further examination. A flight leg with no faults will not be displayed.
Note:
If the leg count is not accurate, refer to Advisory Wire AW700-45-0225.
After selecting the desired flight leg, SHOW FAULTS bezel button is selected to go to the next screen.
Date and Leg Selection
Date selection defaults to the current date as supplied by the PMAT internal clock. The PMAT´s source time is based on the host FWC, which receives time from the pilot´s or copilot´s digital clock. By default, IAC 1 is the host, and IAC 3 is the priority IAC which defines aircraft time and date for member systems.
The FWC adds to this logic, if the aircraft is "in air" (Weight-off-wheels or airspeed greater than 50 knots), the date will not necessarily change when the time changes from 23:59 to 00:00. The date will change after aircraft lands (WOW and airspeed less than 50 knots). This logic is implemented so that a single flight would not have two different dates.
The leg selection display shows a list of all flight legs which recorded faults on one specific date.
The range for "Flight Leg Number" is 1 to 16. Up to 16 legs are permitted per day. If more than 16 legs are flown the leg number will remain at 16 for all subsequent legs. The flight number returns to 1 when the date changes.
If the engines are running, the flight leg number increments when the aircraft transitions from "in air" to "on ground". If both engines are not running, the leg number will not change. This logic is implemented so that a single flight would not have two different flight leg numbers.
System Flight Fault Summary Display
The System Flight Fault Summary display shows the names of all LRUs that have flight faults stored during the selected leg. A maximum of 22 faults can be displayed on this summary page, however, a flight leg may have more than one flight fault summary page.
Upon selection of a specific LRU, a FILTER FAULTS bezel button is available for operator to select the FILTER FAULT display.
Filtered Fault Summary Display
Filtered fault summary display provides all faults, one system per page in the selected flight leg. This display allows the operator to reduce the clutter of the Fault Summary Display.
System Diagnostics Mode
System diagnostics gives the operator three capabilities that focus on a single LRU, flight faults, ground faults, and LRU test.
The operator first selects the system's ATA chapter number. A list of all smart LRUs in that ATA chapter are displayed for selection. Next, the operator selects the smart LRU and CAIMS displays the LRU Test Menu.
ATA Selection Display Page
ATA selection display shows a list of ATA chapters, name and number. The purpose of this display is to allow the operator to start at the ATA level, and work down to a list of smart LRUs that belong to the selected member system.
LRU Selection Page
LRU selection display shows a list of LRUs. Only LRUs installed on the aircraft that belong to a member system in the selected ATA chapter are shown.
Each line contains the full LRU name. When a selection is made from the choices on this page, CAIMS links the user to the Flight Faults, Ground Faults, and LRU Test page for the LRU or channel in the LRU.
LRU Main Menu Page
LRU main menu appears after the LRU has been selected on the LRU selection page. Menu selection includes EXIT, FLIGHT FAULTS, GROUND FAULTS, and LRU TEST, if the LRU is fully compliant For partially-compliant LRUs selection is limited to EXIT and LRU TEST.
LRU Test Selection
LRU test display shows all tests, data page, and rigging that are available for a particular LRU. The list includes both interactive and non-interactive tests. The purpose of this display is to allow the technician to run a test or carry out rigging for any given LRU or select display data pages.
Precondition Test Selection
Precondition test page is a screen used to setup the aircraft before a test is run. Each member system is allowed to define a precondition screen for each non-interactive test. The AMM will instruct the operator to follow the instructions in the PMAT. The precondition test page is not used for all tests.
Display Data Pages
Display Data Pages (DDP) are completely specified by the Member System. All data used for the DDPs are contained in the LDI database which is entered by the member. DDPs allow the member system to specify the content and format of the screens which are used to calibrate, monitor, or troubleshoot the respective systems.
The DDP is selected through the data status line via the SELECT bezel on the LRU TEST MENU (LRU TEST selection screen) page.
Test in Progress
TEST IN PROGRESS display is shown when a test is running. This page shows a count down timer with an initial value equal to the test duration. The test duration represents the maximum time a test needs to run.
Test in progress display terminates when:
- LRU sends a "Test Complete" bit
- ABORT bezel button is pressed
- Timer has expired
- Inhibit condition exists
Test Complete
The “TEST COMPLETE” page is shown when the LRU passes or fails a test. The test pass display is shown when faults associated with that test are not active after completion of the test. The test fail display is shown when the LRU fails a test. A test is considered “failed” when any faults associated with that test are active after the test. A list of faults is displayed and faults associated with the current test are retrieved from the LDI. Fault name and fault code is displayed for each active fault.
A test is considered "pass" when faults associated with that test are not active after completion of the test.
Test Fail
Test Fail display is shown when the LRU fails a test. This display is the result after the Test in Progress display.
A test is considered "failed" when any faults associated with that test are active after the test. A list of faults is displayed. Faults associated with the current test are retrieved from LDI. Fault name and fault code is displayed for each active fault.
CAIMS Miscellaneous Functions
CAIMS miscellaneous functions provide features on the PMAT that assist in the maintenance of the aircraft.
CAIMS Bus Reader Window
The CAIMS Bus Reader function allows the operator to read any ARINC 429 or ASCB data available at any DAU.
The Bus Reader is launched from the Aircraft Diagnostics Group menu which is available on the pop up Start menu. The Bus Reader allows the operator to select from several options which are designated on the screen.
Add Signal Window
The Add Signal Window is used to add signals to the Bus Reader window. This option presents three user-selectable screens:
- Database-defined screen
- User-defined screen
- Discretes screen
Database-Defined Screen
This screen provides a list of the available LRUs on the airplane. The signal can be selected by highlighting the desired signal, moving the pointer to the Add button and pressing the left mouse button. This function allows the user to select defined signals from the database.
User-defined Screen
This screen allows the user to select signals based on type, ASCB or ARINC 429, and from parameters that uniquely identify specific ASCB words or ARINC labels. The selectable parameters are:
- ASCB ID (Hex)
- DATA SET
- WSP for ASCB
- EQUIP ID (Hex)
- SDI
- LABEL (octal) for ARINC 429
Discretes Screen
This screen enable the user to select and display any discrete signal sent to any of the four DAUs.
NVM Download Window
The NVM download function allows the download member system data to the PMAT and to clear member system NVM. The NVM download window is activated by selecting the NVM MGMT icon.
The NVM download function is normally used as a last resource when a problem can not be fixed. Specialized software is needed to interpret the download information and the data disk must be sent to Bombardier Product Support or to the equipment manufacturer.
The NVM clear function is used to erase the NVM of the selected LRU.
Aircraft ID Window
This function allows the operator to program the Aircraft Serial Number Aircraft Identification (ACID) into the IACs. The ACID window is launched from the Aircraft Diagnostics Group menu which is available on the pop up Start menu.
The aircraft serial number is used for a number of functions in the aircraft including CAIMS fault storage.
The ACID can be programmed by selecting the desired number using the associated increase or decrease button, and selecting the Apply icon when the selection is complete. The software code will not allow values outside range displayed.
Note:
Be aware that permanently changing the ACID via the PMAT will affect the Slat Flap Control Unit (SFCU) rigging on that aircraft.
LRU Status Window
The LRU status function allows the user to select any LRU from a pick list generated within the LDI. The status of the LRU, as read on the ASCB, is presented on the screen. This screen allows the user to determine whether any LRU is operational and which DAU CAIMS is communicating with for that LRU.
The LRU status window also displays other LRU information including: LRU equipment ID and SDI, LRU Mnemonic, LRU communication type, DAU Channel, ATA references, Bus Status information, Validity checking, and Recent communication failure.
For ARINC 429 member systems, the LRU Status window provides an indication of the status of the member system LRU and of DAU channel used for interface.
Environment Control Window
This window provides the operator with the following:
- Request CAIMS active when all interlocks are satisfied
- Request for fault storage allowed
- Monitor the NVM zone and the PEM status
- Monitor the interlock status
- An indication of which IAC is a host; IAC 1 (0x22), IAC 2 (0x26), IAC 3 (0x23)
Battery Cycle Count Window
The battery cycle count function provides an AM200 active fault when the PMAT battery needs to be replaced. Follow the circles to access the battery cycle count window. The count should be reset to zero when the new battery is installed.
This default function triggers a PMAT fault if the cycle count reaches 75% of the maximum count(800 cycles). The current count is also displayed.
Optional Equipment Installer Window
This window is used when optional equipment is installed in a new aircraft, or optional equipment is added, or a new PMAT is used.
IMT Failure Code Lookup
The IMT Failure Code Lookup function, available in CAIMS version 7.1 and above, allows the users to find the information related to IMT Failure Codes. For each Failure Code, the relevant fault verification procedure and corrective action is given through this function.
To access the IMT Failure Code Lookup window, on the PMAT task bar, select "Start - Aircraft Diagnostics - IMT Failure Code Lookup".
This opens the "IMT Fault Code Lookup" window. In the "Subsystem:" section, choose the subsystem you want by clicking on the scroll down arrow. In the "Fault Type:" section, choose the required Fault Type by clicking on the scroll down arrow. The related IMT Fault Code information such as, "Fault Type Description", "Fault Verification Procedure", "Fault Code", and "Corrective Action" will be displayed for the Subsystem and Fault Type selected. Select the "Cancel" button to close the IMT Fault Code Lookup window.
Active Fault Report
The Active Fault Report function is initiated from the Print Maint Report switch in the cockpit or from the icon on the Aircraft Diagnostics Group menu which is available on the pop up Start menu.
The active fault report can either be stored to a file or printed on the cockpit printer or cabin printer depending on the aircraft configuration. An active fault report provides the detailed fault information that must be selected to view in CAIMS. An active fault report also provides maintenance manual references. For each active fault the following data is written from the LDI database to the report:
- EICAS message
- ATA, LRU reporting and Fault type
- Fault name
- Symptom
- Maintenance manual references
PMAT Shutdown
This section describes both PMAT 1.0 Part Number 7023300-909 and -913, and PMAT 2.0 Part Number 7023300-801 which was introduced into production with A/C 9167.
On PMAT 1.0, when shutting down the PMAT, never press the "Green" button while power is on and applications are running, and never abort an Auto Shutdown. The two methods of shutting down the PMAT are:
- Auto Shutdown
- Manual Shutdown
Auto Shutdown
PMAT 1.0
During normal operation when the aircraft returns from a flight and the PMAT is unattended, the PMAT will enter Auto Shutdown mode when power is lost to all DAU channels B. The Auto Shutdown routine will close all opened applications and will shut down the PMAT safely. Because the Auto Shutdown is done on the battery power, it takes approximately 1.5 hours to recharge the PMAT internal battery the next time the PMAT is powered.
PMAT 2.0
With the CAIMS application running, PMAT senses the removal of power via EMS CDU, and closes all applications and safely shuts down the PMAT.
Manual Shutdown
PMAT 1.0
When doing maintenance on the aircraft, it is strongly recommended to always do a Manual Shutdown before removing aircraft power. The Manual Shutdown method prevents the battery from depleting such as during an Auto Shutdown. If the internal battery power is depleted, file corruption may happen at the next PMAT Auto Shutdown.
To Shutdown PMAT 1.0 with aircraft power ON, do the following:
- A) Close all opened windows
- B) In the task bar, select "CAIMS DLL - Terminate Mgr."
- C) In the task bar, select "Start - Shut Down..."
- D) In the "Shut Down Windows" window select "Shut down the computer" and select "Yes"
- E) Wait until PMAT indicates "It is now safe to turn off your computer"
- F) Remove PMAT power by setting CAIMS PMAT LAPTOP circuit breaker to "OUT" on the EMS CDU, or by removing external AC power from aircraft
- G) When you are certain that the power is OFF, press the green button at the upper left corner of the PMAT, if the green button is accessible. This will shutdown the PMAT immediately and will save the battery charge
Note:
If the green button is not pressed after the shut down procedure, the PMAT will shut down on the battery approximately 2.5 minutes after the power is removed.
PMAT 2.0
To Shutdown PMAT 2.0 with aircraft power ON and a CAIMS application in progress, do the following:
- A) In the task bar, select "Start - Shut Down..."
- B) Remove power to the PMAT by setting CAIMS PMAT LAPTOP circuit breaker to "OUT" on the EMS CDU, or by removing external AC power from aircraft
- C) In the "Shut Down Windows" window select "Shut down the computer" and select "Yes"
PMAT 2.0 has a battery temperature sensor installed that will shut down the PMAT at battery temperatures below -20 °C, or above 90 °C. In these conditions, the front panel OVER TEMP indicator will illuminate.
Power Inputs
The PMAT operates on 28 VDC DC Bus 1 aircraft power.
System Test
CAIMS Built-In Test
The PMAT performs a BIT to determine that the memory and processor and major internal components such as hard drive and CD ROM are operating properly. Power up testing is the only BIT testing performed by the PMAT.
Data validity is checked as part of normal aircraft diagnostic functions within each of the applications. Data which is not received with the correct attributes is flagged accordingly. Validity checks on incoming data may include the rate, source destination identifier (SDI), sign status matrix (SSM), word sequence position (WSP), and cyclic redundancy check (CRC).
The BIT is performed upon application of power which includes test checks of:
- The operation of system memory
- The disk drives including the hard drive, the floppy drive, and CD ROM drive
- The ARINC 429 card
- The ASCB card
- The version numbers and compatibility of the CAIMS software and LDI
09/24/20
Component Location Index
| Component Location Index | |||
|---|---|---|---|
| IDENT | DESCRIPTION | LOCATION | IPC REF |
| - | PORTABLE MAINTENANCE-ACCESS TERMINAL (PMAT) | THE LOCATION WILL BE DECIDED BY THE COMPLETION CENTER |
45-45-01 [ GX ] [ GXRS ] [ G5000 ] |
| AP33 | DATA UPLOAD/DOWNLOAD CONTROL PANEL | ZONE(S) 221 | 45-45-05 [ GX ] [ GXRS ] [ G5000 ] |
| S3 | PILOT-EVENT MARKER SWITCH | ZONE(S) 221/222 | 45-45-09 [ GX ] [ GXRS ] [ G5000 ] |
| AP57 | CAIMS PRINTER CONTROL-PANEL | ZONE(S) 221 | 45-45-13 [ GX ] [ GXRS ] [ G5000 ] |

























































