Overview
The APU oil system consists of the integral oil tank, oil sump heater, oil replenishment interface, low oil pressure switch, oil temperature sensor, lubrication module, chip detector and drain, deprime solenoid valve.
The system provides oil under pressure (oil mist or spray) from the reservoir. The oil is provided to lubricate, cool and clean the gears, the shafts and the bearings of the accessory gearbox, the AC generator, and the duplex front and rear bearings.
Oil is also used to dampen the engine bearings against shock loads. Scavenge oil is routed to the gearbox sump. A dedicated oil cooler ensures proper heat removal from the oil entering the engine. An integral electrical heater ensures a supply of warm oil to enable high-altitude starts.
Refill provisions include pressure filling from a remotely located oil replenishment tank, or a gravity fill port. Oil quantity is digitally displayed in the cockpit and in CAIMS.
A "deprime" feature reduces excessive drag from any congealed oil by aerating the oil entering the system during cold start conditions, and during all shutdowns.
Fast LRU changes are made possible due to the location of components on an easily accessed lubrication module.
Protection against low oil pressure/high oil temperature is provided on the ground by the FADEC that shuts down the APU. If these faults occur in flight, the crew is provided a CAS alert only, and the option of keeping the APU running if necessary.
Other features include an air vent discharge route to the exhaust tail pipe, a de-aerator to retrieve oil from the vent discharge, and a sump drain with a chip detector.
Integral Oil Tank/Reservoir
An oil tank is incorporated in the APU accessory/output gearbox in the form of a sump which is enveloped by the APU cooling airflow. A fill housing is fitted to the oil tank on the left forward side of the gear box and contains a capacitance type oil level sensor and a gravity oil fill cap, designed for a "fill to spill" ease of servicing. An oil heater and an oil temperature sensor are installed in the oil sump.
The oil tank has a capacity of 5.25 U.S. quarts, and must be refilled prior to dispatch if the oil level is below 4.5 U.S. quarts. A remote oil fill connection is provided on the gearbox to allow oil replenishment from a separate reservoir in the tail compartment.
A bayonet type magnetic chip detector is installed at the bottom of the oil sump to detect ferrous metal contamination.
Oil Temperature Sensor
The oil temperature sensor is located on the front of the gearbox just below the oil pump. It sends an input to the APU FADEC for both minimum oil temperature monitoring and high oil temperature protection. The oil temperature sensor input to the FADEC is checked on power-up.
The oil temperature sensor is monitored continuously during operation. Should the oil temperature increase above 148.9 °C for 10 seconds on the ground, the APU will shut down. During inflight operation, the APU OIL LO PRESS message is shown with no auto shutdown being performed by the FADEC.
Oil Level Sensor
The oil level sensor has two capacitors. One capacitor adjusts to give accurate indications for different types and weights of oil. The other capacitor changes its capacitance in proportion to the oil level. Together, the two capacitors cause the oil level sensor to send accurate signals to the FADEC. The oil level sensor attaches to the gearbox, and has slots in its flange for faster removal/installation.
Filler Neck and Cap
Oil Sump Heater
A thermostatically controlled, electric resistive, 295 watt, element heater is provided in the gearbox reservoir to heat the oil. The heated oil reduces viscosity-induced drag on the gear-train and ensures ease of starting of the APU even after it has been cold-soaked at high altitudes.
The heater is powered by aircraft power from AC BUS 4, independently of the APU electrical system. The heater has an internal thermostat, which cycles the heater to turn on at 21 °C and turn off at 43 °C, whether the APU is running or not. The heater only operates in flight and is controlled through the aircraft WOW system. The FADEC senses oil temperature during APU starts and automatically schedules starting characteristics based on the same.
Magnetic Drain Plug
The magnetic drain plug has a chip collector, a drain plug, and a check valve. The chip collector has a magnet which collects magnetic metal particles from the oil in the sump. The chip collector is installed in the drain plug. The drain plug is installed in the bottom of the gearbox sump.
It has three openings which let the sump oil flow around the chip collector magnet. The check valve is an internal component of the drain plug. When you remove the chip collector, the check valve plunger seals against a surface in the drain plug to prevent an oil leak.
05/25/16
Oil Pump
The oil pump attaches to the face of the gearbox, and it has a shaft that engages the gearbox gears. It has three supply pump elements and three scavenge pump elements. It has two generator-scavenge inlet screens which give protection to the APU if the APU generator puts broken pieces into the oil supply. The oil pump has a pressure regulator/relief valve, which keeps the oil system pressure at 67.5 ±7.5 psig (465.5 ±51.5 kPa).
If the oil pressure becomes too high, the pressure regulator/relief valve will open to decrease the pressure. The oil pump operates when the APU turns, and its shaft supplies mechanical power to the fuel control unit. The fuel control unit connects to the oil pump with a coupling clamp. The oil pump also has five line replaceable units (LRU) which you can replace independently if necessary:
- The de-prime valve
- Two oil filter elements
- The oil-filter differential-pressure switch
- The generator-filter differential-pressure switch
05/25/16
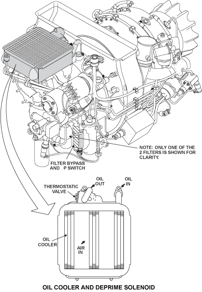
Deprime Solenoid
The Deprime solenoid is an electronically controlled normally closed, two-way valve located on the lube module. It allows gearbox air to enter the lube pump inlet during APU starts when the oil is cold.
The Deprime solenoid is located on the left side of the lube module directly behind the oil quantity/temperature sensing unit and is an LRU.
The Deprime solenoid is energized open during start if oil temperature is less than minus 6.6 °C, and is de-energized at starter cutout. When energized open, gearbox air is allowed to enter the inlet of the lube module pressure pump, and reduces starter motor drag during cold-soaked starting conditions.
The Deprime solenoid is also energized automatically by the FADEC during every shutdown between 60% and 7% rpm.
Oil Pressure Regulator/Relief Valve
This unit is downstream of the oil pressure pump output and upstream of the oil cooler.
The oil pressure regulator is a non-adjustable valve incorporated internally in the lube module. It contains a seat and spring to maintain the lubrication system pressure at 67 psig by bypassing oil to the inlet side of the pressure pump. The regulator also includes an ultimate relief valve that will open and bypass oil if the pressure exceeds 240 psig.
Oil Filter Elements
The oil filter elements for the APU circuit and the APU generator circuit are the same. You cannot clean the oil filter elements, but must discard them when they become clogged. Each oil filter element is equivalent to a 3-micron filter screen. Two filter housings hold the oil filter elements in position on the oil pump.
Oil-Filter Differential-Pressure Switch
The oil-filter differential-pressure switch measures the differential pressure across the oil filter element for the APU. When the oil filter element starts to become clogged, the differential pressure increases. When the differential pressure becomes 35 ±5 psid (241.5 ±34.5 kPa), the oil-filter differential-pressure switch sends a signal to the FADEC. If the differential pressure becomes 75 ±25 psid (517.5 ±172.5 kPa), the valve in the oil-filter differential-pressure switch will open. When this occurs, the oil will bypass the oil filter element. The oil-filter differential-pressure switch attaches to the oil pump, and it has a slot in its flange for faster removal/installation.
Generator-Filter Differential-Pressure Switch
05/25/16
Oil Cooler
The oil cooler is downstream of the pressure regulating/relief valve and upstream of the pressure filter, when following the oil flow path.
The oil Cooler Assembly is a plate and fin type of air/oil heat exchanger with the cooling airflow supplied by the APU inlet ducting. The cooler is mounted above the accessories.
Oil is directed through internal passages in the heat exchanger allowing the air flowing across the fins to extract the heat from the oil prior to its delivery to the APU.
The oil cooler incorporates a thermostatic bypass valve assembly that allows oil to bypass the cooler at temperatures less than minus 6.6 °C and flow through the cooler when temperatures are greater than 76.6 °C. The bypass valve is not a line replaceable unit.
The thermostat will prevent oil flow through the oil cooler when the oil temperature is less than 66 °C. In case the differential pressure across the thermostatic bypass valve exceeds 40-45 psid, the valve will open and the oil cooler will be bypassed. This action can result in an eventual auto shutdown due to a high oil temperature fault, with a record of "NO FAULTY LRU" retained in the memory of the FADEC.
05/25/16
Low Oil Pressure Switch
The LOP switch is mounted directly on the gearbox below the starter pad near the aft bearing oil supply port. The switch has a normally closed set of contacts that are opened when oil pressure increases above 40 psig (276 kPa) during starts.
During ground operation only, if the oil pressure decreases below 30 psig (207 kPa), the LOP switch contacts close, first turning on the amber CAS message reading APU OIL LO PRESS. Next, after a time delay of 15 seconds, the APU will be shut down, followed by the CAS advisory message reading APU SHUTDOWN. During in-flight operation, the APU OIL LO PRESS message is shown with no auto shutdown being performed by the FADEC.
During the "APU IN BITE" checks (i.e., during the automatic test performed by the FADEC on all APU electrical / electronic components prior to every start) the LOP switch is checked by the FADEC. On the ground, if this switch is electrically open (above 30 psig), APU starts are inhibited by the FADEC. A fault is logged in the FADEC's memory.
The above auto shutdown feature of the APU is inhibited in flight. If the prestart BITE detects a defective LOP switch in flight, the APU will run if started, but will have no LOP shutdown protection.
This feature is provided to allow the APU to operate in flight, i.e., when the APU is in "Essential" mode. However, the pilots are informed of the LOP condition by an advisory CAS message reading APU FAULT on the EICAS primary page, and have the option of manually shutting down the APU.
The LOP switch is checked by the FADEC in the prestart and self-test modes only and not during APU operation.
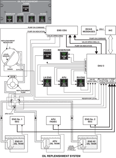
Oil Replenishment Interface
The synopsis below discusses the oil replenishment system interface as applicable to the APU. The system itself is described in the Power Plant Chapter.
Briefly, when the proper conditions exist, oil from the replenishment reservoir is directed by a DC motor driven pump via the APU port of a selector valve with three ports i.e., with one port each for the APU and each engine.
APU Oil Replenishment Conditions
Prior to oil replenishment, the following conditions must be met:
- Airplane must be on the ground (i.e., Weight On Wheels)
- 28 volts DC power must be available at the Battery Bus (post Build 4 modification requires AC power)
- The replenishment reservoir level contains at least 1.06 quarts/1.0 liter of oil and its level sensor serviceable
- All engines must be shut down, APU, LH and RH engines
- The APU has been shut down for a minimum of 15 minutes
- The APU oil level sensor is serviceable and its level is less than 4.5 quarts
- Only one engine oil replenishment is permitted at a time
- The control switches on the OIL REPLENISHMENT Panel behind the Pilot's seat are positioned appropriately, and
- When the PBA marked POWER on the above panel is selected, the BITE test of the replenishment system components initiated automatically by the APU FADEC, is satisfactory
Replenishment Operation
The following steps describe how to replenish the APU oil system from the oil replenishment panel. The Airplane Maintenance Manual takes precedence over all servicing procedures.
- Select the POWER switch (SYSTEM ON)
- Confirm that the LO OIL lamp (APU) corresponds to the APU low oil quantity indication on EICAS (if the oil level is below 3.5 qt)
- Confirm that the PUMP ON (below RESERVOIR label) legend is displayed
- Select the APU switch, and confirm the VLV OPEN (below the APU label) legend is displayed
- Monitor the EICAS oil level for the APU andreservoir (example: if approximately 1 U.S. qt is added to the APU, the oil replenishment tanklevel should have reduced by the same amount)
- When the APU oil tank is full, confirm that the PUMP ON legend goes out (indicating pump stoppage). Also confirm that the VLV OPEN legend goes out (indicating valve closure). Note that the system may be shut off manually, if required, by pressing the APU switch a second time
- Select the POWER switch, SYSTEM ON legend extinguishes. Record the amount of oil added, and carry out a walk around
Lubrication Module
The Lubrication or Lube Module is a self-contained unit. It provides lubricating oil to the generator, gearbox, starter, Fuel Control Unit and its shaft, as well as the APU main shaft bearings. The module is mounted at its rear end on an accessory gearbox drive pad and is driven by a splined shaft mated to the accessory gear train. The front face of the gearbox where the lube module is mounted incorporates a drive pad for mounting the fuel control unit.
Pressure Pump and Pressure Oil Routing
The pressure pump is of the geroter-type and has three pressure elements on the common lube module shaft shared with the three scavenge pump elements. The supply to the pressure pump from the integral oil tank is via internal paths in the gearbox. The output of the three pump elements is joined into a manifold. The pressure oil is now routed via the pressure regulator/relief valve and the external oil cooler to a pressure filter, a DP switch and a bypass valve.
The output of the filter travels via internal passages, to lubricate, cool and clean the lube module shaft splines and the duplex ball bearing, which supports the front end of the rotating group.
Pressure oil from the pump output manifold is also delivered through a combination of cored passages and a transfer manifold, utilizing a jet-spray and oil-mist method to lubricate the generator, its drive bearings and to the gears and bearings of the accessory gearbox. An external line delivers regulated oil pressure to the rear turbine bearing. The turbine bearing is lubricated using a jet spray on the rolling element.
Scavenge Pump and Scavenge (Return) Oil Path
The scavenge pump has three elements and shares the lube module shaft with the three elements of the pressure pump.
Oil spilled into the lube module cavity after lubrication is drained directly into the gearbox oil tank/sump via internal passages.
Oil routed from the rear turbine cavity is scavenged via an external line by the rear most element of the scavenge pump, and sent back to the sump reservoir. A carbon face seal, aft of the turbine roller bearing, seals the turbine sump.
The AC generator return oil is scavenged through two screen type filters and by two elements of the scavenge pump. The outputs of these elements are sent to the manifold and passed through a scavenge filter (equipped with a ΔP switch and a bypass valve) and returned to the oil tank.
It should be noted that in order to protect the engine, the gearbox and other components from the possibility of receiving debris/contaminants from a failed generator the generator return oil is first filtered and, only thereafter, allowed to mix with the rest of the return oil.
Pressure and Scavenge Filters, DP Switches and Bypass Valves
Both oil filter elements (lube-pressure and generator-scavenge) are replaceable 3 micron metal elements. The filters are contained in housings threaded into the lubrication module housing and are easily replaced.
Each filter is equipped with its own bypass valve (mounted close to it), which starts to open at 35 psi Δ. Additional contamination buildup will cause the filter bypass valve to open fully at 75 psi Δ and allow unfiltered oil to bypass the filter.
The FADEC monitors the DP at each filter during APU operation. If it detects an impending bypass condition, an APU FAULT advisory message will be displayed on the EICAS page. This information is also retained as a record by the FADEC for retrieval by maintenance personnel (by querying through the CAIMS system).
Lubrication of Front and Rear Bearings
Front Bearing Lubrication
A duplex type thrust bearing supports the forward part of the rotating group. Its design and mounting arrangement combine to allow minimal axial rotor movement. The sump for this bearing includes the accessory gearbox.
Oil is sprayed on the compressor carbon face seal rotor, providing a cooling layer of lubricant to transfer heat from the rotor. Oil is returned to the bottom of the gearbox by gravity alone. The carbon seal forms the primary oil seal during engine operation.
To ensure that engine oil is not lost due to a seal failure, compressor discharge air enters the area behind the face seal. As a result of the above arrangement, a leaking carbon seal would allow air into the oil sump during engine operation, instead of leaking oil out of the sump. Air and any oil,which may leak past the seal on shutdown, is drained overboard by the cavity drain.
If any oil seep is noticed through the compressor seal witness drain, it must be concluded that there is an oil leak past the forward carbon seal. The compressor seal witness drain is located on the front of the gearbox.
Oil leakage past this seal could cause:
- A smell of smoke in the passenger and crew cabins, and
- Progressively higher oil consumption
Rear Bearing Lubrication
The turbine end of the rotating group is supported by a roller bearing in the turbine cavity to allow axial expansion of the APU main shaft. The bearing is lubricated with an oil jet. Return oil is scavenged back to the gearbox by a scavenge element of the oil pump.
A piston-ring type of oil seal primarily seals the turbine sump. Buffer air extracted from the compressor impeller and is routed aft, the chamber forward of the turbine seal becomes pressurized. Any oil leaks would allow the air to enter the sump. The film of buffer air flowing past the seal during APU operation aids in reducing coking of the carbon seal.
Oil leak past the carbon seal could cause:
- Smoke out of the exhaust tail pipe, and
- Increased oil consumption
Maximum oil consumption of the RE220 APU is 10 ml/hr.
Controls and Displays
The only APU oil system-related controls are the oil replenishment controls.
The displays associated with the APU oil system are:
- Digital readouts of APU oil tank and replenishment reservoir levels displayed on the EICAS status page
- Digital readouts of APU oil tank level and oil temperature are displayed on the CAIMS APU status page 1
The APU oil level is only displayed when the APU is not running. This allows the operator to view the oil level during prestart and after APU shutdown. The entire oil display window is removed from view after the second main engine is started, regardless of APU status.
System Operation
The majority of the RE220 APU lubrication system is integral with the accessory gearbox and is used to clean the rotating group and accessory shaft bearing. The system begins with the oil reservoir, which is located in the gearbox sump.
Oil is provided by a three-element pressure pump,cooled through an oil cooler and filtered prior to components distribution. Oil is returned to the reservoir by the three lube pump scavenge elements. One scavenges the engine turbine bearing cavity, while the other two scavenge the generator oil. The generator scavenge oil is filtered upon return prior to entering the reservoir.
If oil pressure should drop below 30 psig after the APU has reached 95% for 15 seconds, the APU will shut down for LOP. The LOP automatic shutdown protection is inhibited in flight. Should oil temperature exceed 148.9 °C for 10 seconds with the APU speed greater than 95%, a high oil temperature automatic shutdown will occur. This automatic shutdown protection is also inhibited inflight.
A deprime valve is installed on the lube module and is energized open if the oil temperature is below –6.6 °C. This deprimes the lube pressure pump and aid in APU starting during cold-soaked conditions. The deprime solenoid is also energized during every shutdown to aerate the lube system.This helps reduce lube system drag on the next start attempt.
10/06/20
Component Location Index
| Component Location Index | |||
|---|---|---|---|
| IDENT | DESCRIPTION | LOCATION | IPC REF |
| MT6 | OIL TEMPERATURE SENSOR | ZONE(S) 320 | 49-90-01 [ GX ] [ GXRS ] [ G5000 ] |
| MT2 | OIL LEVEL SENSOR | ZONE(S) 320 | 49-90-05 [ GX ] [ GXRS ] [ G5000 ] |
| - | FILLER-NECK AND CAP | ZONE(S) 320 | 49-90-09 [ GX ] [ GXRS ] [ G5000 ] |
| A4 | OIL SUMP HEATER | ZONE(S) 320 | 49-90-13 [ GX ] [ GXRS ] [ G5000 ] |
| - | MAGNETIC DRAIN PLUG | ZONE(S) 320 | 49-90-18 [ GX ] [ GXRS ] [ G5000 ] |
| - | OIL PUMP | ZONE(S) 320 | 49-90-21 [ GX ] [ GXRS ] [ G5000 ] |
| V1 | DE-PRIME VALVE | ZONE(S) 320 | 49-90-24 [ GX ] [ GXRS ] [ G5000 ] |
| - | OIL FILTER ELEMENT | ZONE(S) 320 | 49-90-29 [ GX ] [ GXRS ] [ G5000 ] |
| S2 | OIL-FILTER DIFFERENTIAL-PRESSURE SWITCH | ZONE(S) 320 | 49-90-33 [ GX ] [ GXRS ] [ G5000 ] |
| S3 | GENERATOR-FILTER DIFFERENTIAL-PRESSURE SWITCH | ZONE(S) 320 | 49-90-35 [ GX ] [ GXRS ] [ G5000 ] |
| - | AIR/OIL COOLER | ZONE(S) 320 | 49-90-37 [ GX ] [ GXRS ] [ G5000 ] |
| S1 | LOW OIL-PRESSURE SWITCH | ZONE(S) 320 | 49-90-41 [ GX ] [ GXRS ] [ G5000 ] |
























