03/15/22
Overview
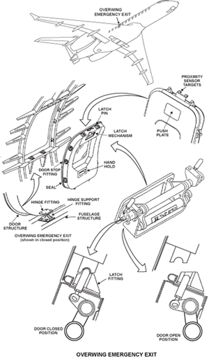
The over-wing emergency exit gives the passengers and crew more exits which let them go out of the aircraft more quickly in an emergency.
There is one over-wing emergency exit on the right side of the fuselage. This is a plug-type door that you can open from the inner or outer side of the fuselage. The door permits the passengers to go out of the aircraft in an emergency.
You can remove the over-wing emergency exit from the inner or outer side of the aircraft. The over-wing emergency exit opens when you pull the handle in and up or push the push plate in. When you pull the handle or push the push plate, the torque tube of the latch mechanism turns. When the torque tube turns, it moves the two levers that connect the torque tube to the latch pins, down. The levers retract the latch pins out from the fittings on the adjacent structure. When you pull the over-wing emergency exit in and down, the two hinge fittings lift off. You can use the hand hold to remove the over-wing emergency exit.
When you put the two hinge fittings of the over-wing emergency exit on the fuselage support-fittings, you can install the over-wing emergency exit. When you pull the handle in and up, the latch pins retract. Then you can push the over-wing emergency exit up and out to the closed position. When you release the handle, two springs move the handle to the closed position to extend the latch mechanism. The springs hold the handle in the closed position. The door stops apply the pressurization load equally around the over-wing emergency exit opening.
A Proximity Sensor is installed in the top center of the overwing emergency exit opening. An EICAS caution message will be displayed if the exit is open.
Latch Mechanism
The latch mechanism is installed in the top of the over-wing emergency-exit structure. The latch mechanism extends to hold the over-wing emergency exit in the closed position. When the latch mechanism retracts, you can release the over-wing emergency exit for removal. The latch mechanism has two latch pins, two levers, a handle, and a torque tube.
The handle is near the top of the over-wing emergency-exit structure and is part of the latch mechanism. You can operate the handle from the inner or outer side of the over-wing emergency exit. The handle moves the latch mechanism to the extended and retracted positions. The handle has a tube on the internal side, a push plate on the external side, and two springs.
05/24/16
Seal
The seal is bonded to a flange around the edges of the over-wing emergency-exit structure. The seal stops air leaks around the overwing emergency exit when the fuselage is pressurized. Holes cut in the seal let the air pressure in the fuselage push the seal against the structure around the overwing emergency exit. The seal is rubber with polyester fabric.




