background
x
loader
Troubleshooting
arrow By ATA By Message Color By Observed Faults By CAIMS By Tips

Select color for CAS message that you wish to troubleshoot

(WARNING)
RED MESSAGE
(CAUTION)
AMBER MESSAGE
(ADVISORY)
CYAN MESSAGE
(STATUS)
WHITE MESSAGE
Require immediate crew attention. These messages are accompanied by flashing master warning, triple chime attenson with or without voice message or dedicated tone. Require immediate crew awareness and future crew action may be required in the form of alternate system selection or performance limitation. These message are accompanied by flashing master caution and a single chime. Indicate safe or normal system operation which require crew awareness, over and above the dark cockpit philosophy. Indicate minor failures or reduction in systems capability, which require no crew action.

This page includes :

For AOG assistance contact:

CRC Montreal (YUL)
Quick Links

09/25/20

Message Overview:

Fault Message:

ACPC GTC 8 CONTACTOR-K3 FAILED

Fault Code:

2451342ACP

Associated CAS:

ELEC SYS FAULT
(Advisory)

Reporting LRU: AC Power Center (ACPC)
System Description: 24-50-00
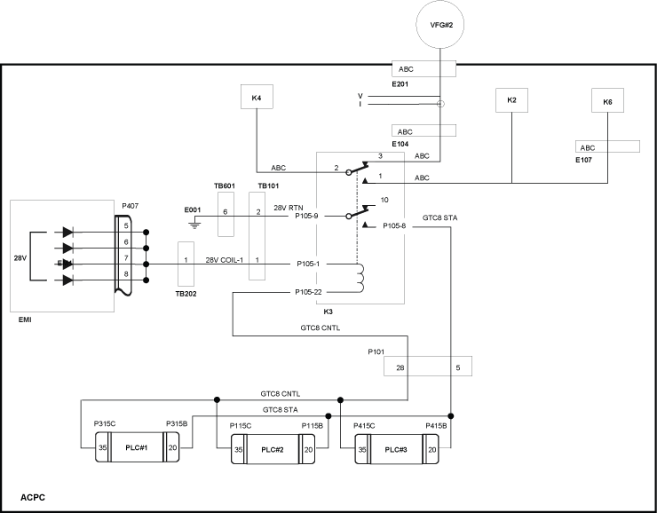
Schematic Diagram: 24-51-00 [ Global Express ]  [ G5000 ]  [ Global XRS ]
Wiring Diagram: 24-51-01 [ Global Express ]  [ G5000 ]  [ Global XRS ]

Fault Description:

The AC Power Center (ACPC) Primary Logic Cards (PLC) detect a discrepancy between coil drive status and auxiliary contact status of the Contactor K3.

Possible Causes:

  • Contactor (K3)
  • AC Power Center (ACPC) Mother Board
  • Electromagnetic Interference (EMI) Filter
  • AC Power Center (ACPC) TB601
  • AC Power Center (ACPC) TB202
  • AC Power Center (ACPC) TB101
  • Electronic Module 1 (EM1)
  • Primary Logic Card (PLC) 1
  • Primary Logic Card (PLC) 2
  • Primary Logic Card (PLC) 3
  • AC Power Center (ACPC)
  • Associated Wiring

Troubleshooting Tips:

Advisory Wire/Service Bulletin: None

Forum Articles/Infoservice/Newsletter: None

Quick Links:

Removal of the AC Power Center (ACPC) AMM 24-51-00-000-801 [ Global Express ]  [ G5000 ]  [ Global XRS ]
Installation of the AC Power Center (ACPC) AMM 24-51-00-400-801 [ Global Express ]  [ G5000 ]  [ Global XRS ]
Removal of the AC Power Center (ACPC) Primary Logic AMM 24-51-09-000-801 [ Global Express ]  [ G5000 ]  [ Global XRS ]
Installation of the AC Power Center (ACPC) Primary Logic AMM 24-51-09-400-801 [ Global Express ]  [ G5000 ]  [ Global XRS ]
Removal of the AC Power Center (ACPC)
L-Series Contactors
AMM 24-51-33-000-801 [ Global Express ]  [ G5000 ]  [ Global XRS ]
Installation of the AC Power Center (ACPC)
L-Series Contactors
AMM 24-51-33-400-801 [ Global Express ]  [ G5000 ]  [ Global XRS ]
Removal of the AC Power Center (ACPC)
Electronic Modules
AMM 24-51-81-000-801 [ Global Express ]  [ G5000 ]  [ Global XRS ]
Installation of the AC Power Center (ACPC)
Electronic Modules
AMM 24-51-81-400-801 [ Global Express ]  [ G5000 ]  [ Global XRS ]
Wire Repair - Maintenance Practices - ALL SPM 20-12-10-02 [ Global Express ]  [ G5000 ]  [ Global XRS ]
AC Power Center Component Maintenance Manual CMM 24-51-02 [ Global Express ]  [ G5000 ]  [ Global XRS ]

Troubleshooting Recommendations:

  1. Disconnect contactor K3 connector P105.
  2. In the cockpit, turn the BATT MSTR SW to ON.
  3. Check for 28 VDC as follows:

    From To Result
    P105-1 Ground

    1. If there is 28 VDC, go to step 5.
    2. If there is no 28 VDC, continue with next step.

  4. Perform wiring checks between EMI, TB202-1 and TB101-1.

    1. If wiring checks are not good, repair defective wiring as required and do close out.
    2. If wiring checks are good, continue with next step.

  5. In the cockpit, turn the BATT MSTR SW to OFF.
  6. Perform continuity check as follows:

    From To Result
    P105-1 Ground

    1. If there is continuity, go to step 9.
    2. If there is no continuity, continue with next step.

  7. Check TB101-2 connection. Repair as required.

    1. If system checks are good, do close out.
    2. If fault remains, continue with next step.

  8. Check TB601-7 connection. Repair as required.

    1. If system checks are good, do close out.
    2. If fault remains, continue with next step.

  9. Remove PLC 1, PLC 2 and PLC 3.
  10. Perform continuity check on K3 relay as follows:

    From To Result
    P105-8 Ground
    P105-22 Ground

    1. If there is continuity, go to step 17.
    2. If there is no continuity, continue with next step.

  11. Perform continuity check on K3 relay between P105 and PLC 1 as follows:

    From To Result
    P105-8 P315B-20
    P105-22 P315C-35

    1. If there is continuity, go to step 17.
    2. If there is no continuity, continue with next step.

  12. Replace K3.

    1. If system checks are good, do close out.
    2. If fault remains, continue with next step.

  13. Re-install PLC 2 and PLC 3.

    1. If system checks are good, go to step 16.
    2. If fault remains, continue with next step.

  14. Replace PLC 2.

    1. If system checks are good, do close out.
    2. If fault remains, continue with next step.

  15. Replace PLC 3.

    1. If system checks are good, do close out.
    2. If fault remains, continue with next step.

  16. Replace PLC 1.

    1. If system checks are good, do close out.
    2. If fault remains, continue with next step.

  17. Replace ACPC.
  18. Do close out.
Registered and/or unregistered trademarks of Bombardier Inc. or its subsidiaries. © 2015 Bombardier Inc. All rights reserved.