background
x
loader
Troubleshooting
arrow By ATA By Message Color By Observed Faults By CAIMS By Tips

Select color for CAS message that you wish to troubleshoot

(WARNING)
RED MESSAGE
(CAUTION)
AMBER MESSAGE
(ADVISORY)
CYAN MESSAGE
(STATUS)
WHITE MESSAGE
Require immediate crew attention. These messages are accompanied by flashing master warning, triple chime attenson with or without voice message or dedicated tone. Require immediate crew awareness and future crew action may be required in the form of alternate system selection or performance limitation. These message are accompanied by flashing master caution and a single chime. Indicate safe or normal system operation which require crew awareness, over and above the dark cockpit philosophy. Indicate minor failures or reduction in systems capability, which require no crew action.

This page includes :

For AOG assistance contact:

CRC Montreal (YUL)
Quick Links

10/02/20

Message Overview:

Fault Message:

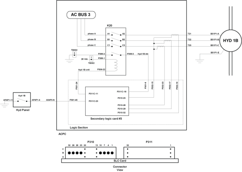
ACPC EHP 1B CONTACTOR-K20 FAILED

Fault Code:

2451344ACP

Associated CAS:

ELEC SYS FAULT
(Advisory)

Reporting LRU: AC Power Center (ACPC)
System Description: 24-50-00
Schematic Diagram: 24-51-00 [ Global Express ]  [ G5000 ]  [ Global XRS ]
29-12-00 [ Global Express ]  [ G5000 ]  [ Global XRS ]
29-13-00 [ Global Express ]  [ G5000 ]  [ Global XRS ]
Wiring Diagram: 24-51-01 [ Global Express ]  [ G5000 ]  [ Global XRS ]
24-51-02 [ Global Express ]  [ G5000 ]  [ Global XRS ]
29-00-01 [ Global Express ]  [ G5000 ]  [ Global XRS ]

Fault Description:

During the power on sequence, Secondary Logic Card (SLC) will verify that Electric Hydraulic Pump (EHP) Contactor is open and EHP current sensing circuit is functional.

During the continuous monitoring, SLC will verify EHP Contactor status against its trip status and commanded state.

Possible Causes:

  • AC Power Center (ACPC) (A54)
  • AC Power Center (ACPC) Contactor (K4)
  • Secondary Logic Card (SLC) 3
  • Hydraulic Panel (AP4)
  • Electric Hydraulic Pump (EHP) 1B (B51)
  • Associated Wiring

Troubleshooting Tips:

Advisory Wire/Service Bulletin: None

Forum Articles/Infoservice/Newsletter: None

Past experience:

  1. Hyd pump failed in flight with switch in auto:

    1. We did the following procedure and no anomalies noted.
    2. We performed a ground run (ground idle and flight idle) and no anomalies noted.
    3. They flushed the hydraulic system and no anomalies noted.
    4. We instrumented the hydraulic system, performed flight test and found abnormal in-rush current from hydraulic pump with N2 around 90%. The issue was related to the back feed from the engine driven hydraulic pump.
    5. They replaced manifold and fixed the issue.

Quick Links:

Removal of the AC Power Center (ACPC) AMM 24-51-00-000-801 [ Global Express ]  [ G5000 ]  [ Global XRS ]
Installation of the AC Power Center (ACPC) AMM 24-51-00-400-801 [ Global Express ]  [ G5000 ]  [ Global XRS ]
Removal of the AC Power Center (ACPC) Secondary Logic AMM 24-51-13-000-801 [ Global Express ]  [ G5000 ]  [ Global XRS ]
Installation of the AC Power Center (ACPC) Secondary Logic AMM 24-51-13-400-801 [ Global Express ]  [ G5000 ]  [ Global XRS ]
Removal of the AC Power Center (ACPC) L-Series Contactors AMM 24-51-33-000-801 [ Global Express ]  [ G5000 ]  [ Global XRS ]
Installation of the AC Power Center (ACPC) L-Series Contactors AMM 24-51-33-400-801 [ Global Express ]  [ G5000 ]  [ Global XRS ]
Wire Repair - Maintenance Practices - ALL SPM 20-12-10-02 [ Global Express ]  [ G5000 ]  [ Global XRS ]
AC Power Center Component Maintenance Manual CMM 24-51-02 [ Global Express ]  [ G5000 ]  [ Global XRS ]

Troubleshooting Recommendations:

  1. Swap SLC 3 with SLC 4.

    1. If system checks are good, replace SLC 3 and do close out.
    2. If fault remains, continue with next step.

  2. Get access to the ACPC contactor K20.
  3. Disconnect contactor K20 connector P306.
  4. Turn the BATT MSTR SW to ON.
  5. Check for 28 Volts DC between ACPC to ground as follow:

    From To Result
    P306-1 Ground

    1. If there is 28 Volts DC, go to step 7.
    2. If there is no 28 Volts DC, continue with next step.

  6. Verify voltage from the TB302-1. Repair as required.

    1. If system checks are good, do close out.
    2. If fault remains, continue with next step.

  7. Turn the BATT MSTR SW to OFF.
  8. Remove SLC 3.
  9. Perform a continuity check with the connections as follows:

    From To Result
    P306-22 Ground
    P306-3 Ground
    P310-23 Ground
    P310-26 Ground
    P310-29 Ground
    P310-32 Ground

    1. If there is continuity, go to step 24.
    2. If there is no continuity, continue with next step.

  10. Make sure the Hydraulic Pump 1B is select to OFF.
    CAUTION: To prevent damage to the ACPC motherboard connectors, ensure that the wire jumper pin Outside Diameter (OD)/socket Inside Diameter (ID) does not exceed 0.025 inch.
  11. Perform a continuity check between SLC 3 and ground as follows:

    From To Result
    P311C-23 Ground

    1. If there is no continuity, go to step 14.
    2. If there is continuity, continue with next step.

  12. Disconnect connector A54P3 and perform a continuity check between SLC 3 and ground as follows:

    From To Result
    P311C-23 Ground

    1. If there is continuity, go to step 24.
    2. If there is no continuity, continue with next step.

  13. Perform a wiring check between ACPC to HYD Panel and HYD panel to ground as follows:

    From To Result
    A54P3-N AP4P1-4
    AP4P1-11 Ground

    1. If wiring checks are not good, repair defective wiring as required and do close out.
    2. If wiring checks are good, continue with next step.

  14. Perform a continuity check between ACPC and ground as follows:

    From To Result
    P306-2 Ground

    1. If there is continuity, go to step 16.
    2. If there is no continuity, continue with next step.

  15. Verify voltage from the TB302-3. Repair as required.

    1. If system checks are good, do close out.
    2. If fault remains, continue with next step.

  16. Perform a continuity check with the connections as follows:

    From To Result
    P306-22 P311C-11
    P306-3 P311C-18

    1. If there is no continuity, go to step 24.
    2. If there is continuity, continue with next step.

  17. Select the switch HYD 1B to ON.
  18. Perform a continuity check between SLC 3 and ground as follows:

    From To Result
    P311C-23 Ground

    1. If there is continuity, go to step 21.
    2. If there is no continuity, continue with next step.

  19. Disconnect connector A54P3 and perform a continuity check within ACPC as follows:

    From To Result
    P311C-23 A54P3-N

    1. If there is no continuity, go to step 24.
    2. If there is continuity, continue with next step.

  20. Perform a continuity check between ACPC to HYD Panel and HYD panel to ground as follows:

    From To Result
    A54P3-N AP4P1-4
    AP4P1-11 Ground

    1. If there is no continuity, repair defective wiring as required and do close out.
    2. If there is continuity, continue with next step.

  21. Perform a and record a resistance check with the connections as follow:

    From To Record
    P310-23 P310-26
    P310-23 P310-29
    P310-23 P310-32

    1. If the resistance values are not identical, go to step 24.
    2. If the resistance values are identical, continue with next step.

  22. Disconnect connector B51P1. Apply AC power and select HYD Pump 1B to ON.

    1. If fault is not present, go to step 25.
    2. If fault is present, continue with next step.

  23. Replace contactor K20.

    1. If system checks are good, do close out.
    2. If fault remains, continue with next step.

  24. Replace ACPC.

    1. If system checks are good, do close out.
    2. If fault remains, continue with next step.

  25. Troubleshoot the hydraulic 1B system.
  26. Do close out.
Registered and/or unregistered trademarks of Bombardier Inc. or its subsidiaries. © 2015 Bombardier Inc. All rights reserved.