09/09/21
Message Overview:
Message Name:
ACPC GTC 2/GTC 10 CONTACTOR-K6 FAIL
Message Code:
2451345ACP
Associated CAS:
| Reporting LRU: | AC Power Center (ACPC) |
| System Description: | 24-50-00 |
| Schematic Diagram: | 24-51-00 [ Global Express ] [ G5000 ] [ Global XRS ] |
| Wiring Diagram: | 24-51-01 [ Global Express ] [ G5000 ] [ Global XRS ] |
Message Description:
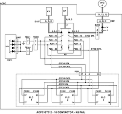
The AC Power Center (ACPC) Primary Logic Cards (PLC) detects a discrepancy between the coil drive status and the auxiliary contact status of the Contactor K6.
Possible Causes:
- AC Power Center (ACPC) Contactor (K6)
- AC Power Center (ACPC) (A54)
- AC Power Center (ACPC) Contactor (TB601)
- AC Power Center (ACPC) Contactor (TB202)
- AC Power Center (ACPC) Contactor (TB201)
- Electronic Module 1 (EM1)
- Primary Logic Card (PLC) 1
- Primary Logic Card (PLC) 2
- Primary Logic Card (PLC) 3
- Associated Wiring
Troubleshooting Tips:
Advisory Wire/Service Bulletin: None
Forum Articles/Infoservice/Newsletter: None
Flight Operation Notifications Manual (FONM): None
Quick Links:
| Removal of the AC Power Center (ACPC) | AMM 24-51-00-000-801 [ Global Express ] [ G5000 ] [ Global XRS ] |
| Installation of the AC Power Center (ACPC) | AMM 24-51-00-400-801 [ Global Express ] [ G5000 ] [ Global XRS ] |
| Removal of the AC Power Center (ACPC) Primary Logic | AMM 24-51-09-000-801 [ Global Express ] [ G5000 ] [ Global XRS ] |
| Installation of the AC Power Center (ACPC) Primary Logic | AMM 24-51-09-400-801 [ Global Express ] [ G5000 ] [ Global XRS ] |
| Removal of the AC Power Center (ACPC) LC-Series Contactors (K4, K6, K9, K12) | AMM 24-51-37-000-801 [ Global Express ] [ G5000 ] [ Global XRS ] |
| Installation of the AC Power Center (ACPC) LC-Series Contactors (K4, K6, K9, K12) | AMM 24-51-37-400-801 [ Global Express ] [ G5000 ] [ Global XRS ] |
| Removal of the AC Power Center (ACPC) Electronic Modules | AMM 24-51-81-000-801 [ Global Express ] [ G5000 ] [ Global XRS ] |
| Installation of the AC Power Center (ACPC) Electronic Modules | AMM 24-51-81-400-801 [ Global Express ] [ G5000 ] [ Global XRS ] |
| Wire Repair - Maintenance Practices - ALL | SPM 20-12-10-02 [ Global Express ] [ G5000 ] [ Global XRS ] |
| AC Power Center Component Maintenance Manual | CMM 24-51-02 [ Global Express ] [ G5000 ] [ Global XRS ] |
Troubleshooting Recommendations:
- Disconnect contactor K6 connector P204 on ACPC.
- Turn the BATT MSTR SW to ON.
- Perform a check for 28 Volts DC between Contactor K6 to ground as follow:
From To Result P204-1 Ground P204-2 Ground - If there is 28 Volts DC, go to step 5.
- If there is no 28 Volts DC, continue with next step.
- Perform a wiring check between EM1 to TB201-1 as follows:
From To Result P407 TB202-2 TB202-2 TB202-1 - If wiring checks are not good, repair defective wiring as required and do close out.
- If wiring checks are good, continue with next step.
- Turn the BATT MSTR SW to OFF.
- Perform a continuity check between K6 to ground as follows:
From To Result P204-13 Ground P204-11 Ground - If there is continuity, go to step 8.
- If there is no continuity, continue with next step.
- Perform a wiring check within ACPC as follows:
From To Result TB601-7 TB201-3 - If wiring checks are not good, repair defective wiring as required and do close out.
- If wiring checks are good, continue with next step.
- Remove PLC 1, PLC 2 and PLC 3.
- Perform a continuity check with the connections as follows:
From To Result P204-14 Ground P204-12 Ground P204-22 Ground P204-3 Ground - If there is continuity, go to step 15.
- If there is no continuity, continue with next step.
- Perform a continuity check with the connections as follows:
From To Result P204-14 P115B-23 P204-14 P315B-23 P204-14 P415B-23 P204-12 P115B-14 P204-12 P315B-14 P204-12 P415B-14 P204-22 P115C-37 P204-22 P315C-37 P204-22 P415C-37 P204-3 P115C-27 P204-3 P315C-27 P204-3 P415C-27 - If there is continuity, continue with next step.
- If there is no continuity, go to step 15.
- Replace contactor K6.
- If system checks are good, do close out.
- If fault remains, continue with next step.
- Re-install PLC 2 and PLC 3.
- If system checks is good, replace PLC 1 and do close out.
- If fault remains, continue with next step.
- Remove PLC 2 and reinstall PLC 1.
- If system checks is good, replace PLC 2 and do close out.
- If fault remains, continue with next step.
- Remove PLC 3 and reinstall PLC 2.
- If system checks is good, replace PLC 3 and do close out.
- If fault remains, continue with next step.
- Replace ACPC.
- Do close out.

