12/12/25
Message Overview:
Message Name:
ACPC AC 1 FEEDER CONTACTOR-K15 FAIL
Message Code:
2451354ACP
Associated CAS:
| Reporting LRU: | AC Power Center (ACPC) |
| System Description: | 24-50-00 - AC Electrical Load Distribution |
| Schematic Diagram: | [ Global Express ] [ G5000 ] [ Global XRS ] 24-51-00 - AC Load Distribution AC Power Center(ACPC) System |
| Wiring Diagram: | [ Global Express ] [ G5000 ] [ Global XRS ] 24-51-01 - Primary AC Power Distribution System |
Message Description:
Secondary Logic Card (SLC) 1 detects a discrepancy between the coil drive status and auxiliary contact status of the Contactor K15.
Possible Causes:
- AC Power Center (ACPC) (A54)
- Contactor (K15)
- Secondary Logic Card (SLC) 1
- Electronic Module 1 (EM1)
- AC Power Center (ACPC) Motherboard
- Electromagnetic Interference (EMI) Filter
- AC Power Center (ACPC) TB202
- AC Power Center (ACPC) TB102
- Associated Wiring
Troubleshooting Tips:
Advisory Wire/Service Bulletin: None
Full Throttle Blog/Forum Articles/Infoservice/Newsletter: None
Flight Operation Notifications Manual (FONM): None
NOTES:
- If AC BUS 1 FEEDER (K15) is tripped and is not resettable:
- Check K15 output (A2/B2/C2) and make sure all the three phases are not shorted to ground.
- Do resistance check between current transformer IS1A and com, IS1B and com and IS1C and com. Make sure the resistance values on each phase are approximate the same value.
Quick Links:
| Removal of the AC Power Center (ACPC) | AMM 24-51-00-000-801 [ Global Express ] [ G5000 ] [ Global XRS ] |
| Installation of the AC Power Center (ACPC) | AMM 24-51-00-400-801 [ Global Express ] [ G5000 ] [ Global XRS ] |
| Removal of the AC Power Center (ACPC) Secondary Logic | AMM 24-51-13-000-801 [ Global Express ] [ G5000 ] [ Global XRS ] |
| Installation of the AC Power Center (ACPC) Secondary Logic | AMM 24-51-13-000-801 [ Global Express ] [ G5000 ] [ Global XRS ] |
| Removal of the AC Power Center (ACPC) H-Series Contactor | AMM 24-51-29-000-801 [ Global Express ] [ G5000 ] [ Global XRS ] |
| Installation of the AC Power Center (ACPC) H-Series Contactor | AMM 24-51-29-400-801 [ Global Express ] [ G5000 ] [ Global XRS ] |
| Removal of the AC Power Center (ACPC) Electronic Modules | AMM 24-51-81-000-801 [ Global Express ] [ G5000 ] [ Global XRS ] |
| Installation of the AC Power Center (ACPC) Electronic Modules | AMM 24-51-81-400-801 [ Global Express ] [ G5000 ] [ Global XRS ] |
| Wire Repair - Maintenance Practices - ALL | SPM 20-12-10-02 [ Global Express ] [ G5000 ] [ Global XRS ] |
| AC Power Center Component Maintenance Manual | CMM 24-51-02 [ Global Express ] [ G5000 ] [ Global XRS ] |
Troubleshooting Recommendations:
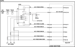
- Interchange SLC 1 with SLC 2 (Refer to illustration).
- If system checks are good, replace SLC 1 and do close out.
- If fault remains, continue with next step.
- Perform a voltage check as follows:
From To Result K15-X1 Ground - If no voltage and there are no CAIMS messages related to EM1 fuses (F1, F2, F3 and F4), continue with next step.
- If no voltage and there is CAIMS messages related to EM1 Fuses (F1, F2, F3 and F4), troubleshoot these messages first and continue with next step.
- If there is 28 VDC, go to step 4.
- Verify voltage check on TB102-1 and TB202-1 (Refers to illustration).
- If system checks are good, continue with next step.
- If fault remains, repair defective wiring as required and do close out.
- Remove SLC 1 and disconnect K15-X1, K15-X2, K15-Y1, K15-Y2, K15-Y11 and K15-12.
- Perform a continuity check between the connections as follows:
From To Result K15-Y2 (lug) Ground K15-X2 (lug) Ground K15-12 (lug) Ground - If there is continuity, go to step 10.
- If there is no continuity, continue with next step.
- Perform a continuity check as follows:
From To Result K15-11 (lug) Ground - If there is continuity, go to step 10.
- If there is no continuity, continue with next step.
- Check the connection of the TB102-3.
- If the connections are correct, go to step 10.
- If the connections are not correct, repair the connections and continue with next step.
- Perform a continuity check between the connections as follows:
From To Result K15-Y2 (lug) SLC 1 P111A-10 K15-X2 (lug) SLC 1 P111A-11 K15-12 (lug) SLC 1 P111C-19 - If there is continuity, continue with next step.
- If there is no continuity, go to step 10.
- Replace contactor K15.
- If system checks are good, do close out.
- If fault remains, continue with next step.
- Replace ACPC.
- Do close out.

