12/28/23
Message Overview:
Message Name:
HYDRAULIC SYSTEM 3 BRAKE ACCUMULATOR BLEED DOWN TEST FAILS
| Message Code: | 324OBS003 |
| Effectivity: | All |
| System: | Brake system |
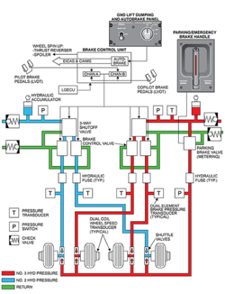
| System Description: | 32-44-00 - Parking Brake System |
| Schematic Diagram: | [ G5000 ] [ Global Express ] [ Global XRS ] SSM 32-43-00-101 - Brake Control System - Electrical Schematic |
| Wiring Diagram: | None |
Message Description:
Brake Accumulator 3 pressure drops 1780 psi (12, 273 kPA) within 1 hour after the Hydraulic System 3 pressure is released.
Possible Causes:
- Emergency/Parking Brake Valve (A175)
- Outboard Brake Shut-off Valve (SOV) (L14)
- Inboard Brake Shut-off Valve (SOV) (L13)
- Valve Manifold
- Outboard Brake Shuttle Valve
- Inboard Brake Shuttle Valve
- MT56 Right Outboard Brake Control Valve
- MT169 Right Inboard Brake Control Valve
- MT53 Left Outboard Brake Control Valve
- MT153 Left Inboard Brake Control Valve
Troubleshooting Tips:
Advisory Wire/Service Bulletin: None
Forum Articles/Infoservice/Newsletter: None
Flight Operation Notifications Manual (FONM): None
NOTE: If a hydraulic fluid transfer is noticed from Hydraulic system 3 to Hydraulic system 2, it could be due to a failure of the outboard Brake Shuttle valves. If the bleed down test keeps failing but there is no noticeable hydraulic fluid transfer, it could be due to a failure of the inboard brake shuttle valves.
Quick Links:
| Grounding of the Aircraft | [ G5000 ] [ Global Express ] [ Global XRS ] AMM10-11-00-867-801 |
| Removal of the Covers and Plugs | [ G5000 ] [ Global Express ] [ Global XRS ] AMM10-12-00-020-801 |
| Installation of the Covers and Plugs | [ G5000 ] [ Global Express ] [ Global XRS ] AMM10-12-00-420-801 |
| Standard Aircraft Configuration for Maintenance | [ G5000 ] [ Global Express ] [ Global XRS ] AMM12-00-00-867-801 |
| Aircraft Walkaround (for Maintenance) | [ G5000 ] [ Global Express ] [ Global XRS ] AMM12-00-00-867-802 |
| Connect Electrical Power to the Aircraft | [ G5000 ] [ Global Express ] [ Global XRS ] AMM24-00-00-861-801 |
| Remove the Electrical Power from the Aircraft | [ G5000 ] [ Global Express ] [ Global XRS ] AMM24-00-00-861-802 |
| Electrical/Electronic Safety Precautions | [ G5000 ] [ Global Express ] [ Global XRS ] AMM24-00-00-910-801 |
| Electrostatic Discharge Safety Precautions | [ G5000 ] [ Global Express ] [ Global XRS ] AMM24-00-00-910-802 |
| Hydraulic Safety Precautions | [ G5000 ] [ Global Express ] [ Global XRS ] AMM29-00-00-910-801 |
| Pressurize the No. 3 Hydraulic System | [ G5000 ] [ Global Express ] [ Global XRS ] AMM29-10-00-862-803 |
| Release Hydraulic Pressure - No. 3 Hydraulic System | [ G5000 ] [ Global Express ] [ Global XRS ] AMM29-10-00-862-804 |
| Bleeding of the No. 3 Hydraulic System | [ G5000 ] [ Global Express ] [ Global XRS ] AMM29-10-00-870-802 |
| Removal of the No. 3 Hydraulic-System Valve Manifold | [ G5000 ] [ Global Express ] [ Global XRS ] AMM29-13-57-000-801 |
| Installation of the No. 3 Hydraulic-System Valve Manifold | [ G5000 ] [ Global Express ] [ Global XRS ] AMM29-13-57-400-801 |
| Pressure Test of the Brake System | [ G5000 ] [ Global Express ] [ Global XRS ] AMM32-43-00-780-801 |
| Removal of the Brake Control Valve | [ G5000 ] [ Global Express ] [ Global XRS ] AMM32-43-09-000-801 |
| Installation of the Brake Control Valve | [ G5000 ] [ Global Express ] [ Global XRS ] AMM32-43-09-400-801 |
| Removal of the Brake Shuttle Valve | [ G5000 ] [ Global Express ] [ Global XRS ] AMM32-43-21-000-801 |
| Installation of the Brake Shuttle Valve | [ G5000 ] [ Global Express ] [ Global XRS ] AMM32-43-21-400-801 |
| Removal of the Brake Shutoff Valve | [ G5000 ] [ Global Express ] [ Global XRS ] AMM32-43-25-000-801 |
| Installation of the Brake Shutoff Valve | [ G5000 ] [ Global Express ] [ Global XRS ] AMM32-43-25-400-801 |
| Removal of the Emergency/Parking Brake Valve | [ G5000 ] [ Global Express ] [ Global XRS ] AMM32-44-01-000-801 |
| Installation of the Parking Brake Valve | [ G5000 ] [ Global Express ] [ Global XRS ] AMM32-44-01-400-801 |
| Access to Active Faults | [ G5000 ] [ Global Express ] [ Global XRS ] AMM45-45-00-970-802 |
| Access to Stored Faults | [ G5000 ] [ Global Express ] [ Global XRS ] AMM45-45-00-970-803 |
| Access to System Diagnostics | [ G5000 ] [ Global Express ] [ Global XRS ] AMM45-45-00-970-804 |
| Flight Deck Effect to Fault Correlations | [ G5000 ] [ Global Express ] [ Global XRS ] AMM45-45-00-970-821 |
| Wire Repair - Maintenance Practices - ALL | [ G5000 ] [ Global Express ] [ Global XRS ] SPM20-12-10-02 |
Troubleshooting Recommendations:
- Pressurize the hydraulic system 2 and 3.
- Using CAIMS, Access BRAKE CONTROL SYSTEM DATA PAGE under ATA 32 "BCU". Apply the brakes.
- In CAIMS, monitor the brake pressure at each brake position.
- Release the brake pedals and monitor the brake pressures, all four brake pressures must decrease at almost the same rate. If one of the brake pressures holds longer, that brake control valve is defective.
- Perform the Pressure Test of the Brake System (AMM 32-43-00-780-801). If the residual brake pressure after brake pedal release is more than 100 psig (689.48 kPa), interchange the associated Brake Control and Shut-Off valve to confirm faulty valve and replace if required.
- If the above tests are not conclusive, do a NVM download of the BCU and send it to the Customer Response Center (CRC) for analysis.
- Release the pressure from the hydraulic system 3.
- Isolate each of the four shuttle valves one at a time by capping their system 3 pressure line. Pressurize system 3 and apply parking brake. Repeat until all four Brake Shuttle valves are capped.
- If the accumulator is still losing pressure (1600 psi after one hour) the shuttle valves are good, reconnect the shuttle valves.
- If accumulator is holding pressure after one hour, the last shuttle valve that was isolated is at fault. Replace shuttle valve.
- Reconnect all four shuttle valves.
- Disconnect the "PRESS" line at the parking brake valve.
- Install a cap on the "PRESS" line at the parking brake valve.
- Pressurize the hydraulic system 3.
- Shut down the source of hydraulic power.
- After 1 hour, check if the pressure on the accumulator gauge decrease below 1780 psi (12, 273 kPa).
NOTE: If the pressure decreases more than 50 psi (345 kPa) in two to four minutes, do not wait one hour and continue with next step.- If NO, replace the parking brake valve and do close out.
- If YES, continue with next step.
- Release pressure from the hydraulic system 3.
- Reconnect Parking Brake Valve.
- Verify both of the three Brake Control Valves one at a time, by capping their inlet pressure port and line and apply parking brake for an hour. If they do not hold pressure > 1600 psi they have internal bypass (leakage) and should be replaced.
- Reconnect the Brake Control Valves.
- Cap the Brake Shut-off Valve inlet line.
- If holding pressure (> 1600 psi after one hour), replace BSV.
- Test the replacement Brake Shut-off Valve for internal leakage by reconnecting the inlet line to the Brake Shut-off Valve.
- Cap the outlet for the Brake Shut-off Valve. If it is holding pressure the Brake Shut-off Valve is okay.
- Reconnect the Brake Shut-off Valve outlet pressure line.
- Reconnect the Brake Shut-off valve inlet line.
NOTE: Steps 14 and 15, for ease of access you may disconnect the "BRAKE PRESSURE OUTLET" at Valve Manifold and cap the Valve Manifold instead.
- Disconnect the "PRESS" line at the brake 3 SOV.
- Install a cap on the "PRESS" line at the brake 3 SOV.
- Pressurize the hydraulic system 3.
- Shut down the source of hydraulic power.
- After 1 hour, check if the pressure on the accumulator gauge decrease below 1780 psi (12, 273 kPa) or below 1095 psi (7550 kPa) after 2 hours.
NOTE: If the pressure decreases more than 50 psi (345 kPa) in two to four minutes, do not wait one hour and continue with next step.- If NO, replace the brake 3 SOV and do close out.
- If YES, continue with next step.
- Release pressure from the hydraulic system 3.
- Disconnect the hydraulic line coming from the Filter Manifold (3A & 3B Filtered Pressure Inlet) at the Valve Manifold.
- Install a cap on the hydraulic line at the valve manifold.
- Pressurize the hydraulic system 3.
- Shut down the source of hydraulic power.
- After 1 hours, does the pressure on Hydraulic synoptic page decrease below 1780 psi (12 273 kPa) or below 1095 psi (7550 kPa) after 2 hours?
NOTE: If the pressure decreases more than 50 psi (345 kPa) in two to four minutes, do not wait one hour and continue with next step.- If YES, replace the Filter Manifold.
- If NO, replace the Valve Manifold.
- Perform bleeding of the System 3 per AMM 29-10-00-870-802.
- Do close out.
| Hydraulic System 3 Manifold | Brake System Diagram |
|---|---|
![]() |
![]() |

