01/10/22
Message Overview:
| DDG Reference: | None |
| Pilot Action (QRH): | ELEC 04-7 |
| System Description: | 24-50-00 |
| Schematic Diagram: | [ Global Express ] [ G5000 ] [ Global XRS ] 24-51-00 AC Load Distribution AC Power Center (ACPC) System [ Global Express ] [ G5000 ] [ Global XRS ] 24-52-00 AC Load Distribution Cockpit Circuit Breaker Panel (CCBP) System |
| Wiring Diagram: | [ Global Express ] [ G5000 ] [ Global XRS ] 24-51-00 ACPC Distribution Left [ Global Express ] [ G5000 ] [ Global XRS ] 24-51-00 ACPC Distribution Right [ Global Express ] [ G5000 ] [ Global XRS ] 24-52-01 Cockpit Circuit Breaker Panel (CCBP) |
Message Description:
AC BUS 1 is not powered or is reported failed by the ACPC.
Possible Causes:
- ACPC GLC1 (K5) contactor
- ACPC GTC(s) contactor(s)
- Secondary logic card (SLC) 1
- Solid State Power Contactor (SSPC) card 5
- AC Power Center (ACPC) (A54)
Troubleshooting Tips:
Advisory Wire/Service Bulletin: None
Forum Articles/Infoservice/Newsletter: None
NOTE: Verify C/B status on both pilot and copilot EMS CDUs. This CAS Message will post if either of the following circuit breaker or Smart Contactor status is OUT or Tripped.
| LOCATION | CB NO. | NAME |
|---|---|---|
| CCBP (A54) | CB-G6 | ESS TRU 1 |
| ACPC (A35) | SC-K15 | AC 1 FEED |
NOTE: If the AC BUS 1 FAIL is associated with a GCU 1 failure related to over current, the ACPC then will isolate the AC BUS 1 (BUS shorted situation). Remove all the loads related to AC BUS 1 and re-apply all loads
NOTE: Troubleshoot other Electrical system CAS messages with CAIMS messages before troubleshooting AC BUS 1 FAIL (Amber), one by one to isolate potential shorted circuits. Observe AC synoptic page during power-on cycle.
Quick Links:
| Removal of ACPC | AMM 24-51-00-000-801 [ Global Express ] [ G5000 ] [ Global XRS ] |
| Installation of ACPC | AMM 24-51-00-400-801 [ Global Express ] [ G5000 ] [ Global XRS ] |
| Removal of AC Power Center (ACPC) Secondary Logic | AMM 24-51-13-000-801 [ Global Express ] [ G5000 ] [ Global XRS ] |
| Installation of AC Power Center (ACPC) Secondary Logic | AMM 24-51-13-400-801 [ Global Express ] [ G5000 ] [ Global XRS ] |
| Removal of AC Power Center (ACPC) Solid-State Power Controller | AMM 24-51-53-000-801 [ Global Express ] [ G5000 ] [ Global XRS ] |
| Installation of AC Power Center (ACPC) Solid-State Power Controller | AMM 24-51-53-400-801 [ Global Express ] [ G5000 ] [ Global XRS ] |
| Removal of AC Power Center (ACPC) LC-Series Relays | AMM 21-51-37-000-801 [ Global Express ] [ G5000 ] [ Global XRS ] |
| Installation of AC Power Center (ACPC) LC-Series Relays | AMM 21-51-37-400-801 [ Global Express ] [ G5000 ] [ Global XRS ] |
| Removal of AC Power Center (ACPC) L-Series Contactors | AMM 21-51-33-000-801 [ Global Express ] [ G5000 ] [ Global XRS ] |
| Installation of AC Power Center (ACPC) L-Series Contactors | AMM 21-51-33-400-801 [ Global Express ] [ G5000 ] [ Global XRS ] |
Troubleshooting Recommendations:
- Check status of AC 1 FEED on EMS CDU, the AC 1 Feed being out or tripped can drive multiple CAS to post.
BUS > AC 1 > AC 1 FEED.- If AC 1 FEED CB is IN go to step 3.
- If AC 1 FEED CB is OUT, set to IN.
AC 1 FEED CB SYSTEM PHASE CAS CB-G6 ESS TRU 1 3 AC BUS 1 FAIL (Caution) CB-G3 EVS FAIRING HEAT 3 EVS HEAT FAIL (Caution) CB-G9 SLAT/FLAP PWR 1 3 SLAT-FLAP HALFSPD (Advisory) CB-H5 EVS WINDOW HEAT 1 EVS HEAT FAIL (Caution) CB-H6 A/T CTLR 1 A/T 1 FAIL (Advisory)
A/T 2 FAIL (Advisory)CB-H7 PITOT 1 HT A 1 PITOT 1 HT FAIL (Caution) CB-H8 R ICE DETECTOR 1 ICE DETECTOR FAULT (Advisory) CB-H9 R AOA HEAT A 1 R AOA HEAT FAIL (Caution) CB-H10 L WSHLD HEAT 1 1 L WSHLD HEAT FAIL (Caution) CB-H11 L WSHLD HEAT 2 1 L WSHLD HEAT FAIL (Caution) CB-G12 TRU BAY FAN 3 ELEC SYS FAULT (Advisory) CB-B6 STAB TRIM CH1 3 STAB CH 1 FAIL (Advisory)
- Did the CAIMS Fault & CAS messages clear after setting AC 1 FEED CB to IN.
- If YES, do close out.
- If NO, go to next step.
- Apply power to the aircraft in the configuration that the AC BUS 1 FAIL CAS message is posted.
- In the flight deck, access AC Synoptic page.
- If AC electrical power is not supplied by VFG 1, go to step 6.
- If AC electrical power is supplied by VFG 1, continue with next step.
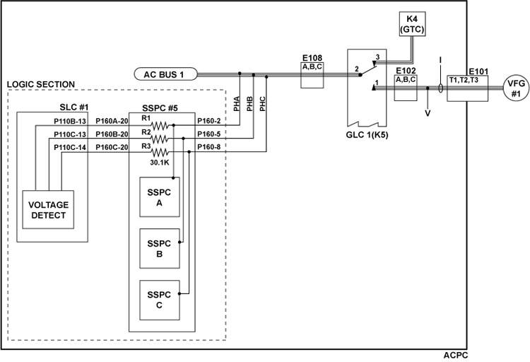
- Access ACPC Primary Subassembly. Do a 115 VAC voltage check as follows:
From To Result K5-A1 Ground K5-B1 Ground K5-C1 Ground - If there is voltage, go to step 8.
- If there is no voltage, troubleshoot involved contactors upstream of K5, leading to VFG 1 output. Replace defective contactors as required.
- Access ACPC Primary Subassembly. Do a 115 VAC as follows:
From To Result K5-A3 Ground K5-B3 Ground K5-C3 Ground - If there is voltage, continue next step.
- If there is no voltage, troubleshoot the involved contactors upstream of K5, leading to the power source.
- Do a continuity check as follows:
From To Result K7-A3 K7-A2 K7-B3 K7-B2 K7-C3 K7-C2 - If there is continuity, continue with next step.
- If there is no continuity, replace contactor K13.
- Open the circuit breaker to all the loads that are fed by AC BUS 1. Verify if AC BUS 1 is now powered.
- If AC BUS 1 is now powered, push in one circuit breaker at a time to find what circuit or system is shorted.
- If AC BUS 1 is not powered. Continue with next step.
- Remove power from the aircraft. Remove SSPC #5. Verify if the AC BUS 1 is shorted to ground by performing a continuity check as follow:
From To Result K5-A2 Ground K5-B2 Ground K5-C2 Ground - If there is continuity, troubleshoot the short inside the ACPC, you may have to replace the ACPC.
- If there is no continuity, replace contactor K5.
- Is the AC BUS 1 FAIL message still present?
- If NO, do close out.
- If YES, continue with next step.
- Interchange SSPC card #5 with SSPC card #4.
- If fault follows, replace the defective SSPC.
- If fault remains, continue with next step.
- Interchange SLC #1 with SLC #2, #3 or #4.
- If fault follows, replace the defective SLC.
- If fault remains, continue with next step.
- Remove SSPC card #5. Do a continuity check as follows:
From To Result P160-2 K5-A2 P160-5 K5-B2 P160-8 K5-C2 - If there is continuity, continue with next step.
- If there is no continuity, replace ACPC.
- Remove SLC #1 and do a continuity check as follows:
From To Result P160A-20 P110B-13 P160B-20 P110C-13 P160C-20 P110C-14 - If there is continuity, continue with next step.
- If there is no continuity, replace ACPC.
- Do a continuity check as follows:
From To Result P160A-20 Ground P160B-20 Ground P160C-20 Ground - If there is continuity, replace ACPC.
- If there is no continuity, inspect contacts for SLC #1 and SSPC #5 and make sure the cards are properly seated when re-installed and replace ACPC as required.
- Do close out.
NOTE: Please review the "ACPC Contactor Tack Welding" observed fault before carrying out this procedure.


