07/19/23
Message Overview:
| DDG Reference: | No Go |
| Pilot Action (QRH): | ABNORM 6-3 |
| System Description: | 24-50-00 |
| Schematic Diagram: | 24-51-00 [ Global Express ] [ G5000 ] [ Global XRS ] |
| Wiring Diagram: | 24-51-00 [ Global Express ] [ G5000 ] [ Global XRS ] |
Message Description:
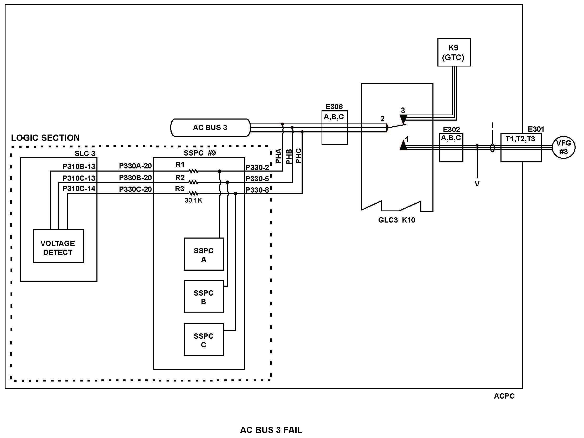
AC BUS 3 is not powered or is reported failed by the ACPC.
Possible Causes:
- ACPC GLC3 (K10) Contactor
- AC Power Center (ACPC) GTC(s) Contactor(s)
- Secondary Logic Card (SLC) 3
- Solid State Power Controller (SSPC) Card 9
- AC Power Center (ACPC) (A54)
Troubleshooting Tips:
Advisory Wire/Service Bulletin: None
Forum Articles/Infoservice/Newsletter: None
Troubleshoot other Electrical system CAS messages with CAIMS messages before troubleshooting AC BUS 3 FAIL (Amber).
If the AC BUS 3 FAIL is associated with a GCU 3 failure related to over current, the ACPC then will isolate the AC BUS 3 (BUS shorted situation). Remove all the loads related to AC BUS 3 and re-apply all loads one by one to find where the short comes from. Observe AC synoptic page during power-on steps.
NOTE: Verify C/B status on both pilot and copilot EMS CDUs.
Quick Links:
| Removal of ACPC | AMM 24-51-00-000-801 [ Global Express ] [ G5000 ] [ Global XRS ] |
| Installation of ACPC | AMM 24-51-00-400-801 [ Global Express ] [ G5000 ] [ Global XRS ] |
| Removal of AC Power Center (ACPC) Secondary Logic | AMM 24-51-13-000-801 [ Global Express ] [ G5000 ] [ Global XRS ] |
| Installation of AC Power Center (ACPC) Secondary Logic | AMM 24-51-13-400-801 [ Global Express ] [ G5000 ] [ Global XRS ] |
| Removal of AC Power Center (ACPC) Solid-State Power Controller | AMM 24-51-53-000-801 [ Global Express ] [ G5000 ] [ Global XRS ] |
| Installation of AC Power Center (ACPC) Solid-State Power Controller | AMM 24-51-53-400-801 [ Global Express ] [ G5000 ] [ Global XRS ] |
| Removal of AC Power Center (ACPC) LC-Series Relays | AMM 21-51-37-000-801 [ Global Express ] [ G5000 ] [ Global XRS ] |
| Installation of AC Power Center (ACPC) LC-Series Relays | AMM 21-51-37-400-801 [ Global Express ] [ G5000 ] [ Global XRS ] |
| Removal of AC Power Center (ACPC) L-Series Contactors | AMM 21-51-33-000-801 [ Global Express ] [ G5000 ] [ Global XRS ] |
| Installation of AC Power Center (ACPC) L-Series Contactors | AMM 21-51-33-400-801 [ Global Express ] [ G5000 ] [ Global XRS ] |
Troubleshooting Recommendations:
NOTE: Please review the "ACPC Contactor Tack Welding" observed fault before carrying out this procedure.
- Apply power to the aircraft in the configuration that the AC BUS 3 FAIL CAS message is posted.
- In the flight deck, access AC Synoptic page.
- If AC electrical power is not supplied by VFG 3, go to step 4.
- If AC electrical power is supplied by VFG 3, continue with next step.
- Access ACPC Primary Subassembly. Do a 115 VAC voltage check as follows:
From To Result K10-A1 Ground K10-B1 Ground K10-C1 Ground - If there is voltage, go to step 6.
- If there is no voltage, troubleshoot involved contactors upstream of K10, leading to VFG 3 output. Replace defective contactors as required.
- Access ACPC Primary Subassembly. Do a 115 VAC as follows:
From To Result K10-A3 Ground K10-B3 Ground K10-C3 Ground - If there is voltage, go to step 5.
- If there is no voltage, troubleshoot the involved contactors upstream of K10, leading to the power source.
- Do a continuity check as follows:
From To Result K10-A3 K10-A2 K10-B3 K10-B2 K10-C3 K10-C2 - If there is continuity, continue with next step.
- If there is no continuity, replace contactor K10.
- Open the circuit breaker to all the loads that are fed by AC BUS 3. Verify if AC BUS 3 is now powered.
- If AC BUS 3 is now powered, push in one circuit breaker at a time to find what circuit or system is shorted.
- If AC BUS 3 is not powered. Continue with next step.
- Remove power from the aircraft. Remove SSPC #9. Verify if the AC BUS 3 is shorted to ground by performing a continuity check as follow:
From To Result K10-A2 Ground K10-B2 Ground K10-C2 Ground - If there is continuity, troubleshoot the short inside the ACPC, you may have to replace the ACPC.
- If there is no continuity, replace contactor K10.
- Is the AC BUS 3 FAIL message still present?
- If NO, do close out.
- If YES, continue with next step.
- Swap SSPC card #9 with SSPC card #8.
- If fault follows, replace the defective SSPC.
- If fault remains, continue with next step.
- Swap SLC #3 with SLC #1, #2 or #4.
- If fault follows, replace the defective SLC.
- If fault remains, continue with next step.
- Remove SSPC card #9. Do a continuity check as follows:
From To Result P330-2 K10-A2 P330-5 K10-B2 P330-8 K10-C2 - If there is continuity, continue with next step.
- If there is no continuity, replace ACPC.
- Remove SLC #3 and do a continuity check as follows:
From To Result P330A-20 P310B-13 P330B-20 P310C-13 P330C-20 P310C-14 - If there is continuity, continue with next step.
- If there is no continuity, replace ACPC.
- Do a continuity check as follows:
From To Result P330A-20 Ground P330B-20 Ground P330C-20 Ground - If there is continuity, replace ACPC.
- If there is no continuity, inspect contacts for SLC #3 and SSPC #9 and make sure the cards are properly seated when re-installed and replace ACPC as required.
- Do close out.


