05/29/20
Message Overview:
Fault Message:
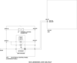
GCU1 SENSE/GEN1 CONT SW FAULT
Fault Code:
2421254LPS
Associated CAS:
| Reporting LRU: | Generator Control Unit (GCU) 1 |
| System Description: | 24-21-00 |
| Schematic Diagram: | 24-21-00 [ Global Express ] [ G5000 ] [ Global XRS ] |
| Wiring Diagram: | 24-21-01 [ Global Express ] [ G5000 ] [ Global XRS ] |
Fault Description:
The Generator Control Unit (GCU) #1, has detected a fault in the Generator Control Switch (GCS) / wiring or in its internal GCS sensing circuit. The GCU GCS sensing circuit has detected the OFF signal as being the same as the ON signal.
Possible Causes:
- Generator Control Unit (GCU) 1 (A56)
- Generator Control Switch (GCS) 1 (SDS3)
- Electrical Control Panel (AP3)
- Associated Wiring
Troubleshooting Tips:
Advisory Wire/Service Bulletin: None
Forum Articles/Infoservice/Newsletter: None
The GCU NVMs can only be downloaded at position #2 or #3.
A GCU patch cable (GSE REF # 24X-24-02) can be used to swap GCU 1, GCU4 and APU GCU into position 2 or 3 (for troubleshooting only).
Quick Links:
| Removal of the Generator Control Units (GCU) | AMM 24-24-01-000-801 [ Global Express ] [ G5000 ] [ Global XRS ] |
| Installation of the Generator Control Units (GCU) | AMM 24-24-01-400-801 [ Global Express ] [ G5000 ] [ Global XRS ] |
| Removal of the ELECTRICAL Control Panel | AMM 24-24-05-000-801 [ Global Express ] [ G5000 ] [ Global XRS ] |
| Installation of the ELECTRICAL Control Panel | AMM 24-24-05-400-801 [ Global Express ] [ G5000 ] [ Global XRS ] |
| Wire Repair - Maintenance Practices - ALL | SPM 20-12-10-02 [ Global Express ] [ G5000 ] [ Global XRS ] |
Troubleshooting Recommendations:
- Swap GCU #1 with GCU #2 (physically or using the GCU patch cable)
- If system checks are good, replace GCU 1 and do close out.
- If fault remains, continue with next step.
- Disconnect GCU #1 connector A56P2 and overhead control panel connector AP3P1.
- Do wiring checks between A56P2 and AP3P1 as follow:
From To Result A56P2-21 AP3P1-G A56P2-28 AP3P1-H - If wiring checks are not good, repair the defective wiring as required and do close out.
- If wiring checks are good, continue with next step.
- Do wiring checks (shorted to ground = failure) as follow:
From To Result A56P2-21 Ground A56P2-28 Ground - If wiring checks are not good, repair the defective wiring as required and do close out.
- If wiring checks are good, continue with next step.
-
Do wiring checks (open = failure) between AP3P1 and ground as follow:
From To Result AP3P1-F GS158 - If wiring checks are not good, repair the defective wiring as required and do close out.
- If wiring checks are good, continue with next step.
- Replace Generator Control Switch (GCS)/Electrical control panel.
- Do close out.


