02/08/21
Message Overview:
Message Name:
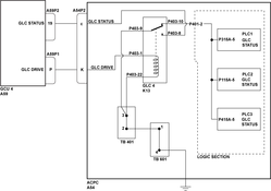
GCU4 [GLC DRIVE OPEN/SHORT/STATUS]
Message Code:
2424133LPS
Associated CAS:
| Reporting LRU: | Generator Control Unit (GCU) 4 |
| System Description: | 24-21-00 |
| Schematic Diagram: | 24-21-00 [ Global Express ] [ G5000 ] [ Global XRS ] |
| Wiring Diagram: | 24-21-04 [ Global Express ] [ G5000 ] [ Global XRS ] |
Message Description:
Generator Control Unit (GCU) 4 has detected a malfunction with the Generator Line Contactor (GLC) Coil and or the GLC status reporting.
Possible Causes:
- Generator Control Unit (GCU) 4 (A59)
- Generator Line Contactor (GLC) 4 (K13)
- AC Power Center (ACPC) (A54)
- Associated Wiring
Troubleshooting Tips:
Advisory Wire/Service Bulletin: None
Forum Articles/Infoservice/Newsletter: None
A GCU patch cable (GSE REF # 24X-24-02) can be used to swap GCUs 1, 4 and 5 into position 2 or 3 (for troubleshooting only).
The GCU NVMs can only be downloaded at position 2 or 3.
Quick Links:
| Removal of the Generator Control Units (GCU) | AMM 24-24-01-000-801 [ Global Express ] [ G5000 ] [ Global XRS ] |
| Installation of the Generator Control Units (GCU) | AMM 24-24-01-400-801 [ Global Express ] [ G5000 ] [ Global XRS ] |
| Removal of the AC Power Center (ACPC) | AMM 24-51-00-000-801 [ Global Express ] [ G5000 ] [ Global XRS ] |
| Installation of the AC Power Center (ACPC) | AMM 24-51-00-400-801 [ Global Express ] [ G5000 ] [ Global XRS ] |
| Removal of the AC Power Center (ACPC) Primary Logic | AMM 24-51-09-000-801 [ Global Express ] [ G5000 ] [ Global XRS ] |
| Installation of the AC Power Center (ACPC) Primary Logic | AMM 24-51-09-400-801 [ Global Express ] [ G5000 ] [ Global XRS ] |
| Removal of the AC Power Center (ACPC) L-Series Contactors | AMM 24-51-33-000-801 [ Global Express ] [ G5000 ] [ Global XRS ] |
| Installation of the AC Power Center (ACPC) L-Series Contactors | AMM 24-51-33-400-801 [ Global Express ] [ G5000 ] [ Global XRS ] |
| Wire Repair - Maintenance Practices - ALL | SPM 20-12-10-02 [ Global Express ] [ G5000 ] [ Global XRS ] |
| AC Power Center Component Maintenance Manual | CMM 24-51-02 [ Global Express ] [ G5000 ] [ Global XRS ] |
Troubleshooting Recommendations:
- Interchange GCU 4 with GCU 2.
- If system checks are good, replace GCU 4 and do close out.
- If fault remains, continue with next step.
- Perform wiring checks on the GLC drive circuit for ground short fault. On GCU 4, disconnect connector A59P1 and on ACPC, gain access to the ACPC primary distribution section and disconnect connector P403 of GLC 4 and on connector A59P1, using a multi-meter, check for a ground on A59P1-P.
- If a ground short fault is not detected, go to step 5.
- If a ground short fault is detected, continue with next step.
- On ACPC, disconnect connector A54P2 and on connector A59P1, using a multi-meter, check for a ground on A59P1-P.
- If the ground short fault is still present, repair or replace the defective wiring between GCU 4 and the ACPC and do close out.
- If the ground short fault is no longer present on A59P1-P, continue with next step.
- Check for ground on GLC 4 connector P403-1.
- If a ground is present, repair defective wire between connector P403-1 and receptacle A54J2-K. If unable to repair the wire, replace the ACPC and do close out.
- If a ground is not present, continue with next step.
- Perform wiring checks on the GLC drive circuit for open circuit fault. On GCU 4, disconnect connector A59P1 and on ACPC, disconnect connector P403 of GLC 4. Check for an open circuit between A59P1 and GLC 4 connector P403 as follows:
From To Expected Result Result A59P1-P P403-1 open - If an open circuit fault is not detected, go to step 8.
- If an open circuit fault is detected, continue with next step.
- On ACPC, disconnect connector A54P2. Check for an open circuit between A59P1 and A54P2 as follows:
From To Expected Result Result A59P1-P A54P2-K open - If the open circuit fault is still present, repair or replace the defective wiring between GCU 4 and the ACPC and do close out.
- If the open circuit fault is no longer present, continue with next step.
- Check for an open circuit between A54J2 and GLC 4 connector P403 as follows:
From To Expected Result Result A54J2-K P403-1 open - If the open circuit fault is present, repair defective wiring between connector P403-1 and receptacle A54J2-K. If unable to repair the wire, replace the ACPC and do close out.
- If the open circuit fault is not present, continue with next step.
- Disconnect GLC 4 connector P403. Check for a ground on connector P403-22.
- If the ground is missing, repair defective wiring between P403-22, TB401, TB601 and ground stud E001. If unable to repair the wiring, replace the ACPC and do close out.
- If the ground is present, continue with next step.
- Interchange GLC 4 with DLC 2.
- If system checks are good, replace GLC 4 and do close out.
- If fault remains, continue with next step.
- Perform ground short fault for GLC status circuit. On GCU 4, disconnect connector A59P2 and on ACPC, gain access to the ACPC primary distribution section and disconnect connector P403 of GLC 4.
- On connector A59P2, using a multi-meter, check for a ground on A59P2-19.
- If a ground short fault is not found, go to step 14.
- If a ground short fault is detected, continue with next step.
- On ACPC, disconnect connector A54P2. On connector A59P2, using a multi-meter, check for a ground on A59P2-19.
- If the ground short fault is still present, repair or replace the defective wiring between GCU 4 and the ACPC and do close out.
- If the ground short fault is no longer present on A59P2-19, continue with next step.
- On GLC 4 connector P403, check for a ground on P403-8.
- If a ground is present, repair defective wire between connector P403-8 and receptacle A54J2-c. If unable to repair the wire, replace the ACPC and do close out.
- If a ground is not present, continue with next step.
- Perform wiring checks on the GLC status circuit for open circuit fault. On GCU 4, disconnect connector A59P2 and on ACPC, disconnect connector P403 of GLC 4. Check for an open circuit between A59P2 and GLC 4 connector P403 as follows:
From To Expected Result Result A59P2-9 P403-8 open - If no open circuit fault is detected, go to step 17.
- If an open circuit fault is detected, continue with next step.
- On ACPC, disconnect connector A54P2. Check for an open circuit between A59P2 and A54P2 as follows:
From To Expected Result Result A59P2-19 A54P2-c open - If the open circuit fault is still present, repair or replace the defective wiring between GCU 4 and the ACPC and do close out.
- If the open circuit fault is no longer present, continue with next step.
- Check for an open circuit between A54J2 and GLC 4 connector P403 as follows:
From To Expected Result Result A54J2-c P403-8 open - If the open circuit fault is present, repair defective wiring between connector P403-8 and receptacle A54J2-c. If unable to repair the wire, replace the ACPC and do close out.
- If the open circuit fault is not present, continue with next step.
- Disconnect GLC 4 connector P403. Check for a ground on connector P403-9.
- If the ground is missing, repair defective wiring between P403-9, TB401, TB601 and ground stud E001. If unable to repair the wiring, replace the ACPC and do close out.
- If the ground is present, continue with next step.
- Replace GLC 4.
- Do close out.


