11/17/20
Message Overview:
Fault Message:
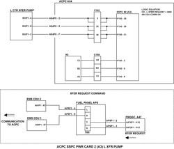
ACPC SSPC PWR CARD2 (A3)/L XFR PUMP
Fault Code:
2451321ACP
Associated CAS:
| Reporting LRU: | AC Power Center (ACPC) Solid-State Power Controller (SSPC) Power Card |
| System Description: | 24-50-00 28-22-00 |
| Schematic Diagram: | 24-51-00 [ Global Express ] [ G5000 ] [ Global XRS ] |
| Wiring Diagram: | 24-51-01 [ Global Express ] [ G5000 ] [ Global XRS ] 28-20-03 [ Global Express ] [ G5000 ] [ Global XRS ] 28-22-02 [ Global Express ] [ G5000 ] [ Global XRS ] 28-41-08 [ Global Express ] [ G5000 ] [ Global XRS ] |
Fault Description:
The AC Power Center (ACPC) Solid-State Power Controller (SSPC) Power Card has detected a failure with the initialization of the AC SSPCs, the control logic circuitry and/or the load.
Possible Causes:
- AC Power Center (ACPC) (A54)
- Solid-State Power Controller (SSPC) 2
- Left Center Transfer Pump (B32)
- Associated Wiring
Troubleshooting Tips:
Advisory Wire/Service Bulletin: None
Forum Articles/Infoservice/Newsletter: None
- If the pump is inoperative without CAIMS message and SSPC is IN, check wires between FMQGC and EMS CDU 1 and 2
- If the SSPC is always tripped without CAIMS message, check for a short circuit between the pump and the SSPC
Quick Links:
| Removal of the AC Power Center (ACPC) | AMM 24-51-00-000-801 [ Global Express ] [ G5000 ] [ Global XRS ] |
| Installation of the AC Power Center (ACPC) | AMM 24-51-00-400-801 [ Global Express ] [ G5000 ] [ Global XRS ] |
| Removal of the AC Power Center (ACPC) Solid-State Power Controller | AMM 24-51-53-000-801 [ Global Express ] [ G5000 ] [ Global XRS ] |
| Installation of the AC Power Center (ACPC) Solid-State Power Controller | AMM 24-51-53-400-801 [ Global Express ] [ G5000 ] [ Global XRS ] |
| Removal of the Center Transfer-Pump Cartridges | AMM 28-22-09-000-801 [ Global Express ] [ G5000 ] [ Global XRS ] |
| Installation of the Center Transfer-Pump Cartridges | AMM 28-22-09-400-801 [ Global Express ] [ G5000 ] [ Global XRS ] |
| Wire Repair - Maintenance Practices - ALL | SPM 20-12-10-02 [ Global Express ] [ G5000 ] [ Global XRS ] |
Troubleshooting Recommendations:
- Swap SSPC 2 with SSPC 10. Monitor the R AFT BOOST PUMP.
- If system checks are good, replace SSPC 2 and do close out.
- If fault remains, continue with next step.
- Disconnect the L CTR TRANSFER PUMP and remove the ACPC SSPC 2 card. Perform a continuity check between the connections that follows:
From To Result B32P1-A SSPC 2 P130-25 B32P1-B SSPC 2 P130-28 B32P1-C SSPC 2 P130-31 - If there is no continuity, repair defective wiring as required and do close out.
- If there is continuity, continue with next step.
- Perform a continuity check between the connections that follows:
From To Result SSPC 2 P130-25 Ground SSPC 2 P130-28 Ground SSPC 2 P130-31 Ground SSPC 2 P130-25 SSPC 2 P130-28 SSPC 2 P130-25 SSPC 2 P130-31 SSPC 2 P130-28 SSPC 2 P130-31 - If there is no continuity, replace the L Center Transfer Pump (B32) and do close out.
- If there is continuity, continue with next step.
- Disconnect ACPC connector A54P5. Repeat step 3.
- If there is no continuity, repair defective wiring as required and do close out.
- If there is continuity, continue with next step.
- Replace the ACPC.
- Do close out.

