04/07/20
Message Overview:
Fault Message:
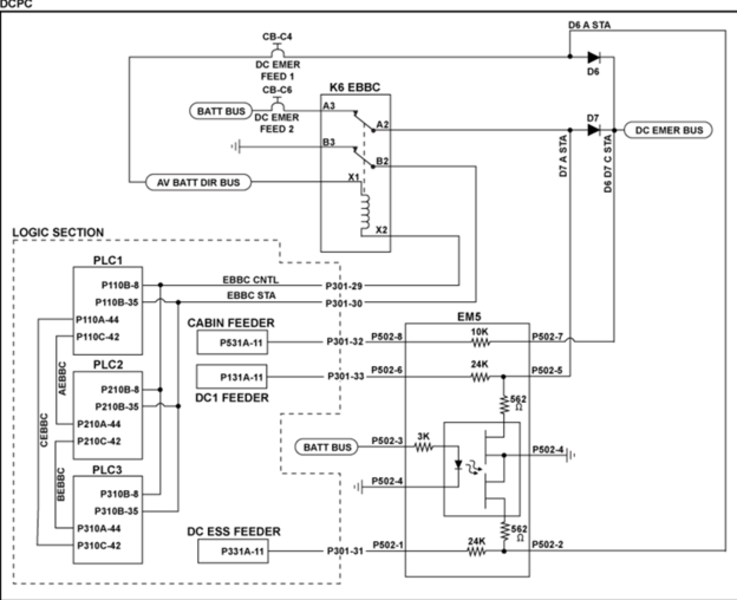
DCPC EBBC CONTACTOR-K6 PWR UP FAIL
Fault Code:
2463013DCP
Associated CAS:
| Reporting LRU: | DC Power Center (DCPC) |
| System Description: | 24-60-00 |
| Schematic Diagram: | 24-61-00 [ Global Express ] [ G5000 ] [ Global XRS ] |
| Wiring Diagram: | 24-61-01 [ Global Express ] [ G5000 ] [ Global XRS ] |
Fault Description:
At power-up, Primary Logic Cards (PLC) detects a discrepancy between coil drive status and auxiliary contact status.
Possible Causes:
- Emergency Bus Breaker Contactor (EBBC) (K6)
- Primary Logic Card (PLC) 1
- Primary Logic Card (PLC) 2
- Primary Logic Card (PLC) 3
- DC Power Center (DCPC) (A63)
Troubleshooting Tips:
Advisory Wire/Service Bulletin: None
Forum Articles/Infoservice/Newsletter: None
Quick Links:
| Removal of the DC Power Center (DCPC) | AMM 24-61-00-000-801 [ Global Express ] [ G5000 ] [ Global XRS ] |
| Installation of the DC Power Center (DCPC) | AMM 24-61-00-400-801 [ Global Express ] [ G5000 ] [ Global XRS ] |
| Removal of the DC Power Center (DCPC) Primary Logic | AMM 24-61-09-000-801 [ Global Express ] [ G5000 ] [ Global XRS ] |
| Installation of the DC Power Center (DCPC) Primary Logic | AMM 24-61-09-400-801 [ Global Express ] [ G5000 ] [ Global XRS ] |
| Removal of the DC Power Center (DCPC) KC-Series Relay | AMM 24-61-25-000-801 [ Global Express ] [ G5000 ] [ Global XRS ] |
| Installation of the DC Power Center (DCPC) KC-Series Relay | AMM 24-61-25-400-801 [ Global Express ] [ G5000 ] [ Global XRS ] |
| DCPC assembly | CMM 24-61-02 [ Global Express ] [ G5000 ] [ Global XRS ] |
Troubleshooting Recommendations:
- Disconnect the avionics battery.
- Remove PLC 1, PLC 2 and PLC 3.
- Disconnect and identify K6-B3.
- Do a continuity check as follows:
From To Result K6-B3 Ground - If there is continuity, continue with next step.
- If there is no continuity, replace DCPC.
- Disconnect K6-B2 and X2 and identify.
- Do a continuity check as follows:
From To Result K6-B2 Ground K6-X2 Ground - If there is no continuity, continue with next step.
- If there is continuity, replace DCPC.
- Do a continuity check as follows:
From To Result K6-X2 P110B-8 K6-X2 P210B-8 K6-X2 P310B-8 K6-B2 P110B-35 K6-B2 P210B-35 K6-B2 P310B-35 - If there is continuity, continue with next step.
- If there in no continuity, replace the DCPC.
CAUTION: Make sure that connection X1 is still connected to contactor K6.
- Reconnect Avionic battery.
- Do a check for 28 VDC as follows:
From
To Result K6-X1 Ground - If there is 28 VDC, continue with next step.
- If there is no 28 VDC, replace DCPC.
- Reconnect wires on contactor K6.
- Install PLC2 and PLC3. Is the fault resolved?
- If YES, replace PLC1.
- If NO, install PLC1 and remove PLC2.
- Is the fault resolved?
- If YES, replace PLC2.
- If NO, install PLC2 and remove PLC3.
- Is the fault resolved?
- If YES, replace PLC3.
- If NO replace K6.
- Do close out.
