09/27/19
Message Overview:
Fault Message:
L FUEL FLOW WRG/TRANSMIT RNG MA
Fault Code:
7326621LBR
Associated CAS:
| Reporting LRU: | Left Engine Electronic Controller (EEC) |
| System Description: | 73-30-00 |
| Schematic Diagram: | None |
| Wiring Diagram: | 71-50-01 [ Global Express ] [ G5000 ] [ Global XRS ] |
Fault Description:
The fault message is set when there is an open/short circuit in the Fuel Flow Transmitter or in the interface wiring. The Fuel Flow Transmitter circuits are continuously monitored by the Full-Authority Digital Engine-Controller (FADEC).
Possible Causes:
- Fuel Flow Transmitter (FFT)
- Fuel Metering Unit (FMU)
- Right Engine Electronic Control (EEC)
- Associated Wiring
Troubleshooting Tips:
Advisory Wire/Service Bulletin:
- AW700-45-0065 - CAIMS Nuisance Fault Messages
Forum Articles/Infoservice/Newsletter: None
Quick Links:
| Engine Safety Precautions | AMM 71-00-00-910-801 [ Global Express ] [ G5000 ] [ Global XRS ] |
| Opening of the Cowls | AMM 71-10-00-010-801 [ Global Express ] [ G5000 ] [ Global XRS ] |
| Closing of the Cowls | AMM 71-10-00-410-801 [ Global Express ] [ G5000 ] [ Global XRS ] |
| Deactivation of the Thrust Reverser (for Maintenance) | AMM 78-30-00-040-801 [ Global Express ] [ G5000 ] [ Global XRS ] |
| Activation of the Thrust Reverser (for Maintenance) | AMM 78-30-00-440-801 [ Global Express ] [ G5000 ] [ Global XRS ] |
| Removal of the Fuel Flow Transmitter | EMM 73-31-01-000-801 [ Global Express ] [ G5000 ] [ Global XRS ] |
| Installation of the Fuel Flow Transmitter | EMM 73-31-01-400-801 [ Global Express ] [ G5000 ] [ Global XRS ] |
| Wire Repair - Maintenance Practices - ALL | SPM 20-12-10-02 [ Global Express ] [ G5000 ] [ Global XRS ] |
Troubleshooting Recommendations:
- Remove the electrical power from the aircraft.
- Perform a deactivation of the thrust reverser.
- Open the cowls.
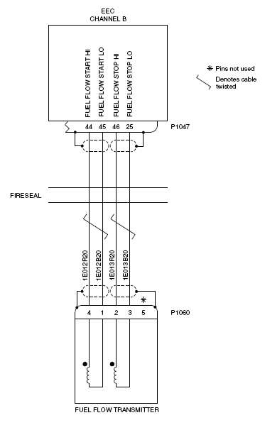
- Perform wiring checks between fuel flow transmitter connector (P1060) and EEC connector (P1047).
- If wiring checks are not good, repair defective wiring as required and go to step 6.
- If wiring checks are good, continue with next step.
- Replace fuel flow transmitter.
- Close the cowls and perform a activation of the thrust reverser.
- Do close out.
