07/22/25
Message Overview:
Message Name:
L FUEL TEMP CH B WRG/XDCR RNG MA
Message Code:
7327028LBR
Associated CAS:
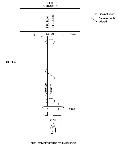
| Reporting LRU: | Left Engine Electronic Controller (EEC) |
| System Description: | 73-30-00 - Indicating |
| Schematic Diagram: | None |
| Wiring Diagram: | 71-50-01 [ Global Express ] [ G5000 ] [ Global XRS ] |
Message Description:
Open/short circuit in the Fuel Temperature Transducer of channel B or the Associated Wiring.
Possible Causes:
- Fuel Temperature Transducer
- Left Engine Electronic Control Unit (EEC)
- Associated Wiring
Troubleshooting Tips:
Advisory Wire/Service Bulletin: None
Full Throttle Blog/Forum Articles/Infoservice/Newsletter: None
Flight Operation Notifications Manual (FONM): None
Quick Links:
| Engine Safety Precautions | AMM 71-00-00-910-801 [ Global Express ] [ G5000 ] [ Global XRS ] |
| Opening of the Cowls | AMM 71-10-00-010-801 [ Global Express ] [ G5000 ] [ Global XRS ] |
| Closing of the Cowls | AMM 71-10-00-410-801 [ Global Express ] [ G5000 ] [ Global XRS ] |
| Visual Check of the Fuel Indicating System | AMM 73-30-00-210-801 [ Global Express ] [ G5000 ] [ Global XRS ] |
| Deactivation of the Thrust Reverser (for Maintenance) | AMM 78-30-00-040-801 [ Global Express ] [ G5000 ] [ Global XRS ] |
| Activation of the Thrust Reverser (for Maintenance) | AMM 78-30-00-440-801 [ Global Express ] [ G5000 ] [ Global XRS ] |
| Removal of the HP Fuel-Temperature Transducer | EMM 73-32-01-000-802 [ Global Express ] [ G5000 ] [ Global XRS ] |
| Installation of the HP Fuel-Temperature Transducer | EMM 73-32-01-400-802 [ Global Express ] [ G5000 ] [ Global XRS ] |
| Wire Repair - Maintenance Practices - ALL | SPM 20-12-10-02 [ Global Express ] [ G5000 ] [ Global XRS ] |
Troubleshooting Recommendations:
CAUTION: DO NOT DO ELECTRICAL CHECKS INTO THE ENGINE ELECTRONIC CONTROLLER (EEC). IF YOU DO NOT OBEY THIS INSTRUCTION, DAMAGE TO THE EEC CAN OCCUR.
- Interchange the fuel temperature fuel transducer (P1061) Ch B with the fuel temperature fuel transducer (P1062) Ch A. Is the fault still present?
- If YES, continue with next step.
- If NO, replace the fuel temperature transducer (P1061) and do close out.
- Perform wiring checks between P1061 and P1046.
- If wiring checks are not good, repair defective wiring as required and do close out.
- If wiring checks are good, continue with next step.
- Interchange the EEC. Replace if necessary.
- Do close out.
