07/22/25
Message Overview:
Message Name:
L FUEL TEMP WRG/XDCR XCK MA
Message Code:
7327029LBR
Associated CAS:
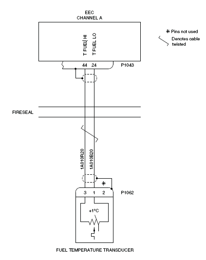
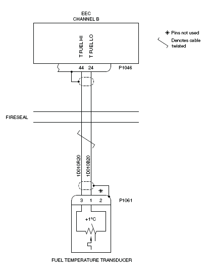
| Reporting LRU: | Left Engine Electronic Controller (EEC) |
| System Description: | 73-30-00 - Indicating |
| Schematic Diagram: | None |
| Wiring Diagram: | 71-50-01 [ Global Express ] [ G5000 ] [ Global XRS ] |
Message Description:
The fault message is set when there is an unsatisfactory difference between the Fuel Temperature Indications from the Fuel Temperature Transducers of channel A and channel B. The Fuel Temperature Transducer circuits are continuously monitored by the Full-Authority Digital Engine-Controller (FADEC).
Possible Causes:
- Fuel Temperature Transducer
- Left Engine Electronic Control Unit (EEC)
- Associated Wiring
Troubleshooting Tips:
Advisory Wire/Service Bulletin: None
Full Throttle Blog/Forum Articles/Infoservice/Newsletter: None
Flight Operation Notifications Manual (FONM): None
Quick Links:
| Engine Safety Precautions | AMM 71-00-00-910-801 [Global Express ] [G5000 ] [Global XRS ] |
| Opening of the Cowls | AMM 71-10-00-010-801 [Global Express ] [G5000 ] [Global XRS ] |
| Closing of the Cowls | AMM 71-10-00-410-801 [Global Express ] [G5000 ] [Global XRS ] |
| Visual Check of the Fuel Indicating System | AMM 73-30-00-210-801 [Global Express ] [G5000 ] [Global XRS ] |
| Deactivation of the Thrust Reverser (for Maintenance) | AMM 78-30-00-040-801 [Global Express ] [G5000 ] [Global XRS ] |
| Activation of the Thrust Reverser (for Maintenance) | AMM 78-30-00-440-801 [Global Express ] [G5000 ] [Global XRS ] |
| Removal of the HP Fuel-Temperature Transducer | EMM 73-32-01-000-802 [ Global Express ] [ G5000 ] [ Global XRS ] |
| Installation of the HP Fuel-Temperature Transducer | EMM 73-32-01-400-802 [ Global Express ] [ G5000 ] [ Global XRS ] |
| Wire Repair - Maintenance Practices - ALL | SPM 20-12-10-02 [Global Express ] [G5000 ] [Global XRS ] |
Troubleshooting Recommendations:
- Perform a deactivation of the thrust reverser and open the cowls.
- Perform wiring checks between channel A P1062 and P1043.
- If wiring checks are not good, repair defective wiring as required and go to step 6.
- If wiring checks are good, continue with next step.
- Perform wiring checks between channel B P1061 and P1046.
- If wiring checks are not good, repair defective wiring as required and go to step 6.
- If wiring checks are good, continue with next step.
- Replace defective Fuel Temperature Transducer.
NOTE: It is recommended that you replace the fuel temperature transducer (channel A or channel B) which gave the highest fuel temperature indication first.- If system checks are good, go to step 6.
- If fault remains, continue with next step.
- Replace Left EEC.
- Close the cowls and activate the thrust reverser.
- Do close out.

