11/13/20
Message Overview:
Fault Message:
L TRA CH B WRG/TRA RNG MA
Fault Code:
7327325LBR
Associated CAS:
| Reporting LRU: | Left Engine Electronic Controller (EEC) |
| System Description: | 73-20-00 |
| Schematic Diagram: | 76-10-00 [ Global Express ] [ G5000 ] [ Global XRS ] |
| Wiring Diagram: | 71-50-01 [ Global Express ] [ G5000 ] [ Global XRS ] |
Fault Description:
- There is an open or short circuit in the Rotary Variable Differential Transformer (RVDT) of the Throttle Quadrant for the Throttle Resolver Angle (TRA) (channel B) OR
- There is an open or short circuit in the interface wiring
These circuits are continuously monitored by the Full-Authority Digital Engine-Controller (FADEC).
Possible Causes:
- Throttle Quadrant Assembly (AP41)
- Left Engine Electronic Controller (EEC)
- Associated Wiring
Troubleshooting Tips:
Advisory Wire/Service Bulletin: None
Forum Articles/Infoservice/Newsletter: None
Quick Links:
| Opening of the Cowls | AMM 71-10-00-010-801 [ Global Express ] [ G5000 ] [ Global XRS ] |
| Closing of the Cowls | AMM 71-10-00-410-801 [ Global Express ] [ G5000 ] [ Global XRS ] |
| Removal of the Throttle Quadrant | AMM 76-10-01-000-801 [ Global Express ] [ G5000 ] [ Global XRS ] |
| Installation of the Throttle Quadrant | AMM 76-10-01-400-801 [ Global Express ] [ G5000 ] [ Global XRS ] |
| Deactivation of the Thrust Reverser (for Maintenance) | AMM 78-30-00-040-801 [ Global Express ] [ G5000 ] [ Global XRS ] |
| Activation of the Thrust Reverser (for Maintenance) | AMM 78-30-00-440-801 [ Global Express ] [ G5000 ] [ Global XRS ] |
| Removal of the Eng Electronic Controller (EEC) Mod 73-101559 |
EMM 73-21-01-000-801-B00 [ Global Express ] [ G5000 ] [ Global XRS ] |
| Installation of the Eng Electronic Controller (EEC) Mod 73-101559 |
EMM 73-21-01-400-801-B001 [ Global Express ] [ G5000 ] [ Global XRS ] |
| Wire Repair - Maintenance Practices - ALL | SPM 20-12-10-02 [ Global Express ] [ G5000 ] [ Global XRS ] |
Troubleshooting Recommendations:
- Check for all Throttle CAIMS faults as follows:
- If fault message present, troubleshoot them first and continue with next step.
- If fault message is not present, continue with next step.
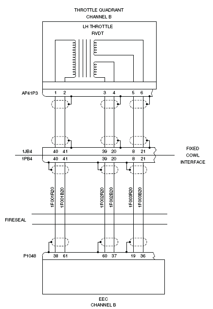
- Perform wiring checks between Fixed Cowl Interface (1PB4) and EEC (P1048).
- If wiring checks are not good, repair defective wiring as required and do close out.
- If wiring checks are good, continue with next step.
- Perform wiring checks between the fixed cowl interface (1JB4) and the throttle quadrant (AP41P3).
- If the wiring checks are not good, repair the defective associated wiring and do close out.
- If the wiring checks are good, continue with next step.
- Replace Left EEC.
- Do close out.
