10/10/19
Message Overview:
Fault Message:
R OIL TEMP CH A WRG/XDCR RNG
Fault Code:
7325728RBR
Associated CAS:
| Reporting LRU: | Right Engine Electronic Controller (EEC) |
| System Description: | 79-30-00 |
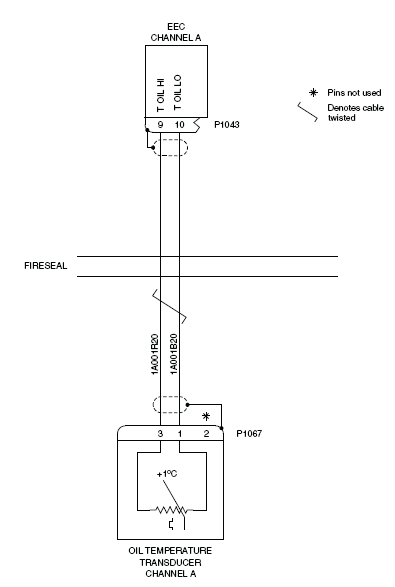
| Schematic Diagram: | 79-30-00 [ Global Express ] [ G5000 ] [ Global XRS ] |
| Wiring Diagram: | 71-50-01 [ Global Express ] [ G5000 ] [ Global XRS ] |
Fault Description:
Right engine oil temperature transducer signal to Engine Electronic Controller (EEC) Channel A failed (LOSS OF OIL TEMPERATURE INDICATION - DASHES IF CH A AND CH B FAILS).
Possible Causes:
- Right Oil Temperature Transducer Channel A
- Right Engine Electronic Controller (EEC)
- Associated Wiring
Troubleshooting Tips:
Advisory Wire/Service Bulletin: None
Forum Articles/Infoservice/Newsletter: None
Quick Links:
| Opening of the Cowls | AMM 71-10-00-010-801 [ Global Express ] [ G5000 ] [ Global XRS ] |
| Closing of the Cowls | AMM 71-10-00-410-801 [ Global Express ] [ G5000 ] [ Global XRS ] |
| Connection of Electrical Connectors | EMM 70-50-01-910-801 [ Global Express ] [ G5000 ] [ Global XRS ] |
| Removal of the Eng Electronic Controller (EEC) Mod 73-101559 |
EMM 73-21-01-000-801-B00 [ Global Express ] [ G5000 ] [ Global XRS ] |
| Installation of the Eng Electronic Controller (EEC) Mod 73-101559 |
EMM 73-21-01-400-801-B001 [ Global Express ] [ G5000 ] [ Global XRS ] |
| Removal of the Oil Temperature Transducer | EMM 79-32-01-000-801 [ Global Express ] [ G5000 ] [ Global XRS ] |
| Installation of the Oil Temperature Transducer | EMM 79-32-01-400-801 [ Global Express ] [ G5000 ] [ Global XRS ] |
| Wire Repair - Maintenance Practices - ALL | SPM 20-12-10-02 [ Global Express ] [ G5000 ] [ Global XRS ] |
Troubleshooting Recommendations:
- Swap Right oil temperature transducer CH A with Left oil temperature transducer CH A.
- If system checks are good, replace Right oil temperature transducer CH A and do close out.
- If fault remains, continue with next step.
- Perform wiring checks between the Right EEC and the Oil temperature transducer.
- If wiring checks are not good, repair defective wiring as required and do close out.
- If wiring checks are good, continue with next step.
- Replace the Right EEC.
- Do close out.

