03/03/21
Message Overview:
Message Name:
APU [GLC DRIVE OPEN/SHORT/STATUS]
Message Code:
2420133LPS
Associated CAS:
| Reporting LRU: | Auxiliary Power Unit Generator Control Unit (APU GCU) |
| System Description: | 24-22-00 |
| Schematic Diagram: | 24-22-00 [ Global Express ] [ G5000 ] [ Global XRS ] |
| Wiring Diagram: | 24-22-01 [ Global Express ] [ G5000 ] [ Global XRS ] |
Message Description:
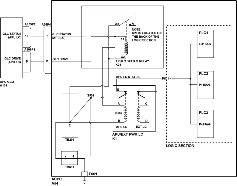
The Auxiliary Power Unit Generator Control Unit (APU GCU) has detected a malfunction with the Auxiliary Power Unit Line Contactor (APULC) coil and or the APULC status reporting.
Possible Causes:
- Auxiliary Power Unit Generator Control Unit (APU GCU) (A109)
- Auxiliary Power Unit Line Contactor (APULC)
- AC Power Center (ACPC) (A54)
- Primary Logic Card (PLC) 1
- Primary Logic Card (PLC) 2
- Primary Logic Card (PLC) 3
- Associated Wiring
Troubleshooting Tips:
Advisory Wire/Service Bulletin: None
Forum Articles/Infoservice/Newsletter: None
Notice To Operators (NTO): None
Flight Operation Notifications Manual (FONM): None
A GCU patch cable (GSE REF # 24X-24-02) can be used to interchange GCUs 1, 4 and 5 into position 2 or 3 (for troubleshooting only).
The GCU NVMs can only be downloaded at position #2 or #3.
Quick Links:
| Removal of the Generator Control Units (GCU) | AMM 24-24-01-000-801 [ Global Express ] [ G5000 ] [ Global XRS ] |
| Installation of the Generator Control Units (GCU) | AMM 24-24-01-400-801 [ Global Express ] [ G5000 ] [ Global XRS ] |
| Removal of the AC Power Center (ACPC) | AMM 24-51-00-000-801 [ Global Express ] [ G5000 ] [ Global XRS ] |
| Installation of the AC Power Center (ACPC) | AMM 24-51-00-400-801 [ Global Express ] [ G5000 ] [ Global XRS ] |
| Removal of the AC Power Center (ACPC) Primary Logic | AMM 24-51-09-000-801 [ Global Express ] [ G5000 ] [ Global XRS ] |
| Installation of the AC Power Center (ACPC) Primary Logic | AMM 24-51-09-400-801 [ Global Express ] [ G5000 ] [ Global XRS ] |
| Removal of the AC Power Center (ACPC) ZJC-Series Contactor (K1) | AMM 24-51-41-000-801 [ Global Express ] [ G5000 ] [ Global XRS ] |
| Installation of the AC Power Center (ACPC) ZJC-Series Contactor (K1) | AMM 24-51-41-400-801 [ Global Express ] [ G5000 ] [ Global XRS ] |
| Wire Repair - Maintenance Practices - ALL | SPM 20-12-10-02 [ Global Express ] [ G5000 ] [ Global XRS ] |
| AC Power Center Component Maintenance Manual | CMM 24-51-02 [ Global Express ] [ G5000 ] [ Global XRS ] |
Troubleshooting Recommendations:
- Interchange APUGCU with GCU#2.
- If the system checks are good, replace the APUGCU and do close out.
- If the fault remains, continue with next step.
- Carry out wiring checks on the APULC (K1).
- If wiring checks are not good, repair wiring as required and do close out.
- If wiring checks are good, continue with next step.
- On the APUGCU, disconnect connector A109P1.
- On the ACPC, gain access to the ACPC primary distribution section and disconnect connector P502 of APULC (K1) and on connector A109P1, using a multi-meter, wiring checks for a ground on A109P1-P.
- If wiring checks are not good, repair wiring as required and do close out.
- If wiring checks are good, continue with next step.
- On the ACPC, disconnect connector A54P4.
- On connector A109P1, using a multi-meter, wiring checks for a ground on A109P1-P.
- If wiring checks are not good, replace the wire harness between the APUGCU and the ACPC and do close out.
- If wiring checks are good, continue with next step.
- On the APULC connector P502, wiring checks a ground on P502-A.
- If wiring checks are not good, Repair wire between connector P502 pin A and receptacle A54J4 pin K and do close out.
- If unable to repair, go to step 23.
- If wiring checks are good, continue with next step.
- On the APUGCU, disconnect connector A109P1, on the ACPC, disconnect connector P502 of the APULC (K1) and perform wiring checks (open circuit) between APUGCU and APULC.
From To Result A109P1-P P502-A - If the open circuit fault is still present, repair wiring as required and do close out.
- If the open circuit fault is no longer present, continue with next step.
- On the ACPC, disconnect connector A54P4, perform wiring checks (open circuit) between APUGCU and ACPC.
From To Result A109P1-P A54P4-K - If the open circuit fault is still present, repair wiring as required and do close out.
- If the open circuit fault is no longer present, continue with next step.
- Check for an wiring checks (open circuit) between ACPC and APULC.
From To Result A54J4-K P502-A - If the open circuit fault is still present, repair wiring as required and do close out.
- If unable to repair, go to step 23.
- If the open circuit fault is no longer present, continue with next step.
- Disconnect APULC connector P502, Check for a ground on connector P502 pin B.
- If the ground is missing, repair wiring between P502 pin B, TB201, TB601 and ground stud E001 and do close out.
- If unable to repair the wiring, go to step 23.
- If system checks are good, continue with next step.
- On the APUGCU, disconnect connector A109P2, Carry out wiring checks on the APULC (K1) using a multi-meter, check for a ground on A109P2-19.
NOTE: The APULC (K1) contactor status is provided to the APUGCU by a secondary relay. This relay is identified as K28 (APULC status relay). K28 is electrically installed in parallel with the APULC (K1) and its coil uses the same control power (28 VDC) and ground as the APULC (K1) contactor.- If the ground short fault is still present, repair or replace the wire harness between the APUGCU and the ACPC and do close out.
- If the ground short fault is no longer present, continue with next step.
- On the ACPC receptacle A54J4, check for a ground on A54J4-C.
- If the ground is missing, repair wiring as required and do close out.
- If unable to repair the wiring, go to step 23.
- If system checks are good, continue with next step.
- On the APUGCU, disconnect connector A109P1 and on the ACPC, disconnect APULC connector P502 On connector A109P1, using a multi-meter, wiring checks for a ground on A109P1-P.
NOTE: This check also verifies the integrity of K28 energizing coil. Therefore, it is normal to read a resistance of 400 ±100 ohms on the multi-meter.- If a ground short fault is detected, repair or replace the wire harness between the APUGCU and the ACPC and do close out.
- If the ground short fault is no longer present, continue with next step.
- On the ACPC receptacle A54J4, check for a ground on A54J4-K.
- If wiring checks are not good, go to step 23.
- If wiring checks are good, continue with next step.
- On the APUGCU, disconnect connector A109P2, and on ACPC, disconnect connector A54P4 perform wiring checks (open circuit) between APUGCU and ACPC.
From To Result A109P2-19 A54P4-C - If an open circuit fault is present, repair or replace the wire harness between APUGCU and the ACPC and do close out.
- If the open circuit fault is no longer present, continue with next step.
- On ACPC, reconnect connector A54P4 and on the ACPC, disconnect APULC connector P502 perform wiring checks (open circuit) between A109P1-P and ground at the ACPC.
- If wiring checks are not good, repair wiring as required and do close out.
- If wiring checks are good, continue with next step.
- On the ACPC, disconnect connector A54P4, perform wiring checks (open circuit) between APUGCU and ACPC.
From To Result A109P1-P A54P4-K - If the open circuit fault is still present, repair wiring as required and do close out.
- If unable to repair, go to step 23.
- If the open circuit fault is no longer present, continue with next step.
- If no faults are found in the previous steps, the most likely fault is the APULC status relay (K28), therefore replace the ACPC. To confirm the K28 failure, do the K28 operational check.
- Operational check of the APULC status relay (K28), On the APUGCU and ACPC disconnect both A109P2 and P502 and On ACPC, reconnect connector A54P4.
- If wiring checks are not good, repair wiring as required and do close out.
- If wiring checks are good, continue with next step.
- Using a 28 VDC power source, provide 28 VDC to A109P1-P of the APUGCU. This will energize K28.
- Using a multi-meter, measure the continuity checks between APUGCU and ground.
From To Result A109P2-19 Ground - If there is continuity, repair wiring as required and do close out.
- If there is no continuity, continue with next step.
- Replace the ACPC.
- Do close out.



